GCr15钢经过复相热处理后,获得马氏体基体上有适量的先转变下贝氏体的两相混合组织,在强度、塑性和韧性上均有提高。该处理工艺有望在一些承受连续冲击和挤压载荷,以疲劳剥落失效为主的工件得到较为有效的应用。初步应用试验表明,用该工艺处理的承受连续冲击及挤压载荷的工件,其使用寿命可提高23倍[1]。本工作利用光学显微镜及透射电镜,通过对显微组织、二次碳膜复型及金属薄膜的观察,分析了B下M复相组织中下贝氏体的转变过程及特征。
2 试验方法
2.1 样品的热处理
试验材料选用GCr15轴承钢,原材料为细片状珠光体组织,经球化退火后进行850℃×12min奥氏体化,随后在240℃等温180min,最后进行160℃×90min回火。在240℃等温180min的样品得到了全部下贝氏体组织,其余样品中剩余的过冷奥氏体在随后的冷却过程中转变成马氏体。
2.2 电镜观察样品的制备
热处理后的样品磨制成金相试样,观测显微组织及制备二次碳膜复型。同时,对样品进行超薄切片,用双喷法制备金属薄膜。
3 试验结果及分析
3.1 GCr15钢下贝氏体转变的显微组织分析
GCr15钢在850?12min奥氏体化后经240℃等温不同时间再在油中冷却,可得到不同比例的下贝氏体和马氏体(B下M)的复相组织,其中还有少量的残余奥氏体和未溶碳化物。随等温时间的延长下贝氏体量不断增多,等温15min时下贝氏体量约20%(图1a),主要呈孤立的针状分布;等温时间延长至30min,下贝氏体量已增多至35%40%(图1b),且开始出现草丛状分布。继续增加等温时间,下贝氏体量更多,草丛状下贝氏体更密集,等温至60min,草丛状下贝氏体就难以分辨(图1c)。
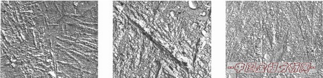
3.2 GCr15钢下贝氏体转变的碳膜二次复型分析
等温不同时间试样的碳膜复型组织见图2。图2a是等温5min,由图可见下贝氏体生长初期是呈孤立的针状,针的大小明显差别,其中有一部分针表现为平行束,绝大多数下贝氏体针是以交叉形式存在的。随着等温时间的延长,过冷奥氏体内部形核增多,新的下贝氏体不断形成,从而阻止早期形成的下贝氏体针沿长轴方向长大,导致了下贝氏体针的加宽,呈粗针状(图2b)。在等温30min后,各贝氏体针之间有碳化物析出。等温60min时贝氏体中的铁素体连成片而奥氏体部分析出碳化物(图2c)。

(a)15min (b)30min (c)60min
图1 等温时间对B下M复相组织的影响 400×

(a)5min 2500× (b)30min 6300× (c)60min 6300×
图2 碳膜二次复型电镜像

(a)5min (b)30min (c)60min
图3 B下M复相组织的TEM形貌 25000×
3.3 下贝氏体的转变特征
图3a是GCr15钢在240?等温5min时TEM的复相组织,其主要是由下贝氏体和马氏体所组成。下贝氏体的形貌类似于板条马氏体,但复相组织的马氏体束比较小,在贝氏体中的铁素体片中已有碳化物析出,所析出的碳化物细小,呈条状在铁素体基体内沿一定方向析出。
图3a及图3b(等温30min)表明,短时间等温的铁素体片较窄,析出的碳化物较细小,分布较均匀;长时间等温的铁素体片加宽,析出的碳化物条粗化,分布仍均匀;两者比较可说明铁素体片的长大受碳的扩散和铁素体内析出碳化物的程度所控制。等温60min后下贝氏体量增多,碳化物更加粗化(图3c)。
4 结论
(1)在B下M复相组织中,随等温时间的延长,下贝氏体量不断增加,其形态也由最初的孤岛状下贝氏体针变为草丛状,最后联成一片。
(2)在下贝氏体的转变过程中,随等温时间的延长,下贝氏体量不断增加,剩余奥氏体的含碳量随之增加,直到析出碳化物。
(3)随等温时间的延长,下贝氏体中铁素体板条加宽,所析出的碳化物也变得粗大。
| |


