新型奥氏体不锈铸钢的固溶处理
奥氏体型钢按合金化系列,除Mn-Al系类型外,主要还有Cr-Ni系(普通奥氏体不锈钢)、Cr-Ni-Mn-Mo-N系。我国现有的Cr-Ni系奥氏体钢主要用于有腐蚀性的化学介质(主要是各类酸),要求能耐腐蚀,虽然生产工艺成熟,配套材料较完备,但由于对强度要求不高,相对船舶用钢的强度要求偏低,且一般的奥氏体钢在低温下会产生马氏体相变而引起脆性。因此,我国现有的Cr-Ni系奥氏体不锈钢不能满足船舶材料的使用要求。ZG0Cr21Ni13Mo3NbN钢是一种新型的高性能奥氏体钢,强度在450MPa以上,成分设计采用的是超低碳Cr-Ni-Mn-Mo-N系,基本的设计思路为:以Cr、Ni为主要合金元素,降低钢中碳含量(质量分数)到0.05%以下,以保证钢的焊接性,并防止晶间腐蚀;通过氮强化提高钢的强度,弥补降碳引起的强度损失,还可提高奥氏体的稳定性,改善耐蚀性能;加入Mo、Si提高钢的抗点蚀和抗应力腐蚀性能;添加Nb等稳定化元素,防止钢的晶间腐蚀;加入Mn提高N的溶解度,有利于含N钢的熔炼。同成分系铸钢的性能也具有较高的力学性能,但其显微组织受固溶温度的影响比较敏感。本文从固溶温度对ZG0Cr21Ni13Mo3NbN钢显微组织的影响着手,简略分析两者之间的关系。
1.试验材料
试验用ZG0Cr21Ni13Mo3NbN铸钢采用50kg感应电炉熔炼,化学成分见表1。试验用试样尺寸为Φ30mm×40mm。固溶处理设备为高温箱式炉。
试验方法是将试样在1050~1150℃保温一定时间并在水中冷却,以观察试样在不同固溶温度下的组织。
![]()
2.试验结果及分析讨论
(1)铸态组织 图1为此钢浇注后的铸态金相。从图中可以看到,此钢的铸态组织中,除了主要的奥氏体基体外,在晶界和晶内还存在有弥散碳化物和δ铁素体,而且沿晶界析出的要比沿晶内析出的多。铸态下钢中铬和碳结合生成碳化物,造成晶界贫铬,使之抗晶间腐蚀性能极差,钢的韧性也下降,同时由于存在少许铁素体,不能满足对100%奥氏体的使用要求,所以铸态奥氏体不锈钢不能直接使用,必须通过固溶处理,使之转变为100%奥氏体,以提高其抗晶间腐蚀性能及其他性能要求。
![]()
图1 铸态金相组织 100×
(2)固溶工艺的初步选择ZG0Cr21Ni13Mo3NbN是一种新型的奥氏体不锈钢,其没有一种固定的热处理规范。本试验使用箱式电炉加热,根据经验,500℃装炉升温到1050℃,按1~2min/mm进行保温。热处理后其金相组织如图2所示。
![]()
图2 1050℃固溶金相组织 500×
由图2可以看出,此钢经1050℃固溶后,其组织仍为奥氏体基体上分布着弥散碳化物和δ铁素体。与图1相比,弥散碳化物与δ铁素体并未完全消失,在晶界和晶内仍然存在有弥散碳化物和δ铁素体,这与铸态组织相差无几。采用GB/T 1574—1995《定量金相手工测定方法》测定其中的δ铁素体含量为4.7%。
为验证金相分析结果,采用扫描电子显微镜观察图2 A点处的能谱,得到如图3及表2的结果。由表2可知,该组织确为δ铁素体,它与奥氏体基体相比, Cr含量偏高,而Ni含量偏低,说明此种固溶处理基本没有达到预期的目标。下一步将对固溶工艺进行改变,以期得到100%的奥氏体组织。
![]()
图3 A点处的能谱

(3)改进后的热处理工艺 根据相关文献介绍,合金元素在α和γ两相中分配是不同的,α相中富集了铁素体形成元素,而γ相中富集了奥氏体形成元素,且分配系数不是恒定的,是随着加热温度和相比例的变化而改变的。一般情况下,随固溶温度的提高,合金元素会逐渐趋向于平衡,即α相中的Cr、Mo、Si含量逐渐降低,Ni、Cu含量逐渐升高。由此说明,固溶处理温度低或保温时间过短,都会使钢中δ铁素体不能有效地进行扩散及碳化物分解。因此,根据此种指导思想,分别制订了两种热处理工艺规范:1100℃及1150℃固溶处理,按2~3min/mm进行保温。
1)1100℃固溶处理结果 1100℃固溶处理之后,此种新型奥氏体钢的金相组织如图4所示,组织为奥氏体+δ铁素体。与图2相比较,可以明显看出提高固溶温度后,δ铁素体的含量已经有了明显的减少,且弥散碳化物已经基本消失(即使存在,其含量也已相当少,仅为2.3%)。由此也可以说明,提高固溶温度对该铸钢的奥氏体化是有帮助的,但是其中的铁素体还没有完全消失,因此,有必要进行更高温度的固溶处理。
![]()
图4 1100℃固溶金相组织 100×
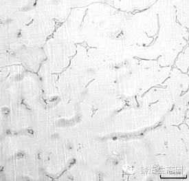
(2)1150℃固溶处理结果 1150℃固溶处理之后,此种新型奥氏体钢的金相组织如图5所示,组织为奥氏体+少量碳化物。可以明显地看出,提高固溶温度后,δ铁素体已经有明显消失,而且弥散碳化物大量减少。通过对其性能检测,完全满足指标要求。
但若再升高温度,奥氏体组织会出现长大,这将不利于此钢性能的保证。因此,我们认为此铸钢的最佳热处理工艺规范为1150℃,按2~3min/mm保温。
![]()
图5 1150℃固溶金相组织 100×
通过工艺试验,我们掌握了奥氏体ZG0Cr21Ni13Mo3NbN钢一系列工艺特性,积累了一些热处理经验,这对于该材料今后的使用和推广,有一定的指导意义和实际使用价值。
3.结语
固溶温度越高,ZG0Cr21Ni13Mo3NbN钢中弥散碳化物与δ铁素体越少,当固溶温度为1150℃,按2~3min/mm保温时,其析出相可以全部固溶到奥氏体基体中,从而得到单一的奥氏体组织。
固溶冷却水温和转移时间应严格控制,过高的水温和过长的转移时间均会影响固溶处理的效果。


