钛及钛合金 金相图谱(2)
β型钛合金
β型钛合金中又分为稳定β合金、亚稳定β合金、近β合金。
稳定β合金含有大量β稳定元素,退火后全部为β相。其室温强度较低,冷成形性好,在还原性介质中耐蚀性较好;典型合金有Ti40。
亚稳定β合金含有临界浓度以上的β稳定元素,少量的Al(一般不大于3%)和中性元素,从β相区固溶处理(水淬或空冷)后,几乎全部为亚稳定β相,这类合金冷加工性好,时效强度高。
近β合金含有临界浓度左右的β稳定元素,和一定量的中性元素及铝,从β相区固溶处理后有大量亚稳定β相及其他亚稳定相(α或ω相),时效后,主要是α相和β相,这类合金适合加工成锻件产品,具有优良的强韧性匹配。
Ti40合金是90年代中期由西北有色金属院研制的一种Ti-Cr-V系阻燃钛合金,属于稳定β型钛合金,合金相变点约400℃。应用于高性能航空发动机机匣等部位。Ti40合金典型力学性能如表3-1表3-2所示。图3-1~图3-9为Ti40合金常见的微观组织。
表3-1 Ti40合金室温力学性能

表3-2 Ti40合金高温蠕变性能


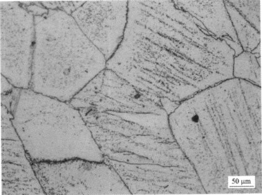
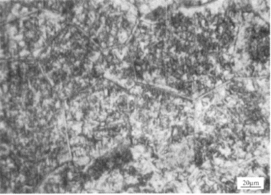
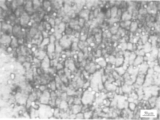
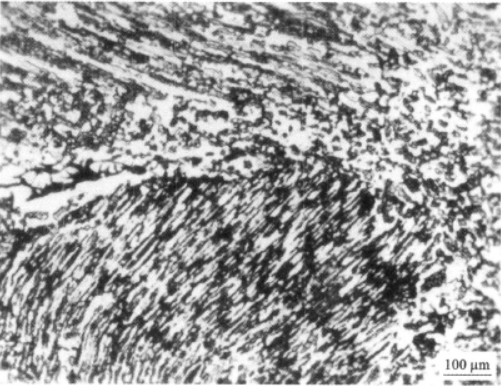
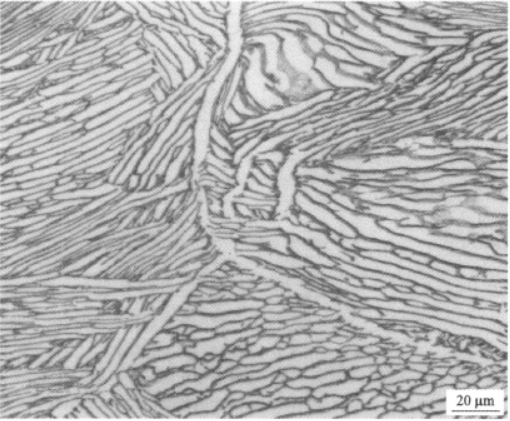
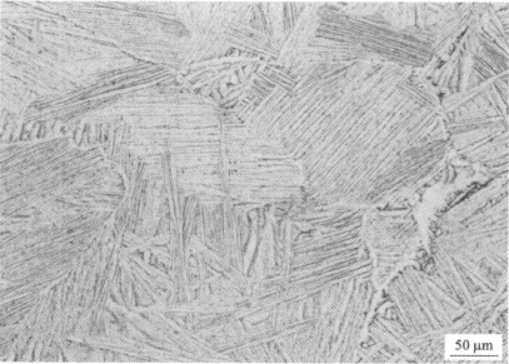
图3-1 Ti40合金热加工态组织:弯曲状β晶界

图3-2 Ti40合金600℃退火组织:弯曲状β晶界+少量加工流线

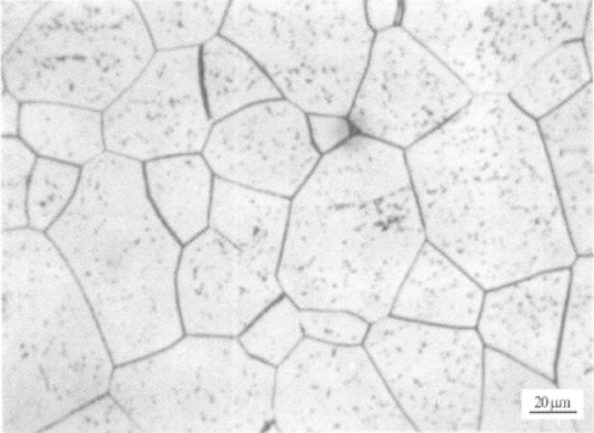
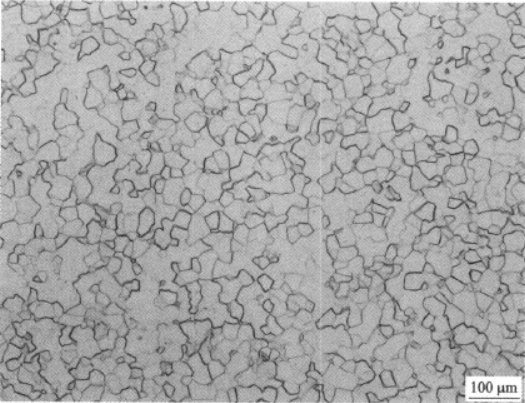
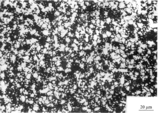
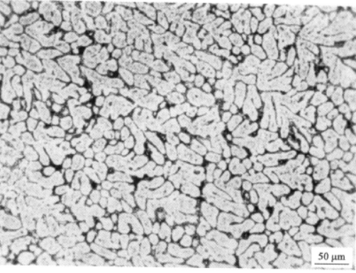
图3-3 Ti40合金700℃退火组织:等轴β组织

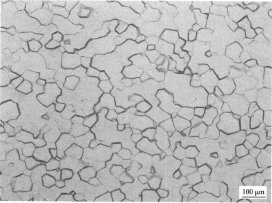
图3-4 Ti40合金800℃退火组织:等轴β组织(β晶界平直化)

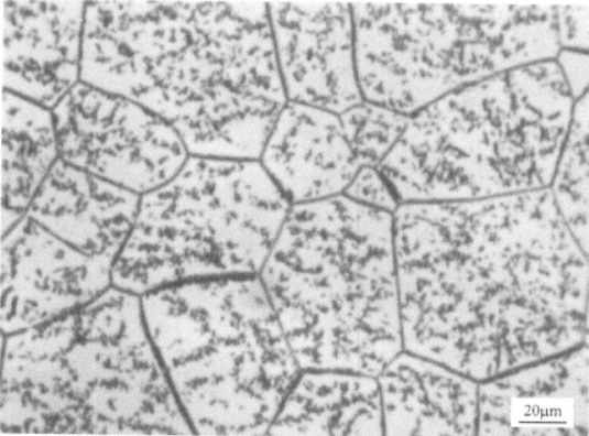
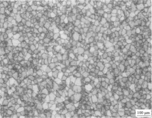
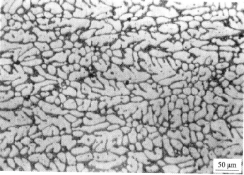
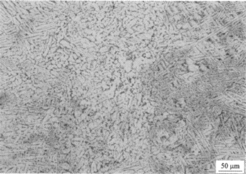
图3-5 Ti40合金固溶组织:等轴β组织

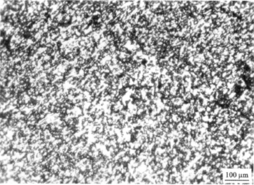
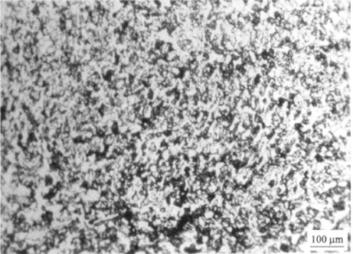
图3-6 Ti40合金520℃/250MPa/100h蠕变后组织:等轴β组织

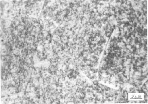
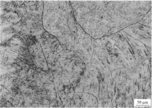
图3-7 Ti40合金535℃/250MPa/100h蠕变后组织:等轴β组织及变形引起的孪晶

图3-8 Ti40合金蠕变后形成的位错形貌(TEM)

图3-9 Ti40合金蠕变后形成的位错形貌(TEM)
典型合金有TB2、TB3、Ti-15-3(TBS)、Ti26等。
TB3合金名义成分Ti3.5Al10Mo8V1Fe,是一种亚稳定β型钛合金,相变点730~750℃,该合金由西北有色金属研究院于20世纪80年代研制(原称Ti22合金),具有良好的冷加工性能(冷变形率大于90%),可加工制备成板、棒、管、丝、箔等多种类型半成品。其丝材的典型性能如表3-3所示。
表3-3 TB3合金Φ3mm丝材的典型性能

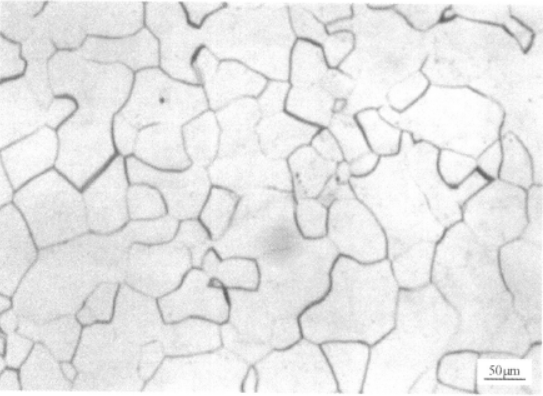
TB3合金的棒、丝材适合于制备各种紧固件,已应用于Y-7、JH-7等型号。图3-10~图3-16为TB3合金不同状态对应的微观组织。

图3-10 TB3合金板材800℃/30min空冷处理:等轴β晶粒

图3-11 TB3合金板材800℃/30min空冷+700℃/15min空冷:
β基体内部开始有次生α相(黑斑点)析出

图3-12 TB3合金板材800℃/30min空冷+700℃/120min空冷:
随时效时间增加,β晶粒内次生α相(黑斑点)析出增多

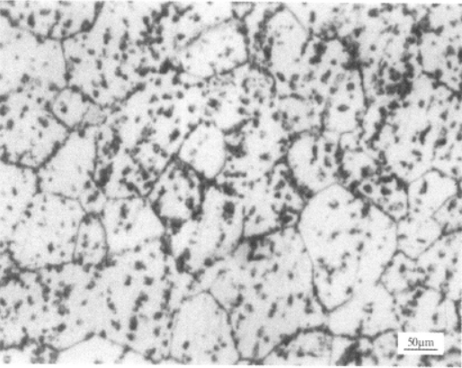
图3-13 TB3合金板材800℃/30min空冷+500℃/8h空冷:
β晶粒内部次生α相充分析出

图3-14 TB3合金板材800℃/30min空冷+500℃/8h空冷:
β晶粒内部次生α相充分析出

图3-15 TB3合金板材800℃/30min空冷+550℃/16h空冷:
β晶粒内部次生α相充分析出

图3-16 TB3合金板材加工态:拉长的β晶粒
Ti-15-3合金名义成分Ti15V3Al3Cr3Sn(国标牌号TB5),是一种亚稳定β型钛合金,相变点740~760℃,该合金是美国20世纪70年代研制,具有良好的冷加工性能(冷变形率大于90%),可加工制备成板、棒、管、丝、箔等多种类型半成品。其板材及管材的典型力学性能如表3-4所示。Ti-15-3合金常见的微观组织如图3-17~图4-29所示。
表3-4 Ti-15-3合金板材及管材的典型性能


图3-17 Ti-15-3合金板材800℃/20min空冷:等轴β晶粒

图3-18 Ti-15-3合金板材800℃/20min炉冷:
由于缓慢炉冷使β晶粒内部及晶界开始有次生α相(黑斑点)析出

图3-19 Ti-15-3合金板材800℃/1h水淬:等轴β晶粒

图3-20 Ti-15-3合金板材冷变形6%:
塑性变形使等轴β晶粒内产生孪晶(平直条纹)

图3-21 Ti-15-3合金板材冷变形40%:
形变使等轴β晶粒内产生孪晶(平直条纹)

图3-22 Ti-15-3合金板材800℃/20min空冷+540℃/8h空冷:
β晶粒内部次生α相充分析出

图3-23 Ti-15-3合金板材800℃/20min空冷+600℃/8h空冷:
β晶粒内部次生α相充分析出

图3-24 Ti-15-3合金板材800℃/20min空冷+630℃/8h空冷:
β晶粒内部次生α相充分析出

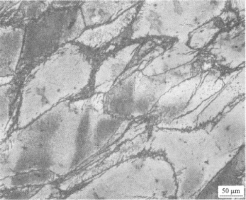
图3-25 Ti-15-3合金板材电子束焊接焊缝:粗大β晶粒

图3-26 Ti-15-3合金管材冷轧加工后550℃/8h直接时效:
在拉长的β晶粒基体上有次生α相析出

图3-27 Ti-15-3合金管材冷轧加工后600℃/8h直接时效:
在拉长的β晶粒基体上有次生α相析出

图3-28 Ti-15-3合金板材抗弹试验弹坑处(靶试前板材经810℃/30min空冷处理):
高速冲击变形使β晶粒内形成的大量孪晶
Ti26合金是一种亚稳定β型钛合金(Ti-V-Cr-Al-Sn-Zr-Nb-Ta系),由西北有色金属研究院于20世纪90年代在美国Ti-15-3合金基础上改进而成,相变点730~750℃,具有良好的冷加工性能(冷变形率大于90%墩制比≥4),可加工制备成板、棒、管、丝、箔等多种类型半成品。其小规格棒材的典型力学性能如表3-5所示。
表3-5 Ti26合金小规格棒材的典型力学性能

Ti26合金的棒、丝材适合于制备各种紧固件。表3-6列出了采用Ti26合金制备的几种螺栓的拉伸及剪切性能。
表3-6 采用Ti26合金制备的几种螺栓的拉伸性能及剪切性能

经测试MJ5螺栓的疲劳性能在最大载荷Pmax=0.4σb条件下,单件最小寿命Nmin≥45000次,平均寿命N平均≥65000次。图3-29~图3-38为Ti26合金常见的微观组织。

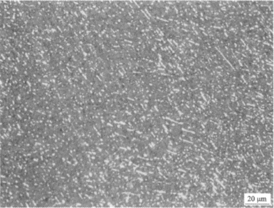
图3-29 Ti26合金冷加工态组织:纤维状变形组织

图3-30 Ti26合金热加工态组织:等轴β晶粒(β晶界呈弯曲状)

图3-31 Ti26合金热挤压态组织:纤维状变形组织

图3-32 Ti26合金板(800℃/30min空冷):等轴β晶粒

图3-33 Ti26合金棒材(800℃/30min空冷):等轴β晶粒

图3-34 Ti26合金棒材(800℃/30min空冷+550℃/8h空冷):
次生α相在β基体上充分析出

图3-35 Ti26合金固溶+时效组织(扫描电镜):针状次生α相在β基体上析出

图3-36 Ti26合金镦制螺栓的加工流线

图3-37 Ti26合金螺栓螺纹的加工流线

图3-38 Ti26合金螺栓处的加工流线
典型合金有Ti1023(TB6)、Ti5553、Ti1300等合金。
Ti1023合金(名义成分:Ti10V2Fe3Al)是美国上世纪70年代研制的一种近β型钛合金(中国国标牌号TB6),相变点780~800℃,特点是强度高、淬透性好,主要应用于航空锻件制品。但是由于其成分中含有2%的Fe,因此在熔炼、加工过程中易产生偏析,形成β斑缺陷。表3-7为Ti1023合金Φ180mm棒材对应的性能,图3-39~图3-44为Ti1023合金常见微观组织。
表3-7 Ti1023合金棒材室温力学性能

注:从棒材1/2R处切取试样进行760℃/2h水淬+525℃/8h空冷处理

图3-39 Ti1023合金β相区固溶+时效处理:
针状次生α(亮条)在β基体上析出

图3-40 Ti1023合金760℃/2h水淬+525℃/8h空冷:
初生α(亮)及在β基体上析出次生α(暗)

图3-41 Ti1023合金大规格棒材(Φ180mm)低倍组织

图3-42 Ti1023合金两相区锻造(770℃,ε=80%):β基体+初生α

图3-43 Ti1023合金β相区锻造(835℃,ε=40%):
β基体上分布着弯曲β晶界与针状次生α

图3-44 Ti1023合金β斑缺陷形貌:经时效处理后,具有均匀析出的正常组织(照片下沿处),内部无析出或很少析出的白色及灰色块是β斑缺陷
Ti130合金是西北有色院近年来开发的高强高韧近β型钛合金(Ti-Al-Mo-V-Cr系,相变点830℃),其特点是:淬透性好、强化效应高、强韧性匹配良好,综合性能优于Ti1023钛合金。其大规格棒材满足波音公司BMS7-360H标准对Ti5553合金性能的要求,适合应用于航空结构件;小规格棒丝材适合应用于紧固件及弹簧。典型力学性能如表3-8、表3-9所示。Ti1300合金常见组织如图3-45 ~图3-50所示。
表3-8 Ti1300合金小规格棒材典型力学性能

表3-9 Ti1300合金大规格棒材典型力学性能


图3-45 Ti1300合金锻造加工态:变形β组织

图3-46 Ti1300合金β相区固溶处理:等轴β晶粒

图3-47 Ti1300合金β相区固溶+时效处理:针状次生α相在β基体上析出

图3-48 Ti1300合金两相区固溶+时效组织(SEM):
等轴初生α及针状次生α在β基体上析出

图3-49 Ti1300合金β相区固溶+时效组织:针状次生α(亮条)在β基体上析出

图3-50 Ti1300合金两相区固溶时效(SEM):针状次生α及条状α在β基体上析出
Ti3Al(α2相)是一种金属间化合物,具有六方晶格。与常规钛合金相比具有更高的使用温度,但是室温塑性较低。Ti3Al合金力学性能见表4-1,显微组织如图4-1~图4-3所示。
表4-1 Ti3Al合金力学性能


图4-1 Ti3Al合金1040℃/1h空冷+950℃/4h空冷

图4-2 Ti3Al合金950℃/1.5h空冷
α2相(初生+次生)(白)+残余β相(暗)

图4-3 Ti3Al合金1150℃/1h炉冷
α2片(白)+晶界残余β相(暗)
TiAl(γ相)是一种金属间化合物,具有四方结构。与常规钛合金相比具有更高的使用温度,但是其热加工工艺性差、室温塑性很低。
Ti47Al5(Cr+V+Mo+Nb)合金Ta=1318℃,其力学性能如表4-2所示,显微组织如图4-4~图4-11所示。
表4-2 Ti47Al5(Cr+V+Mo+Nb)合金力学性能


图4-4 Ti47Al5(Cr+V+Mo+Nb)合金的铸态片层组织α2+γ

图4-5 Ti47Al5(Cr+V+Mo+Nb)合金变形的片层组织α2+γ

图4-6 Ti47Al5(Cr+V+Mo+Nb)合金变形后形成的等轴组织α2(白)+γ(灰)

图4-7 Ti47Al5(Cr+V+Mo+Nb)合金1000℃/1h空冷,α2(白)+γ(灰)

图4-8 Ti47Al5(Cr+V+Mo+Nb)合金1400℃/1h水淬α有序转变为α2(白)

图4-9 Ti47Al5(Cr+V+Mo+Nb)合金1300℃/2h空冷,
等轴α2(白)及γ(灰)+片层γ与α2

图4-10 Ti47Al5(Cr+V+Mo+Nb)合金1350℃/2h空冷+1050℃/4h空冷,
等轴α2(白)及γ(灰)+片层γ与α2

图4-11 Ti47Al5(Cr+V+Mo+Nb)合金1400℃/1h炉冷,片层γ与α2
TiNi合金具有超弹性及形状记忆等特殊性能,因而在航空航天、原子能、海洋工程、仪器仪表和医疗器械等领域有广泛的应用前景。

图4-12 Ti44Ni47Nb9铸态组织初生树枝晶(亮)+共晶体(灰)

图4-13 Ti44Ni47Ta9铸态组织初生α(TiNi)树枝晶
(包含大量细弥散粒子NiTa2)(亮)+共晶体(灰)

图4-14 Ti44Ni47Nb9Al1铸态组织初生树枝晶(亮)+共晶体(灰)

图4-15 Ti44Ni47Nb9合金轧制加工态,为拉长的条状组织

图4-16 Ni47Ti44Ta9合金轧制加工态,为拉长的条状组织

图4-17 Ni47Ti44Nb9Al1合金轧制加工态,为拉长的条状组织
Ti75合金具有良好的铸造性能,经常用于泵、阀壳体的铸造。
Ti75合金力学性能见表5-1,显微组织如图5-1~图5-2所示。
表5-1 Ti75合金铸造管坯力学性能


图5-1 Ti75合金管坯铸件组织,粗大原始β晶粒,基体为片状β转变组织

图5-2 Ti75合金管坯铸件经40%旋压变形,片状β转变组织呈弯曲状
Ti600高温钛合金也具有良好的铸造性能,经热等静压后可获得优异的室温、高温力学性能。
Ti600合金力学性能见表5-2,显微组织如图5-3~5-6所示。
表5-2 Ti600高温钛合金铸态及经热等静压处理后的室温、高温性能


图5-3 Ti600合金小型铸件组织,原始β晶界呈弯曲状,基体为片状β转变组织

图5-4 Ti600合金小型铸件组织,原始β晶界呈弯曲状,基体为片状β转变组织

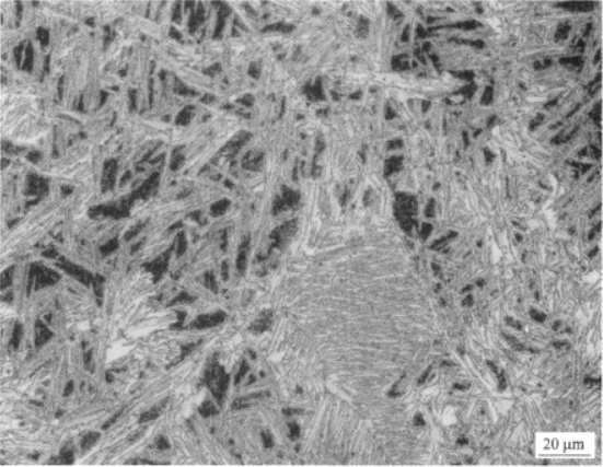
图5-5 Ti600合金铸件经900℃/103MPa/2h热等静压处理后组织,为全片层β转变组织

图5-6 Ti600合金铸件经900℃/103MPa/2h热等静压处理后,部分区域的α片被球化
补充:
α+β钛合金
TC20

图1 700℃/1h退火,空冷
腐蚀介质HF+HNO3+水(1:6:193)

图2 退火


