钛及钛合金 金相图谱(1)
α型钛合金中又分为全α合金及近α合金;工业纯钛属于α合金,此外一般α合金含有6%左右的Al和少量中性元素,退火后几乎全部是α相,典型合金包括TA1~TA7合金等;近α合金中除含有从和少量中性元素外,还有少量(不超过4%)的α稳定元素,如TA16、TA17合金等。
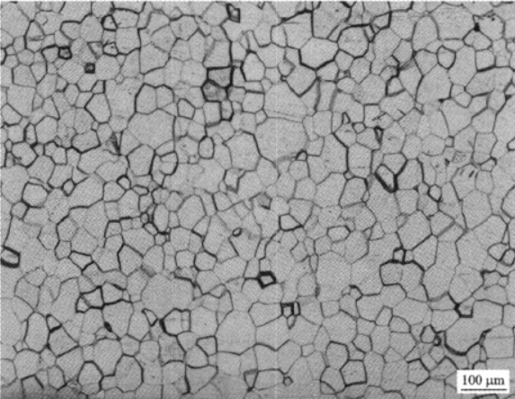
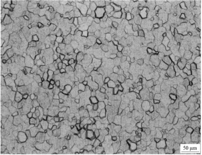
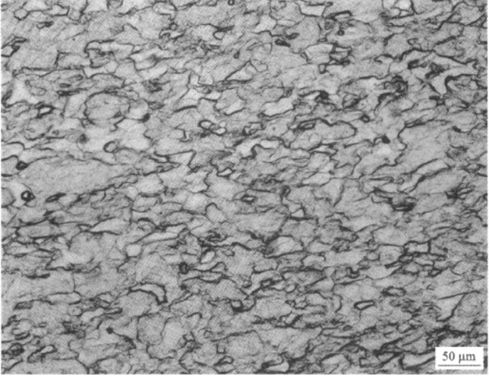
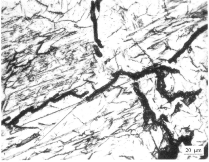
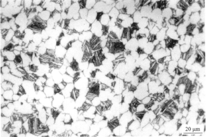
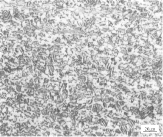
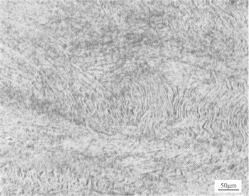
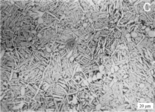
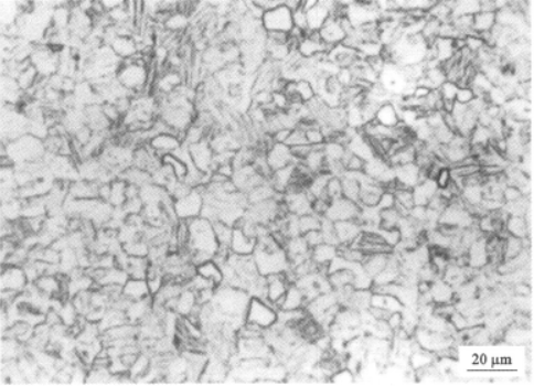
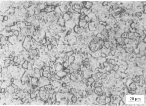
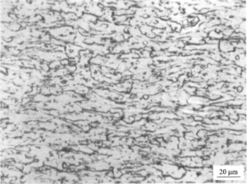
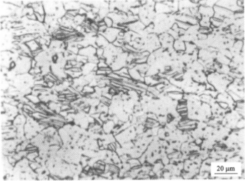
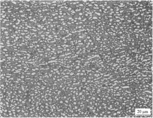
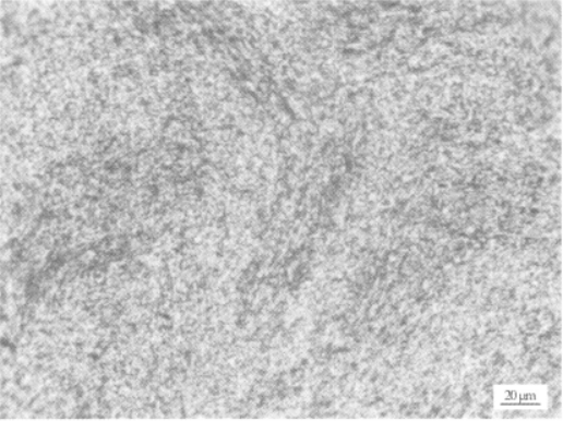
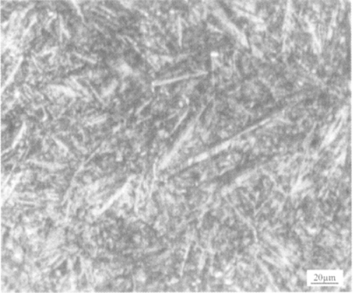
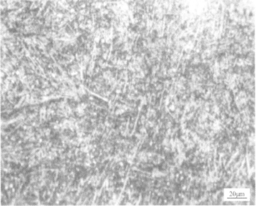
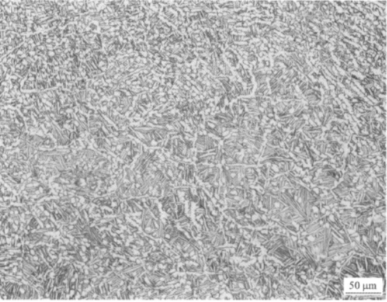
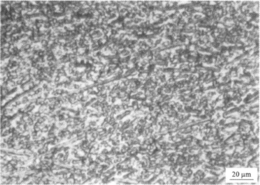
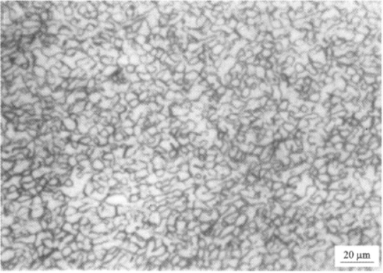
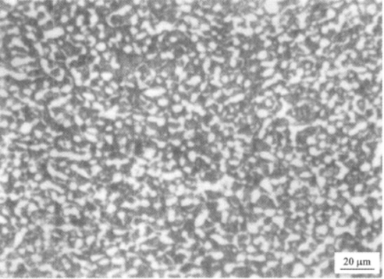
按照国家标准GB/T3602.1-2007的规定,工业纯钛按杂质元素含量分为TA1、TA1ELI、TA1-1、TA2等9个牌号,相变点900℃。工业纯钛主要应用于要求高塑性、适当的强度、良好的耐蚀性以及可焊性的场合。它们的冷热加工性能好、可生产各种规格的板材、棒材、型材、带材、管材和箔材。一般在退火状态交货使用。国家标准GB/T3621-2007所规定的纯钛板材的力学性能如表1-1所示。TA1、TA2 和TA3的显微组如图1-1~图1-5所示。
表1-1 纯钛板材力学性能(GB/T3621-2007)


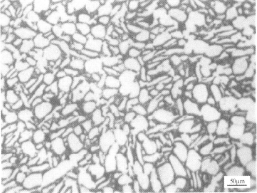
图1-1 TA1板材650℃/1h退火态组织:等轴α+少量晶间β(暗)

图1-2 TA3板材800℃/1h退火态组织:等轴α+含有针状α的转变β

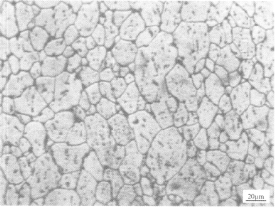
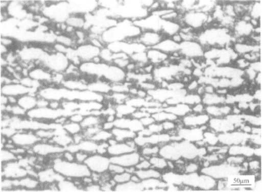
图1-3 TA2 大规格棒材600℃/1h退火态组织:等轴α

图1-4 TA2 精锻棒材600℃/1h退火态组织:等轴α

图1-5 TA3板材450℃/1h退火不完全再结晶组织:少量等轴α+拉长条状α
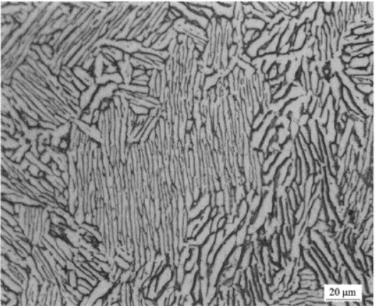
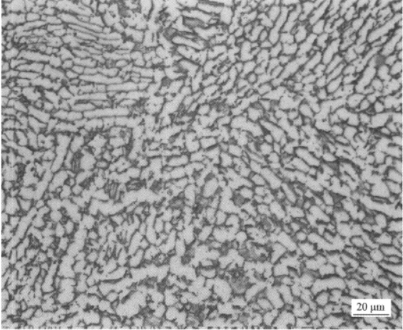
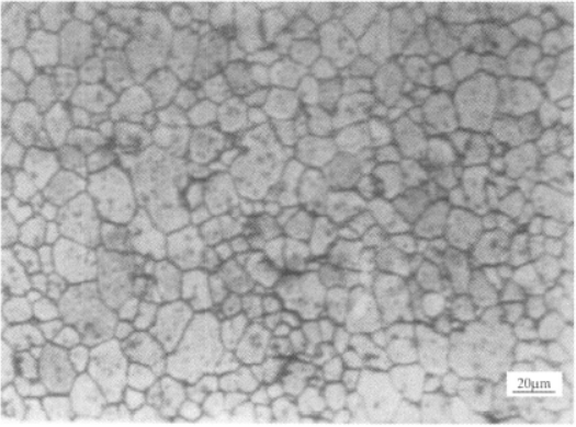
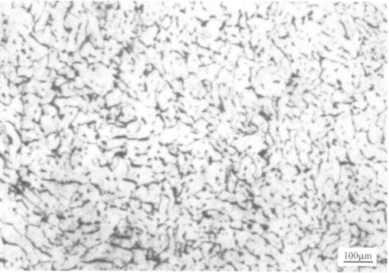
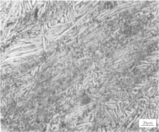
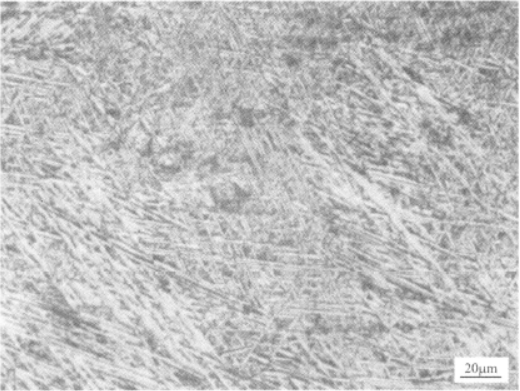
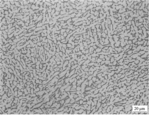
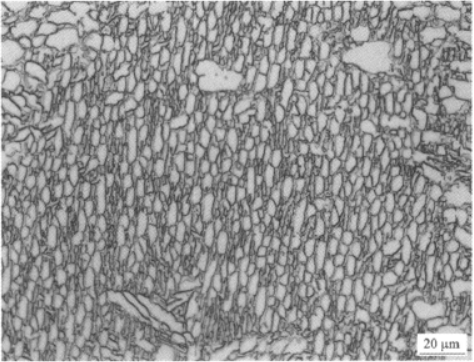
TA16合金的名义成分为Ti-2Al-2.5Zr(俄罗斯牌号nT-7M),是前苏联研制的一种近α型钛合金,相变点940℃。该合金冷加工工艺及焊接性能良好,在舰船动力系统及航空管路系统广泛应用。表1-2列出了TA16合金丝材退火状态下的力学性能。TA16合金显微组织如图1-6~图1-14所示。
表1-2 TA16合金Φ4mm丝材经700℃/1h退火后的拉伸性能

图1-6~图1-11为TA16合金经热拉拔加工直径为4mm的丝材,经不同温度退火后的金相组织及不同变形量的加工态组织,图1-12~图1-14为TA16合金板材经过加氢处理后的微观组织。

图1-6 TA16合金丝材加工态组织α相被拉长

图1-7 TA16合金丝材700℃,1h退火α等轴组织及少量晶间β(暗)

图1-8 TA16合金丝材900℃,1h退火α等轴组织及少量晶间β(暗)

图1-9 TA16合金丝材加工变形组织(600℃,总应变5%),α相被拉长

图1-10 TA16合金丝材加工变形组织(600℃,总应变30%),α相被拉长

图1-11 TA16合金丝材加工变形组织(800℃,总应变30%),
具有动态回复的特性

图1-12 TA16合金板材经600℃加氢处理,氢含量570×10-6,
黑色点状物为TiH,样品经拉伸过程产生脆性裂纹

图1-13 TA16合金板材经600℃加氢处理,氢含量990×10-6,
黑色点状物为TiH,样品经拉伸过程产生脆性裂纹

图1-14 TA16合金板材焊缝处经600℃加氢处理,氢含量990×10-6,
黑色点状物为TiH,样品经拉伸过程产生脆性裂纹
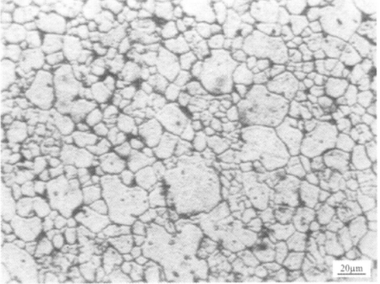
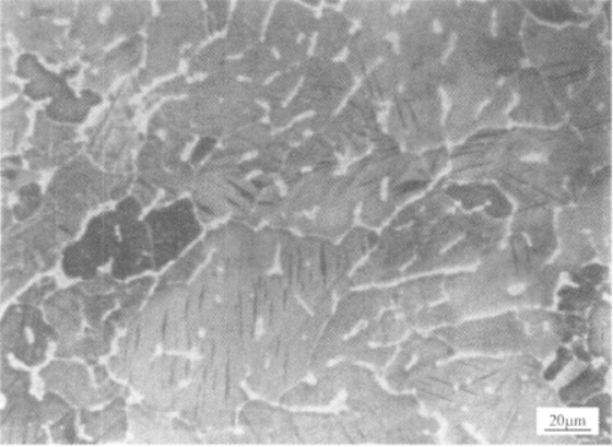
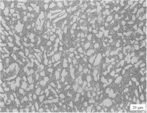
合金特性及应用简介:TA7合金的名义成分为Ti5Al2.5Sn,相变点1040~1090℃,TA7ELI合金相变点1010℃。在退火状态下具有中等强度和足够的塑性,焊接性能良好。低间隙元素含量的TA7ELI合金,在超低温(-253℃)条件下仍具有良好的韧性和综合性能,是优良的超低温用钛合金,表1-3给出了其室温力学性能,TA7合金常见微观组织如图1-15~图1-18所示。
表1-3 TA7合金室温力学性能


图1-15 TA7合金两相区加工后的退火组织,白色拉长的组织为初生α相

图1-16 TA7合金α相区加工后的退火组织,白色α片具有弯曲变形的特征

图1-17 TA7合金β相区(1170℃/30’空冷)固溶处理,晶间β+全片层β转变组织

图1-18 TA7合金α相区1170℃/30’水淬处理,快冷形成的马氏体
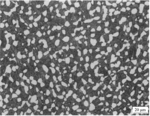
Ti811合金是美国20世纪50年代研制的钛合金,可在450℃条件下长期使用。其名义成分是Ti8Al1Mo1V(中国牌号为TA11)。其相变点1040℃。该合金适于作为航空发动机压气机叶片材料,TA11合金的力学性能如表1-4所示,TA11合金常见的微观组织如图1-19~图1-30所示。
表1-4 TA11合金力学性能


图1-19 Ti811合金经两相区加工并退火后形成的等轴组织:
等轴α(白色)+少量晶间β(暗色)

图1-20 Ti811合金在两相区加工并1000℃退火形成的双态组织:
在转变的β基体(暗色)上含有细针状α,及等轴初生α晶粒(亮)

图1-21 Ti811合金终锻温度在相变点以上形成的网篮组织:
针状α和β基体所构成的全β转变组织

图1-22 Ti811合金板材经760℃/8h炉冷+790℃/20’空冷处理,
α基体上分布着少量晶间β(暗色)

图1-23 Ti811合金经1010℃/1h油淬+590℃/20’空冷处理所形成的双态组织

图1-24 Ti811合金经1010℃/1h油淬+590℃/20’空冷处理所形成的双态组织

图1-25 Ti811合金经1100℃/1h空冷处理所形成的针状完全β转变组织

图1-26 Ti811合金棒经两相区精锻加工态组织:拉长的条状α组织

图1-27 Ti811合金棒经910℃/1h空冷+580℃/16h空冷处理形成的等轴组织

图1-28 Ti811合金棒980℃/1h空冷+580℃/8h空冷:等轴α及少量β转变组织

图1-29 Ti811合金棒1010℃/1h空冷+580℃/8h空冷:等轴α及少量β转变组织

图1-30 Ti811合金板材加热至1010℃,表面白色α层是由于氧渗入而形成氧稳定的α层,其余为全片层β转变组织
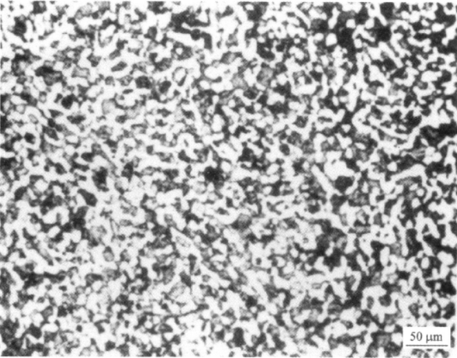
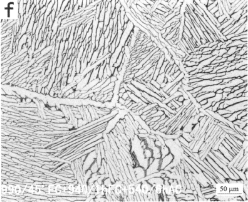
Ti-600合金(Ti-Al-Mo-Sn-Zr-Si-Y系,相变点1010℃)是西北有色金属研究院研制的一种新型近α高温钛合金,该合金是在美国Ti1100合金的基础上,通过添加少量稀土元素改进而成,具有较好的综合性能,尤其是蠕变性能非常优异,可在600~650℃下长期使用。Ti600合金典型性能见表1-5~表1-8,Ti600合金常见微观组织如图1-31~图1-42所示。
表1-5 Ti600合金室温高温力学性能(Φ18mm棒)

表1-6 Ti-600合金蠕变性能(Φ18mm棒)

表1-7 Ti-600合金热稳定性能

表1-8 Ti-600合金的电子束焊接性能


图1-31 Ti600合金两相区轧制加工变形组织(横向):拉长的α+晶间β

图1-32 Ti600合金等轴组织(两相区固溶):等轴初生α+片层β转变组织

图1-33 Ti600合金两相区固溶处理,双态组织:等轴α+片状β转变组织
注:等轴亮块为初生α;次生α与残余β(暗)所组成的条束是β转变组织

图1-34 Ti600合金β相区固溶空冷:全片层β转变组织

图1-35 Ti600合金β相区固溶空冷:全片层β转变组织

图1-36 Ti600合金β相区固溶空冷:全片层β转变组织(晶间β沿原始β晶界分布)

图1-37 Ti600合金β相区处理(1060℃/1h油淬):
全片层β转变组织(晶间β沿原始β晶界分布)

图1-38 Ti600合金β相区处理(1060℃/1h水淬):
全片层β转变组织(由于冷速快,抑制了晶间β的生成)

图1-39 Ti600合金(1060℃/1h炉冷)β相区缓慢冷却形成的粗大片层β转变组织

图1-40 Ti600合金厚板电子束焊缝低倍组织(锥形熔池线清晰可见)

图1-41 Ti600合金板材电子束焊后组织形貌
(焊后1020℃/1h空冷+650℃/8h)细针状β转变组织

图1-42 Ti600合金板材电子束焊焊缝过渡区组织:细针状β转变组织
合金特性及应用简介:CT20合金是西北有色金属研究院自主研发的一种Ti-Al-Mo-Zr系近α型中强钛合金,适于在超低温(20K)环境下使用。该合金可制备成棒材、板材、管材及焊丝,简单退火状态下室温强度大于600MPa,伸长率大于20%;20K温度下强度大于1100MPa,伸长率大于10%,合金具有优异的焊接性能,焊接系数大于0.9。
CT20合金具有优异的加工及冷、热成型性能,可采用常规锻造、挤压、热轧及冷轧加工处理,退火态(800℃/1h)管材可进行冷弯成型。表1-9列出了CT20合金的物理性能。图1-43~图1-49为CT20合金常见的微观组织。
表1-9 CT20合金的物理性能


图1-43 CT20合金β相区加工组织:网篮组织

图1-44 CT20合金两相区固溶处理组织:双态组织α等轴初生α+片层β转变组织
注:等轴亮块为初生α;次生α与残余β(暗)所组成的条束是β转变组织

图1-45 CT20合金退火态组织:等轴α(亮)+少量β(暗)

图1-46 CT20合金焊缝中心区组织:全片层β转变组织

图1-47 CT20合金焊缝边沿区组织:全片层β转变组织

图1-48 CT20合金焊缝过渡区:焊缝片层组织向基体等轴组织过渡

图1-49 CT20合金不完全再结晶组织:拉长的α(亮)及β(暗)
Ti230合金名义成分为Ti2.5Cu,是英国研制的一种近α钛合金(中国牌号TA13)。合金相变点895℃。其特点是具有较好的冷、热加工工艺性能,该合金用于英国“斯贝”航空发动机上,我国20世纪70年代引进该型号,并仿制了Ti230合金。表1-10给出了TA13合金板材力学性能,Ti230常见微观组织如图1-50~图1-61所示。
表1-10 GB/T3621-2007规定的TA13合金板材性能


图1-50 Ti230合金1.2mm冷轧板(变形量42.5%)退火态790℃/30’空冷
显微组织:等轴α相内部分布着Ti2Cu粒子;浸蚀剂HF:HNO3:甘油=1:5:6

图1-51 Ti230合金热轧板材退火态790℃/30’空冷;
显微组织:等轴α相内部分布着Ti2Cu粒子;浸蚀剂HF:HNO3:甘油=1:5:6

图1-52 Ti230合金Φ90mm精锻棒退火态790℃/1h空冷
显微组织:等轴α相内部分布着Ti2Cu粒子;浸蚀剂乳酸:硝酸:氢氟酸=1:5:6

图1-53 Ti230合金Φ23mm挤压棒,退火态790℃/1h空冷;
显微组织:等轴α相内部分布着Ti2Cu粒子;浸蚀剂HF:HNO3:甘油=1:5:6

图1-54 Ti230合金Φ20mm轧棒时效态805℃/1h空冷+400℃/24h,空冷+475℃/8h空冷
显微组织:等轴α相内部分布着Ti2Cu粒子;浸蚀剂HF:HNO3:甘油=1:5:6

图1-55 Ti230合金1.2mm冷轧板805℃/30’空冷+400℃/24h,空冷+475℃/8h空冷;
显微组织:等轴α相内部分布着Ti2Cu粒子;浸蚀剂以乳酸为主

图1-56 Ti230合金1.2mm冷轧板退火态790℃/30min空冷;
显微组织:等轴α相内部分布着Ti2Cu粒子;浸蚀剂以乳酸为主

图1-57 Ti230合金Φ90mm精锻棒退火态790℃/1h空冷
显微组织:等轴α相内部分布着Ti2Cu粒子;浸蚀剂以乳酸为主

图1-58 Ti230合金790℃退火态板材790℃/30min空冷;透射电镜像
显微组织:α晶界上的(α+Ti2Cu)共析区及晶界上的析出物

图1-59 Ti230合金790℃退火态板材790℃/30min空冷;透射电镜像
显微组织:晶界上的(α+Ti2Cu)共析区及晶界上的析出物

图1-60 Ti230合金退火态板材拉伸变形至σ0.2处,透射电镜像
显微组织:位错与Ti2Cu粒子(黑色)

图1-61 合金板材时效态805℃/30min空冷+400℃/24h空冷+475℃/8h空冷
显微组织:时效析出物,透射电镜像
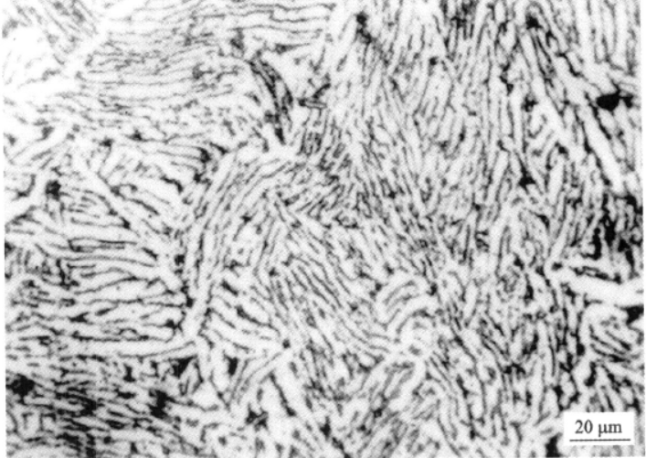
Ti57合金由西北有色金属研究院研制(国标牌号TA24),名义成分Ti3Al2Mo2Zr,属近α钛合金,合金相变点920~940℃。该合金具有中等强度及良好的冷、热加工工艺性能,可焊性优良。可制成板、棒、管、饼、环、丝等各种形式的半成品。Ti75合金在舰船、石油、化工、机械、生物工程等领域具有广泛的应用前景。与TA5钛合金相比,在保证良好的综合性能前提下,强度高出50MPa,冲击韧度和断裂韧度是TA5的1.4倍和1.2倍,K1c为TA5的2倍,并且具有比TA5合金优异的冷、热加工性、低的杂质敏感性,在60℃海水中腐蚀速率不超过0.001mm/a,无局部腐蚀和缝隙腐蚀。表1-11给出了Ti75典型的力学性能,Ti75常见的微观组织如图1-62~图1-66。
表1-11 Ti75合金板、棒、管材的室温力学性能(退火状态)


图1-62 Ti75合金900℃轧制板材,加工态变形组织;弯曲的α片(亮)及β(暗)

图1-63 Ti75合金900℃轧制板材,经750℃/1h空冷退火,发生了部分再结晶,
形成等轴球化的初生α(亮),其余仍是条状加工态组织

图1-64 Ti75合金900℃轧制板材,经850℃/1h空冷退火,
完全再结晶组织:等轴初生α(亮)及β转变组织(暗)

图1-65 Ti75合金900℃轧制板材,经900℃/1h空冷退火,形成双态组织:
与850℃/1h空冷退火相比等轴初生α(亮)粗化,且比例减少,β转变组织(暗)比例增加

图1-66 Ti75合金900℃轧制板材,经970℃/1h
空冷处理(超过相变点):全片层β转变组织
BT20合金是前苏联研制的钛合金(中国牌号TA15)。名义成分为Ti6Al2Zr1Mo1V,是一种近α钛合金,合金相变点990~1020℃。其性能与Ti6Al4V合金相当,可制成板、棒、饼、环等半成品,多用于航空构件。表1-12给出了BT20合金典型的力学性能,BT20合金常见的微观组织如图1-67~图1-77所示。
表1-12 Φ150mm规格BT20锻棒室、高温力学性能


图1-67 BT20合金Φ150mm规格棒材,两相区加工后退火组织(纵向):
初生α(亮)+β转变组织(暗)

图1-68 BT20合金Φ150mm规格棒材,两相区加工后退火组织(横向):
初生α(亮)+β转变组织(暗)

图1-69 BT20合金原始铸态组织:平直原始β晶界及片层β转变组织

图1-70 BT20铸态经热压缩,变形条件(700℃,ε=0.05/s,ε=47%)
加工流线(暗)及被切变所破碎的片层组织(右下角处)

图1-71 BT20铸态经热压缩,变形条件(800℃,ε=50/s),
高速变形所产生的晶间开裂

图1-72 BT20铸态经热压缩,变形条件(800℃,ε=0.05/s),并经800℃/1h退火
片层状β转变组织经变形后弯曲,部分区域产生了再结晶

图1-73 BT20铸态经热压缩,变形条件(900℃,ε=0.05/s,ε=88.3%),
并经800℃/1h退火初生α(亮)+β转变组织(暗)

图1-74 BT20铸态经热压缩,变形条件(900℃,ε=0.005/s,ε=80%),
并经800℃/1h退火初生α(亮)+β转变组织(暗)

图1-75 BT20铸态经热压缩,变形条件(900℃,ε=50/s,ε=80%),
铸态片层组织经变形弯曲后的形貌

图1-76 BT20铸态经热压缩,变形条件(1000℃,ε=50/s,ε=80%),
高温变形并快冷后形成的针状组织

图1-77 BT20铸态经热压缩,变形条件(1100℃,ε=50/s,ε=80%),
高温变形并快冷后形成的针状组织
TP605是一种TiC颗粒增强钛基复合材料,钛合金基体相变点1070℃。该合金由西北有色金属研究院开发研制,其特点是TiC颗粒界面稳定、易加工、低成本、具有耐热、耐蚀、耐磨等良好的性能,可在650℃条件下长期使用。其典型性能如表1-13所示,常见微观组织如图1-78~图1-83所示。
表1-13 TP650颗粒增强复合材料性能及与基材的对比


图1-78 TP650合金等轴组织(1000℃/1h空冷+700℃/2h空冷):
α基体上分布着少量晶间β(暗)

图1-79 TP650合金等轴组织(1020℃/1h空冷+700℃/2h空冷):
等轴α+TiC粒子(浅灰色)+晶间β

图1-80 TP650合金等轴组织(1030℃/1h空冷):
初生α(亮)+片层β转变组织(暗)

图1-81 TP650合金双态组织(1050℃/1h空冷+700℃/2h空冷):
初生α(亮)+TiC粒子(浅灰色)+片层β转变组织(暗)

图1-82 TP650合金网篮组织(加工温度高于相变点):
TiC粒子(亮)+片层β转变组织

图1-83 TP650合金双态组织扫描电镜照片,等轴初生α(暗),
TiC颗粒(边沿亮中心暗),片层β转变组织(亮条与暗条相间)
Ti3Al2.5V合金属近α钛合金(中国牌号TA18)。该合金由美国研制,是一种介于纯钛和Ti6Al4V合金之间的中等强度钛合金。其特点是冷加工性大大优于Ti6Al4V合金,适于冷轧加工成管材、薄板、等产品。其相变点为935℃。合金力学性能如表1-14所示,显微组织如图1-84~图1-89所示。
表1-14 Ti3Al2.5V合金管材力学性能(730℃/1h空冷)


图1-84 Ti3Al2.5V合金经950℃/30min水淬处理,
完全β转变组织,晶内有粗大α片(亮)

图1-85 Ti3Al2.5V合金经920℃/30min水淬处理,
等轴初生α(亮)+片层β转变组织(暗)

图1-86 Ti3Al2.5V合金经900℃/30min水淬处理,
等轴初生α(亮)+片层β转变组织(暗)

图1-87 Ti3Al2.5V合金经800℃/30min水淬处理,
不完全再结晶组织,等轴α+晶间β

图1-88 Ti3Al2.5V合金冷轧管材经700℃/60min
真空退火处理(纵向),拉长α+晶间β

图1-89 Ti3Al2.5V合金冷轧管材经800℃/60min真空退火处理(纵向),
等轴α+晶间β+退火孪晶

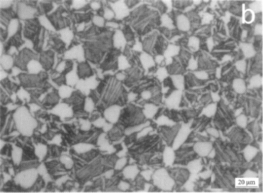
TC4合金(Ti6A14V)是国内外使用最广泛钛合金牌号,具有良好的综合性能,相变点980~1010℃,可加工制备成板材、棒材、环材、丝材及锻件等品种。其力学性能与物理性能分别列于表2-1和表2-2,常见微观组织见图2-1~图2-8。
表2-1 TC4合金力学性能(GB/T2965-2007)

表2-2 TC4合金物理性能



图2-1 TC4钛合金800℃退火等轴组织:白色等轴α+灰色晶间β

图2-2 TC4合金双态组织:等轴初生α+片层β转变组织

图2-3 TC4合金β相区锻造组织:原始β晶界被破碎形成网篮组织

图2-4 TC4合金相变点以上固溶处理:晶间α+全片层β转变组织

图2-5 TC4合金β区炉冷退火所形成的粗片层β转变组织

图2-6 TC4合金β区加热后空冷:细片层β转变组织

图2-7 TC4合金中的硬α缺陷(TiN)

图2-8 TC4合金中的高密度缺陷(WC)
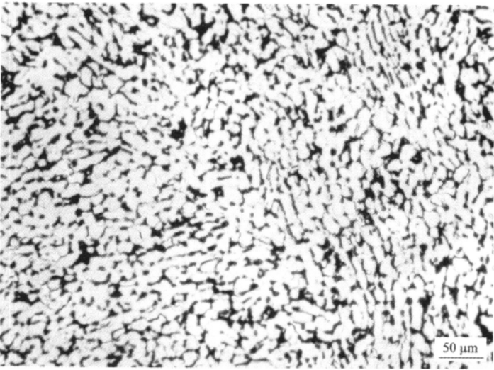
TC21合金是一种高强高韧钛合金,由西北有色金属研究院研制,于2007年列入国家标准(GB/T3620.1-2007),其名义成分为Ti6Al2Mo1.5Cr2Zr2Sn2Nb,相变点为960℃左右。该合金与美国Ti-62222s合金性能相当,适用于大型航空构件。其典型性能如表2-3所示。图2-9~图2-14为TC21合金常见的微观组织。
表2-3 TC21合金大规格棒材力学性能


图2-9 TC21合金两相区锻造加工态组织:经破碎的片层组织

图2-10 TC21合金两相区退火双态组织:白色初生α+灰色β转变组织

图2-11 TC21合金双态组织:白色初生α+灰色β转变组织

图2-12 TC21合金双态组织:白色等轴初生α+灰色β转变组织

图2-13 TC21合金经β区不充分变形加工形成的未破碎片层组织

图2-14 TC21合金退火炉冷组织:白色等轴α组织+晶间β
TC11合金是俄罗斯BT9合金的中国牌号。其名义成分为Ti6.5Al3.5Mo1.5Zr0.3Si,是一种α+β两相钛合金,合金相变点990~1010℃。其特点是具有较好的高温力学性能和热稳定性,可在500℃下长期使用。该合金主要以棒材和饼材供货,适于作为航空发动机压气机盘和叶片材料。TC11合金典型力学性能如表2-4所示,常见的微观组织如图2-15~图2-16所示。
表2-4 TC11合金饼材力学性能(状态为965℃/1h,AC+530℃/6h,AC)


图2-15 TC11合金两相区锻造组织:等轴及条状α+片状β转变组织

图2-16 TC11合金双态组织(965℃/1h空冷+530℃/6h空冷):
等轴α+片状β转变组织
BT22合金是俄罗斯研制的高强钛合金(中国牌号TC18合金)。其名义成分为Ti5Al5Mo5V1Cr1Fe是一种α+β两相钛合金,合金相变点850~870℃。其特点是强度高,并具有较高的淬透性,适于作为大型厚截面航空构件。表2-5为BT22合金典型力学性能,其常见的微观组织如图2-17~图2-19所示。
表2-5 TC18合金棒材力学性能


图2-17 TC18合金两相区锻造组织:等轴及条状α(亮)+片状β转变组织(暗)

图2-18 TC18合金双重退火组织:初生α(亮)+β转变组织(暗)

图2-19 TC18合金固溶+时效组织:初生α(亮)+β转变组织及次生β(暗)
BT16合金是前苏联研制的一种钛合金(中国牌号TC16)。其名义成分为Ti3Al5Mo4.5V,是一种α+β两相钛合金,合金相变点840~880℃。其特点是具有较好的冷、热加工工艺性能,可采用冷、热镦制方法制造紧固件,产品形式以棒、丝材为主。表2-6给出了BT16钛合金力学性能,常见的微观组织如图2-20~图2-31所示。
表3-6 俄罗斯OCT1-90202-75标准规定的BT16合金棒材力学性能


图2-20 BT16合金两相区轧制棒材经780℃/1h空冷退火组织:
初生α(亮)+β转变组织(暗)

图2-21 BT16合金两相区轧制棒材经800℃/1h空冷退火组织:
初生α(亮)+β转变组织(暗)

图2-22 BT16合金两相区轧制棒材经850℃/1h空冷退火组织:
初生α(亮)+β转变组织(暗)

图2-23 BT16合金轧制棒材经900℃/1h水淬:
全片层β转变组织(含有针状马氏体)

图2-24 BT16合金轧制棒材经900℃/1h空冷:冷却速度慢所形成的粗片层组织

图2-25 BT16合金轧制棒材经900℃/1h炉冷:冷却速度慢所形成的粗片层组织

图2-26 BT16合金经600℃/5min空冷+780℃/1h炉冷至550℃空冷:
初生α(亮)+晶间β及次生α(暗)

图2-27 BT16合金经800℃/5min空冷+780℃/1h炉冷至550℃空冷:
初生α(亮)+晶间β及次生α(暗)

图2-28 BT16合金经750℃加工ε=60%,780℃/1h炉冷至550℃空冷:
初生α(亮)+晶间β及次生α(暗)

图2-29 BT16合金经900℃加工ε=60%,780℃/1h炉冷至550℃空冷:
条状初生α(亮)+晶间β及次生α(暗)

图2-30 BT16合金经900℃加工ε=60%,900℃/1h水淬+560℃/10h空冷:
片层β转变组织及次生α

图2-31 BT16合金经850℃加工ε=60%,900℃/1h水淬+560℃/10h空冷:
片层β转变组织及次生α
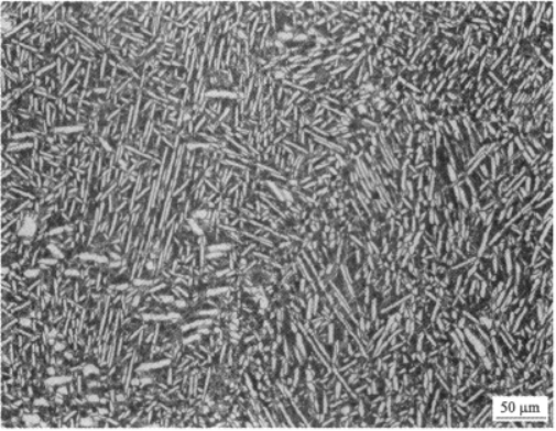
BT25合金是前苏联研制的一种高温钛合金(中国牌号TC25)。其名义成分为Ti6.5Al2MolZr1Sn1W0.2Si,是一种α+β两相钛合金,合金相变点990~1020℃。其特点是具有较好的高温力学性能和热稳定性,可在500℃~550℃下长期使用。该合金主要以棒材和饼材供货,适于作为航空发动机压气机盘和叶片材料。表2-7给出了BT25合金典型热处理力学性能,图2-32为该合金典型的微观组织。
表2-7 BT25合金Φ35mm棒材力学性能(热处理960℃/1h空冷+550℃/6h空冷)


图2-32 BT25合金双态组织:等轴初生α(亮)+β转变组织(暗)
(热处理制度:960℃/1h空冷+550℃/6h空冷)
Ti8LC(Ti-Al-Fe-Mo)是西北有色金属研究院研制的一种低成本钛合金。通过合金设计、添加低成本合金元素如Fe替代V等昂贵元素,以期降低合金的原料成本。其典型性能如表2-8所示。合金相变点980~990℃。图2-33~图2-41为Ti8LC合金常见的微观组织。
表2-8 Ti8LC合金典型力学性能


图2-33 Ti8LC合金双态组织:等轴初生α+片层β转变组织

图2-34 Ti8LC合金退火态组织:α等轴组织+少量晶间β

图2-35 Ti8LC合金双态组织:等轴初生α+片层β转变组织

图2-36 Ti8LC合金α区变形30%的形貌:弯曲片层β转变组织

图2-37 Ti8LC合金980℃水淬组织:原始β晶界+β转变组织(含针状马氏体)

图2-38 Ti8LC合金1000℃水淬组织:原始β晶界+β转变组织(含针状马氏体)

图2-39 Ti8LC合金焊缝低倍外观(手工氩弧焊)

图2-40 Ti8LC合金焊缝处组织:快速冷却所形成的针状马氏体

图2-41 Ti8LC合金焊接热影响区组织:全片层β转变组织
SPZ合金是西北有色金属研究院开发的超塑成形钛合金,属于Ti-Al-V-Mo-Fe-Zr系,与SP-700相似,相变点为850~860℃。该合金在720~800℃之间具有超塑性;比Ti-6Al-4V的低100℃以上,在740~800℃、应变速率为1.11×10-3s-1时,合金棒状试样的超塑拉伸伸长率均超过1500%;在760℃初始应变速率为1.11×10-3s-1时,合金的超塑伸长率可达2000%;780℃应变速率为5.56×10-3s-1时,合金最大超塑性伸长率可达2200%。SPZ合金典型的微观组织如图2-42~图2-46所示。

图2-42 SPZ合金铸态的粗大魏氏组织:全片层β转变组织

图2-43 SPZ合金700℃退火(扫描电镜):等轴初生α(黑色)+β转变组织(SEM)

图2-44 SPZ合金经700℃超塑拉伸变形:初生α(黑色)+β转变组织(SEM)

图2-45 SPZ合金经780℃超塑拉伸变形:初生α(黑色)+β转变组织(SEM)

图2-46 SPZ合金板材加工态(纵向):拉长的变形组织(SEM)
Ti17合金是美国研制开发的一种“富β”两相钛合金。名义成分为Ti5 Al2Sn2Zr4Mo4Cr(中国牌号TC17),相变点890℃,其特点是强度高,淬透性好,适用于航空发动机中风扇及压气机的盘件。Ti17合金性能见表2-9所示,显微组织见图2-47~图2-53。
表2-9 Ti17合金盘件力学性能(855℃/4h空冷+800℃/4h油淬+620℃/8h空冷)


图2-47 Ti17合金全β组织经850℃热加工
变形量ε=10%,片层α分布于β基体上

图2-48 Ti17合金全β组织经850℃热加工
变形量ε=20%,片层α分布于β基体上

图2-49 Ti17合金全β组织经850℃热加工
变形量ε=40%,片层α分布于β基体上

图2-50 Ti17合金全β组织经850℃热加工
变形量ε=70%,大部分片层α已球化

图2-51 Ti17合金两相区加工后,经780℃/4h
空冷固溶处理,等轴初生α分布于β基体上

图2-52 Ti17合金经780℃/4hAC+620℃/8h空冷处理,
等轴初生α(亮)+次生α基体上析出(暗)

图2-53 Ti17合金经855℃/4h空冷+800℃/4h油淬+620℃/8h空冷处理,
初生α(亮)+针状β转变组织
出自《钛及钛合金金相图谱》
作者:赵永庆 洪权 葛鹏


