铜
Copper

铜按合金系分为四大类:紫铜(纯铜)、黄铜、青铜和白铜。
紫铜包括普通纯铜、无氧铜、磷脱氧铜、银铜等。
黄铜指以锌为主要添加元素的铜合金,分为普通黄铜和复杂黄铜。复杂黄铜包括铅黄铜、铝黄铜、锡黄铜、铁黄铜、硅黄铜、锰黄铜、镍黄铜。
青铜指除锌和镍以外的其他元素作为主要添加元素的铜合金,包括锡黄铜、铍青铜、铝青铜、硅黄铜、镁青铜、钛青铜、铬青铜、锆青铜和镉青铜等。
白铜指以镍为主要添加元素的铜合金,包括普通白铜、铁白铜、锌白铜、铝白铜等。
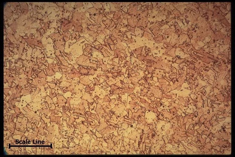
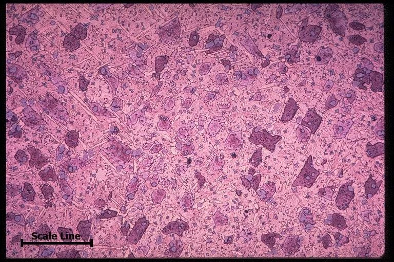
纯铜
Copper

材料 | 纯铜 |
成分 | Cu 99.99% |
产品 | - |
工艺 | - |
牌号 | - |
标尺 | ~250 μm |

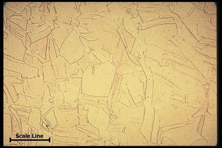
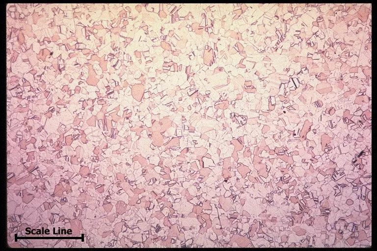
材料 | 纯铜 |
成分 | Cu 99.99% |
产品 | 线材 |
工艺 | 连铸,700℃退火30min,200℃退火2h |
牌号 | - |
标尺 | ~25 μm |
备注 | 纵剖面 |

材料 | 纯铜 |
成分 | Cu 99.99% |
产品 | 线材 |
工艺 | 连铸+热轧+未退火 |
牌号 | - |
标尺 | ~25 μm |
备注 | 横切面 |

材料 | 纯铜 |
成分 | Cu 99.99% |
产品 | 线材 |
工艺 | 连铸+热轧+未退火 |
牌号 | - |
标尺 | ~25 μm |
备注 | 纵剖面 |

材料 | 纯铜 |
成分 | Cu 99.99% |
产品 | 线材 |
工艺 | 连铸,700℃退火30min,200℃退火2h |
牌号 | - |
标尺 | ~25 μm |
备注 | 横切面 |

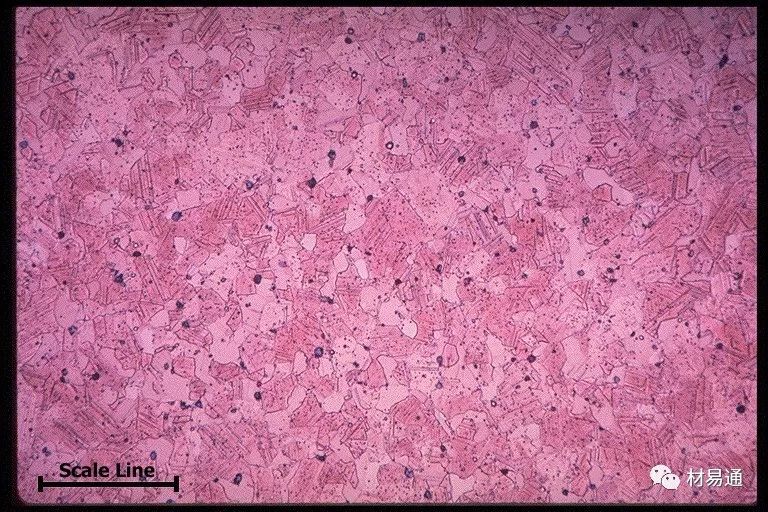
材料 | 无氧铜 |
成分 | Cu 99.99% |
产品 | 棒材 |
工艺 | - |
牌号 | C10100 |
标尺 | ~125 μm |

材料 | 纯铜 |
成分 | Cu 99.90 |
产品 | 铸件 |
工艺 | 铸造 |
牌号 | C11000 |
标尺 | ~50 μm |

材料 | 纯铜 |
成分 | Cu 99.90 |
产品 | 铸件 |
工艺 | 铸造 |
牌号 | C11000 |
标尺 | ~125 μm |

材料 | 纯铜 |
成分 | Cu 99.90 |
产品 | - |
工艺 | Embrittled |
牌号 | C11000 |
标尺 | ~125 μm |

材料 | 纯铜(ETP) |
成分 | Cu 99.90 |
产品 | 线材 |
工艺 | 热轧 |
牌号 | C11000 |
标尺 | ~50 μm |

材料 | 纯铜(ETP) |
成分 | Cu 99.90 |
产品 | 线材 |
工艺 | 回火 |
牌号 | C11000 |
标尺 | ~50 μm |

材料 | 纯铜 |
成分 | Cu 99.90, 0.026% O2 |
产品 | 棒材 |
工艺 | 连铸+热轧 |
牌号 | C11000 |
标尺 | ~250 μm |
备注 | 边部横断面 |

材料 | 纯铜 |
成分 | Cu 99.90, 0.026% O2 |
产品 | 棒材 |
工艺 | 连铸+热轧 |
牌号 | C11000 |
标尺 | ~250 μm |
备注 | 边部纵切面 |

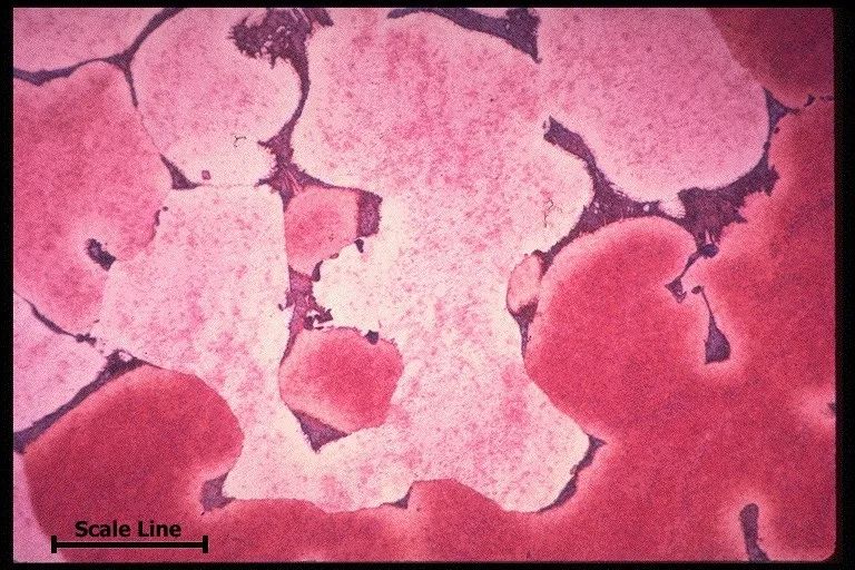
材料 | 纯铜 |
成分 | Cu 99.90 |
产品 | - |
工艺 | 铸造 |
牌号 | C12200 |
标尺 | ~500 μm |
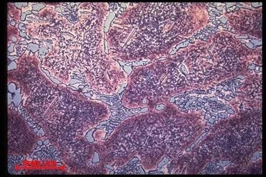
铜镉合金
Copper beryllium alloy

材料 | 铜镉合金 |
成分 | Cu 99.8, Cd 0.7-1.2, Fe 0.02 |
产品 | - |
工艺 | 铸造 |
牌号 | C16200 |
标尺 | ~125 μm |

材料 | 铜镉合金 |
成分 | Cu 99.8, Cd 0.7-1.2, Fe 0.02 |
产品 | - |
工艺 | 冷加工 |
牌号 | C16200 |
标尺 | ~50 μm |

材料 | 铜镉合金 |
成分 | Cu 99.8, Cd 0.7-1.2, Fe 0.02 |
产品 | 线材 |
工艺 | 冷加工 |
牌号 | C16200 |
标尺 | ~125 μm |

材料 | 铜镉合金 |
成分 | Cu 99.8, Cd 0.6-1.0, Sn 0.5-0.7, Fe 0.02 |
产品 | 板材 |
工艺 | Temper 1/2 HT |
牌号 | C16500 |
标尺 | ~125 μm |

材料 | 铜镉合金 |
成分 | Cu 99.8, Cd 0.6-1.0, Sn 0.5-0.7, Fe 0.02 |
产品 | 板材 |
工艺 | Temper 1/2 HM |
牌号 | C16500 |
标尺 | ~250 μm |

材料 | 铜镉合金 |
成分 | Cu 99.8, Cd 0.6-1.0, Sn 0.5-0.7, Fe 0.02 |
产品 | 板材 |
工艺 | Temper AT |
牌号 | C16500 |
标尺 | ~250 μm |
铜铍合金
Copper beryllium alloy

材料 | 铜铍合金 |
成分 | Cu 99.5, Be 1.6-1.79 |
产品 | - |
工艺 | 铸造 |
牌号 | C17000 |
标尺 | ~500 μm |

材料 | 铜铍合金 |
成分 | Cu 99.5, Be 1.6-1.79 |
产品 | - |
工艺 | 铸造 |
牌号 | C17000 |
标尺 | ~50 μm |

材料 | 铜铍合金 |
成分 | Cu 99.5, Be 1.6-1.79 |
产品 | - |
工艺 | 铸造 |
牌号 | C17000 |
标尺 | ~125 μm |

材料 | 铜铍合金 |
成分 | Be 1.80-2.00, Co + Ni ≥0.20, Co + Ni + Fe ≤0.6,Pb ≤0.02, Cu + Sum of Named Elements ≥99.5 |
产品 | 带材 |
工艺 | TD04 |
牌号 | C17200 |

材料 | 铜铍合金 |
成分 | Be 1.80-2.00, Co + Ni ≥0.20, Co + Ni + Fe ≤0.6,Pb ≤0.02, Cu + Sum of Named Elements ≥99.5 |
产品 | 板材 |
工艺 | M20 |
牌号 | C17200 |

材料 | 铜铍合金 |
成分 | Be 1.80-2.00, Co + Ni ≥0.20, Co + Ni + Fe ≤0.6,Pb ≤0.02, Cu + Sum of Named Elements ≥99.5 |
产品 | 带材 |
工艺 | TB00 |
牌号 | C17200 |

材料 | 铜铍合金 |
成分 | Be 1.80-2.00, Co + Ni ≥0.20, Co + Ni + Fe ≤0.6,Pb ≤0.02, Cu + Sum of Named Elements ≥99.5 |
产品 | 带材 |
工艺 | TF00 |
牌号 | C17200 |

材料 | 铜铍合金 |
成分 | Be 1.80-2.00, Co + Ni ≥0.20, Co + Ni + Fe ≤0.6,Pb ≤0.02, Cu + Sum of Named Elements ≥99.5 |
产品 | 带材 |
工艺 | TM00 |
牌号 | C17200 |

材料 | 铜铍合金 |
成分 | Be 1.80-2.00, Co + Ni ≥0.20, Co + Ni + Fe ≤0.6, Pb ≤0.02, Cu + Sum of Named Elements ≥99.5 |
产品 | 带材 |
工艺 | Overaged |
牌号 | C17200 |

材料 | 铜铍合金 |
成分 | Be 1.80-2.00, Co + Ni ≥0.20, Co + Ni + Fe ≤0.6, Pb ≤0.02, Cu + Sum of Named Elements ≥99.5 |
产品 | 带材 |
工艺 | TH04 |
牌号 | C17200 |

材料 | 铜铍合金 |
成分 | Be 1.80-2.00, Co + Ni ≥0.20, Co + Ni + Fe ≤0.6, Pb ≤0.02, Cu + Sum of Named Elements ≥99.5 |
产品 | 带材 |
工艺 | TM08 |
牌号 | C17200 |

材料 | 铜铍合金 |
成分 | Be 0.4-0.7, Co 2.4-2.7, Cu + Sum of Named Elements 99.5 min |
产品 | 带材 |
工艺 | TF00 |
牌号 | C17500 |

材料 | 铜铍合金 |
成分 | Be 0.4-0.7, Co 2.4-2.7, Cu + Sum of Named Elements 99.5 min |
产品 | 带材 |
工艺 | TH04 |
牌号 | C17500 |

材料 | 铜铍合金 |
成分 | Be 0.2-0.6, Ni 1.4-2.2, Cu + Sum of Named Elements 99.5 min |
产品 | 带材 |
工艺 | TF00 |
牌号 | C17510 |

材料 | 铜铍合金 |
成分 | Be 0.2-0.6, Ni 1.4-2.2, Cu + Sum of Named Elements 99.5 min |
产品 | 带材 |
工艺 | TH01 |
牌号 | C17510 |

材料 | 铜铍合金 |
成分 | Be 0.60, Ni 1.5, Cu + Sum of Named Elements 99.5 min |
产品 | 带材 |
工艺 | 铸造 |
牌号 | C82200 |

材料 | 铜铍合金 |
成分 | Be 2.06, Co 0.50, Si 0.25, Cu + Sum of Named Elements 99.5 min. |
产品 | 带材 |
工艺 | 连铸+固溶退火+时效处理 |
牌号 | C82500 |
铜铬合金
Chromium copper alloy

材料 | 铜铬合金 |
成分 | Cu 99.5, Cr 0.6-1.2, Si 0.10, Fe 0.10, Pb 0.05 |
产品 | - |
工艺 | Age hardened and drawn 20% |
牌号 | C18200 |
标尺 | ~500 μm |

材料 | 铜铬合金 |
成分 | Cu 99.5, Cr 0.6-1.2, Si 0.10, Fe 0.10, Pb 0.05 |
产品 | - |
工艺 | Age hardened and drawn 20% |
牌号 | C18200 |
标尺 | ~250 μm |

材料 | 铜铬合金 |
成分 | Cu 99.8, Cr 0.4-1.0, Pb 0.015, P 0.04 |
产品 | - |
工艺 | Age hardened and drawn 20% |
牌号 | C18500 |
标尺 | ~50 μm |

材料 | 铜铬合金 |
成分 | Cu 99.8, Cr 0.4-1.0, Pb 0.015, P 0.04 |
产品 | - |
工艺 | Age hardened and drawn 20% |
牌号 | C18500 |
标尺 | ~50 μm |

材料 | 铜铬合金 |
成分 | Cu 99.8, Cr 0.4-1.0, Pb 0.015, P 0.04 |
产品 | - |
工艺 | Age hardened and drawn 20% |
牌号 | C18500 |
标尺 | ~25 μm |

材料 | 铜铬合金 |
成分 | Cu 99.8, Cr 0.4-1.0, Pb 0.015, P 0.04 |
产品 | - |
工艺 | 铸造 |
牌号 | C18500 |
标尺 | ~125 μm |

材料 | 铜铬合金 |
成分 | Cu 99.8, Cr 0.4-1.0, Pb 0.015, P 0.04 |
产品 | - |
工艺 | 铸造 |
牌号 | C18500 |
标尺 | ~50 μm |

材料 | 铜铬合金 |
成分 | Cu 99.8, Cr 0.4-1.0, Pb 0.015, P 0.04 |
产品 | - |
工艺 | 铸造 |
牌号 | C18500 |
标尺 | ~25 μm |
黄铜
copper zinc alloys/Brasses

材料 | 铜锌合金 |
成分 | Cu 97.0-98.0, Zn 1.9-3.0, Fe 0.05, Pb 0.02 |
产品 | - |
工艺 | 铸造 |
牌号 | C21000 |
标尺 | ~500 μm |

材料 | 铜锌合金 |
成分 | Cu 97.0-98.0, Zn 1.9-3.0, Fe 0.05, Pb 0.02 |
产品 | 锻件(Wrought) |
工艺 | - |
牌号 | C21000 |
标尺 | ~125 μm |

材料 | 铜锌合金 |
成分 | Cu 97.0-98.0, Zn 1.9-3.0, Fe 0.05, Pb 0.02 |
产品 | 锻件(Wrought) |
工艺 | - |
牌号 | C21000 |
标尺 | ~25 μm |

材料 | 铜锌合金 |
成分 | Cu 89.0-90.0, Zn 8.9-11.0, Fe 0.05, Pb 0.05 |
产品 | |
工艺 | 铸造 |
牌号 | C22000 |
标尺 | ~50 μm |

材料 | 铜锌合金 |
成分 | Cu 89.0-90.0, Zn 8.9-11.0, Fe 0.05, Pb 0.05 |
产品 | - |
工艺 | 铸造 |
牌号 | C22000 |
标尺 | ~500 μm |

材料 | 铜锌合金 |
成分 | Cu 89.0-90.0, Zn 8.9-11.0, Fe 0.05, Pb 0.05 |
产品 | 锻件 |
工艺 | - |
牌号 | C22000 |
标尺 | ~125 μm |

材料 | Red Brass, 85% |
成分 | Cu 84.0-86.0, Zn 13.9-16.0, Fe 0.05, Pb 0.05 |
产品 | 锻件 |
工艺 | - |
牌号 | C23000 |
标尺 | ~25 μm |

材料 | Red Brass, 85% |
成分 | Cu 84.0-86.0, Zn 13.9-16.0, Fe 0.05, Pb 0.05 |
产品 | 锻件 |
工艺 | - |
牌号 | C23000 |
标尺 | ~250 μm |

材料 | Cartridge Brass, 70% |
成分 | Cu 68.5-71.5, Zn 28.38-31.38, Pb 0.07, Fe 0.05 |
产品 | 锻件 |
工艺 | - |
牌号 | C26000 |
标尺 | ~125 μm |

材料 | Cartridge Brass, 70% |
成分 | Cu 68.5-71.5, Zn 28.38-31.38, Pb 0.07, Fe 0.05 |
产品 | 锻件 |
工艺 | - |
牌号 | C26000 |
标尺 | ~25 μm |

材料 | 锰青铜 |
成分 | Cu 60-66, Zn 22-28, Al 5.0-7.5, Mn 2.5-5.0, Fe 2.0-4.0, Ni 1.0, Pb 0.20 , Sn 0.20 |
产品 | 铸件 |
工艺 | 铸造 |
牌号 | C86300 |
标尺 | ~25 μm |

材料 | 锰青铜 |
成分 | Cu 60-66, Zn 22-28, Al 5.0-7.5, Mn 2.5-5.0, Fe 2.0-4.0, Ni 1.0, Pb 0.20 , Sn 0.20 |
产品 | 铸锭 |
工艺 | 铸造 |
牌号 | C86300 |
标尺 | ~125 μm |
硅黄铜
Silicon brass

材料 | 硅黄铜 |
成分 | Cu 80.0-83.0, Si 3.4-5.4, Zn 12.0-13.0, Fe 0.20, Pb 0.30 |
产品 | 锻件 |
工艺 | - |
牌号 | C69400 |
标尺 | ~50 μm |

材料 | 硅黄铜 |
成分 | Cu 80.0-83.0, Si 3.4-5.4, Zn 12.0-13.0, Fe 0.20, Pb 0.30, As 0.03-0.06 |
产品 | 铸件 |
工艺 | 铸造 |
牌号 | C69430 |
标尺 | ~25 μm |

材料 | 硅黄铜 |
成分 | Cu 80.0-83.0, Si 3.4-5.4, Zn 12.0-13.0, Fe 0.20, Pb 0.30, As 0.03-0.06 |
产品 | 铸件 |
工艺 | 铸造 |
牌号 | C69430 |
标尺 | ~50 μm |

材料 | 硅黄铜 |
成分 | Cu 75.0-80.0, Si 2.5-3.5, Zn 14.0-21.4, Fe 0.20, Pb 0.5-1.5, Mn 0.4 |
产品 | 铸件 |
工艺 | 铸造 |
牌号 | C69710 |
标尺 | ~50 μm |

材料 | 硅黄铜 |
成分 | Cu 75.0-80.0, Si 2.5-3.5, Zn 14.0-21.4, Fe 0.20, Pb 0.5-1.5, Mn 0.4 |
产品 | 锻件 |
工艺 | - |
牌号 | C69710 |
标尺 | ~25 μm |

材料 | 硅黄铜 |
成分 | Cu 75.0-80.0, Si 2.5-3.5, Zn 14.0-21.4, Fe 0.20, Pb 0.5-1.5, Mn 0.4 |
产 | 锻件 |
工艺 | - |
牌号 | C69710 |
标尺 | ~50 μm |

材料 | 硅黄铜 |
成分 | Cu 94.8, Si 2.8-3.8, Zn 1.5, Mn 0.50-1.3, Fe 0.8, Ni 0.6, Pb 0.05 |
产品 | 铸件 |
工艺 | 铸造 |
牌号 | C65500 |
标尺 | ~500 μm |

材料 | 硅黄铜 |
成分 | Cu 94.8, Si 2.8-3.8, Zn 1.5, Mn 0.50-1.3, Fe 0.8, Ni 0.6, Pb 0.05 |
产品 | 铸件 |
工艺 | 铸造 |
牌号 | C65500 |
标尺 | ~25 μm |
锡黄铜
Tin Brass

材料 | 锡黄铜 |
成分 | Cu 59.0-62.0, Zn 36.7-40.0, Sn 0.5-1.0,Pb 0.20, Fe 0.10 |
产品 | - |
工艺 | 铸造+热轧 |
牌号 | C46400 |
标尺 | ~50 μm |

材料 | 锡黄铜 |
成分 | Cu 59.0-62.0, Zn 36.7-40.0, Sn 0.5-1.0,Pb 0.20, Fe 0.10 |
产品 | - |
工艺 | 热轧 |
牌号 | C46400 |
标尺 | ~500 μm |

材料 | 锡黄铜 |
成分 | Cu 59.0-62.0, Zn 36.7-40.0, Sn 0.5-1.0, Pb 0.20, Fe 0.10 |
产品 | - |
工艺 | 热轧 |
牌号 | C46400 |
标尺 | ~250 μm |

材料 | 锡黄铜 |
成分 | Cu 59.0-62.0, Zn 36.7-40.0, Sn 0.5-1.0,Pb 0.20, Fe 0.10 |
产品 | - |
工艺 | 热轧 |
牌号 | C46400 |
标尺 | ~500 μm |
铅黄铜
Leaded brass

材料 | 铅黄铜 |
成分 | Cu 59.0-64.0, Zn 34.5-40.0, Pb 0.8-1.4, Fe 0.10 |
产品 | 铸件 |
工艺 | 铸造 |
牌号 | C35000 |
标尺 | ~125 μm |

材料 | 铅黄铜 |
成分 | Cu 59.0-64.0, Zn 34.5-40.0, Pb 0.8-1.4, Fe 0.10 |
产品 | 铸件 |
工艺 | 铸造 |
牌号 | C35000 |
标尺 | ~25 μm |

材料 | 铅黄铜 |
成分 | Cu 59.0-64.0, Zn 34.5-40.0, Pb 0.8-1.4, Fe 0.10 |
产品 | 锻件 |
工艺 | - |
牌号 | C35000 |
标尺 | ~250μm |

材料 | 铅黄铜 |
成分 | Cu 59.0-64.0, Zn 34.5-40.0, Pb 0.8-1.4, Fe 0.10 |
产品 | 锻件 |
工艺 | - |
牌号 | C35000 |
标尺 | ~50μm |

材料 | 铅黄铜 |
成分 | Cu 59.0-64.5, Zn 33.2-40.0, Pb 1.3-2.3, Fe 0.10 |
产品 | 铸件 |
工艺 | 铸造 |
牌号 | C35300 |
标尺 | ~250μm |

材料 | 铅黄铜 |
成分 | Cu 59.0-64.5, Zn 33.2-40.0, Pb 1.3-2.3, Fe 0.10 |
产品 | 铸件 |
工艺 | 铸造 |
牌号 | C35300 |
标尺 | ~25μm |

材料 | 铅黄铜 |
成分 | Cu 60.0-63.0, Zn 33.0-37.0, Pb 2.5-3.7, Fe 0.35 |
产品 | 铸件 |
工艺 | 铸造 |
牌号 | C36000 |
标尺 | ~50 μm |

材料 | 铅黄铜 |
成分 | Cu 60.0-63.0, Zn 33.0-37.0, Pb 2.5-3.7, Fe 0.35 |
产品 | 锻件 |
工艺 | - |
牌号 | C36000 |
标尺 | ~25 μm |

材料 | 铅黄铜 |
成分 | Cu 58.0-61.0, Zn 38.0-41.0, Pb 0.40-0.9, Sn 0.25, Fe 0.15 |
产品 | 锻件 |
工艺 | - |
牌号 | C36500 |
标尺 | ~250 μm |

材料 | 铅黄铜 |
成分 | Cu 58.0-61.0, Zn 38.0-41.0, Pb 0.40-0.9, Sn 0.25, Fe 0.15 |
产品 | 锻件 |
工艺 | - |
牌号 | C36500 |
标尺 | ~50 μm |

材料 | 铅黄铜 |
成分 | Cu 58.0-61.0, Zn 38.0-41.0, Pb 0.40-0.9, Sn 0.25, Fe 0.15 |
产品 | 锻件 |
工艺 | - |
牌号 | C36500 |
标尺 | ~25 μm |
磷青铜
Phosphor Bronze

材料 | 磷青铜 |
成分 | Cu 97.5-98.5, Sn 1.0-1.7, P 0.03-0.35, Zn 0.30, Fe 0.10, Pb, 0.05 |
产品 | - |
工艺 | Gate MRL |
牌号 | C50500 |
标尺 | ~125 μm |

材料 | 磷青铜 |
成分 | Cu 97.5-98.5, Sn 1.0-1.7, P 0.03-0.35, Zn 0.30, Fe 0.10, Pb, 0.05 |
产品 | - |
工艺 | Gate MRL |
牌号 | C50500 |
标尺 | ~500 μm |

材料 | 磷青铜 |
成分 | Cu 97.5-98.5, Sn 1.0-1.7, P 0.03-0.35, Zn 0.30, Fe 0.10, Pb, 0.05 |
产品 | 锻件 |
工艺 | Wrought MRL |
牌号 | C50500 |
标尺 | ~125 μm |

材料 | 磷青铜 |
成分 | Sn 4.2-5.8, P 0.03-0.35, Fe 0.10 max, Pb 0.05 max, Zn 0.30 max, Cu remainder |
产品 | 铸件 |
工艺 | 铸造 |
牌号 | C51000 |
标尺 | ~110 μm |

材料 | 磷青铜 |
成分 | Sn 4.2-5.8, P 0.03-0.35, Fe 0.10 max, Pb 0.05 max, Zn 0.30 max, Cu remainder |
产品 | 带材 |
工艺 | Hard rolled and annealed |
牌号 | C51000 |
标尺 | ~440 μm |

材料 | 磷青铜 |
成分 | Sn 4.2-5.8, P 0.03-0.35, Fe 0.10 max, Pb 0.05 max, Zn 0.30 max, Cu remainder |
产品 | 带材 |
工艺 | Hard rolled and annealed |
牌号 | C51000 |
标尺 | ~440 μm |

材料 | 磷青铜 |
成分 | Sn 7.0-9.0, P 0.03-0.35, Fe 0.10 max, Pb 0.05 max, Zn 0.02 max, Cu remainder |
产品 | 铸件 |
工艺 | 铸造 |
牌号 | C52100 |
标尺 | ~110 μm |

材料 | 磷青铜 |
成分 | Sn 7.0-9.0, P 0.03-0.35, Fe 0.10 max, Pb 0.05 max, Zn 0.02 max, Cu remainder |
产品 | 带材 |
工艺 | Hard rolled and annealed |
牌号 | C52100 |
标尺 | ~440 μm |

材料 | 磷青铜 |
成分 | Sn 7.0-9.0, P 0.03-0.35, Fe 0.10 max, Pb 0.05 max, Zn 0.02 max, Cu remainder |
产品 | 带材 |
工艺 | Hard rolled and annealed |
牌号 | C52100 |
标尺 | ~440 μm |
铝青铜
Aluminum bronze

材料 | 铝青铜 |
成分 | Cu 90.83, Al 6.5, Fe 2.4, Sn 0.27 |
产品 | 板材 |
工艺 | 热轧 |
牌号 | C61300 |
标尺 | ~125 μm |

材料 | 铝青铜 |
成分 | Cu 90.83, Al 6.5, Fe 2.4, Sn 0.27 |
产品 | 棒材 |
工艺 | Extruded and cold drawn |
牌号 | C61300 |
标尺 | ~125 μm |

材料 | 铝青铜 |
成分 | Cu 87.1, Al 9.3, Fe 3.6 |
产品 | 棒材 |
工艺 | Extruded and cold drawn 10% |
牌号 | C62400 |
标尺 | ~25 μm |

材料 | 铝青铜 |
成分 | Cu 83.8, Al12.0, Fe 4.2 |
产品 | 棒材 |
工艺 | Extruded |
牌号 | C62500 |
标尺 | ~50 μm |

材料 | 铝青铜 |
成分 | Cu 82.5, Al 9.7, Ni 4.9, Fe 2.9 |
产品 | - |
工艺 | 857℃淬火 |
牌号 | C63000 |
标尺 | ~25 μm |

材料 | 铝青铜 |
成分 | Cu 82.5, Al 9.7, Ni 4.9, Fe 2.9 |
产品 | 棒材 |
工艺 | Extruded and cold drawn |
牌号 | C63000 |
标尺 | ~125 μm |

材料 | 铝青铜 |
成分 | Cu 80.4, Al 8.9, Ni 5.0, Fe 4.7, Mn 1.0 |
产品 | 棒材 |
工艺 | Extruded |
牌号 | C63200 |
标尺 | ~125 μm |

材料 | 铝青铜 |
成分 | Cu 80.4, Al 8.9, Ni 5.0, Fe 4.7, Mn 1.0 |
产品 | 棒材 |
工艺 | Quenched from 927℃ and tempered at 705℃ |
牌号 | C63200 |
标尺 | ~500 μm |

材料 | 铝青铜 |
成分 | Cu 85.8, Al 10.2, Fe 4.0 |
产品 | 铸造 |
工艺 | 铸造,621℃退火,水淬 |
牌号 | C95400 |
标尺 | ~500 μm |

材料 | 铝青铜 |
成分 | Cu 85.8, Al 10.2, Fe 4.0 |
产品 | 铸造 |
工艺 | 退火+炉冷 |
牌号 | C95400 |
标尺 | ~50 μm |

材料 | 铝青铜 |
成分 | Cu 85.8, Al 10.2, Fe 4.0 |
产品 | 铸造 |
工艺 | 621℃退火,水淬 |
牌号 | C95400 |
标尺 | ~25 μm |

材料 | 铝青铜 |
成分 | Cu 85.8, Al 10.2, Fe 4.0 |
产品 | 铸造 |
工艺 | 铸造,913℃淬火 |
牌号 | C95400 |
标尺 | ~125 μm |

材料 | 铝青铜 |
成分 | Cu 78 min, Al 10.0-11.5, Ni 3.0-5.5, Fe 3.0-5.0, Mn 3.5 |
产品 | 铸造 |
工艺 | 铸造,热处理 |
牌号 | C95500 |
标尺 | ~250 μm |

材料 | 铝青铜 |
成分 | Cu 81.4, Al 8.9.5, Ni 4.7, Fe 4.0, Mn 1.0 |
产品 | 铸造 |
工艺 | 621℃退火+空冷 |
牌号 | C95800 |
标尺 | ~25 μm |

材料 | 铝青铜 |
成分 | Cu 81.4, Al 8.9.5, Ni 4.7, Fe 4.0, Mn 1.0 |
产品 | 铸造 |
工艺 | 铸造,857℃淬火 |
牌号 | C95800 |
标尺 | ~25 μm |

材料 | 铝青铜 |
成分 | Cu 81.4, Al 8.9.5, Ni 4.7, Fe 4.0, Mn 1.0 |
产品 | 铸造 |
工艺 | 铸造,857℃淬火 |
牌号 | C95800 |
标尺 | ~125 μm |
铜镍合金
Copper nickel alloy

材料 | 铜镍合金 |
成分 | Cu 86.5, Ni 9.0-11.0, Fe 1.0-1.8, Zn 1.0, Mn 1.0, Pb 0.05 |
产品 | - |
工艺 | 退火 |
牌号 | C70600 |
标尺 | ~125 μm |

材料 | 铜镍合金 |
成分 | Cu 86.5, Ni 9.0-11.0, Fe 1.0-1.8, Zn 1.0, Mn 1.0, Pb 0.05 |
产品 | - |
工艺 | 退火 |
牌号 | C70600 |
标尺 | ~25 μm |

材料 | 铜镍合金 |
成分 | Cu 85.35-88.35, Ni 8.5-10.5, Sn 1.2-2.8, Fe 0.6, Zn 0.50, Pb 0.05 |
产品 | 铸件 |
工艺 | 退火 |
牌号 | C72500 |
标尺 | ~25 μm |

材料 | 铜镍合金 |
成分 | Cu 85.35-88.35, Ni 8.5-10.5, Sn 1.2-2.8, Fe 0.6, Zn 0.50, Pb 0.05 |
产品 | 铸件 |
工艺 | 退火 |
牌号 | C72500 |
标尺 | ~125 μm |
镍银
Nickel silvers

材料 | 镍银 |
成分 | Cu 70.5-73.5, Ni 16.5-19.5, Zn 6.15-9.15, Mn 0.50, Fe 0.25, Pb 0.10 |
产品 | 锻件 |
工艺 | - |
牌号 | C73500 |
标尺 | ~125 μm |

材料 | 镍银 |
成分 | Cu 57.0- 61.0, Ni 11.0-13.5, Zn 24.65-31.15, Mn 0.50, Fe 0.25, Pb 0.10 |
产品 | 锻件 |
工艺 | - |
牌号 | C76200 |
标尺 | ~25 μm |

材料 | 镍银 |
成分 | Cu 57.0- 61.0, Ni 11.0-13.5, Zn 24.65-31.15, Mn 0.50, Fe 0.25, Pb 0.10 |
产品 | 锻件 |
工艺 | - |
牌号 | C76200 |
标尺 | ~125 μm |

材料 | 镍银 |
成分 | Cu 63-67, Ni 19.0-21.5, Zn 3-9, Sn 3.5-4.5, Pb 3-5, Fe 1.5, Mn 1.0, Sb 0.25, S 0.08 |
产品 | 铸件 |
工艺 | 铸造 |
牌号 | C97600 |
标尺 | ~250 μm |

材料 | 镍银 |
成分 | Cu 63-67, Ni 19.0-21.5, Zn 3-9, Sn 3.5-4.5, Pb 3-5, Fe1.5, Mn 1.0, Sb 0.25, S 0.08 |
产品 | 铸件 |
工艺 | 铸造 |
牌号 | C97600 |
标尺 | ~50 μm |
铜钛合金
Copper-titanium alloy

材料 | 铜钛合金 |
成分 | Cu, 4Ti |
产品 | 铸件 |
工艺 | 铸造 |
牌号 | - |
标尺 | ~25 μm |

材料 | 铜钛合金 |
成分 | Cu, 4Ti |
产品 | 铸件 |
工艺 | Cold worked and aged |
牌号 | - |
标尺 | ~50 μm |

材料 | 铜钛合金 |
成分 | Cu, 4Ti |
产品 | 铸件 |
工艺 | Cold worked and aged |
牌号 | - |
标尺 | ~500 μm |
6
材料 | 铜钛合金 |
成分 | Cu, 5 Ni, 2.5 Ti |
产品 | 铸件 |
工艺 | Cold worked and aged |
牌号 | - |
标尺 | ~25 μm |

材料 | 铜钛合金 |
成分 | Cu, 5 Ni, 2.5 Ti |
产品 | 铸件 |
工艺 | Cold worked and aged |
牌号 | - |
标尺 | ~125 μm |
锡青铜
Copper tin alloy/tin bronze

材料 | 锡青铜 |
成分 | Cu88-90, Sn10-12, Pb 0.50, Zn 0.50, Ni 0.50, P 0.30, Sb 0.20, Fe 0.15, S 0.05, Al 0.005 |
产品 | 铸件 |
工艺 | 铸造 |
牌号 | C90700 |
标尺 | ~50 μm |

材料 | 锡青铜 |
成分 | Cu88-90, Sn 10-12, Pb 0.50 Zn 0.50, Ni 0.50, P 0.30, Sb 0.20, Fe 0.15, S 0.05, Al 0.005 |
产品 | 铸件 |
工艺 | 铸造 |
牌号 | C90700 |
标尺 | ~50 μm |

材料 | 锡青铜 |
成分 | Cu 81-85, Pb 6-8, Sn 6.3-7.5, Zn 2-4, Ni 1.0, Sb 0.35, Fe 0.2, P 0.15, Al 0.15, Si 0.005 |
产品 | 铸件 |
工艺 | 铸造 |
牌号 | C93200 |
标尺 | ~25 μm |

材料 | 锡青铜 |
成分 | Cu 81-85, Pb 6-8, Sn 6.3-7.5, Zn 2-4, Ni 1.0, Sb 0.35, Fe 0.2, P 0.15, Al 0.15, Si 0.005 |
产品 | 铸件 |
工艺 | 铸造 |
牌号 | C93200 |
标尺 | ~125 μm |

材料 | 锡青铜 |
成分 | Cu 78-82, Pb 8-11, Sn 9-11, Zn 0.8,Ni 1.0, Sb 0.55,Fe 0.15 P 0.15, Al 0.15, S 0.8 |
产品 | 铸件 |
工艺 | 铸造 |
牌号 | C93700 |
标尺 | ~125 μm |

材料 | 锡青铜 |
成分 | Cu 78-82, Pb 8-11, Sn 9-11, Zn 0.8, Ni 1.0, Sb 0.55, Fe 0.15, P 0.15, Al 0.15, S 0.8 |
产品 | - |
工艺 | 连铸 |
牌号 | C93700 |
标尺 | ~250 μm |

材料 | 锡青铜 |
成分 | Cu 78-82, Pb 8-11, Sn 9-11, Zn 0.8, Ni 1.0, Sb 0.55, Fe 0.15, P 0.15, Al 0.15, S 0.8 |
产品 | - |
工艺 | 连铸 |
牌号 | C93700 |
标尺 | ~25 μm |
铜铅合金
Copper-Lead alloy

材料 | 铜铅合金 |
成分 | Cu, 4.5Pb |
产品 | 铸件 |
工艺 | 铸造 |
牌号 | - |
标尺 | ~500 μm |

材料 | 铜铅合金 |
成分 | Cu, 4.5Pb |
产品 | 铸件 |
工艺 | 铸造 |
牌号 | - |
标尺 | ~50 μm |

材料 | 铜铅合金 |
成分 | Cu, 6.83Pb |
产品 | 铸件 |
工艺 | 铸造 |
牌号 | - |
标尺 | ~50 μm |

材料 | 铜铅合金 |
成分 | Cu 35.2Pb |
产品 | 铸件 |
工艺 | 铸造 |
牌号 | - |
标尺 | ~250 μm |

材料 | 铜铅合金 |
成分 | Cu 35.2Pb |
产品 | 铸件 |
工艺 | 铸造 |
牌号 | - |
标尺 | ~50 μm |
材料来源与佛罗里达大学、Materion公司、Miller公司
相关文章:
如何焊接低碳钢? 中碳钢? 铝及铝合金? 钛及钛合金? 铜及铜合金?普通低合金钢的焊接有哪些特点?


