一、非金属夹杂物的分类
1.按夹杂物的来源分类:内在夹杂物、外在夹杂物;
2.按化学分成分类:氧化物、硫化物、硅酸盐和氮化物及其复合产物等;
3.按可塑性分类:塑性夹杂物、脆性夹杂物、半塑性夹杂物、球状或点状不变形夹杂物;
4.根据GB/T10561-2005标准图谱,分A类(硫化物)、B类(氧化铝)、C类(硅酸盐)、D类(球状氧化物)、DS类(单颗粒球状类)。
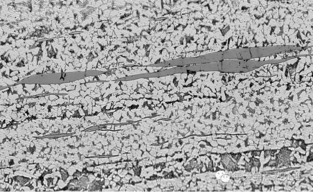
典型夹杂物类型--硫化物(A类)夹杂物
![]()
典型夹杂物类型--硫化物(A类)夹杂物400X
![]()
典型夹杂物类型--脆性夹杂物(B类)
![]()
典型夹杂物类型--硅酸盐(C类)夹杂500X
![]()
典型夹杂物类型--氧化物(D类)夹杂250X
![]()
典型夹杂物类型--氧化物(D类)夹杂250X
![]()
明场
![]()
暗场
典型夹杂物类型--单颗粒球状(DS类)夹杂
![]()
明场250X
![]()
暗场500X
典型夹杂物类型--氮化物夹杂400X
![]()
氮化物及氧化物夹杂
1-氮化物 2-氧化物 3-条状石墨
典型夹杂物类型--复合夹杂物400X
![]()
典型夹杂物比较--硅酸盐夹杂250X
![]()
(a) 明视场下的SiO2玻璃质硅酸盐
![]()
(b)正交偏光下的SiO2玻璃质硅酸盐
典型夹杂物类型比较--氧化物夹杂
![]()
![]()
典型夹杂物比较—硅酸盐500X
![]()
明场

暗场
![]()
正交偏光
(本平台"常州精密钢管博客网"的部分图文来自网络转载,转载目的在于传递更多技术信息。我们尊重原创,版权归原作者所有,若未能找到作者和出处望请谅解,敬请联系主编微信号:steel_tube,进行删除或付稿费,多谢!)

