
金属弯曲试验是用规定尺寸弯心将试样弯曲至规定程度,检验金属承受弯曲塑性变形的能力并显示其缺陷的试验。
金属弯曲试验可在室温 (冷弯试验)或热状态(热弯试验)下进行。试样的尺寸和形状应按照金属材料种类根据相关标准确定。弯曲试验可在压力机、特殊试验机、万能试验机或圆口老虎钳等设备上进行。如无适当设备,经双方协议许可用手锤、机械锤或弯钩机进行弯曲。金属弯曲试验时,在作用力下弯曲程度可分为下列三种类型:
① 达到某规定角度α的弯曲;

② 绕着弯心弯到两面平行的弯曲;

③ 弯到两面接触的重合弯曲。



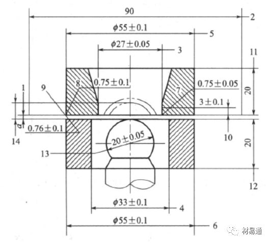
金属杯突试验是用球形冲头将夹紧的金属板或带状试样压入规定尺寸的冲模中直至出现穿透裂纹而测量杯突深度值的试验。
金属杯突试验应在10~35℃下进行,严格要求时试验温度应为23℃±5℃,适用于厚度为0.2~2mm,宽度等于或大于90mm的金属板和带。试样边宽或直径为90~95mm。金属杯试验在装备有压模、垫模和冲头的试验机上进行(见下图)。金属杯突试验时,试样两面及冲头应轻微地涂以石墨润滑脂,调零后将试样放在压模和垫模之间夹紧,恒定的夹紧力约为10kN。在无冲击的情况下进行杯突试验,冲头冲压试样的速度为5~20mm·min-1。试验结束时,将速度降低到接近下限,以便正确地确定裂纹出现的瞬间。

图 金属杯突试验示意图
1-试验厚度,用a表示;2-试样的宽度或直径;
3-压模孔径;4-垫模孔径;5-压模外径;6-垫模外径;
7-压模孔内侧圆角半径;8-压模外侧圆角半径;
9-垫模外侧圆角半径;10-压模孔深度;11-压模厚度;
12-垫模厚度;13-冲头球形部分直径,用d表示;14-杯突深度
金属杯突试验后,应以达0.1mm的精确度测量出现穿透裂纹时杯空深度,以IE表示,称为杯空值。

金属反复弯曲试验是将试样一端夹紧,在规定半径的圆柱形表面上进行90的重复反向弯曲,检验金属及其覆盖层耐反复弯曲能力并显示其缺陷的试验。
金属反复弯曲试验仅在室温下进行,它适用于截面积小于或等于120mm2的型截面线材(及条材)和厚度小于或等于5mm的带材和板材。金属反复弯曲试验时,将试样垂直地夹紧于试验机夹口中,以确保试验过程中试样不产生位移。在与试验机夹口相互接触线呈直角的平面内沿左右方向作90°反复弯曲(如下图所示),向左弯曲90°再返回向右弯曲90°作为一次反复弯曲。弯曲速度不得超过每分钟60次,直到达到有关标准中规定的反复弯曲次数或试样断裂为止。

图 反复弯曲示意图
反复弯曲试验在达到规定反复次数后检查试样及其覆盖层的弯曲部位,在有关标准或技术协议未作具体规定的情况下,一般如无裂纹、裂口、裂断、起层或起皮,即认为试样合格。


金属线材缠绕松懈试验是将试样沿螺旋方向以紧密的螺旋圈缠绕在规定直径的芯杆上,检验有镀层和无镀层金属线材承受缠绕和松懈变形的能力并显示其缺陷及镀层结合牢固性的试验。
金属线材缠绕松懈在室温下进行,适用于直径等于或小于10mm的圆形有镀层和无镀层金属线材。试样长度应符合试验机的要求。
金属线材缠绕松懈时,先将试样放在木垫上用软质锤轻轻打直(有镀层线材应以木锤或橡皮锤轻轻打直)或以平稳的压力压直。然后将试样一端固定在试验机的直径为D的芯杆上(见下图),用手或以机械方法拉另一端b,转动芯杆进行缠绕,缠绕的螺旋圈应贴紧芯杆排列,不得重叠。按照规定可以每分钟15圈、20圈或60圈的速度缠绕至规定圈数,然后以均匀速度进行懈圈,懈圈的末端至少保留一个缠圈。如作一倍缠绕试验,则将试样弯成U字形,然后将一端绕着另一端缠绕成紧密排列的螺旋圈(见下图)。

图 金属线材缠绕松懈示意图

图 一倍缠绕试验示意图
金属线材缠绕松懈试验后,检查试样表面,在有关标准或技术协议未作具体规定时,如无裂缝、镀层开裂、胀落等,即认为试验合格。


金属线材扭转试验是将试样两端夹紧,一端夹头围绕试样轴线旋转,检验金属线材在单向或交变方向扭转时承受塑性变形的能力并显示材料的均匀性、表面和内部缺陷的试验。
金属线材扭转试验在室温下进行,一般适用于直径0.3~10.0mm的冷拉及热轧线材。试验机两夹头间的标距长度应符合下表规定。
表 两夹头间标距长度/mm

金属线材扭转试验时,夹紧在试验机上的试样一端不得活动,其纵轴须与夹头之轴线重合,并施加一拉紧力。扭转速度见下表
表 有关材质的线材直径选用相应的扭转速度

扭转分为固定方向扭转、交变方向扭转及二重扭转。固定方向扭转是以试样旋转的一端转动一整圈(360°)作为扭转一次,交变方向扭转是以试样旋转的一端向任一方向转动一整圈(360°)作为扭转一次,对于不同方向的扭转次数应分别记录;两个并排在一起的试样向同一方向扭转的二重扭转,是以旋转夹头转动一整圈(360°)作为扭转一次。试验过程中如试样发生严重劈裂,则最后一次扭转数无效。
扭转后用肉眼检查试样 (有特殊规定时也可用放大镜)全长的扭转均匀度、裂层、断口形状和缺陷以及锤击试样破坏时裂纹的表现,并根据有关标准及技术协议予以判定。

金属薄板双层咬合弯曲试验是将金属薄板及其覆层按规定尺寸及形状咬合并弯曲,检验其塑性变形能力并显示其缺陷的试验。
金属薄板双层咬合弯曲试验在室温下进行,它适用于厚度小于0.8mm的薄板。试样尺寸约为100mm×150mm,但咬合线应不小于150mm。金属薄板双层咬合弯曲试验时,将两块薄板试样按照下图所示顺序进行双层紧密咬合,然后绕垂直于咬合缝的方向弯曲到α角近似为45°。打平(包括打平次数)或不打平应根据有关标准规定。弯曲和打平是在木质垫板上用木锤进行。弯曲时平整的一面作为弯曲外面。试验时不允许反向弯曲。

图 双层紧密咬合顺序
试验后检验试样金属及其覆盖层弯曲面,在有关标准未作具体规定的情况下,一般如无裂缝、裂断或起皮,即认为试样合格。

金属不淬硬性弯曲试验是检验金属经接近于淬火温度骤冷后承受规定弯曲程度的弯曲塑性变形的能力并显示其缺陷的试验。
金属不淬硬性弯曲试验在室温下进行。试样的尺寸和形状应按照金属材料种类根据相关标准确定。弯曲试验可在压力机、专用试验机、万能试验机或圆口老虎钳等设备上进行。如无适当设备,经双方协议许可用手锤、机械锤或弯钩机进行弯曲。
金属不淬硬性弯曲试验时,在作用力下弯曲程度可分为下列三种类型:
① 达到规定角度α的弯曲;

② 绕着弯心弯到两面平行的弯曲;

③ 弯到两面接触的重合弯曲。

弯曲试验后检查试样弯曲处的外面及侧面,在相关标准或技术协议未作具体规定的情况下,一般如无裂纹、裂断或起层,即认为试样合格。

金属锻平试验是将试样在室温或热状态下锻击至规定尺寸,检验金属承受规定程度锻平变形的能力并显示其缺陷的试验。
金属锻平试验可在室温或热状态下进行。试样可从金属条材、带材、板材及铆钉上切取。试样的尺寸和形状应按材料种类根据相关标准确定。金属锻平试验可在压力机、机械锤或锻锤上进行,也可使用手锤或大锤。当进行金属的锻平试验时,对于从条材或铆钉料上切取的试样,锻平应进行到头部直径为腿径的1.5~1.6倍,高度为腿径的0.4~0.5倍,试验前从模孔露出以承受锻平部分的高度规定为腿径的1.2倍;对于带材及板材试样,应锻击试样使其宽度增至有关标准中的规定值,而长度一般应等于该值的2倍;试验铆钉头时,锻平应进行到锻后铆钉直径和腿部直径的一定比值时为止,此时腿部的长度等于模孔深度。锻平试验后检查试样变形部分表面,在有关标准或技术协议未作具体规定的情况下,一般如无裂缝或裂口,即认为试样合格。

钢的应变时效敏感性试验是通过对比未经应变时效与经受应变时效试样的冲击吸收功来测定钢对应时效敏感性的试验。
钢的应变时效敏感性试验中的冲击试验一般在20℃±5℃温度下进行,适用于厚度大于或等于6mm、其尺寸和形状应能保证切取保留一面轧制面样坯所需尺寸的钢板、钢带、型钢及异型钢。试样为10mm×10mm×55mm、7.5mmm×10mm×55mm、5mm×10mm×55mm带缺口的冲击试样,建议尽量采用V形缺口冲击试样。钢的应变时效敏感性试验时,经受拉伸应变(残余应变量,一般低碳钢为10%,低合金钢为5%)的样坯所制备的试样,在250℃±10℃下均匀加热而人工时效保温1h,然后在空气中冷却至室温。在20℃±5℃温度下按照金属冲击试验方法标准进行冲击试验,由此测出的应变时效冲击吸收功用AKUS或AKVS表示,然后按照下式确定应变时效敏感性系数C:

式中,AK为未经应变时效冲击试样的冲击吸收功的平均值;AKS为经应变时效冲击试样的冲击吸收功的平均值,通常对U形缺口试样应变时效敏感性系数用Cu表示,对V形缺口试样用Cv 表示.测定C值时一般不应少于6个试样,3个未经应变时效,3个经受应变时效。

金属线材反复弯曲试验是将试样经拔杆孔夹紧于夹口内,在规定半径的弯曲圆弧平面内进行90°的重复反向弯曲,检验金属线材的耐反复弯曲能力并显示缺陷的试验。
金属线材反复弯曲试验仅在室温下进行,一般适用于直径。0.3~10mm的冷拉及热轧线材。试样长度为100~150mm,可从线材任意部位切取。按照线材直径选取试验机上弯曲圆弧半径及拔杆孔直径。金属线材反复弯曲试验时,试样需经过拔杆孔夹紧于夹口(或衬垫)内,但不准夹偏,同时线材应与通过弯曲圆弧中心线的平面垂直,依次向左方及右方作90°反复弯曲(如下图所示)。试样从起始位置向右弯曲90°作为第一次弯曲,试样返回至起始位置,再向左弯曲90°作为第二次弯曲,试样再返回起始位置并重新向右弯90°为第三次弯曲。依次反复弯曲至有关标准规定的弯曲次数或试样折断为止。记录弯曲次数时,试样折断时的最后一次弯曲不计。在记录试验结果时,必须注明线材直径、弯曲圆弧半径、弯曲次数及所用标准号。

图 线材反复弯曲示意图

金属管压扁试验是将金属管压扁至规定尺寸,检验其塑性变形能力并显示其缺陷的试验。
金属管压扁试验通常在室温下进行,适用于无缝和焊接金属管。所试金属管外径和壁厚的范围应在有关标准和双方协议中规定。试样长度大致等于金属管外径,外径小于20mm者应为20mm,其最大长度则不超过100mm。金属管压扁试验时,将试样放在两个平行平板之间,用压力机或其他方法均匀地压至有关标准或双方协议中规定的压板距离H或内壁距离h(见下图),此距离应在负荷作用下测定。试验焊接管时,焊缝位置应位于同施力方向呈90°的位置(见下图)。压扁速度应为20~50mm·min-1。压扁试验后,检查试样弯曲变形处,在有关标准或技术协议未作具体规定时,一般如无裂缝、裂口或焊接开裂,即认为试样合格。

图 压扁试验示意图

图 焊接管压扁试验时焊缝位置示意图


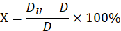
金属管扩口试验是将规定锥度的顶心压入金属管的一端,使其直径均匀地扩张至规定尺寸,检验金属管承受径向扩张塑性变形的能力并显示其缺陷的试验。
金属管扩口试验可在室温或热状态下进行,它适用于无缝和焊接金属管。试样长度在扩口锥度小于或等于30°时约为管外径的2倍,锥头大于30°时约为管外径的1.5倍,但不得小于50mm。金属管扩口试验时,将一规定锥度的顶心用压力机或其他方法压入试样的一端(见下图),使其均匀地扩张到有关标准规定的扩口率X,X按下式计算:

式中,D为原试样管端外径,mm;DU为扩口后管端外径,mm;顶心锥度根据有关标准规定可采用6°、20°、30°、45°、60°、90°或120°。推荐采用的顶芯角度为30°、45°和60°。有争议时,顶心压入速度应采用20~50mm·min-1。扩口试验后,应检查试样扩口处,在有关标准或技术协议未作具体规定时,一般如无裂缝、裂口或焊缝开裂,即认为试样合格。



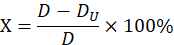
金属缩口试验是将金属管压入规定锥度的座套中,使其直径均匀缩至规定尺寸,检验金属管承受径向压缩塑性变形的能力并显示其缺陷的试验。
金属管缩口试验可在室温或热状态下进行。试样长度约为2.SD+50mm (D为金属管的外径)。金属管缩口试验时,用手锤或压力机将金属管冲人或压入具有规定锥度的座套中(见下图),使其均匀地缩减到有关标准规定的缩口率X,X按下计算:

式中,D为原试样管端外径,mm;DU为缩口后管端外径。座套的圆锥度一般为1:10,按规定也可采用1:5或其他锥度。缩口试验后,检查试样的缩口处,在有关标准或技术协议未作具体规定时,一般如无裂缝和裂口,即认为试样合格,如出现折断,则必须取样重试。

图 金属管缩口试验示意图


金属管卷边试验是将规定形状的顶心压入金属管的一端,使管壁均匀卷至规定尺寸,检验管壁承受外卷塑性变形的能力并显示其缺陷的试验。
金属管卷边试验可在室温或热状态下进行,一般在室温下进行,适用于无缝和焊接金属管。试样长度为100mm,也可采用短试样,但此时应保证试验后圆柱部分的高度大于外径之半。金属管卷边试验时,用压力机或其他方法将一定形状的顶心压入试样的一端,使管壁均匀地卷至规定的要求(下图)。卷边宽度1和卷边角度a应在有关标准中规定。卷边时允许预先用适当角度的顶心(有异议时采用90°)进行扩口(下图)。卷边率X按下列公式计算:

式中,D为原试样管端外径,mm;DU为卷边后管端外径,mm。有异议时,顶心在试样中压入速度应采用不超过50mm·min-1。卷边试验后,检查试样卷边处,在有关标准或技术协议未作具体规定时,一般如无裂缝,裂口或焊接开裂,即认为试样合格。

图 金属管卷边试验示意图

图 卷边前用顶心扩口示意图

金属管弯曲试验是指在带槽弯心上将试样弯取至规定程度,检验金属管承受弯曲塑性变形的能力并显示其缺陷的实验。
金属管弯曲试验通常在室温下进行,适用于外径不大于65mm的管材。对于外径大于60mm的金属管,如未规定作冷弯,则在热状态下(700~750℃)进行弯曲,也可按规定制成条状试样按照《金属弯曲试验方法》进行弯曲试验。试样可以从外观检查合格的金属管的任意部位切取。试样长度应能保证在规定的弯曲角度和半径下进行弯曲。金属管弯曲试验时,根据有关标准规定的方法(机械或人工、带填充物或不带填充物、有弯心或无弯心),将一定长度的金属管绕带槽弯心连续缓慢地弯曲到规定的弯曲角度α(见下图)。实验过程中应避免金属管弯曲截面成为显著椭圆形。试样的弯曲角度和弯心半径在有关标准或技术协议中规定。试验焊接管时,焊缝位置在有关标准中规定。如无规定,则焊缝可置于任意位置。

图 金属管弯曲试验示意图
弯曲试验后,检查试样弯区处,在有关标准或技术协议未作具体规定时,一般如无裂缝、裂口、起层或焊接开裂,即认为试样合格。

金属管液压试验是用水或规定液体充满金属管,使它在一定时间内承受规定压力,检查金属管质量及强度并显示其缺陷的实验。金属管液压试验通常在室温下进行,适用于钢管、铸铁管及有色金属管。可在经外观检查合格的一批金属管中任意选取整根管作为试样。实验装置可选用能满足本试验要求的任何类型的液体压力机、连接部件及精度不低于1.5级的压力计。试样的两端应与压力机有关连接部件紧密连接。金属管液压试验时,用水或规定液体充人管试样中,均匀加压,一直到到规定的最大试验压力,中间不得有冲击现象。最大试验压力和试验持续时间应在有关产品标准或技术协议中规定;如无规定,最大试验压力P可按下式计算:

式中,σ为充液应力,MPa;S为金属管壁厚,mm;D为金属管外径。最大试验压力不得使金属管产生永久变形,试验持续时间一般不应小于5s。实验过程中用肉眼观察金属管外表面和焊缝有无渗漏,如无渗漏而试验后金属管又未产生永久变形(膨胀),则认为金属管液压试验合格。


