GCr15材料的组织形态
淬回火马氏体,残余奥氏体,颗粒分布碳化物,部分屈氏体形态

奥氏体形态

回火索氏体形态

光镜下屈氏体形态

电镜下屈氏体形态

纯铁素体形态

板条马氏体形态


渗碳体形态


上贝形态



马氏体形态



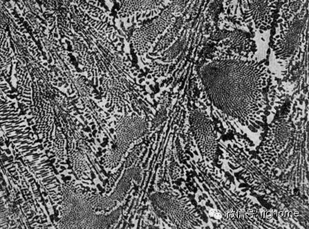
魏氏组织形态


珠光体电镜下形态

莱氏体组织形态


GCr15材料的组织形态
淬回火马氏体,残余奥氏体,颗粒分布碳化物,部分屈氏体形态

奥氏体形态

回火索氏体形态

光镜下屈氏体形态

电镜下屈氏体形态

纯铁素体形态

板条马氏体形态


渗碳体形态


上贝形态



马氏体形态



魏氏组织形态


珠光体电镜下形态

莱氏体组织形态


常州精密钢管博客网推荐您访问: |
|---|