前文回顾: 为什么亚共析钢加热很高温度马氏体会粗大?


亚共析钢为什么加热到Ac3线以上很高温度马氏体会粗大,残余奥氏体多?
加热到Ac3线以上问题会全部奥氏体化,在此期间晶粒会长大,成分更加均匀,可能奥氏体更加稳定吧,从而使残奥相对增多,另外,这应该与淬火条件有很大关系吧,
淬火是加热到奥氏体化温度后冷却。淬火温度越高,淬火后组织越粗大,温度高,晶粒界面吉布斯自由能高,要通过晶粒长大来降低,以致达到平衡;冷却速度越快,残余奥氏体越多吧。
建议你去看看马氏体的形成机制和特点。加热温度高,奥氏体晶粒越粗大,而马氏体晶粒会以奥氏体晶界为界限,不会跨越晶界成长。所以奥氏体晶粒越细小,限制内部的马氏体晶粒数目一定的基础上,也变得更细小。至于残余奥氏体则跟冷速也有关。
定义
低碳合金钢也叫低合金钢,是指合金元素总量小于5%的合金钢。低合金钢是相对于碳钢而言的,是在碳钢的基础上,为了改善钢的性能,而有意向钢中加入一种或几种合金元素。加入的合金量超过碳钢正常生产方法所具有的一般含量时,称这种钢为合金钢。当合金总量低于5%时称为低合金钢,普通合金钢一般在3.5%以下,合金含量在5-10%之间称为中合金钢,大于10%的称为高合金钢。
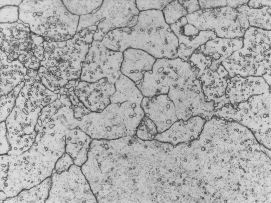
相关问题:连续退火后的低碳合金钢金相组织图片分析
金相组织分析
低碳合金钢中的金相分析怎么做?怎样区分板条马氏体、板条贝氏体、铁素体板条铁素体等等这些东西?个人认为马氏体、板条贝氏体(其中的基体是铁素体)、以及常规铁素体只是在含碳量和位错密度上有所不同。可是形貌上我实在是不知怎么分辨?

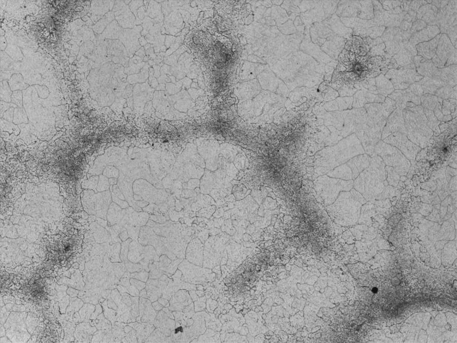
显微镜下的低碳合金钢金相组织图片
结合工艺进行分析好一些,以前做过低碳贝氏体钢。从金相照片上也可以大致区分各类组织(包括板条状贝氏体、粒状贝氏体、针状铁素体和准多边形铁素体等,但仅依靠金相组织,粒状贝氏体和粒状珠光体我也区分不开),如果你是北科大的学生,可以直接请教贺信莱教授梯队的老师。
钢的分类
按国际标准,把钢分为非合金钢和合金钢两大类。非合金钢是通常叫做碳素钢的一大钢类,钢中除了铁和碳以外,还含有炉料带入的少量合金元素Mn、Si、Al,杂质元素P、S及气体N、H、O等。合金钢则是为了获得某种物理、化学或力学特性而有意添加了一定量的合金元素Cr、Ni、Mo、V等,并对杂质和有害元素加以控制的另一类钢。
原则上讲,合金钢分为低合金钢、中合金钢和高合金钢。顾名思义,以含有合金元素的总量来加以区分,总量低于5%称为低合金钢,5-10%为中合金钢,大于10%为高合金钢。在国内习惯上又将特殊质量的碳素钢和合金钢称为特殊钢,全国31家特钢企业专门生产这类钢。如优质碳素结构钢、合金结构钢、碳素工具钢、合金工具钢、高速工具钢、碳素弹簧钢、合金弹簧钢、轴承钢、不锈钢、耐热钢、电工钢,还包括高温合金、耐蚀合金和精密合金等等。
设备支持
低合金钢的金相组织一般用金相显微镜观察。


