新日铁防止中、高碳低合金钢管淬火裂纹的方法
根据新日铁的这项技术的钢管的淬火方法,对中、高碳钢管(以低合金钢或者中合金钢为主的钢管)或Cr系不锈钢管能够不产生淬火裂纹地用急冷手段(水淬火)实施淬火处理。由此,能够稳定地制造具有马氏体比率高的组织(具体而言,马氏体比率为80%以上)的高强度的钢管。

具体实施方式
为了解决上述课题,新日铁的这项技术人等反复进行了如下的水淬火实验:将含高碳的低合金钢和Cr系不锈钢的钢管试验片加热到A相变点温度以上,从钢管的外表面进行水冷。其结果,可得到以下(a)~(f)的见解。
(a)若用强的水淬火对钢管全体进行冷却到马氏体相变停止温度(Mf点)以下,则以高概率产生淬火裂纹。
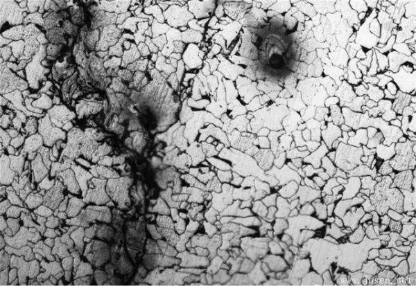
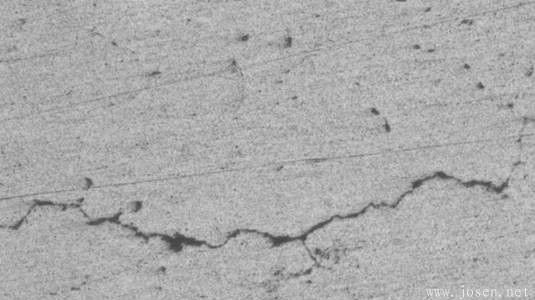
(b)由于淬火裂纹时的龟裂大致在钢管的轴方向上伸展,因此可认为扩大裂纹的主要力为周方向的拉伸应力。
(c)关于前述周方向的拉伸应力的产生源,可认为是因为在冷却过程中产生的壁厚方向上的温度差(温度不均匀)导致在钢管的外表面侧与内表面侧的马氏体相变的时机有偏差。
(d)特别是在温度不均匀较大(即,与内表面侧的温度差大)的冷却面附近,容易产生基于脆性破坏的微裂纹,其容易成为龟裂伸展的起点。
(e)龟裂在绝大部分情况下是以钢管端部为起点而伸展的。其理由可认为是因为具有自由表面的端部的应力增大系数与端部以外的该系数相比更大。
(f)不进行水冷地抑制冷却速度的情况下,含高碳的低合金钢和Cr系不锈钢的情况均不产生淬火裂纹。需要说明的是,对于含高碳的低合金钢,抑制马氏体化、制成贝氏体主体的组织的情况下不产生淬火裂纹。总之可认为,淬火裂纹在绝大多数情况下以产生于具有自由表面的钢管端部的龟裂为起点,该龟裂是作为通过微裂纹而发展的结果产生的,所述微裂纹是在冷却过程中产生的起因于壁厚方向的温度不均匀的热应力、进而相变应力导致的周方向上的拉伸应力(以下也将“拉伸应力”简称为“应力”)发生作用而在冷却面附近产生的。

新日铁的这项技术人等进而利用考虑了热应力与相变应力的FEM(有限元法)分析,计算了钢管的周方向上产生的最大应力。该FEM分析中,假设钢管轴方向均匀地进行冷却,并应用了以钢管2维截面为分析对象的广义平面应变模型。
如以上说明的那样,根据FEM分析的结果也判明,通过对管端部进行空冷、即不进行水冷,能够大幅降低管端部的周方向应力。
新日铁的这项技术人等根据上述见解和考察得到了以下(g)和(h)的启发,从而完成了新日铁的这项技术。
(g)即使是由水淬火中容易产生淬火裂纹的低合金钢或者中合金钢形成的钢管,如果不对钢管的端部进行水冷,而是在除了端部以外的部分以能够确保充分的马氏体比率的冷却速度进行水冷,则能够不产生淬火裂纹地稳定地进行水淬火。
(h)将上述的水淬火方法应用于由马氏体类不锈钢制作的钢管时,也能够不产生淬火裂纹地确保高性能。新日铁的这项技术如前所述,为一种钢管的淬火方法,其特征在于,其为将钢管从外表面进行水冷而淬火的淬火方法,其中,不对管端部进行水冷,而对所述管端部以外的部分的至少一部分进行水冷。需要说明的是,前述的“管端部”是指钢管的两端部。
新日铁的这项技术中,以将钢管从外表面进行水冷而淬火为前提,这是因为:与内表面冷却相比,外表面冷却不会伴随技术的困难性,另外,在将Cr系不锈钢管作为处理的对象时,如果能够从外表面进行水冷而不产生淬火裂纹地进行淬火处理,则可显著提高生产率。

需要说明的是,仅进行了轧制的状态的管端部形状并非严密的圆筒形,因此理想的是通常在后处理中切断去除150~400mm左右。这样贝氏体主体且马氏体比率低的管端部可以在淬火工序后的工序中切断去除。新日铁的这项技术的钢管的淬火方法是通过淬火来使钢的组织成为马氏体的方法,对马氏体的生成比率没有特别限定。但是,低合金钢、中合金钢中,通常如果组织的80%以上为马氏体,则可得到期望的强度。淬火处理的对象为Cr系不锈钢管时,在冷却速度小的情况下也马氏体化,但根据新日铁的这项技术的淬火方法,可确保期望的耐腐蚀性。在任一情况下,均预想在新日铁的这项技术中会得到马氏体比率至少为80%以上的钢管。
理想的是,在上述的从强水冷转换为弱水冷或空冷的冷却方法中,利用强水冷冷却到Ms点附近的比Ms点高的温度,然后转换为弱水冷或空冷,由此使钢管的外表面侧因来自内表面侧的导热而复热,尽可能地减小钢管内表面与外表面的温度差,然后利用强制空冷等冷却到Ms点、理想的是Mf点以下的温度。根据该实施方式,在例如钢管的壁厚较厚的情况下特别有效。钢管的壁厚较厚的情况下,从外表面起的水冷中的壁厚方向的温度不均匀变大,由于伴随外表面的马氏体相变的膨胀引起的大的拉伸应力,有时产生以外表面为龟裂的起点的脆性破坏。为了抑制该脆性破坏,延迟外表面的马氏体相变的开始、缩小内外表面的马氏体相变的开始时间之差的上述实施方式是有效的。根据上述的实施方式,能够缓和壁厚方向的温度梯度、降低周方向产生的拉伸应力。
特别理想的是,在作为冷却面的外表面经过Ms点之前缓和内外表面的温度差。实际上理想的是,监视钢管的外表面水冷部的温度,并在经过Ms点前停止水冷。关于强水冷的冷却速度,根据钢种而不同,低合金钢的情况下,若最初的冷却阶段的冷却速度过小,则产生贝氏体相变而不能确保充分的马氏体比率,因此理想的是基于对象钢的CCT图确定恰当的冷却速度。此外,在新日铁的这项技术的实施方式中,包含由如下方法制作的冷却过程:利用强水冷冷却到Ms点附近的比Ms点高的温度,然后转换为弱水冷或空冷,由此使钢管的外表面侧因来自内表面侧的导热而复热,尽可能地减小钢管内表面与外表面的温度差,但通过使用前述间歇水冷代替该冷却过程也可得到同样的效果。即,新日铁的这项技术中,也可以在Ms点附近的比Ms点高的温度下停止前述本发明(3)中记载的间歇水冷(间歇性地反复实施和停止水冷的操作),然后进行强制空冷等强冷却。但是,该实施方式属于前述新日铁的这项技术(3)的范畴。以上所述的新日铁的这项技术的钢管的淬火方法中,作为水冷的方式,可以适当地选择采用层流冷却、喷射冷却、喷雾冷却等以往所使用的方式。理想的是,在此基础上通过在水冷中增减水量、或间歇性地反复实施水冷和停止水冷来使壁厚方向温度不均匀均匀化,减少钢管的周方向应力。理想的是钢管内部不进行水冷地放冷或强制空冷。另外,在水冷过程中使钢管旋转能够使周方向的温度分布均一化,因此是理想的。

新日铁的这项技术作为处理对象的是淬火时容易产生淬火裂纹的钢管。特别是根据新日铁的这项技术的处理的对象物为(A)含有0.20~1.20%的C的钢管、其中为低合金钢或中合金钢的钢管的情况下、或(B)含有0.10~0.30%的C和11~18%的Cr的Cr系不锈钢管、其中为13Cr不锈钢管的情况下,新日铁的这项技术的效果显著。前述(A)的含有0.20~1.20%的C的钢管是指由以该范围含有C的材质形成的钢管,通常为低合金钢或中合金钢的钢管。C的含量低于0.20%时,因马氏体化引起的体积膨胀比较小,因此淬火裂纹基本不会成为问题。

另一方面,若C超过1.20%,Ms点降低,容易有奥氏体残留,难以得到马氏体率为80%以上的组织。因此,C含量为0.20~1.20%从发挥新日铁的这项技术效果的方面来看是理想的。更理想的C含量为0.25~1.00%、进一步理想的是0.30~0.65%。含有0.20~1.20%的C的低合金钢、中合金钢的钢管中,如前述图1所示,对钢管的中央部整体进行水冷、不对管端部进行水冷,由此可使管端的附近成为不产生淬火裂纹的贝氏体主体的组织。作为低合金钢或中合金钢,例如可列举出如下的钢:C:0.20~1.20、Si:2.0%以下、Mn:0.01~2.0%、且含有Cr:7.0%以下、Mo:2.0%以下、Ni:2.0%以下、Al:0.001~0.1%、N:0.1%以下、Nb:0.5%以下、Ti:0.5%以下、V:0.8%以下、Cu:2.0%以下、Zr:0.5%以下、Ca:0.01%以下、Mg:0.01%以下、B:0.01%以下中的1种以上,剩余部分由Fe和杂质组成,作为杂质的P:0.04%以下、S:0.02%以下。需要说明的是,若Cr含量超过7.0%,则在不进行水冷的管端部也容易产生马氏体,因此理想的是7.0%以下。接着,前述(B)的含有0.10~0.30%的C和11~18%的Cr的Cr系不锈钢管是指由以该范围含有C和Cr的Cr系不锈钢制作的钢管(马氏体类不锈钢管)。

若C的含量低于0.10%,则即使进行淬火也无法得到充分的强度,另一方面,若C超过0.30%,则难以避免奥氏体的残留、难以确保马氏体比率80%以上。因此,C含量为0.10~0.30%从发挥新日铁的这项技术效果的方面来看是理想的。使Cr的含量为11~18%是因为,为了提高耐腐蚀性,Cr为11%以上是理想的,另一方面,若Cr超过18%则容易产生δ铁素体,热加工性降低。更理想的是Cr:10.5~16.5%。作为含有0.10~0.30%的C和11~18%的Cr的Cr系不锈钢,例如可列举出如下的钢:C:0.10~0.30、Si:1.0%以下、Mn:0.01~1.0%、Cr:11~18%(更理想的是10.5~16.5%)、且含有Mo:2.0%以下、Ni:1.0%以下、Al:0.001~0.1%、N:0.1%以下、Nb:0.5%以下、Ti:0.5%以下、V:0.8%以下、Cu:2.0%以下、Zr:0.5%以下、Ca:0.01%以下、Mg:0.01%以下、B:0.01%以下中的1种以上,剩余部分由Fe和杂质组成,作为杂质的P:0.04%以下、S:0.02%以下。其中13Cr不锈钢管在许多产业领域中通用,作为新日铁的这项技术的处理对象是适宜的。

新日铁的这项技术的淬火方法当然能够应用于将钢管从常温起再加热而进行的所谓再加热淬火,但也可作为无缝钢管的制造时从刚热轧后的、钢管为A以上的温度的状态进行淬火的所谓直接淬火、进而可作为在热轧后钢管的保有热量未大幅降低的阶段以A点以上的温度均热(补热)后进行淬火的、所谓在线热处理(在线淬火)的淬火方法来应用。利用新日铁的这项技术的淬火方法,能够有效地防止淬火裂纹,因此能够稳定地制造具有马氏体比率高的组织的高强度的钢管。



