推土机在试车正常行驶换挡过程中,主离合器分离杆螺栓发生断裂。该螺栓为安全件,一个离合器上有3个分离杆螺栓当时已装配了135根螺栓45台份车,共计断裂了20余根。分离杆螺栓材料为40Cr,经调质处理后硬度为38~42HRC。
1.检测结果
(1)宏观及断口观察。主离合器分离杆装配情况如图1所示,分离杆螺栓的受力情况如图2所示。分离杆螺栓断裂发生在螺纹处如图3所示。断口为一次性结晶状脆性断口如图4所示。

图 1

图 2

图 3

图 4
(2)断口电镜观察,如图5所示。

图 5
(3)表面硬度测试,分别为47HRC、47HRC和43HRC。
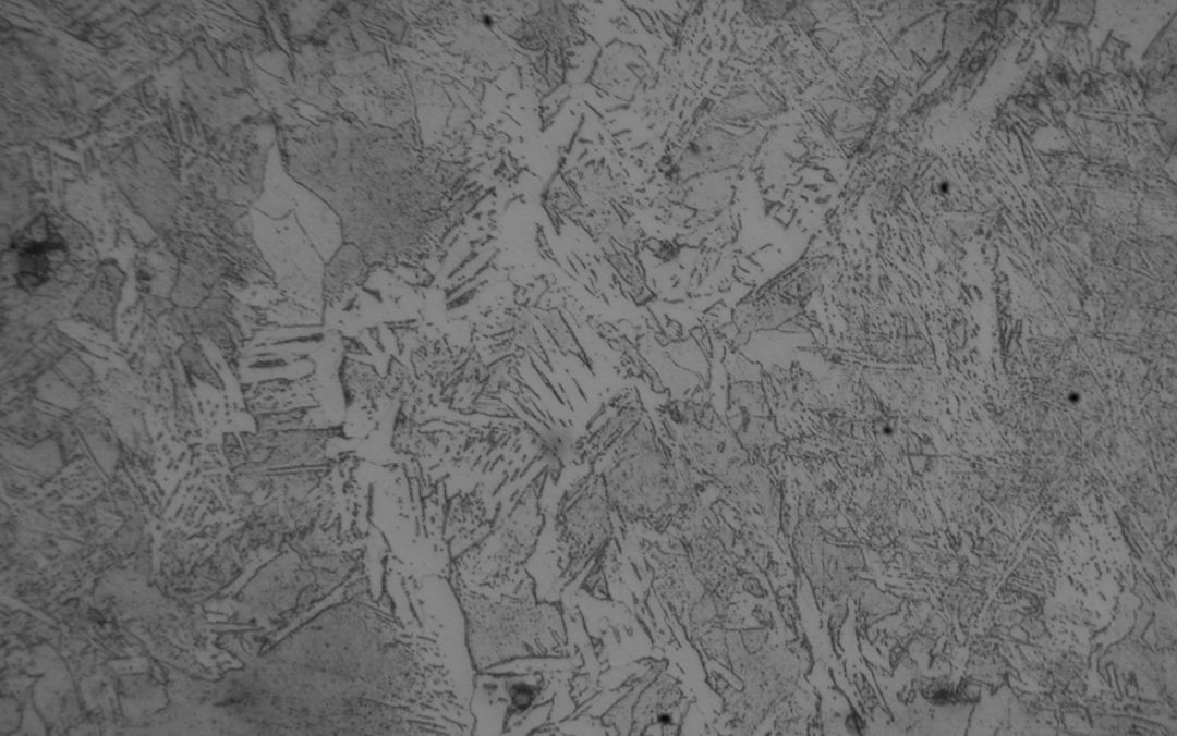
(4)显微观察。表层组织为回火屈氏体,心部为粗大魏氏组织铁素体+贝氏体+索氏体,如图6所示。

图6 400×
(5)显微观察。在螺纹根部有与表面相连的裂纹,如图7所示。在螺栓内部有纵向裂纹,如图8所示。

图 7

图 8
2.分析讨论
(1)由表面硬度及显微观察分析判断,该分离杆螺栓为低碳钢经碳氮共渗处理,不符合技术要求。
(2)由分离杆螺栓的生产工序(碳氮共渗热处理气氛中存在大量的氢气)、断裂过程(装配预紧应力作用下延迟断裂)、断裂部位(螺纹根部尖角应力集中处)、断口特征(结晶状脆性断口特征)、硬度范围(41HRC以上氢脆敏感性急剧增加)及显微观察(氢脆显微裂纹及氢脆敏感的金相组织)六项氢脆特征分析确定,螺栓断裂为氢脆所致。氢脆属于缓慢应力作用下的延迟破断。即使在低于材料屈服强度的静应力作用下,经过一段时间后仍然会发生零件的突然失效。由于这种破断失效常常是在零件通过正常检验合格后突然发生的,所以它是一种十分危险的机械零件断裂失效。
(3)螺栓中的氢来源于碳氮共渗热处理气氛中。
3.结语
引起分离杆螺栓断裂的原因为碳氮共渗处理不符合技术要求产生氢脆所致。故而今后在生产过程中需要重视热处理工序中的氢脆现象消除!建议碳氮共渗后空冷再重新加热淬火或180℃保温8h除氢回火都可以除氢,避免氢脆断裂。


