30CrNi3A为中碳低合金结构钢,具有良好的切削加工性能,一般经调质处理后用于制造承载中等强度的重要结构制件。某传动制件(见图1)设计图样选用30CrNi3A电渣无发纹钢,技术标准为GB/T 3077,性能要求如表1所示。由于该制件承受大扭矩、高转速,两端花键需具有高耐磨性能,因此决定对该传动轴表面进行碳氮共渗处理。

图1 传动制件
该材料最初使用的热处理工艺为:840℃碳氮共渗后直接淬火,经冰冷+150℃低温回火处理。使用该工艺处理的工件经常出现心部硬度偏高,韧性值偏低,需进行重新回火处理,回火温度略高时表面硬度低于要求值,有时会造成零件成炉批报废。针对上述问题开展碳氮共渗后直接淬火改为等温淬火的工艺攻关,选用MARQUENCH3500淬火油(开口闪点为283℃)经不同等温温度和等温时间的淬火试验。结果表明,采用840℃碳氮共渗+235℃×1h的等温淬火+冰冷+150℃两次回火处理后试样综合力学性能符合设计要求。采用该工艺生产了多个批次的工件,一次合格率均为100%。
再次生产该制件时检测发现试样性能不合格,具体数据如表1所示。复查发现30CrNi3A材料(以下简称第Ⅱ批)是从新供应厂家购进的。
表1 30CrNi3A材料技术要求及两批次材料等温淬火的力学性能

本文通过对不同批次的30CrNi3A钢进行碳氮共渗后等温淬火处理工艺试验,研究了30CrNi3A经碳氮共渗+等温淬火+冰冷+低温回火处理后原始组织、等温温度对力学性能的影响。
1.试验用材料及方法
(1)试验材料
前两批次使用的材料冶炼方式均为电弧熔炼+电渣重熔,化学成分如表2所示。
表2 30CrNi3A钢的化学成分(质量分数) (%)

(2)试验方法
针对再次生产处理的一批制件性能不合格的问题,分析判断是因为材料更换了批次所造成的。因此,对第Ⅱ批次材料经讨论认为需调整等温淬火工艺参数,选用工艺参数及路线(见图2)进行试验,以获得符合设计图样要求的综合力学性能。

图2 30CrNi3A钢碳氮共渗+淬火+回火工艺路线
2.试验结果
(1)力学性能 按上述工艺处理后试样的力学性能测试结果如表3所示。
表3 第Ⅱ批次30CrNi3A材料不同等温淬火温度下的力学性能

从表3可以看出,经220℃等温淬火后,性能能够满足设计要求,随后使用该工艺处理传动制件力学性能同列入表3。随零件处理的随炉试样强度、伸长率等性能满足设计要求,但冲击韧度较为分散,不能保证处理的零件完全合格。
(2)金相组织
第Ⅰ、第Ⅱ批30CrNi3A材料经235℃等温淬火的心部组织如图3所示,观察心部组织可见两批次材料均发生不同程度的偏析,形成黑白相间的条纹带。其中,第Ⅱ批材料的带状偏析较第Ⅰ批材料严重。但GB/T 3077对材料的带状偏析未给出验收要求。

(a)第Ⅰ批次 (b)第Ⅱ批次
图3 30CrNi3A材料235℃等温淬火后心部组织
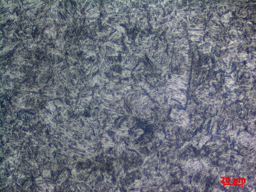
图4为第Ⅱ批次材料不同等温淬火温度工艺试验后的心部组织形貌,经等温淬火+冰冷+两次150℃低温回火后,30CrNi3A钢的主要组织为回火马氏体,呈粗板条状。组织中存在白色点状非马氏体组织,经分析认为是粒状贝氏体。

(a)210℃等温60min (b)220℃等温60min
图4 不同等温温度淬火下的组织
4.分析讨论
由于更换第Ⅱ批材料,在使用原工艺参数(840℃碳氮共渗+235℃等温淬火+冰冷+150℃两次低温回火)处理后试样性能不合格,主要体现在强度、硬度降低。通过调整等温淬火温度的工艺试验可以发现,220℃等温淬火可获得最理想的综合力学性能,但冲击韧度仍不能保证一次性完全合格。
通过心部组织可以看出,两批材料均存在不同程度的带状偏析,其中第Ⅱ批采购的30CrNi3A原材料带状偏析相对明显。两批材料的组织均匀性存在差异,Ⅰ批次材料组织更为均匀。一般认为,偏析形成的主要原因是化学元素的不均匀分布,碳化物形成元素富化区易残留未溶碳化物并降低碳原子扩散速度而抑制晶粒长大,贫化区晶粒则易长大,易出现混晶组织。初步分析认为,组织不均匀是造成两批材料热处理后性能出现差异的原因。
从210℃和220℃等温淬火试验后的心部组织图中可以看出,不同等温温度淬火时显微组织中均出现少量的白色点状不规则的颗粒,疑似粒状贝氏体。理论上,根据粒状贝氏体的形成温度,属于上贝氏体范畴,其形成温度350~550℃。而本次试验中等温温度远低于粒状贝氏体的形成温度,理论上不会出现粒状贝氏体。由于本批材料带状偏析严重,显微组织成黑白相间的带状条纹,有文献指出,黑色区域的C、Si、Mn、Cr、Ni、Mo等元素含量都比白色区域的高。在偏析带内,不仅存在C、S的正偏析,还存在着Cr、Ni、Mo等合金元素的正偏析。因此,在相同冷速条件下,合金元素富集区域更容易淬透获得马氏体组织,而合金元素贫化区域因淬透性不足获得了非马氏体组织(粒状贝氏体)。
在箱式炉中进行840℃淬火加热(无碳氮共渗气氛)后,进行200℃等温淬火工艺试验的力学性能数据同见表3。可以看出,箱式炉进行淬火的试验件具有较好的强度和韧性,在碳氮共渗气氛的影响下,30CrNi3A的强度(抗拉强度、屈服强度)、伸长率及冲击性能普遍有所下降。有关资料显示由于碳氮共渗层的存在至少会降低冲击韧度及强度达15%,分析认为表面形成的碳氮共渗层与基体材料相比具有高脆性和高的弹性模量,在拉伸时易在碳氮共渗层产生微裂纹,会导致在较低的应力下发生拉断现象。在碳氮共渗过程中,由于介质的因素,炉内气氛中氢的体积分数可达60%~80%,由于气氛中含有较多的氢且直径较小,很容易通过基体向材料内部扩散渗入钢中,使材料表面含氢量显著提高。在等温淬火及低温回火过程中可使大量氢逸出,但由于30CrNi3A应用强度属于超强钢范畴,对氢脆较为敏感,分析认为这可能是造成30CrNi3A碳氮共渗后性能有所降低的原因。
综上所述,第Ⅱ批次材料的性能差异较大,不能满足设计要求的因素主要来自于材料本身及化学热处理工艺,是组织不均匀性、材料有害元素成分、夹杂物,以及碳氮共渗过程中氢脆倾向的综合作用。
5.改进措施
考虑可通过改变冶炼工艺提高冶金纯度,改善30CrNi3A钢的原始组织,因此采用真空感应+电渣重熔重新熔炼一批材料(第Ⅲ批次)。对该批材料进行入厂复验,并开展工艺试验以探究新一批材料的最佳热处理工艺参数。
按GB/T 3077—2015对第Ⅲ批次30CrNi3A钢进行化学成分、力学性能、非金属夹杂物等检验。化学成分如表4所示,各批次复验力学性能如表5所示。
表4 第Ⅲ批次30CrNi3A钢的化学成分(质量分数) (%)

表5 30CrNi3A原材料入厂复验力学性能
热处理制度 | 820℃淬火+500℃回火 | ||||
项目 | σb/MPa | σ0.2/MPa | δ5(%) | ψ(%) | αk/J·cm-2 |
GB/T 3077 | ≥980 | ≥785 | ≥9 | ≥45 | ≥78.5 |
第Ⅰ批 | 1110 | 1000 | 16 | 59 | 108 |
1110 | 1010 | 14 | 58 | 100 | |
第Ⅱ批 | 1040 | 925 | 14 | 55 | 106 |
1032 | 920 | 13 | 57 | 110 | |
第Ⅲ批 | 1086 | 1016 | 16 | 68 | 120 |
1085 | 1015 | 17 | 67 | 125 | |
表4、表5可以看出,真空冶炼的30CrNi3A钢化学成分符合技术标准要求,S、P等杂质含量明显降低,说明真空冶炼方式可有效提高30CrNi3A钢的纯度,力学性能良好,各项指标均比前两个批次有所提高。图5为调质状态的心部组织为回火索氏体,从中可看出第Ⅲ批次材料组织均匀,未见明显的带状偏析。

图5 第Ⅲ批次30CrNi3A材料调质态心部组织
按图2工艺路线对第Ⅲ批次材料进行热处理,除调整等温淬火温度及时间外,其他工艺参数相同。经工艺试验摸索,840℃碳氮共渗后,210℃等温30min+冰冷+两次150℃低温回火可获得良好的综合力学性能,具体性能数据如表6所示,完全满足设计要求。
表6 第Ⅲ批次30CrNi3A材料210℃等温淬火工艺下的力学性能

图6为经210℃等温淬火保温30min后30CrNi3A钢的心部组织,可以看出,经真空冶炼的材料其心部组织主要为回火马氏体(板条状),组织均匀,未发现粒状贝氏体等非马氏体组织出现。相关资料表明,偏析对冲击韧度影响极大,主要与粒状贝氏体有关,会导致冲击韧度下降。真空冶炼可使材料的纯度得到提高(S、P等杂质元素含量降低),均匀原始组织,从而经淬回火后得到均一的回火马氏体,宏观表现为具有良好的综合力学性能。

图6 第Ⅲ批次材料210℃等温30min等温淬火后心部组织
6.结语
(1)第Ⅱ批次30CrNi3A材料原始组织不均匀,出现明显的带状偏析现象,对冲击韧度影响极大。此外,材料的有害元素、非金属夹杂物以及碳氮共渗气氛均会对材料性能造成不利影响。
(2)经220℃热油中等温淬火保温1h的工艺可满足设计要求,但工艺改进对性能改善有限。
(3)真空冶炼的30CrNi3A钢原始组织均匀,经840℃碳氮共渗+210℃热油中等温淬火保温30min后,冰冷+一次回火+二次回火后工艺可获得良好的综合力学性能。
作者:王亚,卢文海,俞涛,刘昌标,稽文青
单位:中国航发常州兰翔机械有限责任公司
来源:《金属加工(热加工)》杂志
(本平台"常州精密钢管博客网"的部分图文来自网络转载,转载目的在于传递更多技术信息。我们尊重原创,版权归原作者所有,若未能找到作者和出处望请谅解,敬请联系主编微信号:steel_tube,进行删除或付稿费,多谢!)

