兆瓦级风电齿轮箱中,内齿圈服役环境对其提出了较高的质量要求,其中最大变形产生区位于齿顶部位,最大拉应力承载区则位于齿根部位,齿圈整体传递着行星轮及太阳轮啮合过程中的扭矩,故对其工艺提出了较高要求。本文主要对其调质工艺参数和热处理后金相组织进行了研究,并分析了相关结果。
齿圈整体材料为42CrMo,热处理过程采用调质工艺。研究过程中,固定高温回火温度,淬火工艺参数中的保温温度和淬火冷却介质种类均会对热处理后齿圈的金相组织产生影响。试验过程中,本项目分别选取了两种不同的介质和5种不同的温度对齿圈进行淬火工艺试验,以确定其合理的调质工艺参数。
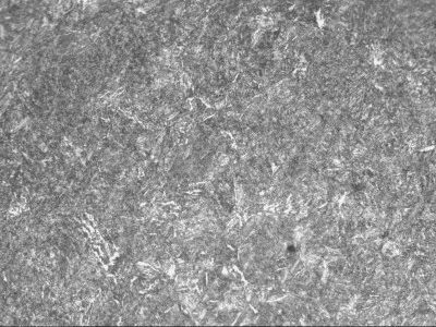
1.淬火冷却介质对调质组织的影响
淬火过程中,设定某一保温温度,将齿圈在热处理过程中置于不同的冷却介质中进行淬火处理,而后进行高温回火工序,最后使用体式金相显微镜检测齿圈金相组织。试验过程中,分别选取Petrofer和Houghton油性淬火冷却介质对齿圈进行过冷处理,使奥氏体充分转变为马氏体,而后通过高温回火形成相应的调质组织。
图1为经Petrofer淬火后高温回火得到的金相组织,从中可以看到,经过调质处理,齿圈本体金相组织基本为少量索氏体和针状铁素体,可以明确的是其在淬火阶段形成马氏体的含量较少。其主要原因是介质冷速较慢,导致其马氏体转变温度较低,从而总体上转变量较少。

图1 Petrofer调质组织(500×)
图2为经Houghton油性淬火冷却介质过冷处理后高温回火而形成的组织,从中可以观察到,齿圈基体已经大部分转变为索氏体,其中随机分布有若干铁素体,整体组织较好,有益于提升齿圈性能。

图2 Houghton调质组织(500×)
如前文所述,经过Petrofer油性淬火冷却介质处理后的齿圈基体,形成了较好的金相组织,有助于提升齿圈整体性能。从图3中可观察到,马氏体转变温度随淬火冷却速度的增加而提高,当冷速增加到一定程度时,马氏体转变温度趋于恒定。

图3 淬火冷却速度对马氏体转变温度的影响
2.淬火保温温度的影响
42CrMo在此过程中,主要形成淬火马氏体,其中保温温度影响较为显著。试验中,根据附表中参数对齿圈进行保温一定时间后,进行淬火高温回火处理(参数见附表)。
淬火保温温度参数
序号 参数 | 1 | 2 | 3 | 4 |
淬火温度/℃ | 840 | 850 | 860 | 870 |
保温时间/min | 300 | 300 | 300 | 300 |
调质后,对基体取样而后进行理化分析,金相照片如图4~图7所示。

图4 840℃调质组织(500×)

图5 850℃调质组织(500×)

图6 860℃调质组织(500×)

图7 870℃调质组织(500×)
从检测结果中可以观察到,随保温温度的升高,基体中索氏体组织越均匀,预示调质过程中淬火阶段的马氏体组织也有类似形貌。分析其原因如下:
马氏体转变受切变应力影响最为明显,而切变应力又与温度之间存在关系。保温温度越高,基体中的合金元素、碳元素在奥氏体中的含量也随之升高,从而更益于马氏体形成。而保温温度越低,则基体组织则不完全奥氏体化,马氏体切变反应受阻,从而使不利于马氏体转变。
马氏体形核过程中会遭遇三重阻力:母相点阵形核、马氏体晶体缺陷、奥氏体塑性变形,故其需要能量推动,新相与母相自由能差δGγ→α则提供了形核条件,而两相自由能符合如下公式:
δGγ→α=Gα′-Gγ
整个形核过程遵循熵变规律:
δGγ→α′=δS(T0-Ms)
过冷形核过程中,自由能差必须
δGγ→α′<0
即δS(T0-Ms)<0
而Ms一定时,T0越低,则马氏体形核所需自由能越大,故随着温度升高,马氏体越容易形核。
3.结语
根据研究过程中发现的规律,可以得出如下结论:
(1)调质组织与淬火冷却介质的选取有关,Petrofer淬火冷却介质调质后的基体组织为索氏体与少量铁素体,整体性能一般,而Houghton淬火冷却介质调质后的基体组织较好,有益于后期性能。
(2)保温温度对调质组织也有较明显的影响,温度越高,基体组织越均匀,原因为基体中的合金元素、碳元素在高温下更多地熔于基体组织中,有益于后期马氏体形核。同时,马氏体形核所需自由能越小,过程越顺畅。
(3)当选用Houghton油性淬火冷却介质、870℃保温温度作为42CrMo齿圈调质过程中的相应参数,齿圈在热处理后能获得较好的金相组织。
作者:魏佳顺,戎玲华,吴刚,刘升,黄星
单位:中车戚墅堰机车车辆工艺研究所有限公司
来源:《金属加工(热加工)》杂志
(本平台"常州精密钢管博客网"的部分图文来自网络转载,转载目的在于传递更多技术信息。我们尊重原创,版权归原作者所有,若未能找到作者和出处望请谅解,敬请联系主编微信号:steel_tube,进行删除或付稿费,多谢!)

