会做容易,做好不易。
热处理更需要沉淀在价值深处的工匠精神。
今天我就就来说说 什么是调质?调质过程中常见问题有哪些?再举两个案例。
调质
(quenching and high temperature tempering)
即淬火和高温回火的综合热处理工艺
调质件大都在比较大的动载荷作用下工作,它们承受着拉伸、压缩、弯曲、扭转或剪切的作用,有的表面还具有摩擦,要求有一定的耐磨性等等。总之,零件处在各种复合应力下工作。这类零件主要为各种机器和机构的结构件,如轴类、连杆、螺柱、齿轮等,在机床、汽车和拖拉机等制造工业中用得很普遍。尤其是对于重型机器制造中的大型部件,调质处理用得更多。因此,调质处理在热处理中占有很重要的位置。
在机械产品中的调质件,因其受力条件不同,对其所要求的性能也就不完全一样。一般说来,各种调质件都应具有优良的综合力学性能,即高强度和高韧性的适当配合,以保证零件长期顺利工作。


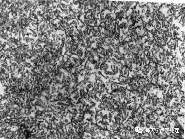
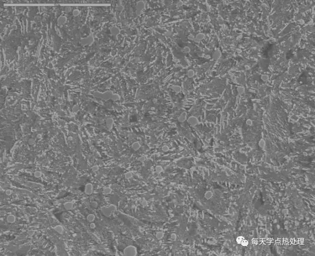
调质通常指淬火+高温回火,以获得回火索氏体的热处理工艺。方法也就是先淬火,淬火温度:亚共析钢为Ac3+30~50℃;过共析钢为Ac1+30~50℃;合金钢可比碳钢稍稍提高一点。淬火后在500~650℃进行回火即可。
调质难吗?
最简单的实际上是最难的。
有时就是这样,既要循规蹈矩,又要灵活掌握,其中的“度”很难把握。
下面来看看热处理论坛的师傅们怎么说:
一:以我在专业热处理厂为例来说说调质的难度:
1、很多客户材料提供的很不准确,到现在还有送货单写明“碳钢”“冷轧板“弹簧钢”,真是汗颜,每遇到这样的产品,只有磨火花、试回火温度再做,
2、有些零件形状复杂,处于临界尺寸,加之每个热处理厂装备限制,如果你淬火温度与淬火剂选择不佳,就会发生开裂或变形;淬火温度选择高,易出现裂纹;保温时间不合理,会加大变形,淬火温度选择低,为保硬度,回火温度降低,虽然硬度合格,但组织性能指标达不到图纸要求。
3、调质处理固然重要,但只是产品制造过程中的一项工艺,搞好质量的同时,还必须盯前看后,注意锻造工艺有无问题和后续的机加工的便利,否则都会来找你调质的人,锻造的说你调质技术不好,机加工的说你质量不行,难加工...,
4、有些调质产品用在风电或极端环境的,产品要求零下30或40度的冲击韧性,说实话,调质的温度、时间、冷却、回火必须达到最理想状态方可,如果再遇到材料有夹杂物、偏析之类缺陷,调质就更难了......,在专业热处理加工厂做了近10年了,总结一下,调质也好,其它淬火也好,只要用心去钻,产品热处理质量达到图纸要求不难,真正难的是保证你所做的产品每一批、每一件从开始试样到最后一批零件结束,都是一样的质量状态才是真正的难点,这也是我国热处理质量水平与国外差的关健。
二:我觉得只要设备能满足,比如炉子有效尺寸、炉温均匀性、控温精度、淬火延迟时间、炉子温升、加热速度、炉冷速度、淬火液的冷却速度(包括老化程度,杂质等,循环),清洗质量等没问题,最好自动化控制,原材料有质保书和进厂检验报告,工人严格执行工艺。调质是很轻松的,
当然,功夫在平时,做的时候当然是信手拈来。
三:调质工艺难:加热温度、保温时间、冷却介质、工件 的形状、尺寸、现有设备、技术要求、工艺的执行情况
四:从理论上讲,调质即是 淬火 + 高温回火 以获得回火索氏体的工艺方法。如果其中一个工步达不到要求,调质就不会很理想,因此难度的确很大。严格来说,不仅要达到硬度要求,而且还要达到金相组织的要求,如果只考虑硬度要求,不考虑组织性能,难度就不会太大,但却常常会造成调质组织不良的后果。
五:调质确实是个重要工序,但要达到预期的调质目的,我们必须严格控制调质过程的各个环节!!包括加热温度,保温时间、冷却介质,回火温度等等!!就我个人总结,我认为真正是质量稳定,在生产过程中,必须减少人这个因素的影响!!!要想保证高质量的调质件,就应该上调质生产线!!完全靠设备、靠工艺来保证设备质量!!
六:调质作为一种预先热处理,首先在考虑变形和氧化的余地是比较大的,但是调质质量的很难控制!我觉得难点在:
第一:材料的不稳定性!你一个工艺下来这批材料合格那批材料不合格时经常出现的问题
第二外部环境的影响,夏天干出来一个样,冬天又是一个样(这个和正火差不多,主要是冷却介质的影响)
第三设备的影响,一般作为一种预先热处理,干的大部分是毛坯,所以无论装卸还是操作,包括炉子的设计都比较粗糙,设备的不精密性以及人为的不严谨性往往对产品的质量造成很大的影响!
七:拿曲轴为例来说调质的难度,由于零件形状复杂,淬火温度与淬火剂选择成为关键:淬火温度选择高,会出现裂纹;淬火温度选择低,回火温度降低,虽然硬度合格,但组织性能指标达不到图纸要求。如果这中间再选择材料的话,情况就会更复杂了。
调质不容易,回火学问很大,多做记录积累经验
1、材料化学成分,同样的一个牌号的材料,其化学成分可能不同,就得采用不同的淬火温度,
2、工件形状,对于长细的杆件类零件、薄壁类零件,热处理变形量较大,后校正工件量大
3、零件的尺寸,拿45钢来说,临界淬火尺寸9-14mm,设计者不了解热处理,机加后就要调质。他们不管你淬火后裂不裂的问题,一旦裂了,就说你“什么水平”遭来鄙视。
4、铸造类零件调质:有的铸件铸造质量本来就差,气孔,疏松,夹杂,一大片的铸造问题,淬火开裂后说是你热处理淬裂的。
5、材料混料,相信搞热处理的同行们都遇到过,碳素钢和合金钢没有分开就送来热处理的。
6、设备问题,在回火时,设备“跑温”,升高了,调质后硬度低,又得重新淬火,再次来过。
您在生产中遇到过这些问题吗?您有什么idear? 欢迎留言支招。。。
类型:输送链板
淬火设备:定做的可移动淬火槽,带空冷换热器
工艺路线:锻造-余热淬火-回火-机加工-发货
思路:当初考虑到此产品在锻造时形变比较大,而且在摩擦压力机上生产,锻造节拍比较稳定,同时在晶粒度上、硬度上都不会有太大问题,故选用了锻造余热淬火,同时考虑到其淬火温度比较高,热容会很大,原来一直用油淬,现场环境和安全一直不好控制,选用了水基的PAG类淬火介质;
实际结果:在最终调试时,硬度、金相组织、晶粒度都OK,但是出现比较大比例的淬火裂纹,非常有规律,标准的弧形淬火裂纹;期间对预冷时间、淬火温度(从900-780都试过)、冷却时间、淬火液的浓度等都做了调试,问题一直没有解决,百思不得其解,后来没有办法,更换为油,100%合格,任何条件都没有变;
结论:对于形状和界面变化比较剧烈的锻件产品,在进行锻造余热淬火时,慎用淬火介质,应选用冷速较慢的介质;
这个结论可能不一定正确,可能还有一些问题没有真正找到,如果哪位有兴趣,可以帮我解答下;
45钢调质,要求硬度180-230,我做的金相组织在1级,淬火840淬盐水,回火660度,从组织、硬度上没有任何问题,但用户反映机械加工太难(粘刀,费刀具),后来采用亚温淬火才基本解决这个问题。
举几个例子,在大型连续式网带炉调质,锻件未正火就调质的,淬火保温温度要选择下限,最好采取预冷淬火,淬火温度保温时间不宜长,否则M针粗大:对于产品球化退火过的,调质时淬火保温温度要选择上限,最好采取与保温温度一样的温度淬火,淬火加热时间系数先取上限,保温时间要允分,否则抗拉强度时显偏低;......
40Cr材料,长1.2米,直径300mm,空心,中间孔260mm左右,厚度约40mm左右。要求调质:只有硬度要求,并无其余技术指标要求
设备:普通箱式炉(老设备,一些设备参数不清)+井式炉
过程:有10几年的工作经验,但是对于这种材料处理的不多,当时老师傅只想通过简单的奥氏体化,淬火后看硬度再根据淬火硬度调整回火温度,最终达到硬度要求即可。
当时由于心里没底,找我商量;我先听了他的想法:为防止淬火开裂,直接油淬,淬火后看硬度,调整回火温度达到客户硬度要求即可。
我当时明确表态,不行。我当时斗胆为了一句,调质的含义是什么?(。。。。)
我当时的建议:充分保温,出炉后工件两端用U型钩勾住两端,行车吊起,空气中缓冷约5-10s(具体看颜色),之后快速入水(5%碱水),缓慢晃动行车作为搅拌,当冷却至约200--300度时快速吊起进入油中冷却
,冷却至底出油,擦除表面油渍,快速进入已到温的井式炉回火。
回火后打硬度,完全满足客户的要求,据客户反映使用情况比较满意。
材料化学成分,同样的一个牌号的材料,其化学成分可能不同,就得采用不同的淬火温度,
2、工件形状,对于长细的杆件类零件、薄壁类零件,热处理变形量较大,后校正工件量大
3、零件的尺寸,拿45钢来说,临界淬火尺寸9-14mm,设计者不了解热处理,机加后就要调质。他们不管你淬火后裂不裂的问题,一旦裂了,就说你“什么水平”遭来鄙视。
4、铸造类零件调质:有的铸件铸造质量本来就差,气孔,疏松,夹杂,一大片的铸造问题,淬火开裂后说是你热处理淬裂的。
5、材料混料,相信搞热处理的同行们都遇到过,碳素钢和合金钢没有分开就送来热处理的。
6、设备问题,在回火时,设备“跑温”,升高了,调质后硬度低,又得重新淬火,再次来过。
从工件的形貌上讲,球形工件接受淬火的能力最强,其次是棒状、接受淬火能力最差的是板类板类工件接受淬火的能力最差,饼状应当视为与板类相似的形状,其接受淬火的能力同样较差,这样大的工件淬火,即使在冷却条件(主要是冷却槽足够大,冷却液量足够大,保证在淬火冷却过程槽液温度的变化微小)比较理想的情况下淬火,其饼的周边硬度也许可以达到50HRC左右,但在其几何中心到周边的大面积区域,其硬度一定是既不均匀,又不会高。
1楼:般多用炉调质 淬火延迟时间做不到 动作太慢。
要是批量大、产品尺寸满足的话,连续炉可能会比较好,出炉到淬火之间的时间一定要控制好
2楼:你所说的延迟时间是指从后室到前室以至落入油槽这段时间太长吧?这个问题的确存在,尤其是对装炉致密度较小的薄小零件不利。
3楼:虽然多用炉有转移时间,但和井式炉相比要短得多,零件没有氧化和脱碳,冷却效果也好很多,零件一致性很高!质量相当稳定,但受冷却介质的限制。不过多用炉调质成本也高。
4楼: 如果大件,在多用炉效果好,有保护,不会氧化,脱碳!小件我觉得网带是不错选择,比如40MM以下长度不超网带的宽度
1,成本低(相对多用炉)
2,产量大
3,质量稳定
4,工人劳动强度低
5楼:在多用炉做调质淬火。加热温度与普通炉子是一样的。优点是保护汽氛加热淬火过程中,工件在炉内受保护汽体的保护。正常情况下产品不易氧化脱碳。炉气碳势设定在0.5就可以。碳势太高炉内容易积炭,也是浪费。碳势太低影响下一炉渗碳产品。


