管壳式换热器主要有固定管板换热器、浮头式换热器、U形管式换热器、填料函式的浮头换热器等结构型式,固定管板换热器因结构简单,制造成本低,能得到较小的壳体内径,管程可分成多样,壳程也可用纵向隔板分成多程,规格范围广等优势在工程中得到了广泛应用。今天带大家一起以固定管板式换热器的结构为例,深入了解管壳式换热器的结构。

固定管板换热器的结构示意图
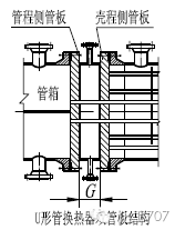
管箱
管箱结构


常见的管箱结构大致可以分为以下几类,如上图所示。
A 型管箱可用于单管程和多管程,优点是便于清洗换热器的管程;缺点是管箱盖结构用材较多,当尺寸较大时,需要锻件,故建议A 型管箱宜用于DN≤900mm 的场合。
B 型管箱用于单管程和多管程,优点是结构简单,便于制造;缺点是检修和清洗管程的换热管内时,需将管箱上的接管法兰和设备法兰拆开,并取下整体管箱。
C 型管箱该管箱是多管程换热器的返回管箱。
D 型管箱该管箱用于单管程换热器的进出口管箱。
管箱平盖是管箱的重要组成部分,不同的平盖可以根据用途、材料耗费、方便清洁等方面进行选择。
管箱平盖的结构型式如图所示
a) 图1为整体结构的管箱盖,主要用于管箱为碳钢或低合金钢材料的场合。

图1 整体结构的管箱盖
b) 图2 为复合结构的管箱盖,用于管箱为不锈钢或耐蚀合金材料的场合。

图2 复合结构的管箱盖
c) 图3 是采用衬板塞焊的管箱盖,但不适用于真空状态的场合。

图3 衬板塞焊的管箱盖
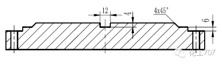
整体结构管箱盖的有效厚度应等于管箱盖的实际厚度减去管箱腐蚀裕量或管箱腐蚀裕量与分程隔板槽深度的大值。对于复合管箱盖和衬层管箱盖,其复合层或衬层厚度不包括在有效厚度之内。
管板
根据管板与管箱、壳体的连接结构,管板可分为:
a) 延长部分兼作法兰的固定管板。
b) 不兼作法兰,且与壳程、管程筒体焊成一体的固定管板。
如下图所示:







根据管板的使用功能(用途),管板分为:
a) 固定管板换热器的固定管板;
b) 浮头换热器的固定管板和浮动式管板;
c) U 形管式换热器的固定管板;
d) 双管板换热器的双管板;
e) 薄管板。






波形膨胀节
在固定管板换热器中,为避免壳体和换热管拉伸破坏,换热管失稳,换热管从管板上拉脱,因此,必须在壳体中间设一挠性补偿元件——膨胀节,以降低壳体与换热管的轴向载荷,且可降低热膨胀差所引起的管板应力,从而适当地减薄管板厚度。
换热器用膨胀节的型式
膨胀节的形式较多,按截面的形状,有U 型、Ω形,S 型等,在固定管板式换热器中,采用最多也最普遍的是U 形波形膨胀节。
U 形膨胀节主要由波形管、直边段两部分组成,需要时还可能设内衬筒,加强环等,见图所示:

换热器用膨胀节也可分为单层和多层膨胀节
a) 对于固定管板换热器,在保证设计要求的承载能力,补偿呈刚度和疲劳寿命的前提下,应优先选用单层波形膨胀节。
b) 在下列情况子下,可选用多层波形膨胀节
1)须承受较高压力,且要求较大的位移补偿能力;
2)承受较高的疲劳寿命的要求;
采用多层波形膨胀节结构的特点如下:
1) 柔性好,补偿能力高;
2) 疲劳寿命比单层结构高(国外资料介绍是单层的6 倍);
3) 结构紧凑,节省材料;
4) 在高压情况下,不会突然破裂,不易有危险性。
换热管
换热管是换热器的核心部分,不同的管径、形状、排列形式的换热管等都会影响换热器的效率。
管径
换热管的推荐定尺长度为1.5,2.0,2.5,3.0,4.5,6.0,7.5,9.0,12.0m。
换热管的常用规格见下表1
表1 换热管的常用规格

形状
U 形换热管
U 形管弯管段的弯曲半径R(如下图所示)应不小于两倍的换热管外径,常用换热管的最小弯曲半径R min 按表2选取。

表2 换热管的最小弯曲半径
换热管外径 | 10 | 14 | 19 | 25 | 32 | 38 | 45 | 57 |
R min | 20 | 30 | 40 | 50 | 65 | 76 | 90 | 115 |
当U 形管内流速过高或有腐蚀时,应适当加厚弯管半径较小的U 形管的壁厚。
换热管的排列形式
换热管标准的排列形式见图


a) 三角形排列
三角形排列(包括正三角形排列和转角三角形排列)是最为普遍的排列形式,特别是用在壳程介质较清洁,换热管外不需要清洗的固定管板换热器中。
b) 正方形排列
正方形排列一般多用于需对换热管外进行清洗的浮头换热器和U 形管换热器中。
c) 正三角形排列和转角正方形排列(见图a、d),在传热上称为错列,介质流动时可形成湍流,对传热有利。而转角三角形和正方形排列(见图b、c)在传热上称为直列,介质流动时有一部分是层流,对传热有不利影响。
因此,对于无相变的换热器,因其传热与介质流动状态关系较大。故宜采用正三角形或转角正方形排列。对于有相变的冷凝器,因为传热与介质的流动关系较小,仅与管壁凝液流动方向的关系较大,一般可采用转角三角形和正方形排列。
壳程结构
常见的典型的壳程元件组成见表3
表3 常见的典型的壳程元件组成

折流板
折流板的作用
a)增加壳程管间的介质流速,提高传热效果。
b)对换热管起支承作用。
c)调整折流板间距,对避免管束诱发振动有一定的作用。
折流板的形状
常用的折流板和支持板的形状有弓形和圆盘-圆环形两种。此外根据需要还有其它形式的折流板和支持板,如矩形孔圆板和矩形挡板等,见图所示:





a) 单弓形折流板(图 a):是最常采用的一种形式,其形式简单,但压降较大。
1) 上下排列(水平切口)即指物料进口与弓形缺口是成垂直设置的,以造成介质的剧烈扰动来增大传热系数。
2) 左右排列(竖直缺口)是指物料进口与弓形缺口是成平行设置的。多用于卧式冷凝器或蒸发器,便于冷凝液和气体的流动。
3) 转角排列,一般用于换热管正方形排列,可使流体形成湍流,以提高传热效率。
b) 双弓形(图b)和三弓形折流板(图c):适用于壳程流量较大的物流,或壳程流体为密度低的低压时,此时压降会有大的下降,而传热系数的下降要小得多;同时这种形式还有利于防止介质流动过程中诱发的振动。
c)圆盘—圆环形折流板(图d):由圆盘和圆环交错排列,介质流动特征是与轴心对称。
d)矩形折流板(图e):矩形折流板可横放,也可竖放,而横放一般用于壳程介质为气相时,竖放用于壳程介质为液相或有冷凝液的场合。这两种形式通常在大直径和大流量情况下采用。
拉杆和定距管
折流板、支持板的固定一般采用拉杆或拉杆和定距管与管板固定。常用的固定结构有两种,即拉杆定距管结构和点焊结构,见图所示:


a) 拉杆定距管结构,用于换热管外径大于或等于 19mm 的管束。
b) 拉杆与折流板点焊结构,用于换热管外径小于或等于 14mm 的管束。
拉杆的尺寸
拉杆的连接尺寸按图所示和表4确定。

表4 拉杆尺寸

拉杆的布置
双壳程结构
在壳程内安装一平行于换热管轴线的矩形平板,即纵向隔板,将壳程一分为二,即双壳程,见图所示。这种结构可以提高壳程物料流速,改善传热效果,即提高传热系数,从经济角度,一台双壳程换热器比两台单管程换热器便宜。

今天主要介绍了管壳式换热器中固定管板式换热器的,因为换热的零部件结构很多都是通用的,今天做的这些零部件结构有的不太详细,希望网友一起来完善更多的零部件结构。
| |


