45钢是中碳结构钢,冷热加工性能都不错,机械性能较好,且价格低、来源广,所以应用广泛。它的最大弱点是淬透性低,截面尺寸大和要求比较高的工件不宜采用。
45钢淬火温度在A3+(30~50)℃,在实际操作中,一般是取上限的。偏高的淬火温度可以使工件加热速度加快,表面氧化减少,且能提高工效。为使工件的奥氏体均匀化,就需要足够的保温时间。如果实际装炉量大,就需适当延长保温时间。不然,可能会出现因加热不均匀造成硬度不足的现象。但保温时间过长,也会也出现晶粒粗大,氧化脱碳严重的弊病,影响淬火质量。我们认为,如装炉量大于工艺文件的规定,加热保温时间需延长1/5。
因为45钢淬透性低,故应采用冷却速度大的10%盐水溶液。工件入水后,应该淬透,但不是冷透,如果工件在盐水中冷透,就有可能使工件开裂,这是因为当工件冷却到180℃左右时,奥氏体迅速转变为马氏体造成过大的组织应力所致。因此,当淬火工件快冷到该温度区域,就应采取缓冷的方法。由于出水温度难以掌握,须凭经验操作,当水中的工件抖动停止,即可出水空冷(如能油冷更好)。另外,工件入水宜动不宜静,应按照工件的几何形状,作规则运动。静止的冷却介质加上静止的工件,导致硬度不均匀,应力不均匀而使工件变形大,甚至开裂。
45钢调质件淬火后的硬度应该达到HRC56~59,截面大的可能性低些,但不能低于HRC48,不然,就说明工件未得到完全淬火,组织中可能出现索氏体甚至铁素体组织,这种组织通过回火,仍然保留在基体中,达不到调质的目的。
45钢淬火后的高温回火,加热温度通常为560~600℃,硬度要求为HRC22~34。因为调质的目的是得到综合机械性能,所以硬度范围比较宽。但图纸有硬度要求的,就要按图纸要求调整回火温度,以保证硬度。如有些轴类零件要求强度高,硬度要求就高;而有些齿轮、带键槽的轴类零件,因调质后还要进行铣、插加工,硬度要求就低些。关于回火保温时间,视硬度要求和工件大小而定,我们认为,回火后的硬度取决于回火温度,与回火时间关系不大,但必须回透,一般工件回火保温时间总在一小时以上。
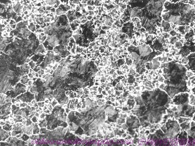
| 图号:45-01 浸蚀剂:4%硝酸酒精 材料及状态:45钢 处理:锻造后正火处理 组织及说明:基体组织为片状珠光体+网状、块状铁素体,晶粒度为5~7级,个别是4级。 |
图号:45-02 浸蚀剂:4%硝酸酒精 材料及状态:45钢 处理:锻造后正火处理 组织及说明: 图45-01放大。 |
|
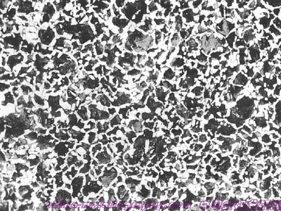
| 图号:45-03 浸蚀剂:4%硝酸酒精 材料及状态:45钢 处理:锻造后正火处理 组织及说明:基体为片状珠光体,白色为铁素体,构成网络状分布,晶粒大小极不均匀,大晶粒约为2~3级,细晶粒为8级。细晶粒聚集分布。 45钢出现上述组织是由于高温保温时间较短、冷却较快所形成的,出现粗大晶粒将会明显降低材料的力学性能;可采用重新加热、延长保温时间后冷却,组织可得到改善,性能也会随之提高。 |
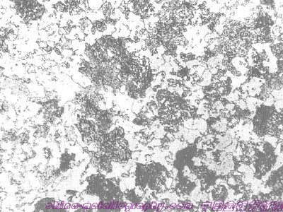
图号:45-04 浸蚀剂:4%硝酸酒精 材料及状态:45钢 处理:退火处理 组织及说明:基体组织为珠光体及铁素体。铁素体沿奥氏体晶界呈网络状分布。片状珠光体的体积分数约占基体总体积分数的55%,由此可以推算出钢中W(C)为45%。同时,从网络状分布的铁素体可以看出,此钢退火温度不高;故其晶粒细小。这种钢在退火状态下强度是偏低的,为了充分发挥材料的潜力,通常于采用调质或正火处理。 |
|
| 图号:45-05 浸蚀剂:4%硝酸酒精 材料及状态:45钢 处理:860~880℃加热保温3h后水冷,600℃+20℃保温4.5h后空冷 组织及说明:片状珠光体及呈白色网状、针状和块状分布的铁素体。晶粒大小不太均匀,有轻微的魏氏组织。 |
图号:45-06 浸蚀剂:4%硝酸酒精 材料及状态:45钢 处理:720℃退火处理 组织及说明:基体为球粒化珠光体及铁素体。 45钢经过720℃长时间退火处理,导致片状珠光体中渗碳体发生球粒化,从而使钢的强度和硬度明显下降,韧性和塑性则显著增加,因此经过上述处理的钢材,适宜于作冷挤压和冷冲压零件的原材料,因为具有这种球化组织的钢材,在冷变形时不易开裂,同时可延长冲模的使用寿命。 |
|
| 图号:45-07 浸蚀剂:4%硝酸酒精 材料及状态:45钢 处理:810℃退火处理 组织及说明:白色基体为铁素体,其上有呈团块状分布的片状珠光体,并有少量渗碳体呈球状分布。 随着退火温度的升高,一部分球状渗碳体溶入奥氏体;在随后的冷却过程中,至共析反应时,即自奥氏体中析出片状珠光体,极少量未溶解的球粒状渗碳体仍被保留下来。此组织属不完全退火显微组织;由于组织中出现片状珠光体,故不宜作冷挤压的零件。 |
图号:45-08 浸蚀剂:4%硝酸酒精 材料及状态:45钢 处理:860℃加热保温后淬火 组织及说明:针状淬火马氏体,其针叶大小中等。 |
|
| 图号:45-09 浸蚀剂:4%硝酸酒精 材料及状态:45钢 处理:860℃加热保温后淬火,600℃回火1h。 组织及说明:基体组织为保持马氏体位向分布的回火索氏体,硬度为28HRC。 本图片为45钢调质处理后的典型组织。45钢淬火后得到过饱和的a固溶体即淬火马氏体。它的强度及硬度很高(硬度可达58~60HRC左右),而其韧性及塑性则明显下降。为了消除淬火时的内应力和组织应力,淬火的工件应及时进行回火处理,当回火温度达600℃时,马氏体则发生分解,析出极细的渗碳体颗粒,从而使基体分解为索氏体组织,此时工件的强度和硬度有所下降,而塑性及韧性则显著提高。因此,可获得良好的综合力学性能,以适应制造要求强度较高,塑性及韧性也好的机械零件。 |
图号:45-10 浸蚀剂:4%硝酸酒精 材料及状态:45钢 处理:热锻形变后直接淬油 组织及说明:基体组织为较粗的中碳马氏体、极少量残留奥氏体,以及沿晶界分布的黑色团状的托氏体,托氏体的体积分数约为5%。 在形变热处理的显微组织中,可允许存在托氏体的体积分数为5%左右。钢在再结晶温度以上进行压力加工,由压力加工导致塑性变形而引起的加工硬化,可以立即通过再结晶来消除,因此再热加工过程中,金属内部将同时发生加工硬化和再结晶软化,这两个相反的作用,在一般情况下刚好抵消,但有时则不能榨抵,这要视变形的程度和加热温度而定,若变形度大、加热温度低,则由加工变形引起的硬化因素将占优势,反之,则再结晶和晶粒长大占优势,此时由于晶粒长大将使钢的性能变坏。 |
|
| 图号:45-11 浸蚀剂:4%硝酸酒精 材料及状态:45钢 处理:高频感应加热淬火 组织及说明:基体组织为成排分布的粗大中碳淬火马氏体。 由于高频感应加热温度过高。致使奥氏体晶粒 迅速长大,淬火后获得成排分布的粗针状马氏体;这种组织将使钢的脆性增大,内应力也较大,在使用时易发生开裂。 |
| |













