20钢经正火处理后,可以获得均匀而又细小的经织。这种钢可用于制造承受应力不大、塑性要求较高的机械零件,例如起重钩、轴套、拉杆、螺钉及杠杆等。如果进行渗碳淬火处理,则可以制造要求表面硬度高,而心部强度一般的零件,例如活塞销、轴套、链条的滚子等。另外,这类钢的焊接性能良好,尚可用作需要焊接的零件。
20钢还可以用于制造压力低于6MPa、温度低于450℃的非腐蚀性介质中工作的管子、法兰以及各种紧固件。
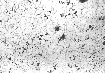
| 图号:20-01 浸蚀剂:4%硝酸酒精 材料及状态:20钢 处理:900℃加热后正火处理 组织及说明:白色基体为铁素体等轴晶,黑色块状为片状珠光体。此为正火后的正常组织。 |
图号:20-02 浸蚀剂:4%硝酸酒精 材料及状态:20钢 处理:880℃×12h后随炉冷至500℃后空冷 组织及说明: 20钢退火后的组织,组织为铁素体及黑色块状分布的片状珠光体,铁素体晶粒细小,属7级。珠光体的体积分数约占50%。 放大500倍后的组织,基体为细晶粒的铁素体,黑色块状为片状珠光体,此外,在珠光体边缘铁素体晶界上有少量三次渗碳体。 20钢经退火后,材料的硬度有所降低,其塑性及韧性较正火处理者低些。此材料适用冷冲压或作渗碳零件。 |
|
| 图号:20-03 浸蚀剂:4%硝酸酒精 材料及状态:20钢 处理:950℃加热保温后水淬 组织及说明:低碳马氏体,又称板条状马氏体,硬度为46~47HRC。 低碳钢淬火后可得到板条状马氏体组织,它的特征是:尺寸大致相同的条状马氏体定向平行排列,组成马氏体束或马氏体区域,在区域与区域之间位向差较大,一颗原始的奥氏体晶粒内可以形成几个不同取向的区域。 20钢通过加热后淬火、回火等处理,可以改善其力学性能和可加工性,以充分利用它的潜在性能,来制造强度和韧性要求较高的零部件。 |
图号:20-04 浸蚀剂:4%硝酸酒精 材料及状态:20钢 处理:大于1000℃加热保温后水淬 组织及说明:粗大低碳马氏体,或称板条状马氏体。 由于淬火温度较前图试样为高,故淬火后得到粗大的板条状马氏体。 马氏体通常是硬而脆的组织,其实只有中碳或高碳钢在淬火后可得到既硬又脆的高碳马氏体组织,而低碳钢淬火后得到的低碳马氏体其强韧性却很好。目前很多工厂已广泛采用低碳钢或低碳低合金钢通过高温淬火和低温回火处理,以获得强韧性好的低碳马氏体组织,从而提高零件的力学性能和使用寿命,以满足生产要求和节省原材料。 |
|
| |







