08钢具有很高的塑性和韧性,强度、硬度很低,冷变形性和焊接性很好,因此有良好的冲压、拉深和弯曲性能,可用来制造易加工成形而对强度要求不高的零件,如汽车车身、驾驶室外面板、电器开关箱门以及热处理炉控温柜等。强度不高的冷成形件如螺钉、螺母、汽车油箱套筒、靠模;受力不大的焊接件,如容器、搪瓷器皿:退火后用来制造电磁铁、电磁吸盘等。冷冲后一般可不再进行热处理,因为冷加工变形后能提高零件的强度和硬度。
光学放大倍数:500× | 图号:08-01 浸蚀剂:4%硝酸酒精 材料及状态:08钢 处理:冷轧后退火处理 组织及说明:轻微变形的铁素体晶粒上,有许多顺着加工变形方向分布的细小颗粒状三次渗碳体,相当于2 级,尚属正常情况。 由于三次渗碳体硬度很高,冲压时几乎不变形,它将成为钢板变形的障碍,特别是当它沿晶界析出或呈链状分布时,将破坏金属基体的连续性,降低钢板的冲压性能,有时将会导致开裂。因此,冷轧深冲钢板标准中规定,要对渗碳体的数量和分布进行评定,并限制其合格级别。 |
图号:08-02 浸蚀剂:4%硝酸酒精 材料及状态:08钢 处理:冷轧 组织及说明:冷变形拉长的铁素体晶粒,晶界处聚集 分布着条块状三次渗碳体。这种聚集分布形态的三次渗碳体,易使零件在冲压时沿着它的分布方向开裂。 由于三次渗碳体的数量及分布形态对冲压性能具有明显的影响,因此冷轧深冲钢板的标准规定:ZF、HF、F三级钢板的三次渗碳体不得超过2级。z级钢板的三次渗碳体不得超过3级。评定三次渗碳体规定在500倍放大下进行。 | 光学放大倍数:500× |
光学放大倍数:500× | 图号:08-03 浸蚀剂:4%硝酸酒精 材料及状态:08钢 处理:冷轧后堆冷 组织及说明:Φ30mm钢管,热轧温度稍高,故等轴铁素体晶粒较粗,但由于堆冷的冷却稍缓,因此珠光体量相对量少,三次渗碳体于部分铁素体的晶界上析出。 低碳钢中存在三次渗碳体,抛光浸蚀后在显微镜下观察时,由于它的硬度较铁素体为高,所以它稍有凸出而呈微红色,用质量分数为lO%的苛性钠溶液煮lOmin后将呈微棕色,若用碱性苦昧酸钠溶液煮10min后,三次渗碳体即被染成深棕色。 |
图号:08-04 浸蚀剂:未浸蚀 材料及状态:08钢 处理:冷冲压成形 组织及说明:三次渗碳体引起的脆性。零件在冷冲压时发生严重开裂,如图中箭头所指部位。 裂纹沿零件圆周分布,裂开的口子很大,裂口凹凸弯曲不平整,似为撕裂的断口,从断口观察,属明显的脆性断裂。 08F钢的成分偏析倾向较大,时效敏感性较强,经时效处理后韧性下降,冷变形大时会因时效脆性而发生开裂,水韧处理可消除时效脆性,08制时效敏感性比08F钢稍弱,退火后导磁性能好,故常用来制造电磁铁、电磁吸盘等磁性零件。 |  光学放大倍数:1×
|
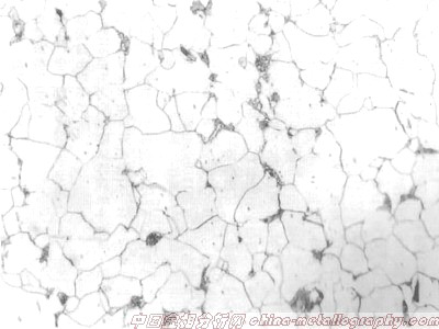
 光学放大倍数:500× | 图号:08-05 浸蚀剂:4%硝酸酒精 材料及状态:08钢 处理:冷冲压成形 组织及说明:三次渗碳体引起的脆断。在图08-04开裂零件上取样观察金相组织,发现基体为铁素体, 箭头l所指处为铁素体晶粒边界;晶粒边界处尚有粗大呈连续网状分布的三次渗碳体,见箭头2所指。三次渗碳体相当于6级。 08钢原材料由于退火工艺不当,导致缓冷时在铁素体晶界处析出网状分布的三次渗碳体,导致钢材变脆,塑性和韧性大幅度降低。这种材料 如进行冷冲压成形,极易发生脆性开裂。 上述网状分布的三次渗碳体,可采用高温加热后迅速冷却(正火)的方法来消除或者改善。
|
(本平台"常州精密钢管博客网"的部分图文来自网络转载,转载目的在于传递更多技术信息。我们尊重原创,版权归原作者所有,若未能找到作者和出处望请谅解,敬请联系主编微信号:steel_tube,进行删除或付稿费,多谢!)