
图1 螺栓宏观形貌

图2 断口宏观形貌
宏观分析螺栓断裂模式为脆性断裂。

图3 裂纹源低倍形貌(15×)

图4 裂纹源高倍形貌(50×)

图5 裂纹源放大形貌(270×)

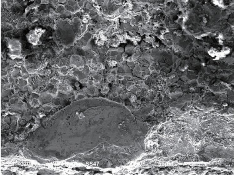
图6 裂纹源沿晶特征(750×)

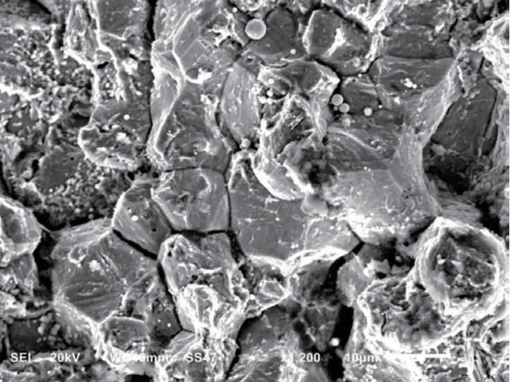
图7 裂纹源沿晶特征(1200×)

图8 扩展后期韧窝+沿晶特征(1100×)
表1 螺栓断口化学成分(质量分数) (%)


图9 心部抛光态(100×)

图10 心部显微组织(500×)

图11 断口抛光态(100×)

图12 断口显微组织(500×)

图13 牙底抛光态(100×)


作者:王嘉畅、冯文冲,上海宝冶工程技术有限公司
张海兵,浙江运达风电股份有限公司
来源:《金属加工(热加工)》杂志
(本平台"常州精密钢管博客网"的部分图文来自网络转载,转载目的在于传递更多技术信息。我们尊重原创,版权归原作者所有,若未能找到作者和出处望请谅解,敬请联系主编微信号:steel_tube,进行删除或付稿费,多谢!)

