随着钢的成分不同以及处理工艺不同,钢中将出现:渗碳体、珠光体、魏式组织、铁素体、贝氏体(其中又分为上贝氏体、下贝氏体、和粒状贝氏体)、奥氏体、马氏体、回火马氏体、回火托氏体、回火李氏体。现简单介绍一下这些组织的基本形态,以便在实践中加以区别。
渗碳体是铁和碳的化合物,Fe3C,其含碳量为6.69%,在合金中形成(Fe,M)3C,渗碳体硬而脆,硬度为800HB。在钢中常呈网络状、半网状、片状、针片状和粒状分布。

网状渗碳体200×

针状渗碳体(魏氏组织)200×

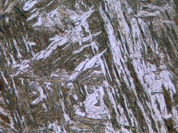
粒状渗碳体500×

T12 退火态500×

珠光体
珠光体是铁素体和渗碳体的机械混合物,它是钢的共析转变产物,其形态是铁素体和渗碳体彼此相间形如指纹,呈层状排列。按碳化物分布形态又可分为片状珠光体和球状珠光体二种。片状珠光体又可分为粗片状、中片状和细片状三种。

片状珠光体200 ×

T8 退火态500×



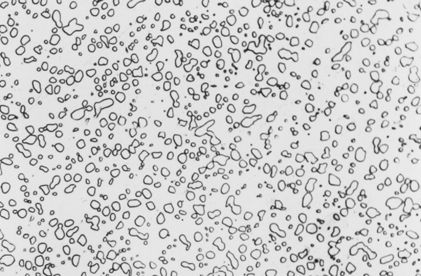
球状珠光体,经球化退火获得,渗碳体成球粒状分布在铁素体基体上;渗碳体球粒大小,取决于球化退火工艺,特别是冷却速度。球状珠光体可分为粗球状、球状和细球状和点状四种珠光体。

球状珠光体500x

球状珠光体1000x

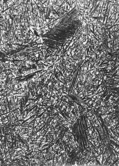
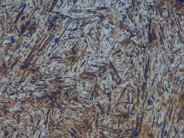
亚共析钢加热时因过热而形成粗晶,冷却时又快,故铁素体除沿奥氏体晶界成网状析出外,还有一部分铁素体从晶界向晶内按切变机制形成并排成针状独自析出,这种分布形态的组织称为魏氏组织。
过热过共析钢冷却时渗碳体也会形成针状自晶界向晶内延伸而形成魏氏组织。

粗晶魏氏组织200×

粗晶魏氏组织铁素体200×

是钢的奥氏体在珠光体转变区以下,Ms点以上的中温区转变的产物。它也是铁素体与渗碳体两相组织的机械混合物,但形态多变,不象珠光体那样呈层状排列。
从形状特征来看,可将贝氏体分为羽毛状、针状和粒状三类。
上贝氏体
上贝氏体特征是:条状铁素体大体平行排列,其间分布有与铁素体针轴平行的细条状(或细短杆状)渗碳体,呈羽毛状。

羽毛状贝氏体500×

羽毛状贝氏体500×
下贝氏体
下贝氏体呈细针片状,有一定取向,较淬火马氏体易受侵蚀,极似回火马氏体,在光镜下极难区别,在电镜下极易区分;在针状铁素体内沉淀有碳化物,且其排列取向与铁素体片的长轴成55~60度,下贝氏体内不含孪晶,有较多的位错。

下贝氏体、马氏体、残奥及少量羽毛状马氏体200×

下贝氏体、马氏体、残余奥氏体200×
粒状贝氏体
外形相当于多边形的铁素体,内有许多不规则小岛状的组织。
当钢的奥氏体冷至稍高于上贝氏体形成温度时,析出铁素体有一部分碳原子从铁素体并通过铁素体/奥氏体相界迁移到奥氏体内,使奥氏体不均匀富碳,从而使奥氏体向铁素体的转变被抑制。这些奥氏体区域一般型如孤岛,呈粒状或长条状,分布在铁素体基体上,在连续冷却过程中,根据奥氏体的成分及冷却条件,粒贝内的奥氏体可以发生如下几种变化。


粒状贝氏体200×

空冷贝氏体钢500×

空冷贝氏体钢200×

粒状贝氏体10000×
粒状贝氏体,铁素体基体上布有颗粒状碳化物(小岛组织原为富碳奥氏体,冷却时分解为铁素体及碳化物,或转变为马氏体或仍为富碳奥氏体颗粒)。

羽毛状贝氏体8000x
羽毛状贝氏体,基体为铁素体,条状碳化物于铁素体片边缘析出。
下贝氏体
下贝氏体,针状铁素体上布有小片状碳化物,片状碳化物于铁素体的长轴大致是55~60度角。

下贝氏体8000x

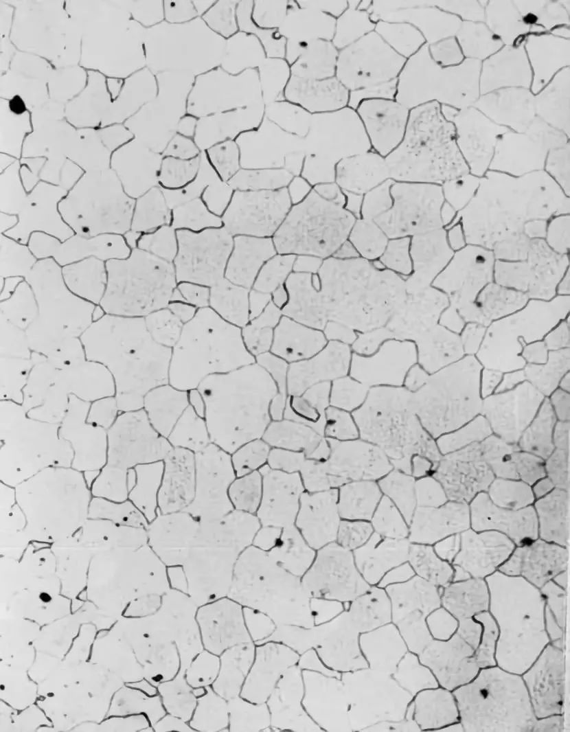
属bcc结构,呈等轴多边形晶粒分布。铁素体软而韧,硬度为30~100HB。在碳钢中它是碳在α-Fe中的固溶体;在合金钢中,则是碳和合金元素在α-Fe中的固溶体。碳在α-Fe中的溶解量很低,在AC1温度,碳的最大溶解量为0.0218%,但随温度下降的溶解度则降至0.0084%,因而在缓冷条件下铁素体晶界处会出现三次渗碳体。随钢中碳含量增加,铁素体量相对减少,珠光体量增加,此时铁素体则是网络状和月牙状。

铁素体200×

铁素体500× 轧制电工纯铁

铁素体500× 退火态

在碳钢(或合金钢)中,奥氏体是碳(和合金元素)固溶于γ-Fe的固溶体,具有面心立方结构,它是高温相。在碳素或合金结构钢中奥氏体在冷却过程中转变为其他相。只有在高碳钢和渗碳钢渗碳高温淬火后奥氏体才能残留在
马氏体的间隙中存在,不易受侵蚀呈白色。

奥氏体200×

T12钢淬火后残A 500×

20CrMnTi渗碳淬火M+残A+K 400x

马氏体是碳(合金元素)溶于α-Fe中的过饱和固溶体。是过冷奥氏体快速冷却,在Ms与Mf点之间的切变方式发生转变的产物。这时碳(和合金元素)来不及扩散只是由γ-Fe的晶格(面心)转变为α-Fe的晶格(体心),即碳在γ-Fe中的固溶体(奥氏体)转变为碳在α-Fe中的固溶体,故马氏体转变是“无扩散”的根据马氏体金相形态特征,可分为板条状马氏体(低碳)和针状马氏体。

20#钢低碳马氏体630x
板条状马氏体,又称低碳马氏体。
其基本特征是:尺寸大致相同的细马氏体条定向平行排列,组成马氏体束或马氏体领域;在领域与领域之间位向差大,一颗原始奥氏体晶粒内可以形成几个不同取向的领域。由于板条状马氏体形成的温度较高,在冷却过程中,必然发生自回火现象,在形成的马氏体内部析出碳化物,故它易受侵蚀发暗。

低碳马氏体晶粒呈一定角度相交10000x

低碳马氏体200×

低碳马氏体500×
针状马氏体,又称片状马氏体或高碳马氏体,它的基本特征是:在一个奥氏体晶粒内形成的第一片马氏体片较粗大,往往贯穿整个晶粒,将奥氏体晶粒加以分割,使以后形成的马氏体大小受到限制,因此片状马氏体的大小不一,分布无规则。针状马氏体按一定方位形成。在马氏体针叶中有一中脊面,碳量越高,越明显,且马氏体也越尖,同时在马氏体间伴有白色残留奥氏体。

粗针状马氏体+残A+颗粒状K 500x

过热粗马氏体+残留奥氏体,
粗针马氏体有中脊线和小裂纹1000x

T8钢片状M,600x

40Cr中碳M,片针状马氏体(栾晶)和基体板条M 12000x

回火屈氏体经中温回火产物,其特征是:马氏体针状形态将逐步消失,但仍隐约可见(含铬合金钢,其合金铁素体的再结晶温度较高,故仍保持着针状形态),析出的碳化物细小,在光镜下难以分辨清楚,只有电镜下才可见到碳化物颗粒,他极易受侵蚀而使组织变黑。如果回火温度偏上限或保留时间稍长,则使针叶呈白色;此时碳化物偏聚于针叶边缘,这时钢的硬度稍低,且强度下降。

回火针状屈氏体500x

淬火马氏体经高温回火后的产物。其特征是:索氏体基体上布有细小颗粒状碳化物,在光镜下能分辨清楚。这种组织又称调质组织,它具有良好的强度和韧性的配合。铁素体上的细颗粒状碳化物越是细小,则其硬度和强度稍高,韧性则稍差些;反之,硬度及强度较低,而韧性则高些。

保持马氏体位向布的索氏体500x


