案例分享:电动机轴疲劳断裂分析
电动机轴的主要作用是支承电动机转子旋转,传递转矩,其性能直接影响到电动机的使用寿命。空调系统中因电动机轴断裂导致电动机传动失效,造成出风系统异常,严重影响客户使用效果,破坏品牌形象。因此,必须对电动机轴断裂性质和原因进行分析,提前采取改善措施。该款电动机轴是使用45热轧钢,原材料是正火状态,其强度、刚度、韧性能满足一般电动机轴的使用需求。实验室在对电动机进行1.2倍额定负载试验时,发现其中一台电动机轴在退刀槽位置断裂。为了寻找断裂原因,本文通过对轴承力学强度校核以及化学成分、材料硬度、金相组织检测等,并结合对失效电动机轴断口的宏观和微观分析,最终确定断裂失效的主要原因。标准电动机的使用是根据轴承使用寿命进行选型,在设计阶段已进行强度校核。当出现过载的情况时,电动机轴端受到的力远超过该电动机允许的最大负载力,则会发生断裂。根据试验情况,此次断裂轴承的实际负载为额定负载的1.2倍,而0.75kW的电动机设计允许负载为额定负载的2.3倍。同时核实各退刀槽倒角、槽宽及槽深均符合JB/ZQ4238—2006的要求。故本文认为电动机轴断裂非设计选型不足导致的过载断裂。故障件材料化学成分分析如表1所示,符合45钢化学成分标准要求。
表1 故障件材料化学成分(质量分数) (%)

45钢正火状态的硬度一般≤229HBW。取失效件和正常件退刀槽位置同一圆周测试6个硬度值。由测试数据表2可知,断裂电动机轴最小硬度值179.1HV,最大硬度值199.6HV,相对未断裂电动机轴,其硬度不均匀。
表2 失效件及正常使用电动机轴硬度测试值 (HV)

电动机轴断裂在退刀槽位置,如图1、图2所示。退刀槽位置未发现有机加工裂纹。使用30倍放大镜观察断面,可见颜色明暗层次不同的区域,断口边沿位置有较多放射棱线,整个区域比较光亮、平滑,属于多个疲劳源区;中间偏右发白比较粗糙位置为瞬断区;源区和瞬断区之间为裂纹扩展区,且能看到疲劳台阶;属于典型的多源疲劳断口。

图1 电动机轴断裂位置

图2 坏件宏观断口图
裂纹源位于断面边沿,在扫描电镜下可以看到清晰的摩擦痕迹以及河流样的类解理、沿晶混合形貌,如图3、图4所示。

图3 失效件断面边沿类解理、沿晶混合形貌

图4 失效件断面边沿摩擦痕
裂纹扩展区域是河流样的类解理形貌,高倍下能看到疲劳条带和二次裂纹,如图5、图6所示。

图5 扩展区类解理形貌

图6 扩展区二次裂纹
瞬断区是韧窝和准解理混合形貌。高倍下能看到明显的韧窝。失效件属于多源疲劳断裂,如图7、图8所示。

图7 瞬断区韧窝和准解理混合形貌

图8 瞬断区韧窝形貌
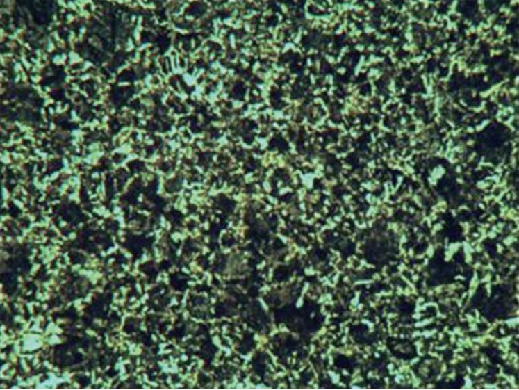
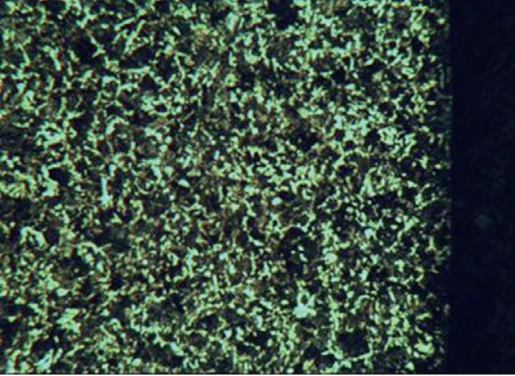
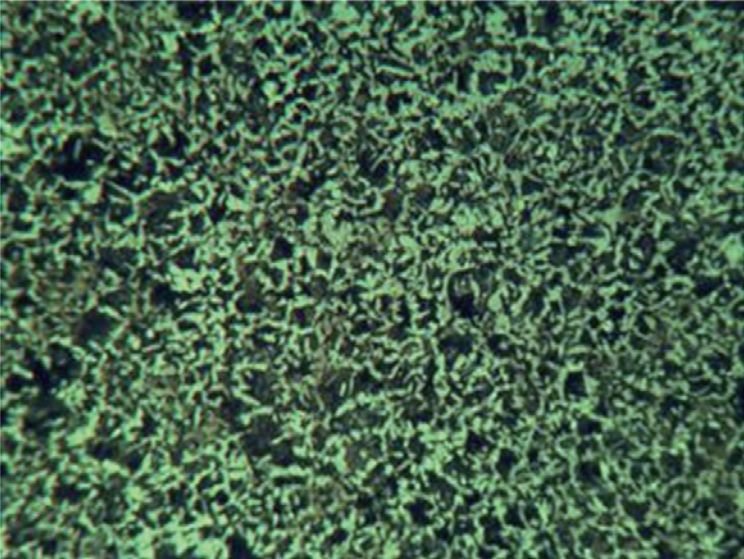
选取失效件的横向及纵向截面作为检验面,镶样经粗磨、细磨、抛光后,使用4%硝酸酒精腐蚀后观察其金相组织。横向组织为状态不均匀的珠光体和网状铁素体组成,珠光体较多,属于中碳钢正火态的室温组织,如图9、图10所示。

图9 断面中间位置横向组织(100×)

图10 断面边沿位置横向组织(100×)
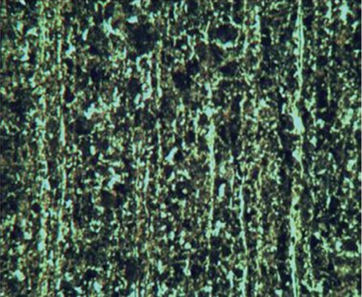
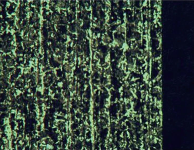
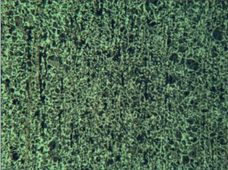
失效件纵向组织如图11、图12所示。铁素体和珠光体呈平行交替的带状组织。原材料钢经过锻压热轧后铁素体和珠光体一般会沿着变形方向分布。根据国标GB/T13299—1991《钢的显微组织游离渗碳体、带状组织及魏氏组织评定方法》,失效件的带状组织属于C系列5级(见图13),即变形铁素体晶粒为主构成贯穿视场的铁素体-珠光体不均匀的交替带。

图11 断面中间位置纵向组织(100×)

图12 断面电动机轴边沿位置纵向组织(100×)

图13 C系利带状组织评级图(5级)
未断电动机轴横向组织为状态均匀的珠光体和网状铁素体组成,视场中铁素体较多,无马氏体、回火索氏体等组织,属中碳钢正火态组织,如图14、图15所示。其纵向组织铁素体聚集,沿变形方向取向,带状组织并不明显,如图16、图17所示;按照国标GB/T13299—1991处于C系列1级(见图18)。

图14 电动机轴中心位置横向组织(100×)

图15 电动机轴外边沿横向组织(100×)

图16 电动机轴中心位置纵向组织(100×)

图17 电动机轴外边沿位置纵向组织(100×)

图18 C系利带状组织评级图(1级)
失效件与正常使用电动机轴的室温组织对比如表3所示。原材料热锻时温度在铁素体和奥氏体两相区,铁素体沿金属流动方向直接从奥氏体中成带状析出,而未分解的奥氏体也被分割成带状,转化为带状珠光体。故障件的带状珠光体比较多。此类偏析可以通过正火处理完全消除。失效件室温组织评级更高,带状组织更明显,属正火处理不完全导致组织异常。
表3 失效件与正常使用电动机轴的室温组织对比

带状组织的出现会导致材料力学性能呈现方向性,顺着带状方向的强度、塑性、韧性较高,垂直带状方向的强度、塑性、韧性下降,同时使工件硬度不均匀。综上所述,电动机轴断裂失效的形式是多源疲劳断裂。排除设计强度不足、材料成分影响及机加工裂纹。失效件由于正火处理没完全消除带状组织,组织达到国标GB/T13299—1991《钢的显微组织游离渗碳体、带状组织及魏氏组织评定方法》C系列5级,导致硬度不均匀,力学性能下降,长时间荷载运转下出现疲劳断裂。
作者:盘玮
单位:格力电器股份有限公司
来源:《金属加工(热加工)》杂志
(本平台"常州精密钢管博客网"的部分图文来自网络转载,转载目的在于传递更多技术信息。我们尊重原创,版权归原作者所有,若未能找到作者和出处望请谅解,敬请联系主编微信号:steel_tube,进行删除或付稿费,多谢!)