金属材料组织和性能的控制
内容提要:
本章介绍金属材料组织和性能的影响因素及其控制方法,包括纯金属的结晶、合金的结晶、金属的塑性加工、钢的热处理、钢的合金化、表面技术等内容。
纯金属的结晶部分主要介绍纯金属结晶的条件和结晶过程,同素异构转变,细化铸态金属晶粒的措施。
合金的结晶部分主要介绍发生匀晶反应的合金的结晶过程和发生共晶反应的合金的结晶过程。
铁碳合金的结晶部分主要介绍铁碳相图、典型铁碳合金的平衡结晶过程。并介绍铁碳合金的成分-组织-性能关系。
金属的塑性加工部分主要介绍金属塑性变形的微观机理、塑性变形对金属组织和性能的影响,以及再结晶对金属组织和性能的影响。
钢的热处理部分主要介绍热处理的原理和热处理工艺(退火、正火、淬火、回火、表面热处理和化学热处理),以及钢的热处理新技术。
钢的合金化部分主要介绍合金元素在钢中的作用,合金元素对钢的热处理、
钢的机械性能、工艺性能的影响。
表面技术部分介绍电刷镀、热喷涂、气相沉积、激光表面改性等新技术。
学习目标:
本章是工程材料课程的重点章。着重掌握以下内容:铁碳相图、典型铁碳合金的平衡结晶过程,杠杆定律,铁碳合金的成分-组织-性能关系。过冷奥氏体的等温转变(C曲线)、过冷奥氏体的连续冷却转变,钢的淬透性、淬硬性。退火、正火、淬火、回火、表面热处理和化学热处理等热处理工艺。合金元素在钢中的作用,合金元素对钢的热处理、钢的机械性能的影响。
熟悉纯金属、合金的结晶、金属的塑性加工、再结晶对金属组织和性能的影响规律。
表面技术部分作一般了解。
学习建议:
1.
本章阐述了金属材料组织与性能的影响因素和规律,是工程材料学的基本理论基础。本章是课程的重点,需要扎扎实实地学习好,掌握金属材料组织与性能的主要影响因素和规律,为后面学习金属材料知识打好基础。
2.
本章内容多,按排学习学时应多一些。本章中有一些难点和重点,要着重理解。学习时可以安排几次讨论。
3.
若有条件,参观机械厂、热处理厂,以便对金属材料的生产和加工过程有所了解。理论联系实际,学习效果会更好。
4.
浏览相关网站,收集材料生产和加工新技术有关资料,拓宽知识面。
5. 建议本章学时:8-10 学时
2.1 金属的结晶
金属材料冶炼后,浇铸到锭模或铸模中,通过冷却,液态金属转变为固态金属,获得一定形状的铸锭或铸件。固态金属处于晶体状态,因此金属从液态转变为固态(晶态)的过程称为结晶过程。广义上讲,金属从一种原子排列状态转变为另一种原子规则排列状态(晶态)的过程均属于结晶过程。通常把金属从液态转变为固体晶态的过程称为一次结晶,而把金属从一种固体晶态转变为另一种固体晶态的过程称为二次结晶或重结晶。
2.1.1 纯金属的结晶
什么是金属的结晶
工程上使用的金属材料通常要经过液态和固态的加工过程。例如制作机器零件的钢材,要经过冶炼、注锭、轧制、锻造、机加工和热处理等工艺过程。生产上将金属的凝固叫做结晶。


冶炼、注锭 液态金属结构 固态金属结构
液态金属中,金属原子作不规则运动。但在小范围内,原子会出现规则排列。这些小范围内的规则排列称短程有序。这种短程有序的原子集团是不稳定的,瞬时出现瞬时消失。
通常的固态金属属于晶体材料,金属原子是规则排列,也叫长程有序。
从本质上讲,金属从一种原子排列状态(晶态或非晶态)到另一种原子规则排列状态(晶态)的转变叫金属的结晶。金属从液态过渡到固体晶态的转变称为一次结晶。
一. 纯金属结晶的条件
通过实验,测得液体金属在结晶时的温度-时间曲线称为冷却曲线。绝大多数纯金属(如铜、铝、银等)的冷却曲线如下图所示。

纯铜的冷却曲线中T0为纯铜的熔点(又称理论结晶温度), Tn为开始结晶温度。曲线中abc段为液态金属逐渐冷却, bc段温度低于理论结晶温度,
这种现象称为过冷现象。理论结晶温度T0与开始结晶温度 Tn之差叫做过冷度, 用 ΔT 表示。
ΔT =T0- Tn
冷却速度越大, 则开始结晶温度越低,
过冷度也就越大。cde段表示金属正在结晶,此时金属液体和金属晶体共存。de段出现一个平台,表示结晶时温度保持不变,为恒温过程。这是由于由液态原子无序状态转变为有序状态时放出结晶潜热,抵消了向外界散发的热量,而保持结晶过程温度不变。在非常缓慢冷却的条件下,平台温度与理论结晶温度相差很小。ef段表示金属全部转变为固态晶体后,
固态金属逐渐冷却。
自然界的一切自发转变过程,总是由一种较高能量状态趋向于能量最低的稳定状态。在一定温度条件下,只有那些引起体系自由能(即能够对外作功的那部分能量)降低的过程才能自发进行。
液态金属和固态金属的自由能-温度关系曲线中,两条曲线交点所对应的温度T0即为理论结晶温度或熔点。液态金属要结晶,温度必须低于T0,也就是说要有一定的过冷度。此时金属在液态和固态之间存在一个自由能差(ΔF )。ΔF 就是液态金属结晶的动力。
二.纯金属的结晶过程
金属的结晶包括两个基本过程:形核与长大。
1.形核
液态金属内部生成一些极小的晶体作为结晶的核心。生成的核心叫做晶核。形核有两种方式。
(1)自发形核
在液态金属中,存在大量尺寸不同的短程有序的原子集团。当温度降到结晶温度以下时,短程有序的原子集团变得稳定,不再消失,成为结晶核心。这个过程叫自发形核。这种由液态金属内部为金属原子自发形成的晶核叫自发晶核。
(2)非自发形核
实际金属内部往往含有许多其它杂质。当液态金属降到一定温度后,有些杂质可附着金属原子,成为结晶核心,这个过程叫非自发形核。这种依附于杂质而形成的晶核叫做非自发晶核。


自发性核 非自发形核
2.晶体的长大
晶体的长大有两种方式:
(1)平面长大
当冷却速度较慢时,金属晶体以其表面向前平行推移的方式长大。晶体长大时,不同晶面的垂直方向上的长大速度不同。沿密排面的垂直方向上的长大速度最慢,而非密排面的垂直方向上的长大速度较快。平面长大的结果,晶体获得表面为密排面的规则形状。
(2)树枝状长大
当冷却速度较快时,晶体的棱角和棱边的散热条件比面上的优越,因而长大较快,成为伸入到液体中的晶枝。优先形成的晶枝称一次晶轴,在一次晶轴增长和变粗的同时,在其侧面生出新的晶枝,即二次晶轴。其后又生成三次晶轴、四次晶轴。结晶后得到具有树枝状的晶体。实际金属结晶时,晶体多以树枝状长大方式长大


平面长大 树枝状长大
|
|
平面长大的规则形状晶体 | 树枝状长大的树枝状晶体 |
2.1.2 同素异构转变
许多金属在固态下只有一种晶体结构,如铝、铜、银等金属在固态时无论温度高低,均为面心立方晶格。钨、钼、钒等金属则为体心立方晶格。但有些金属在固态下,存在两种或两种以上的晶格形式,如铁、钴、钛等。这类金属在冷却或加热过程中,其晶格形式会发生变化。金属在固态下随温度的改变,由一种晶格转变为另一种晶格的现象,称为同素异构转变。
纯铁的结晶过程
液态纯铁在1538℃进行结晶,得到具有体心立方晶格的δ-Fe。继续冷却到1394℃时发生同素异构转变, 成为面心立方晶格的 γ -Fe。再冷却到912℃时又发生一次同素异构转变, 成为体心立方晶格的α - Fe。
δ-Fe(体心立方晶格)----- γ -Fe(面心立方晶格)----- α - Fe(体心立方晶格)
以不同晶体结构存在的同一种金属的晶体称为该金属的同素异晶体。上式中的 δ-Fe、 γ -Fe 、 α - Fe 均是纯铁的同素异晶体。
金属的同素异构转变与液态金属的结晶过程相似,故称为二次结晶或重结晶。在发生同素异构转变时金属也有过冷现象,也会放出潜热,并具有固定的转变温度。新同素异晶体的形成也包括形核和长大两个过程。同素异构转变是在固态下进行,因此转变需要较大的过冷度。由于晶格的变化导致金属的体积发生变化,转变时会产生较大的内应力。例如 γ -Fe转变为α - Fe时,铁的体积会膨胀约1%。它可引起钢淬火时产生应力, 严重时会导致工件变形和开裂。
适当提高冷却速度,可以细化同素异构转变后的晶粒,从而提高金属的机械性能。
2.1.3 细化铸态金属晶粒的措施 ☆ 重点内容
金属结晶后,获得由大量晶粒组成的多晶体。一个晶粒是由一个晶核长成的晶体,实际金属的晶粒在显微镜下呈颗粒状。晶粒大小可用晶粒度来表示,晶粒度号越大晶粒越细。
晶粒度表
晶粒度 | 1 | 2 | 3 | 4 | 5 | 6 | 7 | 8 |
单位面积晶粒数(个/mm2) | 16 | 32 | 64 | 128 | 256 | 512 | 1024 | 2048 |
晶粒平均直径(mm) | 0.250 | 0.177 | 0.125 | 0.088 | 0.062 | 0.044 | 0.031 | 0.022 |
在一般情况下, 晶粒越小, 则金属的强度, 塑性和韧性越好。工程上使晶粒细化, 是提高金属机械性能的重要途径之一。这种方法称为细晶强化。细化铸态金属晶粒有以下措施。
1.增大金属的过冷度
一定体积的液态金属中,若成核速率N(单位时间单位体积形成的晶核数,个/m3·s)越大, 则结晶后的晶粒越多, 晶粒就越细小; 晶体长大速度G(单位时间晶体长大的长度, m/s)越快, 则晶粒越粗。
随着过冷度的增加, 形核速率和长大速度均会增大。但当过冷度超过一定值后,成核速率和长大速度都会下降。这是由于液体金属结晶时成核和长大,均需原子扩散才能进行。当温度太低时,原子扩散能力减弱,因而成核速率和长大速度都降低。对于液体金属,一般不会得到如此大的过冷度,通常处于曲线的左边上升部分。所以, 随着过冷度的增大,成核速率和长大速度都增大,但前者的增大更快,因而比值N/G也增大, 结果使晶粒细化。 |
|
成核速率、长大速度与过冷度的关系 |
增大过冷度的主要办法是提高液态金属的冷却速度, 采用冷却能力较强的模子。例如采用金属型铸模, 比采用砂型铸模获得的铸件晶粒要细小。
超高速急冷技术可获得超细化晶粒的金属、亚稳态结构的金属和非晶态结构的金属。非晶态金属具有特别高的强度和韧性、优异的软磁性能、高的电阻率、良好的抗蚀性等。
2. 变质处理
变质处理就是在液体金属中加入孕育剂或变质剂,以细化晶粒和改善组织。变质剂的作用在于增加晶核的数量或者阻碍晶核的长大。例如,在铝合金液体中加入钛、锆;钢水中加入钛、钒、铝等,都可使晶粒细化。
3. 振动
在金属结晶的过程中采用机械振动、超声波振动等方法,可以破碎正在生长中的树枝状晶体,形成更多的结晶核心,获得细小的晶粒。
4. 电磁搅拌
将正在结晶的金属置于一个交变电磁场中,由于电磁感应现象,液态金属会翻滚起来,冲断正在结晶的树枝状晶体的晶枝,增加结晶核心,从而可细化晶粒。
2.1.4 铸锭的结构
一. 铸锭结构
铸锭分为三个各具特征的晶区:

(1) 细晶区;(2)柱状晶区;(3)等轴晶区
铸锭结构
①细等轴晶区 液体金属注入锭模时,由于锭模温度不高,传热快,外层金属受到激冷,过冷度大,生成大量的晶核。同时模壁也能起非自发晶核的作用。结果,在金属的表层形成一层厚度不大、晶粒很细的细晶区。
②柱状晶区 细晶区形成的同时,锭模温度升高,液体金属的冷却速度降低,过冷度减小, 生核速率降低,但此时长大速度受到的影响较小。结晶时,优先长大方向(即一次晶轴方向)与散热最快方向(一般为往外垂直模壁的方向)的反方向一致的晶核向液体内部平行长大,结果形成柱状晶区。
③粗等轴晶区 随着柱状晶区的发展,液体金属的冷却速度很快降低,过冷度大大减小,温度差不断降低,趋于均匀化;散热逐渐失去方向性,所以在某个时候,剩余液体中被推来和漂浮来的、以及从柱状晶上被冲下的二次晶枝的碎块,可能成为晶核,向各个方向均匀长大,最后形成一个粗大的等轴晶区。
二. 铸锭晶粒形状的影响因素
柱状是由外往里顺序结晶的,晶质较致密。但柱状晶的接触面由于常有非金属夹杂或低熔点杂质而为弱面,在热轧、锻造时容易开裂,所以对于熔点高和杂质多的金属,例如铁、镍及其合金,不希望生成柱状晶;但对于熔点低,不含易熔杂质,塑性较好的金属,即使全部为柱状晶,也能顺利地进行热轧、热锻,所以铝、铜等有色金属及合金,反而希望铸锭得到柱状晶结构。
柱状晶的性能具有明显的方向性,沿柱状晶晶轴方向的强度较高。对于那些主要受单向载荷的机器零件,例如汽轮机叶片等,柱状晶结构是非常理想的。
金属加热温度高,冷却速度大,铸造温度高和浇注速度大等,有利于在铸锭或铸件的截面上保持较大的温度梯度,获得较发达的柱状晶。结晶时单向散热,有利于柱状晶的生成。
为了获得柱状晶结构,可采用定向结晶的方法。具有细长柱状晶的铝镍钴永磁合金即是用这种方法生产的。
等轴晶没有弱面,其晶枝彼此嵌入,结合较牢,性能均匀,无方向性,是一般情况下的金属特别是钢铁铸件所要求的结构。铸造温度低,冷却速度小等,有利于截面温度的均匀性,促进等轴晶的形成。
用机械振动、电磁搅拌等方法,可破坏柱状晶的形成,有利于等轴晶的形成。若冷却速度很快,可全部获得细小的等轴晶,砂型铸造往往得到较粗的等轴晶。
2.1.5 单晶的制取
单晶是电子元件和激光元件的重要原料。金属单晶也开始应用于某些特殊场合如喷气发动机叶片等。
根据结晶理论,制备单晶的基本要求是液体结晶时只存在一个晶核,要严格防止另外形核。
单晶制取
想一想 根据制备单晶的基本要求,请设计一种单晶制取方法。
单晶的制取
根据结晶理论,制备单晶的基本要求是液体结晶时只存在一个晶核,并且严格防止另外形核。
单晶可用下列两种方法制取。
1. 尖端形核法
将原料放入一个尖底的园柱形坩埚中加热熔化, 然后让坩埚缓慢地向冷却区下降,底部尖端的液体首先达到过冷状态,开始形核。恰当控制各种因素,就可能形成一个晶核。随着坩埚的继续缓慢下降,晶体不断长大而获得单晶。
2.垂直提拉法
先将坩埚中原料加热熔化,并使其温度保持在稍高于材料的熔点之上。将籽晶夹在籽晶杆上。然后让籽晶与熔体接触。将籽晶一面转动一面缓慢地拉出,即长成一个单晶。这种方法广泛地用于制取电子工业中应用的单晶硅。
2.2 合金的结晶
合金的结晶过程较为复杂, 通常运用合金相图来分析合金的结晶过程。
相图是表明合金系中各种合金相的平衡条件和相与相之间关系的一种简明示图,也称为平衡图或状态图。
平衡 是指在一定条件下合金系中参与相变过程的各相的成分和相对重量不再变化所达到一种状态。此时合金系的状态稳定,不随时间而改变。合金在极其缓慢冷却的条件下的结晶过程,一般可以认为是平衡的结晶过程。
在常压下,二元合金的相状态决定于温度和成分。因此二元合金相图可用温度—成分坐标系的平面图来表示。
铜镍二元合金相图是一种最简单的基本相图。图中的每一点表示一定成分的合金在一定温度时的稳定相状态。
例如,A点表示,含30%Ni的铜镍合金在1200℃时处于液相 L + 固相 α 的两相状态; B点表示, 含60%Ni的铜镍合金在1000℃时处于单一 α 固相状态。

2.2.1 二元合金的结晶
一.发生匀晶反应的合金的结晶
Cu-Ni相图为典型的匀晶相图。
相图中acb线为液相线, 该线以上合金处于液相; adb 为固相线, 该线以下合金处于固相。液相线和固相线表示合金系在平衡状态下冷却时结晶的始点和终点以及加热时熔化的终点和始点。
单相区
L为液相, 是Cu和Ni形成的液溶体;
α为固相, 是Cu和 Ni组成的无限固溶体。
双相区: L +α 相区。
Fe-Cr、Au-Ag合金也具有匀晶相图。
以b点成分的 合金( Ni含量为b%)为例分析结晶过程。
在1点温度以上, 合金为液相L。缓慢冷却至1-2温度之间时, 合金发生匀晶反应: L→α, 从液相中逐渐结晶出 α固溶体。2点温度以下, 合金全部结晶为 α固溶体, 其它成分合金的结晶过程也完全类似。
匀晶结晶特点
1. 与纯金属一样, α 固溶体从液相中结晶出来的过程中, 也包括有生核与长大两个过程, 但固溶体更趋于呈树枝状长大。
2. 固溶体结晶在一个温度区间内进行, 即为一个变温结晶过程。
3. 在两相区内, 温度一定时, 两相的成分(即Ni含量)是确定的。确定相成分的方法是:过指定温度T1作水平线, 分别交液相线和固相线于 a1点 c1点, 则 a1点 c1点成分轴上的投影点即相应为 L相和 α 相的成分。随着温度的下降, 液相成分沿液相线变化, 固相成分沿固相线变化。到温度T2 时, L相成分及 α 相成分分别为 a2和 c2点在成分轴上的投影。
4. 在两相区内, 温度一定时, 两相的重量比是一定的, 如在 T1温度时, 两相的重量比可用下式表达:
![]()
式中, QL为 L相的重量; Qα为 α相的重量;b1c1、a1b1 为线段长度, 可用其浓度坐标上的数字来度量。
上式可写成
这个式子与力学中的杠杆定律相似, 因而亦被称作杠杆定律。由杠杆定律不难算出合金中液相和固相在合金中所占的相对质量, 即质量百分数(简称相对质量)分别为:
![]()
运用杠杆定律时要注意, 它只适用于相图中的两相区, 并且只能在平衡状态下使用。杠杆的两个端点为给定温度时两相的成分点, 而支点为合金的成分点。
杠杆定律证明(2nd1)
5. 固溶体结晶时成分是变化的, 缓慢冷却时由于原子的扩散能充分进行, 形成的是成分均匀的固溶体。如果冷却较快, 原子扩散不能充分进行, 则形成成分不均匀的固溶体。先结晶的树枝晶轴含高熔点组元较多, 后结晶的树枝晶枝干含低熔点组元较多。结果造成在一个晶粒内化学成分的分布不均。这种现象称为枝晶偏析。枝晶偏析对材料的机械性能、抗腐蚀性能、工艺性能都不利。生产上为了消除其影响, 常把合金加热到高温(低于固相线100℃左右), 并进行长时间保温, 使原子充分扩散, 获得成分均匀的固溶体, 这种处理称为扩散退火。
Cu-Ni合金枝晶偏析示意图
二.发生共晶反应的合金的结晶
Pb-Sn合金相图中有三种相,
Pb与Sn形成的液溶体L相,
Sn溶于Pb中的有限固溶体 α相,
Pb溶于Sn中的有限固溶体β相。
相图中有三个单相区: L、 α 、β
三个双相区:L+ α 、 L+β、 α+β
一条L+ α+β的三相共存线(水平线cde )。这种相图称为共晶相图。
(Al-Si、Ag-Cu合金也具有共晶相图。)

Pb-Sn合金相图
d点为共晶点, 表示此点成分(共晶成分)的合金冷却到此点所对应的温度(共晶温度)时, 共同结晶出c点成分的α相和e点成分的 β相。
一种液相在恒温下同时结晶出两种固相的反应叫做共晶反应。所生成的两相混合物叫共晶体。发生共晶反应时有三相共存, 它们各自的成分是确定的, 反应在恒温下平衡地进行。水平线cde为共晶反应线, 成分在ce之间的合金平衡结晶时都会发生共晶反应。
cf线为Sn在Pb中的溶解度线(或α 相的固溶线)。温度降低, 固溶体的溶解度下降。Sn含量大于 f点的合金从高温冷却到室温时, 从 α 相中析出 β相以降低 α 相中Sn含量。从固态 α 相中析出的 β相称为二次 β, 写作βII 。这种二次结晶可表达为:α→ βII。
eg线为Pb在Sn中溶解度线(或 β 相的固溶线)。Sn含量小g点的合金, 冷却过程中同样发生二次结晶, 析出二次 α 。
1. 合金I的平衡结晶过程
合金I的结晶过程
液态合金冷却到1点温度以后, 发生匀晶结晶过程, 至2点温度合金完全结晶成 α 固溶体, 随后的冷却(2-3点间的温度), α 相不变。从3点温度开始, 由于Sn在 α 中的溶解度沿 cf线降低, 从 α 中析出βII, 到室温时 α 中Sn含量逐渐变为 f点。最后合金得到的组织为α+ βII 。其组成相是 f点成分的 α 相和 g点成分的 β相。运用杠杆定律, 两相的相对重量为:

合金室温组织由 α 和 β组成, α 和 βII即为组织组成物。组织组成物是指合金组织中那些具有确定本质, 一定形成机制的特殊形态的组成部分。组织组成物可以是单相, 或是两相混合物。
合金I的室温组织组成物 α 和 βII 皆为单相, 所以它的组织组成物的相对重量与组成相的相对重量相等。

2. 合金II的结晶过程
共晶合金的结晶过程示意图
合金II为共晶合金。合金从液态冷却到1点温度后, 发生共晶反应:L→ (α+β) , 经一定时间到1¢时反应结束, 全部转变为共晶体 (α+β) 。从共晶温度冷却至室温时, 共晶体中的 α和 β 均发生二次结晶, 从 α中析出 二次β, 从 β 中析出二次α。 α的成分由 c点变 f点, β 的成分由 e点变为 g点, 两种相的相对重量依杠杆定律变化。由于析出的 二次β 和 二次α 都相应地同 β 和 α相连在一起, 共晶体的形态和成分不发生变化。合金的室温组织全部为共晶体, 即只含一种组织组成物; 其组成相仍为 α和 β 相。

共晶合金组织的形态

3. 合金Ⅲ的结晶过程
亚共晶合金的结晶过程示意图
合金Ⅲ是亚共晶合金, 合金冷却到1点温度后, 由匀晶反应生成 α固溶体, 叫初生 α固溶体。从1点到2点温度的冷却过程中, 按照杠杆定律,初生 α的成分沿 ac线变化, 液相成分沿 ad 线变化; 初生 α逐渐增多, 液相逐渐减少。当刚冷却到2点温度时, 合金由c点成分的初生 α 相和d 点成分的液相组成。然后液相进行共晶反应, 但初生 α相不变化。经一定时间到2¢点共晶反应结束时, 合金转变为 α+ (α+β) 。从共晶温度继续往下冷却, 初生 α中不断析出 , 成分由 c点降至 f点; 共晶体 形态、成分和总量保持不变。合金的室温组织为初生 α+ + 二次β + (α+β) , 合金的组成相为 α 和 β , 它们的相对重量为:

成分在 cd之间的所有亚共晶合金的结晶过程与合金Ⅲ相同, 仅组织组成物和组成相的相对重量不同, 成分越靠近共晶点, 合金中共晶体的含量越多。
合金的组织组成物相对质量可应用杠杆定律求得
位于共晶点右边, 成分在 de之间的合金为过共晶合金(例如图中的合金Ⅳ),结晶过程与亚共晶合金相似,室温组织为初生 β+ 二次α + (α+β) 。
|
|
亚共晶合金组织 | 过共晶合金组织 |
做一做:分析过共晶合金的结晶过程。

难点2-2 亚共晶合金组织组成物的质量分数
[老师提示]
亚共晶合金组织组成物的质量分数可两次应用杠杆定律求得。
亚共晶合金的组织组成物为:初生 α、 βII和共晶体 (α+β) 。
根据结晶过程分析, 先求合金在刚冷到2点温度而尚未发生共晶反应时 α 和 L相的质量分数相对重量。
其中, 液相在共晶反应后全部转变为共晶体(α+β) , 因此这部分液相的质量分数就是室温组织中共晶体 (α+β)的质量分数。
初生 αc冷却不断析出 βII, 到室温后转变为 αf和 βII。按照杠杆定律, 可求出 αf、βII占 αf+βII的质量分数(注意, 杠杆支点在 c'点), 再乘以初生 αc在合金中的质量分数, 求得 αf、βII占合金的质量分数。
得到合金III在室温下的三种组织组成物的质量分数为:

三.发生包晶反应的合金的结晶
Pt-Ag、Ag-Sn、Sn-Sb合金具有包晶相图。
Pt-Ag合金相图中存在三种相:
Pt与Ag形成的液溶体L相;
Ag溶于Pt中的有限固溶体α 相;
Pt溶于Ag中的有限固溶体β相。
e点为包晶点, e点成分的合金冷却到 e点所对应的温度(包晶温度)时发生包晶反应L+α →β 。 发生包晶反应时三相共存, 它们的成分确定, 反应在恒温下平衡地进行。水平线ced 为包晶反应线。
cf为Ag在 α 中的溶解度线, eg为Pt在 β 中的溶解度线。 
Pt-Ag合金相图
合金I的结晶过程 合金冷却到1点温度以下时结晶出 α 固溶体, α 相成分沿 ac线变化, L相成分沿ad 线变化。合金刚冷到2点温度而尚未发生包晶反应前, 由 c点成分的α 相与d 点成分的L相组成。此两相在e 点温度时发生包晶反应,L 相包围α 相而形成β。反应结束后, L相与α 相正好全部反应耗尽, 形成e 点成分的β 固溶体。温度继续下降, 从β 中析出二次α 。最后室温组织为 β+二次α 。其组成相和组织组成物的成分和相对重量可根据杠杆定律来确定。
四. 发生共析反应的合金的结晶
下图中的下半部为共析相图, 其形状与共晶相图类似。

共析相图
d 点成分(共析成分)的合金从液相经过匀晶反应生成 γ相后, 继续冷却到d 点温度(共析温度)时, 在此恒温下发生共析反应:γ → (α+β)
由一种固相转变成完全不同的两种相互关联的固相, 此两相混合物称为共析体。共析相图中各种成分合金的结晶过程的分析与共晶相图相似, 但因共析反应是在固态下进行的, 所以共析产物比共晶产物要细密得多。
五. 含有稳定化合物的合金的结晶
在某些二元合金中, 常形成一种或几种稳定化合物。这些化合物具有一定的化学成分、固定的熔点, 且熔化前不分解, 也不发生其它化学反应。例如Mg-Si合金, 就能形成稳定化合物Mg2Si。Mg-Si合金相图属于含有稳定化合物的相图。

含有稳定化合物的相图
在分析这类相图时, 可把稳定化合物看成为一个独立的组元, 并将整个相图分割成几个简单相图。因此, Mg-Si相图可分为Mg-Mg2Si和Mg2Si-Si两个相图来进行分析。
老师提示 合金的性能取决于它的成分和组织, 相图则可反映不同成分的合金在室温时的平衡组织。因此, 具有平衡组织的合金的性能与相图之间存在着一定的对应关系。
2.2.2合金的性能与相图的关系
一.合金的使用性能与相图的关系
具有匀晶相图、共晶相图的合金的机械性能和物理性能随成分而变化的一般规律见下图。
固溶体的性能与溶质元素的溶入量有关, 溶质的溶入量越多, 晶格畸变越大, 则合金的强度、硬度越高, 电阻越大。当溶质原子含量大约为50%时, 晶格畸变最大, 而上述性能达到极大值, 所以性能与成分的关系曲线具有透镜状。
两相组织合金的机械性能和物理性能与成分呈直线关系变化, 两相单独的性能已知后, 合金的某些性能可按组成相性能依百分含量的关系叠加的办法求出。
例如硬度:
对组织较敏感的某些性能如强度等, 与组成相或组织组成物的形态有很大关系。组成相或组织组成物越细密, 强度越高(见图中虚线)。当形成化合物时, 则在性能一成分曲线上于化合物成分处出现极大值或极小值。

合金的使用性能与相图的关系示意图
二.合金的工艺性能与相图的关系
合金的铸造性能与相图的关系:
纯组元和共晶成分的合金的流动性最好,缩孔集中,铸造性能好。相图中液相线和固相线之间距离越小,液体合金结晶的温度范围越窄,对浇注和铸造质量越有利。合金的液、固相线温度间隔大时,形成枝晶偏析的倾向性大;同时先结晶出的树枝晶阻碍未结晶液体的流动,而降低其流动性, 增多分散缩孔。所以,铸造合金常选共晶或接近共晶的成分。
单相合金的锻造性能好。合金为单相组织时变形抗力小,变形均匀,不易开裂,因而变形能力大。双相组织的合金变形能力差些,特别是组织中存在有较多的化合物相时,因为它们都很脆。

合金的铸造性能与相图的关系示意图
2.2.3 铁碳合金的结晶
一.铁碳相图 ☆ 老师提示:重点内容
铁碳相图是研究钢和铸铁的基础,对于钢铁材料的应用以及热加工和热处理工艺的制订也具有重要的指导意义。
铁和碳可以形成一系列化合物,如Fe3C、Fe2C、FeC等, 有实用意义并被深入研究的只是Fe-Fe3C部分,通常称其为 Fe-Fe3C相图, 此时相图的组元为Fe和Fe3C。
Fe-Fe3C相图
Fe-Fe3C相图中各点的温度、碳含量及含义
符号 | 温度, ℃ | 碳含量 ω(C)% | 含 义 |
A | 1538 | 0 | 纯铁的熔点 |
B | 1495 | 0.53 | 包晶转变时液态合金的成分 |
C | 1148 | 4.30 | 共晶点 Lc → AE+Fe3C |
D | 1227 | 6.69 | Fe3C的熔点 |
E | 1148 | 2.11 | 碳在 γ-Fe中的最大溶解度 |
F | 1148 | 6.69 | Fe3C的成分 |
G | 912 | 0 | α-Fe→ γ-Fe同素异构转变点(A3) |
H | 1495 | 0.09 | 碳在 δ-Fe中的最大溶解度 |
J | 1495 | 0.17 | 包晶点LB+ δH → AJ |
K | 727 | 6.69 | Fe3C的成分 |
N | 1394 | 0 | γ-Fe→ δ-Fe同素异构转变点(A4) |
P | 727 | 0.0218 | 碳在 α-Fe中的最大溶解度 |
S | 727 | 0.77 | 共析点(A1) As→ FP+Fe3C |
Q | 600 | 0.0057 | 600℃时碳在 α-Fe中的溶解度 |
(室温) | (0.0008) |
1. 铁碳合金的组元
(1) Fe 铁是过渡族元素, 熔点或凝固点为1538℃, 相对密度是7.87g/cm3。 纯铁从液态结晶为固态后, 继续冷却到1394℃及912℃时, 先后发生两次同素异构转变。
? 纯铁是如何结晶的
工业纯铁的机械性能特点是强度低、硬度低、塑性好。主要机械性能如下:
抗拉强度极限 σb 180MPa~230MPa
抗拉屈服极限 σ0.2 100MPa~170MPa
延伸率 δ 30%~50%
断面收缩率 ψ 70%~80%
冲击韧性 ak 1.6×106J/m2~2×106 J/m2
硬度 50HB~80HB
(2) Fe3C Fe3C是Fe与C的一种具有复杂结构的间隙化合物, 通常称为渗碳体, 用Cm表示。
渗碳体的机械性能特点是硬而脆, 大致性能如下:
抗拉强度极限 σb | 延伸率 δ | 断面收缩率ψ | 冲击韧性 ak | 硬度 |
30MPa | 0 | 0 | 0 | 800 HB |

2. 铁碳合金中的相
Fe-Fe3C相图中存在五种相。
①液相L 液相L是铁与碳的液溶体。
② δ相 δ相又称高温铁素体, 是碳在 δ-Fe中的间隙固溶体, 呈体心立方晶格, 在1394℃以上存在, 在1495℃时溶碳量最大, 为0.09%。
③ α相 α相也称铁素体, 用符号 F或 α表示, 是碳在 α-Fe 中的间隙固溶体, 呈体心立方晶格。铁素体中碳的固溶度极小, 室温时约为0.0008%, 600℃时为 0.0057%, 在727℃时溶碳量最大, 为0.0218%。铁素体的性能特点是强度低、硬度低、塑性好。其机械性能与工业纯铁大致相同。
④ γ相 相常称奥氏体, 用符号 A或 γ表示, 是碳在 γ-Fe中的间隙固溶体, 呈面心立方晶格。奥氏体中碳的固溶度较大, 在1148℃时溶碳量最大达2.11%。奥氏体的强度较低, 硬度不高, 易于塑性变形。
⑤Fe3C相 Fe3C相是一个化合物相, 其晶体结构和性能已于前述, 渗碳体根据生成条件不同有条状、网状、片状、粒状等形态, 对铁碳合金的机械性能有很大影响。
3. 相图中重要的点和线
重要的点:
J为包晶点。合金在平衡结晶过程中冷却到1495℃时, B点成分的L与H点成分的 δ 发生包晶反应, 生成J点成分的A。
C点为共晶点。合金在平衡结晶过程中冷却到1148℃时, C点成分的L发生共晶反应, 生成E点成分的A和Fe3C。共晶反应在恒温下进
行, 反应过程中L、A、Fe3C三相共存。
共晶反应的产物是奥氏体与渗碳体的共晶混和物, 称莱氏体, 以符号 Le表示。
莱氏体中的渗碳体称共晶渗碳体。在显微镜下莱氏体的形态是:块状或粒状A(室温时转变成珠光体)分布在渗碳体基体上。
S点为共析点。合金在平衡结晶过程中冷却到727℃时, S点成分的A发生共析反应, 生成P点成分的F和Fe3C。共析反应在恒温下进行, 反应过程中, A、F、Fe3C三相共存。
共析反应的产物是铁素体与渗碳体的共析混合物, 称珠光体, 以符号P表示。
珠光体中的渗碳体称共析渗碳体。在显微镜下珠光体的形态呈层片状。在放大倍数很高时, 可清楚看到相间分布的渗碳体片(窄条)与铁素体片(宽条)。
珠光体的强度较高, 塑性、韧性和硬度介于渗碳体和铁素体之间, 其机械性能如下:
抗拉强度极限 σb | 冲击韧性 ak | 延伸率 δ | 硬度 |
770MPa | 3×105 J/m2~ 4×105J/m2 | 20%~35% | 180HB |
Fe-Fe3C相图中重要的线:
水平线HJB为包晶反应线。碳含量0.09%~0.53%的铁碳合金在平衡结晶过程中均发生包晶反应。
水平线ECF为共晶反应线。碳含量在2.11%~6.69%之间的铁碳合金, 在平衡结晶过程中均发生共晶反应。
水平线PSK为共析反应线。碳含量0.0218%~6.69%的铁碳合金, 在平衡结晶过程中均发生共析反应。PSK线亦称A1线。
GS线是合金冷却时自A中开始析出F的临界温度线, 通常称A3线。
ES线是碳在A中的固溶线, 通常叫做Acm线。由于在1148℃时A中溶碳量最大可达2.11%, 而在727℃时仅为0.77%, 因此碳含量大于0.77%的铁碳合金自1148℃冷至727℃的过程中, 将从A中析出Fe3C。析出的渗碳体称为二次渗碳体(Fe3CII)。 Acm线亦为从A中开始析出Fe3CII的临界温度线。
PQ线是碳在F中固溶线。在727℃时F中溶碳量最大可达0.0218%, 室温时仅为0.0008%, 因此碳含量大于0.0008%的铁碳合金自727℃冷至室温的过程中, 将从F中析出Fe3C。析出的渗碳体称为三次渗碳体(Fe3CIII)。PQ线亦为从F中开始析出Fe3CIII的临界温度线。Fe3CIII数量极少, 往往予以忽略。
二.典型铁碳合金的平衡结晶过程
根据Fe-Fe3C相图, 铁碳合金可分为三类:
(1)工业纯铁[ω(C)≤0.0218%]
(2)钢[0.0218%<ω(C)≤2.11% 亚共析钢 0.0218%<ω(C)<0.77%
共析钢 ω(C) = 0.77%
过共析钢 0.77%<ω(C)≤2.11%
(3)白口铸铁[2.11%<ω(C)<6.69%] 亚共晶白口铸铁 2.11%<ω(C)<4.3%
共晶白口铸铁 ω(C) = 4.3%
过共晶白口铸铁 4.3%<ω(C)<6.69%
几种碳钢的钢号和碳含量
类型 | 亚共析钢 | 共析钢 | 过共析钢 |
钢号 | 20 45 60 | T8 | T10 T12 |
碳质量分数/% | 0.20 0.45 0.60 | 0.80 | 1.00 1.20 |
下面分别对图中七种典型铁碳合金的结晶过程进行分析
典型铁碳合金在Fe-Fe3C相图中的位置
1. 工业纯铁(C≤0.0218%)
以碳质量分数为0.01%的铁碳合金为例, 其平衡结晶过程为:
合金在1点以上为液相L。冷却至稍低于1点时, 开始从L中结晶出 δ , 至2点合金全部结晶为 δ 。
从3点起, δ 逐渐转变为A, 至4点全部转变完了。
4-5点间A冷却不变, 自5点始, 从A中析出 F。 F在A晶界处生核并长大, 至6点时A全部转变为 F。
在6-7点间F冷却不变。
在7-8点间, 从F晶界析出Fe3CIII。
因此合金的室温平衡组织为F+ Fe3CIII。F呈白色块状; Fe3CIII量极少, 呈小白片状分布于F晶界处。若忽略Fe3CIII, 则组织全为F。
纯铁的室温平衡组织

铁素体

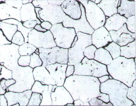
2. 共析钢(C=0.77%) ☆ 老师提示:重点内容
碳质量分数为0.77%的钢为共析钢, 其平衡结晶过程为:
合金冷却时, 于1点起从L中 晶出A, 至2点全部结晶完了。
在2-3点间A冷却不变。
至3点时, A发生共析反应生成P。从3¢继续冷却至4点, P不发生转变。因此共析钢的室温平衡组织全部为P。P呈层片状。
共析钢的室温组织
共析钢的室温组织组成物全部是P, 而组成相为F和Fe3C, 它们的质量分数为:
![]()
![]()

3. 亚共析钢(0.0218%<C<0.77%)
以碳质量分数为0.4%的铁碳合金为例, 平衡结晶过程 :
合金冷却时, 从1点起自L中结晶出 δ, 至2点时, L成分变为0.53%C, δ变为0.09%C, 发生包晶反应生成 A0.17 。反应结束后尚有多余的 L。
2¢点以下, 自 L中不断结晶出 , 至3点合金全部转变为 A。
在3-4 点间A冷却不变, 从4点起, 冷却时由A中析出F, F在A晶界处优先生核并长大, 而A和F的成分分别沿GS和GP线变化。
至5 时, A的成分变为0.77%C,F的成分变为0.0218%C。此时A发生共析反应, 转变为P, F不变化。
从5¢继续冷却至6点, 合金组织不发生变化, 因此室温平衡组织为F+P。F呈白色块状; P呈层片状, 放大倍数不高时呈黑色块状。碳含量大于0.6%的亚共析钢, 室温平衡组织中的F常呈白色网状, 包围在P周围。
含0.4%C的亚共析钢的组织组成物为F和P, 它们的质量分数为:
![]()
![]()
钢的组成相为F和Fe3C, 它们的质量分数为:
![]()
![]()
亚共析钢的碳质量分数可由其室温平衡组织来估算。若将F中的碳含量忽略不计, 则钢中的碳含量全部在P中, 因此由钢中P的质量分数可求出钢的碳质量分数:
C%=P%×0.77%
式中, C%表示钢的碳质量分数, P%表示钢中P的质量分数。由于P和F的密度相近, 钢中P和F的质量分数可以近似用P和F的面积百分数来估算。

45钢的室温平衡组织

铁素体+珠光体
4. 过共析钢(0.77%<C≤2.11%)
以碳质量分数为1.2%的铁碳合金为例, 其平衡结晶过程为:
合金冷却时, 从1点起自L中结晶出A, 至2点全部结晶完了。在2-3点间A冷却不变, 从3点起, 由A中析出Fe3CII, Fe3CII呈网状分布在A晶界上。至4点时A的碳含量降为0.77%, 4-4¢发生共析反应转变为P, 而Fe3CII不变化。在4¢-5点间冷却时组织不发生转变。因此室温平衡组织为Fe3CII+P。在显微镜下, Fe3CII呈网状分布在层片状P周围。
含1.2%C的过共析钢的组成相为F和Fe3C; 组织组成物为Fe3CII和P, 它们的质量分数为:
![]()

5. 共晶白口铸铁(C=4.3%)
合金在1点发生共晶反应, 由L转变为(高温)莱氏体Le[即(A+Fe3C)]。1¢-2点间, Le中的A不断析出Fe3CII。Fe3CII与共晶Fe3C相连, 在显微镜下无法分辨, 但此时的莱氏体由A+ Fe3CII+ Fe3C组成。由于Fe3CII的析出, 至2点时A的碳含量降为0.77%, 并发生共析反应转变为P; 高温莱氏体Le转变成低温莱氏体Le¢(P+ Fe3CII+ Fe3C)。从2¢至3点组织不变化。所以室温平衡组织仍为Le¢, 由黑色条状或粒状P和白色Fe3C基体组成。
共晶白口铸铁的组织组成物全长为Le¢, 而组成相还是F和Fe3C。

共晶白口铸铁室温平衡组织130×
6. 亚共晶白口铸铁(2.11%<C<4.3%)
以碳含量为3%的铁碳合金为例。
合金自1点起, 从L中结晶出初生A, 至2点时L的成分变为含4.3%C(A的成分变为含2.11%C), 发生共晶反应转变为Le, 而A不参与反应, 在2¢-3点间继续冷却时, 初生A不断在其晶界上析出Fe3CII, 同时Le中的A也析出Fe3CII。至3点温度时, 所有A的成分均变为0.77%C, 初生A发生共析反应转变为P; 高温莱氏体Le也转变为低温莱氏体Le¢。在3¢点以下到4点, 冷却不引起转变。因此室温平衡组织为P+ Fe3CII+Le¢。网状Fe3CII分布在粗大块状P的周围, Le¢则由条状或粒状P和Fe3C基体组成。
亚共晶白口铸铁的组成相为F和Fe3C; 组织组成物为P 、Fe3CII和Le¢。
|
|
亚共晶白口铸铁室温平衡组织 130× | 过共晶白口铸铁室温平衡组织130× |
7. 过共晶白口铸铁(4.3%<C<6.69%)
过共晶白口铸铁的室温平衡组织为Fe3CI+Le¢。Fe3CI呈长条状, Le¢由黑色条状或粒状P和白色Fe3C基体组成。
根据以上对铁碳合金结晶过程的分析将组织标注在铁碳相图中:

标注组织的Fe-Fe3C相图
三.铁碳合金的成分—组织—性能关系
按照铁碳相图, 铁碳合金在室温下的组织都由F和Fe3C两相组成, 两相的质量分数由杠杆定律确定。随碳含量的增加, F的量逐渐变少, 由100%按直线关系变至0%(含6.69%C时); Fe3C的量则逐渐增多, 由0%按直线关系变至100%。
在室温下, 碳含量不同时, 不仅F和Fe3C的相对重量变化, 而且两相相互组合的形态即合金的组织也在变化。随碳含量增大, 组织按下列顺序变化:
F、F+P、P、P+Fe3CII、P+Fe3CII+Le'、Le'、Le'+Fe3CIFe3C
各个区间的组织组成物的质量分数用杠杆定律求出,。碳质量分数小于0.0218%的合金的组织全部为F; 0.77%C时全部为P; 4.3%C时全部为Le’; 6.69%C时全部为Fe3C。在上述碳含量之间, 则为相应组织组成物的混合物。
铁碳合金的成分一组织一性能的对应关系
相图的形状与合金的性能之间存在一定的对应关系。
硬度主要决定于组织中组成相或组织组成物的硬度和质量分数, 随碳含量的增加, 由于硬度高的Fe3C增多, 硬度低的F减少,合金的硬度呈直线关系增大, 由全部为F的硬度约80HB增大到全部为Fe3C时的约800HB。
强度是一个对组织形态很敏感的性能。随碳含量的增加, 亚共析钢中P增多而F减少。P的强度比较高, 其大小与细密程度有关。组织越细密, 则强度值越高。F的强度较低。所以亚共析钢的强度随碳含量的增大而增大。但当碳质量分数超过共析成分之后, 由于强度很低的Fe3CII沿晶界出现, 合金强度的增高变慢, 到约0.9%C时, Fe3CII沿晶界形成完整的网, 强度迅速降低, 随着碳质量分数的进一步增加, 强度不断下降, 到2.11%C后, 合金中出现Le时, 强度已降到很低的值。再增加碳含量时, 由于合金基体都为脆性很高的Fe3C, 强度变化不大且值很低, 趋于Fe3C的强度(约20MPa~30MPa)。
塑性 铁碳合金中Fe3C是极脆的相, 没有塑性。合金的塑性变形全部由F提供。所以随碳含量的增大, F量不断减少时, 合金的塑性连续下降。到合金成为白口铸铁时, 塑性就降到近于零值了。
亚共析钢的硬度、强度和塑性可根据成分或组织作如下的估算:
硬度≈80×ω(F)+180×ω(P) (HB)
或硬度≈80×ω(F)+800×ω(Fe3C) (HB)
强度( σb)≈230×ω(F)+770×ω(P) (MPa)
延伸率( δ )≈50×ω(F)+20×ω(P) (%)
式中的数字相应为F、P或Fe3C的大概硬度、强度和延伸率; 符号相应表示组织中F、P或Fe3C的质量分数。
实验二 铁碳合金平衡组织观察和分析
四. Fe- Fe3C相图的应用
Fe- Fe3C相图在生产中具有巨大的实际意义, 主要应用在钢铁材料的选用和加工工艺的制订两个方面。
1. 在钢铁材料选用方面的应用 Fe- Fe3C相图所表明的成分-组织-性能的规律,为钢铁材料的选用提供了根据。
建筑结构和各种型钢需用塑性、韧性好的材料, 选用碳含量较低的钢材。
机械零件需要强度、塑性及韧性都较好的材料, 应选用碳含量适中的中碳钢。
工具要用硬度高和耐磨性好的材料, 则选碳含量高的钢钟。
纯铁的强度低, 不宜用做结构材料, 但由于其导磁率高, 矫顽力低, 可作软磁材料使用, 例如做电磁铁的铁芯等。
白口铸铁硬度高、脆性大,不能切削加工,也不能锻造,但其耐磨性好,铸造性能优良,适用于作要求耐磨、不受冲击、形状复杂的铸件,例如拔丝模、冷轧辊、货车轮、犁铧、球磨机的磨球等。
2. 在铸造工艺方面的应用 根据Fe- Fe3C相图可以确定合金的浇注温度。浇注温度一般在液相线以上50℃~100℃。从相图上可看出, 纯铁和共晶白口铸铁的铸造性能最好, 它们的凝固温度区间最小, 因而流动性好, 分散缩孔少, 可以获得致密的铸件, 所以铸铁在生产上总是选在共晶成分附近。在铸钢生产中, 碳含量规定在0.15-0.6%之间, 因为这个范围内钢的结晶温度区间较小, 铸造性能较好。
3.在热锻、热轧工艺方面的应用 钢处于奥氏体状态时强度较低, 塑性较好, 因此锻造或轧制选在单相奥氏体区进行。一般始锻、始轧温度控制在固相线以下100℃~200℃范围内。一般始锻温度为1150℃~1250℃, 终锻温度为750℃~850℃。
4. 在热处理工艺方面的应用 Fe- Fe3C相图对于制订热处理工艺有着特别重要的意义。一些热处理工艺如退火、正火、淬火的加热温度都是依据Fe- Fe3C相图确定的。这将在热处理一节中详细阐述。
在运用Fe-Fe3C相图时应注意以下两点:
①Fe-Fe3C相图只反映铁碳二元合金中相的平衡状态, 如含有其它元素, 相图将发生变化。
②Fe-Fe3C相图反映的是平衡条件下铁碳合金中相的状态, 若冷却或加热速度较快时, 其组织转变就不能只用相图来分析了。
2.3 金属的塑性加工
2.3 .1 金属的塑性变形
金属材料通过冶炼、铸造,获得铸锭后,可通过塑性加工的方法获得具有一定形状、尺寸和机械性能的型材、板材、管材或线材,以及零件毛坯或零件。
塑性加工包括锻压、轧制、 挤压、拉拔、冲压等方法。
金属在承受塑性加工时, 产生塑性变形,这对金属的组织结构和性能会产生重要的影响。

(a)轧制 (b)挤压 (c)拉拔 (d)锻压 (e)冲压
压力加工方法示意图
一.单晶体的塑性变形 单晶体的塑性变形的基本方式有两种:滑移和孪生。 1. 滑移 滑移是晶体在切应力的作用下, 晶体的一部分沿一定的晶面(滑移面)上的一定方向(滑移方向)相对于另一部分发生滑动。 滑移的观察 滑移特点: ①滑移只能在切应力作用下才会发生, 不同金属产生滑移的最小切应力(称滑移临界切应力)大小不同。钨、钼、铁的滑移临界切应力比铜、铝的要大。 ②滑移是晶体内部位错在切应力作用下运动的结果。滑移并非是晶体两部分沿滑移面作整体的相对滑动, 而是通过位错的运动来实现的。 在切应力作用下,一个多余半原子面从晶体一侧到另一侧运动, 即位错自左向右移动时, 晶体产生滑移。
位借运动造成滑移 ③由于位错每移出晶体一次即造成一个原子间距的变形量, 因此晶体发生的总变形量一定是这个方向上的原子间距的整数倍。 ④滑移总是沿着晶体中原子密度最大的晶面(密排面)和其上密度最大的晶向(密排方向)进行, 这是由于密排面之间、密排方向之间的间距最大,结合力最弱。因此滑移面为该晶体的密排面, 滑移方向为该面上的密排方向。一个滑移面与其上的一个滑移方向组成一个滑移系。如体心立方晶格中, (110)和[111]即组成一个滑移系。滑移系越多, 金属发生滑移的可能性越大, 塑性就越好。滑移方向对滑移所起的作用比滑移面大,所以面心立方晶格金属比体心立方晶格金属的塑性更好。 滑移面的转动 滑移方向的转动 |
金属三种常见晶格的滑移系 晶格 体心立方晶格 面心立方晶格 密排六方晶格 滑移 {110}×6 {111}×4 {0001}×1 滑移方向 <111>×2 <110>×3 < >×3 滑移系 6×2 = 12 4×3 = 12 1×3 = 3 |
2.孪生
在切应力作用下晶体的一部分相对于另一部分沿一定晶面(孪生面)和晶向(孪生方向)发生切变的变形过程称孪生。发生切变、位向改变的这一部分晶体称为孪晶。孪晶与未变形部分晶体原子分布形成对称。孪生所需的临界切应力比滑移的大得多。孪生只在滑移很难进行的情况下才发生。体心立方晶格金属(如铁)在室温或受冲击时才发生孪生。而滑移系较少的密排六方晶格金属如镁、锌、镉等, 则比较容易发生孪生。

孪晶中的晶格位向变化
二.多晶体的塑性变形
工程上使用的金属绝大部分是多晶体.。多晶体中每个晶粒的变形基本方式与单晶体相同。但由于多晶体材料中,各个晶粒位向不同,且存在许多晶界,因此变形要复杂得多。
多晶体的塑性变形
1.多晶体中, 由于晶界上原子排列不很规则, 阻碍位错的运动, 使变形抗力增大。金属晶粒越细,晶界越多,变形抗力越大,金属的强度就越大。
2.多晶体中每个晶粒位向不一致。一些晶粒的滑移面和滑移方向接近于最大切应力方向(称晶粒处于软位向), 另一些晶粒的滑移面和滑移方向与最大切应力方向相差较大(称晶粒处于硬位向)。在发生滑移时,软位向晶粒先开始。当位错在晶界受阻逐渐堆积时,其它晶粒发生滑移。因此多晶体变形时晶粒分批地逐步地变形,变形分散在材料各处。晶粒越细,金属的变形越分散,减少了应力集中,推迟裂纹的形成和发展,使金属在断裂之前可发生较大的塑性变形,因此使金属的塑性提高。 由于细晶粒金属的强度较高,塑性较好,所以断裂时需要消耗较大的功,因而韧性也较好。因此细晶强化是金属的一种很重要的强韧化手段。
三.塑性变形对金属组织和性能的影响 ☆ 老师提示:重点内容
1.塑性变形对金属组织结构的影响
①金属发生塑性变形后, 晶粒发生变形, 沿形变方向被拉长或压扁。当变形量很大时, 晶粒变成细条状(拉伸时), 金属中的夹杂物也被拉长, 形成纤维组织。
|
|
变形前后晶粒形状变化示意图
②亚结构形成 金属经大的塑性变形时, 由于位错的密度增大和发生交互作用, 大量位错堆积在局部地区, 并相互缠结, 形成不均匀的分布, 使晶粒分化成许多位向略有不同的小晶块, 而在晶粒内产生亚晶粒。

金属经变形后的亚结构
③形变织构产生 金属塑性变形到很大程度(70%以上)时, 由于晶粒发生转动, 使各晶粒的位向趋近于一致, 形成特殊的择优取向, 这种有序化的结构叫做形变织构。形变织构一般分两种:二种是各晶粒的一定晶向平行于拉拔方向, 称为丝织构, 例如低碳钢经高度冷拔后, 其<100>平行于拔丝方向; 另一种是各晶粒的一定晶面和晶向平行于轧制方向, 称为板织构, 低碳钢的板织构为{001}<110>。
形变织构示意图
2. 塑性变形对金属性能的影响
①金属发生塑性变形, 随变形度的增大, 金属的强度和硬度显著提高, 塑性和韧性明显下降。这种现象称为加工硬化, 也叫形变强化。
产生加工硬化的原因是:金属发生塑性变形时, 位错密度增加, 位错间的交互作用增强, 相互缠结, 造成位错运动阻力的增大, 引起塑性变形抗力提高。另一方面由于晶粒破碎细化, 使强度得以提高。在生产中可通过冷轧、冷拔提高钢板或钢丝的强度。
②由于纤维组织和形变织构的形成, 使金属的性能产生各向异性。如沿纤维方向的强度和塑性明显高于垂直方向的。用有织构的板材冲制筒形零件时, 即由于在不同方向上塑性差别很大, 零件的边缘出现“制耳”。 在某些情况下, 织构的各向异性也有好处。制造变压器铁芯的硅钢片, 因沿[100]方向最易磁化, 采用这种织构可使铁损大大减小, 因而变压器的效率大大提高。

因形变织构造成深冲制品的制耳示意图
③塑性变形可影响金属的物理、化学性能。如使电阻增大, 耐腐蚀性降低。
④由于金属在发生塑性变形时, 金属内部变形不均匀, 位错、空位等晶体缺陷增多, 金属内部会产生残余内应力。即外力去除后,金属内部会残留下来应力。残余内应力会使金属的耐腐蚀性能降低,严重时可导致零件变形或开裂。齿轮等零件,如表面通过喷丸处理,可产生较大的残余压应力,则可提高疲劳强度。

2.3.2
塑性变形后的金属在加热时组织和性能的变化
金属经塑性变形后,组织结构和性能发生很大的变化。如果对变形后的金属进行加热,金属的组织结构和性能又会发生变化。随着加热温度的提高,变形金属将相继发生回复、再结晶和晶粒长大过程。

变形金属加热时组织和性能变化示意图
一.回复
变形后的金属在较低温度进行加热,会发生回复过程。产生回复的温度T回复为 T回复=(0.25~0.3)T熔点 式中T熔点表示该金属的熔点, 单位为绝对温度(K)。由于加热温度不高, 原子扩散能力不很大, 只是晶粒内部位错、空位、间隙原子等缺陷通过移动、复合消失而大大减少,而晶粒仍保持变形后的形态, 变形金属的显微组织不发生明显的变化。此时材料的强度和硬度只略有降低,塑性有增高,但残余应力则大大降低。工业上常利用回复过程对变形金属进行 去应力退火、以降低残余内应力, 保留加工硬化效果。
二.再结晶
1.再结晶过程及其对金属组织、性能的影响
变形后的金属在较高温度加热时,由于原子扩散能力增大,被拉长(或压扁)、破碎的晶粒通过重新生核、长大变成新的均匀、细小的等轴晶。这个过程称为再结晶。变形金属进行再结晶后,金属的强度和硬度明显降低,而塑性和韧性大大提高,加工硬化现象被消除, 此时内应力全部消失,物理、化学性能基本上恢复到变形以前的水平。再结晶生成的新的晶粒的晶格类型与变形前、变形后的晶格类型均一样。
2. 再结晶温度
变形后的金属发生再结晶的温度是一个温度范围,并非某一恒定温度。一般所说的再结晶温度指的是最低再结晶温度(T再), 通常用经大变形量(70%以上)的冷塑性变形的金属,经一小时加热后能完全再结晶的最低温度来表示。最低再结晶温度与该金属的熔点有如下关系:
T再=(0.35~0.4)T熔点
式中的温度单位为绝对温度(K)。 最低再结晶温度与下列因素有关:
①预先变形度:金属再结晶前塑性变形的相对变形量称为预先变形度。预先变形度越大, 金属的晶体积缺陷就越多, 组织越不稳定, 最低再结晶温度也就越低。当预先变形度达到一定大小后, 金属的最低再结晶温度趋于某一稳定值。
②金属的熔点:熔点越高, 最低再结晶温度也就越高。
③杂质和合金元素:由于杂质和合金元素特别是高熔点元素, 阻碍原子扩散和晶界迁移, 可显著提高最低再结晶温度。如高纯度铝(99.999%)的最低再结晶温度为80℃, 而工业纯铝(99.0%)的最低再结晶温度提高到了290℃。
④加热速度和保温时间:再结晶是一个扩散过程, 需要一定时间才能完成。提高加热速度会使再结晶在较高温度下发生, 而保温时间越长, 再结晶温度越低。
3. 再结晶后晶粒的晶粒度 晶粒大小影响金属的强度、塑性和韧性, 因此生产上非常重视控制再结晶后的晶粒度, 特别是对那些无相变的钢和合金。 影响再结晶退火后晶粒度的主要因素是加热温度和预先变形度。
①加热温度加热温度越高, 原子扩散能力越强, 则晶界越易迁移, 晶粒长大也越快。
②预先变形度 变形度的影响主要与金属变形的均匀度有关。变形越不均匀, 再结晶退火后的晶粒越大。变形度很小时,因不足以引起再结晶,晶粒不变。当变形度达到2-10%时,金属中少数晶粒变形,变形分布很不均匀,所以再结晶时生成的晶核少,晶粒大小相差极大,非常有利于晶粒发生吞并过程而很快长大,结果得到极粗大的晶粒。使晶粒发生异常长大的变形度称作临界变形度。生产上应尽量避免临界变形度的加工。超过临界变形度之后,随变形度的增大,晶粒的变形更加强烈和均匀,再结晶核心越来越多,因此再结晶后的晶粒越来越细小。但是当变形度过大(约≥90%)时, 晶粒可能再次出现异常长大,一般认为它是由形变织构造成的。
由于塑性变形后的金属加热发生再结晶后,可消除加工硬化现象,恢复金属的塑性和韧性, 因此生产中常用再结晶退火工艺来恢复金属塑性变形的能力,以便继续进行形变加工。例如生产铁铬铝电阻丝时,在冷拔到一定的变形度后,要进行氢气保护再结晶退火,以继续冷拔获得更细的丝材。
为了缩短处理时间,实际采用的再结晶退火温度比该金属的最低再结晶温度要高100~200℃。

三.晶粒长大
再结晶完成后的晶粒是细小的, 但如果继续加热, 加热温度过高或保温时间过长时, 晶粒会明显长大, 最后得到粗大晶粒的组织, 使金属的强度、硬度、塑性、韧性等机械性能都显著降低。
一般情况下晶粒长大是应当避免发生的现象。
当金属变形较大, 产生织构, 含有较多的杂质时, 晶界的迁移将受到阻碍, 因而只会有少数处于优越条件的晶粒(例如尺寸较大, 取向有利等)优先长大, 迅速吞食周围的大量小晶粒,最后获得晶粒异常粗大的组织。这种不均匀的长大过程类似于再结晶的生核(较大稳定亚晶粒生成)和长大(吞食周围的小亚晶粒)的过程, 所以称为二次再结晶, 它大大降低金属的机械性能。
2.3.3 金属材料的热加工与冷加工
金属塑性变形的加工方法有热加工和冷加工两种。热加工和冷加工不是根据变形时是否加热来区分,而是根据变形时的温度处于再结晶温度以上还是以下来划分的。
一.金属的热加工及其对组织、性能的影响
在金属的再结晶温度以上的塑性变形加工称为热加工,例如钢材的热锻和热轧。由于温度处于再结晶温度以上,金属材料发生塑性变形后,随即发生再结晶过程。因此塑性变形引起的加工硬化效应随即被再结晶过程的软化作用所消除,使材料保持良好的塑性状态。
热加工对金属的组织和性能的影响:
①热加工能使铸态金属中的气孔、疏松、微裂纹焊合,提高金属的致密度;减轻甚至消除树枝晶偏析和改善夹杂物、第二相的分布等;明显提高金属的机械性能,特别是韧性和塑性。
②热加工能打碎铸态金属中的粗大树枝晶和柱状晶,并通过再结晶获得等轴细晶粒,而使金属的机械性能全面提高。但这与热加工的变形量和加工终了温度关系很大,一般来说变形量应大些,加工终了温度不能太高。

金属在热轧时变形和再结晶的示意图
③热加工能使金属中残存的枝晶偏析、可变形夹杂物和第二相沿金属流动方向被拉长,形成纤维组织(或称“流线”),使金属的机械性能特别是塑性和韧性具有显的方向性,纵向上的性能显著大于横向上的。因此热加工时应力求工件流线分布合理。
锻造曲轴的合理流线分布,可保证曲轴工作时所受的最大拉应力与流线一致,而外加剪切应力或冲击力与流线垂直,使曲轴不易断裂。切削加工制成的曲轴,其流线分布不合理,易沿轴肩发生断裂。
|
|
(a) 锻造曲轴 | (b) 切削加工曲轴 |
曲轴流线分布
由于热加工可使金属的组织和性能得到显著改善,所以受力复杂、载荷较大的重要工件,一般都采用热加工方法来制造。
二.金属的冷加工及其对组织、性能的影响
在金属的再结晶温度以下的塑性变形加工称为冷加工。如低碳钢的冷轧、冷拔、冷冲等。
由于加工温度处于再结晶温度以下, 金属材料发生塑性变形时不会伴随再结晶过程。因此冷加工对金属组织和性能的影响即是前面的所述塑性变形的影响规律。
与冷加工前相比,金属材料的强度和硬度升高,塑性和韧性下降,即产生加工硬化的现象。 加工硬化具有极重要的实际意义。
? 想一想 : 加工硬化有什么重要的实际意义?
2.4 钢的热处理
热处理是将固态金属或合金在一定介质中加热、保温和冷却,以改变材料整体或表面组织,从而获得所需性能的工艺。热处理可大幅度地改善金属材料的工艺性能和使用性能,绝大多数机械零件必须经过热处理。
热处理工艺中,钢在奥氏体化后,冷却的方式通常有两种:
(1)等温处理 即将钢迅速冷却到临界点以下的给定温度,进行保温,使其在该温度下恒温转变。
(2)连续冷却 即钢以某种速度连续冷却,在临界点以下变温连续转变。
2.4.1 钢在加热时的转变
一.钢在加热时的临界温度
大多数热处理工艺都要将钢加热到临界温度以上,获得全部或部分奥氏体组织,即进行奥氏体化。实际热处理中,加热时相变温度偏向高温,冷却时偏向低温,且加热和冷却速度愈大偏差愈大。通常将加热时的临界温度标为Ac1、 Ac3、Accm; 冷却时标为Ar1、Ar3、Arcm。


二.钢在加热时的组织转变
共析钢加热到Ac1以上时,珠光体将转变为奥氏体。这包括奥氏体晶核的形成、奥氏体晶核的长大、剩余渗碳体的溶解及奥氏体成分的均匀化四个基本过程。亚共析钢和过共析钢的奥氏体形成过程与共析钢基本相同, 但必须加热到Ac3 (亚共析钢)或Accm(过共析钢)以上时才获得单一的奥氏体组织。
影响奥氏体转变速度的因素:
加热温度 随加热温度的提高, 奥氏体化速度加快。
加热速度 加热速度越快,发生转变的温度越高,转变所需的时间越短。
钢中碳含量 碳含量增加,铁素体和渗碳体的相界面增大,转变速度加快。
合金元素 钴、镍等加快奥氏体化过程;铬、钼、钒等减慢奥氏体化过程;硅、铝、锰等不影响奥氏体化过程。由于合金元素的扩散速度比碳慢得多,所以合金钢的热处理加热温度一般较高,保温时间更长。
原始组织 原始组织中渗碳体为片状时奥氏体形成速度快,且渗碳体间距越小,转变速度越快,同时奥氏体晶粒中碳浓度梯度也大,所以长大速度更快。
三.钢的奥氏体晶粒度
一般根据标准晶粒度等级图确定钢的奥氏体晶粒大小。标准晶粒度等级分为8级,1~4级为粗晶粒度,5~8级为细晶粒度。

标准晶粒度等级(100×)
1.实际晶粒度和本质晶粒度
某一具体热处理或热加工条件下的奥氏体的晶粒度叫实际晶粒度,它决定钢的性能。
钢在加热时奥氏体晶粒长大的倾向用本质晶粒度来表示。钢加热到930℃±10℃、保温8小时、冷却后测得的晶粒度叫本质晶粒度。如果测得的晶粒细小,则该钢称为本质细晶粒钢,反之叫本质粗晶粒钢。
2.影响奥氏体晶粒度的因素
①加热温度和保温时间
随加热温度升高晶粒将逐渐长大。温度愈高,或在一定温度下,保温时间越长,奥氏体晶粒也越粗大。
②钢的成分
奥氏体中碳含量增高,晶粒长大倾向增大。未溶碳化物则阻碍晶粒长大。
钢中加入钛、钒、铌、锆、铝等元素,有利于得到本质细晶粒钢,因为碳化物、氧化物和氮化物弥散分布在晶界上,能阻碍晶粒长大。锰和磷促进晶粒长大。
2.4.2 钢奥氏体化后冷却中的转变
当温度在A1以上时, 奥氏体是稳定的。当温度降到A1以下后,奥氏体即处于过冷状态,这种奥氏体称为过冷奥氏体。过冷A是不稳定的,会转变为其它的组织。钢在冷却时的转变,实质上是过冷A的转变。
一.过冷奥氏体的等温转变
1.共析钢过冷奥氏体的等温转变
共析钢过冷奥氏体的等温转变过程和转变产物可用其等温转变曲线(可简称为TTT曲线、C曲线)图来分析。

共析钢过冷A的等温转变曲线图
共析钢过冷奥氏体等温转变包括二个转变区。
(1)高温转变 在A1~550℃之间, 过冷奥氏体的转变产物为珠光体型组织, 此温区称珠光体转变区。
|
|
|
(a)珠光体 3800× | (b) 索氏体 8000× | (c)屈氏体 8000 |
珠光体型组织
珠光体型组织是铁素体和渗碳体的机械混合物, 渗碳体呈层片状分布在铁素体基体上,转变温度越低,层间距越小,可将珠光体型组织按层间距大小分为珠光体(P)、索氏体(S)和屈氏体(T)。奥氏体向珠光体的转变为扩散型的生核、长大过程, 是通过碳、铁的扩散和晶体结构的重构来实现的。
(2)中温转变
在550℃~Ms之间, 过冷奥氏体的转变产物为贝氏体型组织,
此温区称贝氏体转变区。
贝氏体是渗碳体分布在碳过饱和的铁素体基体上的两相混合物。奥氏体向贝氏体的转变属于半扩散型转变,铁原子不扩散而碳原子有一定扩散能力。
过冷奥代体在550℃~350℃之间转变形成的产物称上贝氏体(上B)。上B呈羽毛状,
小片状的渗碳体分布在成排的铁素体片之间。
|
|
(a)光学显微照片 1300× | (b) 电子显微照片 5000× |
上贝氏体形态
过冷奥氏体在350℃~Ms之间的转变产物称下贝氏体(下B)。下B在光学显微镜下为黑色针状,
在电子显微镜下可看到在铁素体针内沿一定方向分布着细小的碳化物(Fe2.4C)颗粒。
上贝氏体中铁素体片较宽,塑性变形抗力较低;同时渗碳体分布在铁素体片之间,容易引起脆断,因此强度和韧性都较差。下贝氏体中铁素体针细小,无方向性,碳的过饱和度大,位错密度高,且碳化物分布均匀、弥散度大,所以硬度高,韧性好,具有较好的综合机械性能
|
|
(a) 光学显微照片 500× | (b) 电子显微照片 12000× |
下贝氏体形态
2.亚共析钢过冷奥氏体的等温转变
亚共析钢的过冷奥氏体等温转变曲线与共析钢C曲线不同的是,
在其上方多了一条过冷奥氏体转变为铁素体的转变开始线。亚共析钢随着含碳量的减少,C曲线位置往左移,同时Ms、Mf线住上移。
亚共析钢的过冷奥氏体等温转变过程与共析钢类似。只是在高温转变区过冷奥氏体将先有一部分转变为铁素体,剩余的过冷奥氏体再转变为珠光体型组织。

45钢过冷A等温转变曲线
3.过共析钢过冷奥氏体的等温转变
过共析钢过冷A的C曲线的上部为过冷A中析出二次渗碳体(Fe3CII)开始线。当加热温度为Ac1以上30~50℃时,过共析钢随着含碳量的增加, C曲线位置向左移,
同时Ms、Mf线往下移。
过共析钢的过冷A在高温转变区, 将先析出Fe3CII, 其余的过冷A再转变为珠光体型组织。

T10钢过冷A的等温转变曲线
二.过冷奥氏体的连续冷却转变
1.共析钢过冷奥氏体的连续冷却转变
(1)转变产物

在共析钢过冷A的连续冷却转变曲线(CCT曲线)中,共析钢以大于Vk(上临界冷却速度)的速度冷却时, 得到的组织为马氏体。冷却速度小于(下临界冷却速度)时, 钢将全部转变为珠光体型组织。共析钢过冷A在连续冷却转变时得不到贝氏体组织。
与共析钢的TTT曲线相比, 共析钢的CCT曲线稍靠右靠下一点,表明连续冷却时, 奥氏体完成珠光体转变的温度较低, 时间更长。
共析钢过冷A的连续冷却转变组织

(2)马氏体转变特点 ☆ 老师提示:重点内容
过冷A转变为马氏体是低温转变过程,
转变温度在Ms~Mf之间, 该温区称马氏体转变区。
①过冷A转变为马氏体是一种非扩散型转变, 铁和碳原子都不能进行扩散。铁原子沿奥氏体一定晶面, 集体地(不改变相互位置关系)作一定距离的移动(不超过一个原子间距),
使面心立方晶格改组为体心正方晶格,碳原子原地不动,过饱和地留在新组成的晶胞中;增大了其正方度c/a 。
马氏体晶胞与母相奥氏体的关系
马氏体就是碳在α-Fe中的过饱和固溶体。过饱和碳使α-Fe 的晶格发生很大畸变, 产生很强的固溶强化。
②马氏体的形成速度很快, 奥氏体冷却到Ms点以下后, 无孕育期, 瞬时转变为马氏体。随着温度下降,过冷A不断转变为马氏体,是一个连续冷却的转变过程。
③马氏体转变是不彻底的,总要残留少量奥氏体。残余奥氏体的含量与MS、Mf的位置有关。奥氏体中的碳含量越高,则MS、Mf越低,残余A含量越高。只在碳含量少于0.6%时,
残余A可忽略。
④马氏体形成时体积膨胀, 在钢中造成很大的内应力,
严重时导致开裂。


(3)马氏体的形态与特点
①马氏体形态
含碳量在0.25%以下时,基本上是板条马氏体(亦称低碳马氏体),板条马氏体在显微镜下为一束束平行排列的细板条。在高倍透射电镜下可看到板条马氏体内有大量位错缠结的亚结构,所以也称位错马氏体。
当碳含量大于1.0%时,则大多数是针状马氏体。针状马氏体在光学显微镜中呈竹叶状或凸透镜状,在空间形同铁饼。马氏体针之间形成一定角度(60°)。高倍透射电镜分析表明,针状马氏体内有大量孪晶,因此亦称孪晶马氏体。
碳含量在0.25~1.0%之间时,为板条马氏体和针状马氏体的混和组织。
|
|
低碳马氏体的组织形态 | 高碳马氏体的组织形态 |
②马氏体的特点
a.硬度很高。 ?碳含量对马氏体硬度有什么样的影响
b.马氏体的塑性和韧性与其碳含量(或形态)密切相关。高碳马氏体由于过饱和度大、内应力高和存在孪晶结构,所以硬而脆,塑性、韧性极差,但晶粒细化得到的隐晶马氏体却有一定的韧性。而低碳马氏体,由于过饱和度小,内应力低和存在位错亚结构,则不仅强度高,塑性、韧性也较好。
c.马氏体的比容比奥氏体大,当奥氏体转变为马氏体时,体积会膨胀。马氏体是铁磁相,而奥氏体为顺磁相。马氏体晶格畸变严重,因此电阻率高。

2.亚共析钢过冷奥氏体的连续冷却转变
亚共析钢过冷A在高温时有一部分将转变为F,在中温转变区会有少量贝氏体(上B)产生。如油冷的产物为F+T+上B+M,但F和上B量很少,有时可忽略。
亚共析钢过冷A的连续冷却转变
3.过共析钢过冷奥氏体的连续冷却转变
过共析钢过冷A在高温区,将首先析出二次渗碳体, 而后转变为其它组织。由于奥氏体中碳含量高,所以油冷、水冷后的组织中应包括残余奥氏体。与共析钢一样,其冷却过程中无贝氏体转变。
过共析钢过冷A的连续冷却转变
老师提示 综上所述,钢在冷却时,过冷奥氏体的转变产物根据其转变温度的高低可分为高温转变产物珠光体、索氏体、屈氏体,中温转变产物上贝氏体、下贝氏体,低温转变产物马氏体等几种。随着转变温度的降低,其转变产物的硬度增高,而韧性的变化则较为复杂。
共析钢不同转变温度转变产物的硬度和冲击韧性



2.4.3
钢的普通热处理
一.退火
将组织偏离平衡状态的钢加热到适当温度,保温一定时间,然后缓慢冷却(一般为随炉冷却),以获得接近平衡状态组织的热处理工艺叫做退火。
钢的退火分为完全退火、等温退火、球化退火、扩散退火和去应力退火等。
碳钢各种退火和正火工艺规范示意图
1. 完全退火
完全退火又称重结晶退火,是把钢加热至Ac3以上20℃~30℃,
保温一定时间后缓慢冷却(随炉冷却或埋入石灰和砂中冷却), 以获得接近平衡组织的热处理工艺。完全退火一般用于亚共析钢。
完全退火的目的在于,通过完全重结晶,使热加工造成的粗大、不均匀的组织均匀化和细化,以提高性能;或使中碳以上的碳钢和合金钢得到接近平衡状态的组织,以降低硬度,改善切削加工性能。由于冷却速度缓慢,还可消除内应力。
2. 等温退火
等温退火是将钢件加热到高于Ac3 (或Ac1 ) 的温度, 保温适当时间后, 较快地冷却到珠光体区的某一温度,
并等温保持, 使奥氏体等温转变,然后缓慢冷却的热处理工艺。
等温退火的目的与完全退火相同, 能获得均匀的预期组织;
对于奥氏体较稳定的合金钢, 可大大缩短退火时间。
3.球化退火
球化退火为使钢中碳化物球状化的热处理工艺。目的是使二次渗碳体及珠光体中的渗碳体球状化(退火前正火将网状渗碳体破碎),以降低硬度,改善切削加工性能;并为以后的淬火作组织准备。球化退火主要用于共析钢和过共析钢。
过共析钢球化退火后的显微组织为在铁素体基体上分布着细小均匀的球状渗碳体。球化退火的加热温度略高于Ac1。球化退火需要较长的保温时间来保证二次渗碳体的自发球化。保温后随炉冷却。
4. 扩散退火
为减少钢锭、铸件或锻坯的化学成分和组织不均匀性,将其加热到略低于固相线(固相线以下100℃~200℃)的温度,长时间保温(10h~15h),并进行缓慢冷却的热处理工艺,称为扩散退火或均匀化退火。
扩散退火后钢的晶粒很粗大,因此一般再进行完全退火或正火处理。
5. 去应力退火
为消除铸造、锻造、焊接和机加工、冷变形等冷热加工在工件中造成的残留内应力而进行的低温退火,称为去应力退火。去应力退火是将钢件加热至低于Ac1的某一温度(一般为500℃~650℃),保温后随炉冷却,
这种处理可以消除约50%~80%的内应力, 不引起组织变化。

二.正火(常化)
钢材或钢件加热到Ac3(对于亚共析钢)和Accm(对于过共析钢)以上30℃~50℃, 保温适当时间后,
在自由流动的空气中均匀冷却的热处理称为正火。正火后的组织:亚共析钢为F+S, 共析钢为S, 过共析钢为S+Fe3CII。
正火的目的是使钢的组织正常化,亦称常化处理,一般应用于以下方面:
1.作为最终热处理 正火可以细化晶粒,使组织均匀化,减少亚共析钢中铁素体含量,使珠光体含量增多并细化,从而提高钢的强度、硬度和韧性。
2.作为预先热处理 截面较大的合金结构钢件,在淬火或调质处理(淬火加高温回火)前常进行正火,
以消除魏氏组织和带状组织,并获得细小而均匀的组织。对于过共析钢可减少二次渗碳体量,并使其不形成连续网状,为球化退火作组织准备。
3.
改善切削加工性能
三.淬火
将钢加热到相变温度以上(亚共析钢为Ac3以上30℃~50℃;共析钢和过共析钢为Ac1以上30℃~50℃),保温一定时间后快速冷却以获得马氏体组织的热处理工艺称为淬火。

常用的冷却介质是水和油。为了减少零件淬火时的变形,可用盐浴作介质。
常用的淬火方法有单介质淬火,双介质淬火,分级淬火和等温淬火等。

1.钢的淬透性
钢接受淬火时形成马氏体的能力叫做钢的淬透性。
钢的淬透性可用末端淬火法测定。
影响淬透性的因素:
①碳含量 在碳钢中,共析钢的临界冷速最小,淬透性最好;亚共析钢随碳含量减少,临界冷速增加,淬透性降低;过共析钢随碳含量增加,临界冷速增加,淬透性降低。
②合金元素 除钴以外,其余合金元素溶于奥氏体后,降低临界冷却速度,使C曲线右移,提高钢的淬透性,因此合金钢往往比碳钢的淬透性要好。
③奥氏体化温度
提高奥氏体化温度,将使奥氏体晶粒长大、成分均匀,可减少珠光体的生核率,降低钢的临界冷却速度,增加其淬透性。
④钢中未溶第二相 钢中未溶入奥氏体中的碳化物、氮化物及其它非金属夹杂物,可成为奥氏体分解的非自发核心,使临界冷却速度增大,降低淬透性。
钢材经调质处理后, 淬透性好的钢棒整个截面都是回火索氏体,
机械性能均匀, 强度高, 韧性好,而淬透性差的钢心部为片状索氏体+铁素体, 只表层为回火索氏体, 心部强韧性差。

(a)完全淬透; (b)淬透较大厚度; (c)淬透较小厚度
淬透性不同的钢调质后机械性能的比较
2.钢的淬硬性 钢淬火后能够达到的最高硬度叫钢的淬硬性,它主要决定于M的碳含量。
☆ 做一做:比较T10 、20CrMnTi 、40Cr 三种钢的淬透性和淬硬性的高低。
难点2-4
钢的淬透性测定及淬透性曲线的应用
1.钢的淬透性测定
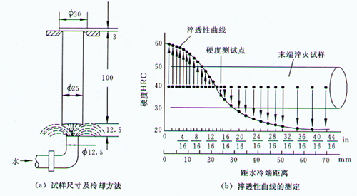
用末端淬火法测定钢的淬透性
淬透性可用“末端淬火法”来测定(见GB225-63)。将标准试样(Φ25×100mm)加热奥氏体化后, 迅速放入末端淬火试验机的冷却孔中, 喷水冷却。规定喷水管内径12.5mm, 水柱自由高度65±5mm, 水温20-30℃。图2-84(a)为末端淬火法示意图。显然, 喷水端冷却速度最大, 距末端沿轴向距离增大, 冷却速度逐渐减小, 其组织及硬度亦逐渐变化。在试样测面沿长度方向磨一深度0.2-0.5mm的窄条平面, 然后从末端开始,每隔一定距离测量一个硬度值, 即可测得试样沿长度方向上的硬度变化, 所得曲线称为淬透性曲线。
实验测出的各种钢的淬透性曲线均收集在有关手册中。同一牌号的钢, 由于化学成分和晶粒度的差异, 淬透性曲线实际上为有一定波动范围的淬透性带。
根据GB225-63规定, 钢的淬透性值用
表示。其中J表示末端淬火的淬
透性, d表示距水冷端的距离, HRC为该处的硬度。例如, 淬透性值
, 即表示距水冷端5mm试样硬度为42HRC。
在实际生产中, 往往要测定淬火工件的淬透层深度, 所谓淬透层深度即是从试样表面至半马氏体区(马氏体和非马氏体组织各占一半)的距离。在同样淬火条件下, 淬透层深度越大, 则反映钢的淬透性越好。

淬火试样断面上马氏体量和硬度的变化
2. 淬透性曲线的应用

利用淬透性曲线比较钢的淬透性
利用淬透性曲线, 可比较不同钢种的淬透性。淬透性是钢材选用的重要依据之一。 利用半马氏体硬度曲线和淬透性曲线,找出钢的半马氏体区所对应的距水冷端距离。该距离越大,则淬透性越好。图中可知40Cr钢的淬透性比45钢要好。
淬透性不同的钢材经调质处理后, 沿截面的组织和机械性能差别很大。图中40CrNiMo钢棒整个截面都是回火索氏体, 机械性能均匀, 强度高, 韧性好。而40Cr、40钢的都为片状索氏体+铁素体, 表层为回火索氏体, 心部强韧性差。截面较大、形状复杂以及受力较苛刻的螺栓、拉杆、锻模、锤杆等工件,要求截面机械性能均匀,应选用淬透性好的钢。而承受弯曲或扭转载荷的轴类零件、外层受力较大,心部受力较小,可选用淬透性较低的钢种。
(a)完全淬透; (b)淬透较大厚度; (c)淬透较小厚度
淬透性不同的钢调质后机械性能的比较
四.回火
钢件淬火后, 为了消除内应力并获得所要求的组织和性能,
将其加热到Ac1以下某一温度, 保温一定时间,
然后冷却到室温的热处理工艺叫做回火。
1.低温回火
回火温度为150℃~250℃。在低温回火时,从淬火马氏体内部会析出碳化物薄片(Fe2.4C), 马氏体的过饱和度减小。部分残余奥氏体转变为下贝氏体,
但量不多。所以低温回火后组织为回火马氏体+残余奥氏体。下贝氏体可忽略。
低温回火的目的是降低淬火应力,提高工件韧性,保证淬火后的高硬度(一般为58HRC~64HRC)和高耐磨性。
2.中温回火
回火温度为350℃~500℃,得到铁素体基体与大量弥散分布的细粒状渗碳体的混合组织,叫做回火屈氏体(回火T)。铁素体仍保留马氏体的形态,渗碳体比回火马氏体中的碳化物粗。
回火屈氏体具有高的弹性极限和屈服强度,同时也具有一定的韧性,硬度一般为35HRC~45HRC。
3. 高温回火
回火温度为500℃~650℃, 得到粒状渗碳体和铁素体基体的混和组织, 称回火索氏体。

回火索氏体
回火索氏体(回火S)综合机械性能最好, 即强度、塑性和韧性都比较好,硬度一般为25HRC~35HRC。通常把淬火加高温回火称为调质处理。
钢在回火时会产生回火脆性现象, 即在250℃~400℃和450℃~650℃两个温度区间回火后, 钢的冲击韧性明显下降。
钢回火时性能的变化:
钢的硬度随回火温度的变化 40钢机械性能与回火温度的关系
淬火钢中马氏体的碳含量、残余奥氏体量、
内应力及碳化物粒子大小与回火温度的关系


2.4.4 钢的表面热处理
仅对钢的表面加热、冷却而不改变其成分的热处理工艺称为表面热处理,
也叫表面淬火。
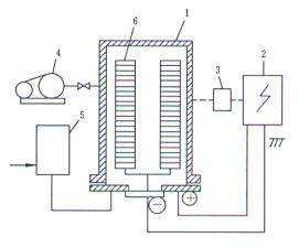
一.感应加热表面热处理
1.感应加热的基本原理
感应线圈中通以交流电时,即在其内部和周围产生一与电流相同频率的交变磁场。若把工件置于磁场中,则在工件内部产生感应电流,并由于电阻的作用而被加热。由于交流电的集肤效应,靠近工件表面的电流密度大,而中心几乎为零。工件表面温度快速升高到相变点以上,而心部温度仍在相变点以下。感应加热后,采用水、乳化液或聚乙烯醇水溶液喷射淬火,淬火后进行180-200℃低温回火,以降低淬火应力,并保持高硬度和高耐磨性。
|
|
感应加热表面淬火 | 感应加热表面淬火示意图 |
表面淬火一般用于中碳钢和中碳低合金钢,如45、40Cr、40MnB钢等。用于齿轮、轴类零件的表面硬化,提高耐磨性。
2.感应加热表面热处理的特点:
(1)
高频感应加热时,钢的奥氏体化是在较大的过热度(Ac3以上80℃~150℃)进行的, 因此晶核多,
且不易长大。
(2) 表面层淬得马氏体后,
由于体积膨胀在工件表面层造成较大的残余压应力, 显著提高工件的疲劳强度。
(3)
因加热速度快,没有保温时间,工件的氧化脱碳少。另外,由于内部未加热,工件的淬火变形也小。
(4)
加热温度和淬硬层厚度(从表面到半马氏体区的距离)容易控制,便于实现机械化和自动化。
二.火焰加热表面淬火
火焰加热表面淬火是用乙炔-氧或煤气-氧等火焰加热工件表面,进行淬火。
火焰加热表面淬火和高频感应加热表面淬火相比,具有设备简单,成本低等优点。但生产率低,零件表面存在不同程度的过热,质量控制也比较困难。因此主要适用于单件、小批量生产及大型零件(如大型齿轮、轴、轧辊等)的表面淬火。

火焰加热表面淬火示意图
2.4.5 钢的化学热处理
化学热处理是将钢件置于一定温度的活性介质中保温,使一种或几种元素渗入它的表面,改变其化学成分和组织,达到改进表面性能,满足技术要求的热处理过程。
一.渗碳
(1)工艺 为了增加表层的碳含量和获得一定碳浓度梯度,
钢件在渗碳介质中加热和保温,使碳原子渗入表面的工艺称为渗碳。将工件装在密封的渗碳炉中,加热到900℃~950℃,向炉内滴入煤油、苯、甲醇等有机液体,或直接通入煤气、石油液化气等气体,通过化学反应产生活性碳原子,使钢件表面渗碳。渗碳使低碳(0.15~0.30%)钢件表面获得高碳浓度(约1.0%)。
|
|
气体渗碳炉 | 气体渗碳装置示意图 |

低碳钢渗碳缓冷后的显微组织
(2)渗碳后的热处理
① 直接淬火 渗碳后直接淬火,由于渗碳温度高, 奥氏体晶粒长大, 淬火后马氏体较粗,
残余奥氏体也较多, 所以耐磨性较低, 变形较大。为了减少淬火时的变形, 渗碳后常将工件预冷到830℃~850℃后淬火。

② 一次淬火 是在渗碳缓慢冷却之后,
重新加热到临界温度以上保温后淬火,心部组织要求高时 一次淬火的加热温度略高于Ac3。对于受载不大但表面性能要求较高的零件,
淬火温度应选用Ac1以上30℃~50℃, 使表层晶粒细化, 而心部组织无大的改善,
性能略差一些。
③ 二次淬火 对于机械性能要求很高或本质粗晶粒钢,
应采用二次淬火。第一次淬火是为了改善心部组织, 加热温度为Ac3以上30℃~50℃。第二次淬火是为细化表层组织,
获得细马氏体和均匀分布的粒状二次渗碳体, 加热温度为Ac1以上30℃~50℃。
④渗碳、淬火后进行低温(150℃~200℃)回火, 以消除淬火应力和提高韧性。
(3)钢渗碳、淬火、回火后的性能:
① 表面硬度高,达58HRC~64HRC以上, 耐磨性较好;。心部韧性较好,
硬度较低,可达30~45HRC。
② 疲劳强度高。表层体积膨胀大,心部体积膨胀小,结果在表层中造成压应力,使零件的疲劳强度提高。
二.氮化
氮化就是向钢件表面渗入氮的工艺。氮化的目的在于更大地提高钢件表面的硬度和耐磨性,提高疲劳强度和抗蚀性。常用的氮化钢有35CrAlA, 38CrMoAlA,
38CrWVAlA等。
(1)工艺
目前广泛应用的是气体氮化。氨被加热分解出活性氮原子(2NH3→3H2+2[N]), 氮原子被钢吸收并溶入表面, 在保温过程中向内扩散,
形成渗氮层。
① 氮化温度 一般为500℃~600℃。氮化时间长,一般为20h~50h,

②氮化前零件须经调质处理 目的是改善机加工性能和获得均匀的回火索氏体组织,
保证较高的强度和韧性。对于形状复杂或精度要求高的零件,在氮化前精加工后还要进行消除内应力的退火,以减少氮化时的变形。
(2)组织和性能:
① 钢件氮化后具有很高的硬度(1000HV~1100HV), 且在600℃~650℃下保持不下降, 所以具有很高的耐磨性和热硬性。氮化后,工件的最外层为一白色ε或γ相的氮化物薄层,很脆。常用精磨磨去;中间是暗黑色含氮共析体(α+γ′)层;心部为原始回火索氏体组织。
|
|
Fe-N相图 | 38CrMoAl钢氮化层的显微组织 400× |
②钢氮化后, 渗层体积增大, 造成表面压应力,
使疲劳强度大大提高。
③氮化温度低, 零件变形小。
④氮化后表面形成致密的化学稳定性较高的ε相层, 所以耐蚀性好,
在水中、过热蒸气和碱性溶液中均很稳定。
三.碳氮共渗
碳氮共渗就是同时向零件表面渗入碳和氮的化学热处理工艺,也称氰化。一般采用高温或低温两种气体碳氮共渗。低温碳氮共渗以氮为主,实质为软氮化。
1.高温碳氮共渗工艺
将工件放入密封炉内,加热到共渗温度830℃~850℃,,向炉内滴入煤油,同时通以氨气,经保温1h~2h后,共渗层可达0.2mm~0.5mm。高温碳氮共渗主要是渗碳,但氮的渗入使碳浓度很快提高,从而使共渗温度降低和时间缩短。碳氮共渗后淬火,
再低温回火。
2.碳氮共渗后的机械性能
(1)共渗及淬火后, 得到的是含氮马氏体,
耐磨性比渗碳更好。
(2)共渗层具有比渗碳层更高的压应力, 因而疲劳强度更高,
耐蚀性也较好。
2.4.6
钢的热处理新技术
为了提高零件机械性能和表面质量, 节约能源,降低成本,提高经济效益,
以及减少或防止环境污染等, 发展了许多热处理新技术、新工艺。
一.可控气氛热处理
在炉气成分可控制的炉内进行的热处理称为可控气氛热处理。
把 燃料气(天然气、城市煤气、丙烷)按一定比例空气混合后,通入发生器进行加热,或者靠自身的燃烧反应而制成的气体。也可用液体有机化合物(如甲醇、乙醇、丙酮等)滴入热处理炉内所得到气氛,用于渗碳、碳氮共渗、软氮化、保护气氛淬火和退火等。
二.真空热处理
在真空中进行的热处理称为真空热处理。它包括真空淬火、真空退火、真空回火和真空化学热处理等。真空热处理具有如下优点:
(1)可以减少变形
在真空中加热,升温速度很慢,工件变形小。
(2)可以净化表面 在高真空中, 表面的氧化物、油污发生分解,
工件可得光亮的表面, 提高耐磨性、疲劳强度。防止工件表面氧化。
(3)脱气作用 有利于改善钢的韧性,
提高工件的使用寿命。
三.离子渗扩热处理

1-真空容器; 2-直流电源; 3-测温装置系统;
4-真空泵; 5-渗剂气体调节装置;
6-待处理工件
离子渗扩示意图
1. 离子氮化
离子氮化所用介质一般为氨气,
压强保持在1.3×102~1.3×103Pa, 温度为500℃~560℃, 渗层为Fe2N、Fe4N等氮化物,具有很高的耐磨性、耐蚀性和耐疲劳性。
离子氮化的优点:渗速是气体渗氮的3~4倍。渗层具有一定的韧性。处理后变形小,
表面银白色, 质量好。能量消耗低, 渗剂消耗少, 对环境几乎无污染。
离子渗氮可用于轻载、高速条件下工作的需要耐磨耐蚀的零件及精度要求较高的细长杆类零件,
如镗床主轴,精密机床丝杠、阀杆、阀门等。
2.
离子氮碳共渗+离子渗硫复合处理
先进行离子氮碳共渗, 介质为氨气+丙酮蒸汽, 共渗温度为530℃~580℃, 后再进行离子渗硫。W18Cr4V钢经复合处理后, 次表层为Fe2-3(N,C)化合物层, 表层主要由FeS、Fe3S4组成。由于硫化物具有自润滑性能, 因此降低了摩擦系数, 同时表面硫化物的存在还提高了工件的抗咬合性能。
次表层高硬度的氮碳化合物具有很高的耐磨性, 因此这种复合渗层抗摩耐磨性好, 适于模具、刃具的表面处理, 以提高它们的使用寿命。 |
|
W18Cr4V钢离子氮碳共渗 +离子渗硫复合处理渗层组织 |
2.5 钢的合金化 ☆ 老师提示:重点内容
在钢中加入合金元素后,钢的基本组元铁和碳与加入的合金元素会发生交互作用。钢的合金化目的是希望利用合金元素与铁、碳的相互作用和对铁碳相图及对钢的热处理的影响来改善钢的组织和性能。
2.5.1
合金元素与铁、碳的相互作用
合金元素加入钢中后,主要以三种形式存在钢中。即:与铁形成固溶体;与碳形成碳化物;在高合金钢中还可能形成金属间化合物。
1. 溶于铁中
几乎所有的合金元素(除Pb外)都可溶入铁中,
形成合金铁素体或合金奥氏体, 按其对α-Fe或γ-Fe的作用, 可将合金元素分为扩大奥氏体相区和缩小奥氏体相区两大类。
扩大γ相区的元素—亦称奥氏体稳定化元素, 主要是Mn、Ni、Co、C、N、Cu等,
它们使A3点(γ-Fe α-Fe的转变点)下降, A4点( γ-Fe的转变点)上升, 从而扩大γ-相的存在范围。其中Ni、Mn等加入到一定量后,
可使γ相区扩大到室温以下, 使α相区消失, 称为完全扩大γ相区元素。另外一些元素(如C、N、Cu等), 虽然扩大γ相区,
但不能扩大到室温, 故称之为部分扩大γ相区的元素。

缩小γ相区元素——亦称铁素体稳定化元素, 主要有Cr、Mo、W、V、Ti、Al、Si、B、Nb、Zr等。它们使A3点上升, A4点下降(铬除外, 铬含量小于7%时, A3点下降; 大于7%后,A3点迅速上升), 从而缩小γ相区存在的范围, 使铁素体稳定区域扩大。按其作用不同可分为完全封闭γ相区的元素(如Cr、Mo、W、V、Ti、Al、Si等)和部分缩小γ相区的元素(如B、Nb、Zr等)。

2. 形成碳化物
合金元素按其与钢中碳的亲和力的大小,
可分为碳化物形成元素和非碳化物形成元素两大类。
常见非碳化物形成元素有:Ni、Co、Cu、Si、Al、N、B等。它们基本上都溶于铁素体和奥氏体中。常见碳化物形成元素有:Mn、Cr、W、V、Nb、Zr、Ti等(按形成的碳化物的稳定性程度由弱到强的次序排列),它们在钢中一部分固溶于基体相中,一部分形成合金渗碳体,
含量高时可形成新的合金碳化合物。
钢中常见碳化物的类型及基本特性
表2-14 钢中常见碳化物的类型及基本特性
碳化物类型 | 常见碳化物 | 硬度, HV | 熔点/摄氏度 | 在钢中溶解的温度范围 /摄氏度 | 含有此类碳化物的钢种 | |
M3C | Fe3C | 900~1050 | ~1650 | Ac1至950~1000 | 碳钢 | |
(Fe, Mc)3C* | 稍大于900~1050 | Ac1至1050~1200 | 低合金钢 | |||
M23C6 | Cr23C6 | 1000~1100 | 1550 | 950~1100 | 高合金工具钢及不锈钢、耐热钢 | |
M7C3 | Cr7C3 | 1600~1800 | 1665 | 大于950, 直到熔点 | 少数高合金工具钢 | |
M2C | W2C | 回火时析出, 大于650~700时转变为M6C | 高合金工具钢, 如高速钢, Cr12MoV, 3Cr2W8V等 | |||
Mo2C | ||||||
M6C | Fe3W3C | 1200~1300 | 1150~1300 | 同上 | ||
Fe3Mo3C | ||||||
MC | VC | 1800~3200 | 2830 | 大于1100~1150 | 含钒大于0.3%的含钒合金钢 | |
NbC | 3500 | |||||
几乎不溶解 | 几乎所有含铌、钛钢种 | |||||
TiC | 3200 |
2.5.2
合金元素对Fe-Fe3C相图的影响
1.
对奥氏体和铁素体存在范围的影响
扩大或缩小γ相区的元素均同样扩大或缩小Fe-Fe3C相图中的γ相区, 且同样Ni或Mn的含量较多时, 可使钢在室温下得到单相奥氏体组织 (如1Cr18Ni9奥氏体不锈钢和ZGMn13高锰钢等), 而Cr、Ti、Si等超过一定含量时, 可使钢在室温获得单相铁素体组织 (如1Cr17Ti高铬铁素体不锈钢等)。
2. 对Fe-Fe3C相图临界点(S和E点)的影响
扩大γ相区的元素使Fe-Fe3C相图中的共析转变温度下降, 缩小γ相区的元素则使其上升, 并都使共析反应在一个温度范围内进行。几乎所有的合金元素都使共析点(S)和共晶点(E)的碳含量降低,即S点和E点左移, 强碳化物形成元素的作用尤为强烈。
2.5.3
合金元素对钢热处理的影响
合金元素的加入会影响钢在热处理过程中的组织转变。
1.
合金元素对加热时相转变的影响 合金元素影响加热时奥氏体形成的速度和奥氏体晶粒的大小。
(1)对奥氏体形成速度的影响: Cr、Mo、W、V等强碳化物形成元素与碳的亲合力大,
形成难溶于奥氏体的合金碳化物, 显著减慢奥氏体形成速度;Co、Ni等部分非碳化物形成元素, 因增大碳的扩散速度,
使奥氏体的形成速度加快;Al、Si、Mn等合金元素对奥氏体形成速度影响不大。
(2)对奥氏体晶粒大小的影响:大多数合金元素都有阻止奥氏体晶粒长大的作用,
但影响程度不同。强烈阻碍晶粒长大的元素有:V、Ti、Nb、Zr等;中等阻碍晶粒长大的元素有:W、Mn、Cr等;对晶粒长大影响不大的元素有:Si、Ni、Cu等;促进晶粒长大的元素:Mn、P等。
2.
合金元素对过冷奥氏体分解转变的影响
除Co外, 几乎所有合金元素都增大过冷奥氏体的稳定性,
推迟珠光体类型组织的转变, 使C曲线右移, 即提高钢的淬透性。常用提高淬透性的元素有:Mo、Mn、Cr、Ni、Si、B等。必须指出,
加入的合金元素, 只有完全溶于奥氏体时, 才能提高淬透性。如果未完全溶解, 则碳化物会成为珠光体的核心, 反而降低钢的淬透性。另外,
两种或多种合金元素的同时加入(如, 铬锰钢、铬镍钢等), 比单个元素对淬透性的影响要强得多。

除Co、Al外, 多数合金元素都使Ms和Mf点下降。其作用大小的次序是:Mn、Cr、Ni、Mo、W、Si。其中Mn的作用最强, Si实际上无影响。Ms和Mf点的下降, 使淬火后钢中残余奥氏体量增多。残余奥氏体量过多时,可进行冷处理(冷至Mf点以下), 以使其转变为马氏体; 或进行多次回火, 这时残余奥氏体因析出合金碳化物会使Ms、Mf点上升, 并在冷却过程中转变为马氏体或贝氏体(即发生所谓二次淬火)。
3.
合金元素对回火转变的影响
(1)提高回火稳定性 合金元素在回火过程中推迟马氏体的分解和残余奥氏体的转变(即在较高温度才开始分解和转变), 提高铁素体的再结晶温度,
使碳化物难以聚集长大,因此提高了钢对回火软化的抗力, 即提高了钢的回火稳定性。提高回火稳定性作用较强的合金元素有:V、Si、Mo、W、Ni、Co等。
(2)产生二次硬化 一些Mo、W、V含量较高的高合金钢回火时, 硬度不是随回火温度升高而单调降低, 而是到某一温度(约400℃)后反而开始增大,
并在另一更高温度(一般为550℃左右)达到峰值。这是回火过程的二次硬化现象, 它与回火析出物的性质有关。当回火温度低于450℃时,
钢中析出渗碳体; 在450℃以上渗碳体溶解, 钢中开始沉淀出弥散稳定的难熔碳化物Mo2C、W2C、VC等, 使硬度重新升高,
称为沉淀硬化。回火时冷却过程中残余奥氏体转变为马氏体的二次淬火所也可导致二次硬化。
试一试:碳质量分数为0.35%的钼钢的回火温度与硬度的关系
产生二次硬化效应的合金元素
产生二次硬化的原因 | 合 金 元 素 |
残余奥氏体的转变 沉淀硬化 | Mn、Mo、W、Cr、Ni、Co①、V V、Mo、W、Cr、Ni①、Co① |
①仅在高含量并有其他合金元素存在时, 由于能生成弥散分布的金属间化合物才有效。
(3)增大回火脆性 和碳钢一样, 合金钢也产生回火脆性, 而且更明显。这是合金元素的不利影响。在450℃-600℃间发生的第二类回火脆性(高温回火脆性) 主要与某些杂质元素以及合金元素本身在原奥氏体晶界上的严重偏聚有关, 多发生在含Mn、Cr、Ni等元素的合金钢中。 这是一种可逆回火脆性, 回火后快冷(通常用油冷)可防止其发生。钢中加入适当Mo或W(0.5%Mo, 1%W)也可基本上消除这类脆性。
铬镍钢的韧性与回火温度的关系

2.5.4
合金元素对钢的机械性能的影响
提高钢的强度是加入合金元素的主要目的之一。欲提高强度,
就要设法增大位错运动的阻力。金属中的强化机制主要有固溶强化、位错强化、细晶强化、第二相(沉淀和弥散)强化。合金元素的强化作用,
正是利用了这些强化机制。
1.
对退火状态下钢的机械性能的影响
结构钢在退火状态下的基本相是铁素体和碳化物。合金元素溶于铁素体中,
形成合金铁素体, 依靠固溶强化作用, 提高强度和硬度, 但同时降低塑性和韧性。
2.对退火状态下钢的机械性能的影响
由于合金元素的加入降低了共析点的碳含量、使C曲线右移,
从而使组织中的珠光体的比例增大, 使珠光体层片距离减小, 这也使钢的强度增加, 塑性下降。但是在退火状态下, 合金钢没有很大的优越性。
由于过冷奥氏体稳定性增大,
合金钢在正火状态下可得到层片距离更小的珠光体, 或贝氏体甚至马氏体组织, 从而强度大为增加。Mn、Cr、Cu的强化作用较大,
而Si、Al、V、Mo等在一般含量(例如一般结构钢的实际含量)下影响很小。
3.
对淬火、回火状态下钢的机械性能的影响
合金元素对淬火、回火状态下钢的强化作用最显著,
因为它充分利用了全部的四种强化机制。淬火时形成马氏体, 回火时析出碳化物, 造成强烈的第二相强化,同时使韧性大大改善,
故获得马氏体并对其回火是钢的最经济和最有效的综合强化方法。
合金元素加入钢中, 首要的目的是提高钢的淬透性,
保证在淬火时容易获得马氏体。其次是提高钢的回火稳定性, 使马氏体的保持到较高温度,使淬火钢在回火时析出的碳化物更细小、均匀和稳定。这样, 在同样条件下,
合金钢比碳钢具有更高的强度。
2.5.5
合金元素对钢的工艺性能的影响
1.
合金元素对钢铸造性能的影响
固、液相线的温度愈低和结晶温区愈窄,
其铸造性能愈好。合金元素对铸造性能的影响, 主要取决于它们对Fe-Fe3C相图的影响。另外, 许多元素,
如Cr、Mo、V、Ti、Al等在钢中形成高熔点碳化物或氧化物质点, 增大钢的粘度, 降低流动性, 使铸造性能恶化。
2.合金元素对钢塑性加工性能的影响
塑性加工分热加工和冷加工。合金元素溶入固溶体中,
或形成碳化物(如Cr、Mo、W等), 都使钢的热变形抗力提高和热塑性明显下降而容易锻裂。一般合金钢的热加工工艺性能比碳钢要差得多。
3.
合金元素对钢焊接性能的影响
合金元素都提高钢的淬透性, 促进脆性组织(马氏体)的形成,
使焊接性能变坏。但钢中含有少量Ti和V, 可改善钢的焊接性能。
4.
合金元素对钢切削性能的影响 切削性能与钢的硬度密切相关,
钢是适合于切削加工的硬度范围为170HB~230HB。一般合金钢的切削性能比碳钢差。但适当加入S、P、Pb等元素可以大大改善钢的切削性能。
5.
合金元素对钢热处理工艺性能的影响
热处理工艺性能反映钢热处理的难易程度和热处理产生缺陷的倾向。主要包括淬透性、过热敏感性、回火脆化倾向和氧化脱碳倾向等。合金钢的淬透性高, 淬火时可以采用比较缓慢的冷却方法,可减少工件的变形和开裂倾向。加入锰、硅会增大钢的过热敏感性。
2.6 表面技术
简述
1.表面技术的定义
材料表面工程技术是指通过一些物理、化学工艺方法使材料表面具有与基体材料不同的组织结构、化学成分和物理状态,从而使经过处理后的表面具有与基体材料不同的性能。经过表面处理后的材料,其基体材料的化学成分和力学性能并未发生变化(或未发生大的变化),但其表面却具有一些特殊性能,如高的耐磨性、耐蚀性、抗氧化性、耐热性、导电性、电磁特性、光学性能等。
2.表面技术的分类
表面工程技术的种类繁多,可以按表面技术的工艺特点分为以下几类:
表面热处理
表面机械强化处理
电镀、化学镀
热喷涂
气相沉积镀膜
高能束表面处理等。
2.6.1电刷镀
1.普通电镀过程的步骤
(1)金属的水合离子或络离子从溶液内部迁移到阴极界面;
(2)金属水合离子脱水或络离子解离,金属离子在阴极上得到电子发生还原反应生成金属原子;
(3)还原的原子进入晶格结点。
2.电刷镀
电刷镀是电镀的一种特殊方式,不用镀槽,只需在不断供应电解液的条件下,用一支镀笔在工件表面上进行擦拭,从而获得电镀层,所以,电刷镀又称无槽镀或涂镀。
3.电刷镀过程
电刷镀工作过程的示意图。直流电源的正极通过导线与镀笔相联,负极通过导线和工件相联,当电流方向由镀笔流向工件时为正向电流,正向电流接通时发生电沉积;电流方向从工件流向镀笔时为反向电流,反向电流接通时工件表面发生溶解。

1—工件 2—刷镀液 3—注液管 4—包套
5—刷镀笔 6—电源 7—阳极
8—集液盘
电刷镀工作过程的示意图

4.电刷镀的特点
①
镀层结合强度高,在钛、铝、铜、铬、高合金钢和石墨上也具有很好的结合强度;
② 设备简单、工艺灵活、操作方便,
可以在现场作业;
③ 可对某些重量重、体积大的零件实行局部电镀;
④
生产效率高。电刷镀的速度是一般槽镀的10~15倍;辅助时间少;且可节约能源,是槽镀耗电量的几十分之一;
⑤操作安全,刷镀液可循环使用,
耗量小,对环境污染小。
5.电刷镀的主要应用
用于机械设备的维修,或改善零部件的表面理化性能。如滚动轴承的修理;轴颈、孔类零件的修理;平面、键槽的维修。低应力镍、钴、锌、钢等电刷镀层可用于防腐;铝电刷镀碱铜可以实现铝和其它金属的钎焊等。
2.6.2
热喷涂技术
将金属或非金属固体材料加热至熔化或半熔软化状态,然后将它们高速喷射到工件表面上,形成牢固涂层的表面加工方法称为热喷涂技术。
1.热喷涂技术的分类
根据热源的不同,可分为火焰喷涂、等离子喷涂、电弧喷涂、激光喷涂等
2.热喷涂技术的主要特点
(1) 涂层和基体材料广泛
(2) 热喷涂工艺灵活,
喷涂层、喷焊层的厚度可以在较大范围内变化。
(3)
热喷涂时基体受热程度低,一般不会影响基体材料的组织和性能。
(4) 喷焊时,母材对涂层的稀释率较低,有利于喷涂合金材料的充分利用。
(5) 热喷涂有着较高的生产效率 成本低,效益显著。

热喷涂

3.热喷涂的工艺过程
热喷涂的工艺过程包括喷涂材料加热熔化阶段、熔滴的雾化阶段、粒子的飞行阶段、粒子的喷涂阶段、涂层形成过程等。
4.喷焊
热喷涂技术也包含喷焊工艺。喷焊是指用热源将喷涂层加热到熔化,使喷涂层的熔融合金与基材金属互溶、扩散,形成类似钎焊的冶金结合,这样所得到的涂层称为喷焊层。
5.等离子喷涂
等离子喷涂是以等离子弧为热源,以喷涂粉末材料为主的热喷涂方法。
① 等离子喷涂的步骤
等离子喷涂时,在阴极和阳极(喷嘴)之间产生一直流电弧,该电弧把导入的工作气体加热电离成高温等离子体并从喷嘴喷出形成等离子焰。粉末由送粉气体送入火焰中被熔化、加速、喷射到基体材料上形成膜。工作气体可用氩气、氮气,或由这些气体中再掺入氢气,也可采用氩和氦的混合气体。
② 等离子喷涂的特点
等离子喷涂具有以下特点:
(1)能够喷涂多种喷涂材料,尤其能喷涂熔点高的难熔材料,如难熔金属、陶瓷、金属陶瓷及其它特殊功能材料;
(2)可以选择惰性为工作介质,减少喷涂粒子在飞行过程中的氧化反应;
(3)涂层的结合强度高,气孔率低;能通过控制工艺参数制备精细涂层。
③ 等离子喷涂的主要设备
包括喷涂枪、送粉机构、整流电流、供气系统、水冷系统及控制系统。

等离子喷涂设备总图
1-主电源;2-直流电源;3-冷却水泵;4-水冷器;5-预热器;
6-压力计;7-流量计;8-载粉气;9-送粉器;10-控制台;
11-等离子枪;12-工作气体
2.6.3
气相沉积技术
1.
气相沉积技术简介
气相沉积技术是指在真空下用各种方法获得的气相原子或分子在基体材料表面沉积以获得薄层镀膜的技术。它既适合于制备超硬、耐蚀、耐热、抗氧化的机械薄膜,又适合于制备磁记录、信息存储、光敏、热敏、超导、光电转换等功能薄膜,还可用于制备装饰性镀膜。
① 气相沉积技术的分类
物理气相沉积PVD(Physical Vapour
Deposition)
化学气相沉积CVD (Chemical Vapour
Deposition)
② 气相沉积的基本步骤
提供气相镀料
镀料向所镀制的基体材料的输送
镀料在基体材料上沉积成膜
③ 常用的超硬耐磨涂层
TiC、TiN、Ti(C,N)、(Ti,Al)N、Cr7C3、Al2O3、C-BN 等。
2.
物理气相沉积
在沉积环境中,以各种物理方法产生的原子或分子沉积在基体上,形成薄膜或涂层的过程称为物理气相沉积(PVD)。
(1) 真空蒸镀
在高真空中使金属合金或化合物蒸发,然后凝聚在基体表面上的方法称为真空蒸镀。
1) 影响真空蒸镀膜质量的主要因素 基材表面状态、基材温度、蒸镀温度、基材表面粗糙度、表面显微组织等
2) 真空蒸镀时所用热源的种类 电阻加热源、电子束加热源、高频感应加热源、激光加热源、离子蒸镀源
(2)
阴极溅射沉积
阴极溅射沉积是用荷能粒子轰击某一靶材(阴极)使靶材表层原子以一定的能量逸出,然后在基材表面沉积成膜的过程。
阴极溅射沉积的主要特点: 结合力高, 容易得到高熔点物质的薄膜,
可以在较大面积上得到均一的薄膜, 可以控制膜的组成,制出合金膜, 可以长时间地连续运转, 有良好的再现性,几乎可以制造一切物质的薄膜。
(3)
磁控溅射沉积
磁控溅射沉积的特点是在阴极靶面建立了一个环形磁场,以控制二次电子的运动,离子轰击靶面所产生的二次电子在阴极暗区被电场加速之后飞向阳极。

阴极溅射沉积系统简图
(4) 离子镀
在镀膜的同时,采用带能离子轰击基材表面和镀膜层的镀膜技术称为离子镀。离子轰击的目的在于改善膜层的性能。
1) 离子镀技术种类

(a)高频放电离子镀(b)空心阴极放电离子镀(HCD)
(c) 感应加工离子镀
主要的离子镀技术示意图
2) 离子镀的特点 粘着力强、均镀能力好、被镀基体材料和镀层材料可广泛搭
配、工艺无污染。
(5)
多弧离子镀

多弧离子镀工艺示意图
该法的蒸发金属靶用水冷却,里面装有磁铁。靶上接正负电压,使之在圆盘状靶上进行电弧放电,电弧电流可达105~107A/cm2,
使金属被蒸发,并且由于电弧放电中电子的冲击使蒸发到弧柱中的金属电离成为等离子状态,在具有负压的基体上发生沉积。
多弧离子镀的特点
1)蒸发源多,膜厚分布均匀
2)有效地利用真空室
3)靶材辐射热被水冷,可使工件保持低温
4)等离子体密度高,表面可被离子轰击洁净,而且可增大偏压,所以结合力好。
3.
化学气相沉积(CVD)
利用气态化合物或化合物的混合物在基体材料表面(通常为热表面)上发生气相化学反应,从而在基材表面上形成镀膜的技术称为化学气相沉积。
①
CVD主要的过程
产生挥发性化合物
把挥发性化合物运到沉积区
发生化学反应生成固态产物
②
等离子体增强化学气相沉积(PCVD)
利用直流或射频放电等离子体内的高能电子激活反应气体分子使之离解或电离,从而获得在化学上非常活泼的激发分子、离子、原子或大量活性原子团等,并在基体表面上沉积镀膜。通常CVD法使气态物质处于高温,经化学反应制备涂层,而PCVD法借助于等离子体作用,使化学反应得以进行。
2.6.4
激光表面改性
激光表面改性是将激光束照到工件的表面,用以去除或熔化材料以及改变材料表面性能的加工方法。
1.
激光表面改性的特点
(1)
高功率密度激光能量集中,与工件表面作用时间短,适于局部表面处理,对工件正体热影响小,因此热变形很小。
(2)
工艺操作灵活简便,柔性大,改性层有足够厚度,适于工程要求。
(3)
结合良好,改性层内部、改性层和基体间呈冶金结合,不易剥落。
2.
激光表面处理技术
(1)激光淬火(激光相变硬化)
以高能量的激光束快速扫描工件,使材料表面极薄一层的局部小区域内快速吸收能量而使温度急剧上升(升温速度可达105℃/s~106℃/s),此时工件基体仍处于冷态,激光离去后,由于热传导的作用,此局部区域内的热量迅速传递到工件其它部位,冷却速度可达105℃/s以上,使该局部区域在瞬间进行自冷淬火,因而使材料表面发生相变硬化。

激光表面处理
(2)
激光表面合金化
激光表面合金化是指在高能激光束作用下,将一种或多种合金元素与基材表面快速熔凝,使材料表层获得具有预定的高合金特性的技术。
(3)激光表面熔覆
激光表面熔覆是指利用激光加热基材表面以形成一个较浅的熔池,同时送入预定成份的合金粉末一起熔化后迅速凝固、或者是将预先涂敷在基材表面的涂层与基材一起熔化后迅速凝固,以得到一层新的熔覆层。

同步注粉式激光表面熔覆处理示意图
(4)激光上釉
激光束(功率密度高达104W/cm2~105W/cm2)在金属表面迅速扫描时,激光束使厚度为1mm~10mm的金属表层快速熔化,表层与基体间形成很大的温度梯度;表层的冷却速度高达105℃/s,熔化层凝固后形成极细乃至超细的晶体结构,甚至形成非晶层。
小结
1.
金属结晶的条件是要有一定的过冷度,金属结晶的推动力是固态金属和液态金属之间的自由能差。结晶由生核和长大二个过程组成。某些金属会发生同素异构转变。生产中可以采取措施细化铸态金属的晶粒。
2.
固态合金有二种类型的相:固溶体和金属化合物。合金的结晶可以用相图来分析。常用的有匀晶相图和共晶相图。铁碳相图中包含5种相,铁碳合金的平衡结晶过程用铁碳相图来分析,铁碳合金室温平衡组织中的组成相和组织组成物的质量分数可以用杠杆定律求出。
3.金属的塑性变形机理有滑移和孪生二种。塑性变形使金属晶粒变形(拉长或压扁),位错密度增加,产生残余内应力,大的变形量可产生形变织构。冷塑性变形使金属产生加工硬化现象(形变强化)。再结晶形成新的等轴晶,可以消除加工硬化。T再结晶 =(0.35 ~ 0.4)T熔点
4.过冷奥氏体的转变产物可用等温转变曲线(C曲线)进行分析。过冷奥氏体的转变产物有:珠光体(P)、索氏体(S)、屈氏体(T)、上贝氏体(上B)、下贝氏体(下B)、马氏体(M)。
钢的热处理工艺有:退火、正火、淬火、回火、表面热处理和化学热处理。影响淬透性高低的主要因素是合金元素,影响淬硬性高低的主要因素是碳的质量分数。
5.合金元素在钢中的作用有:提高钢的淬透性,细化晶粒,提高钢的回火稳定性,防止回火脆性,二次硬化,固溶强化,第二相强化(弥散强化),增加韧性,提高钢的耐蚀性或耐热性。不同的合金元素在不同的钢中的作用是不一样。
6.表面处理新技术包括电刷镀、热喷涂、气相沉积和激光强化等。表面技术可以大大提高工程材料的耐蚀、耐磨、耐疲劳性能,延长工件的使用寿命,具有重要的经济意义。
| |































