4种不锈钢和合金元素的作用
不锈钢有奥氏体型、马氏体型、铁素体型、双相不锈钢4种(表1 )。

这是根据不锈钢在室温时的金相组织划分的。当低碳钢被加热到1550℉时,其组织从室温时的铁素体相转变成奥氏体相。而冷却时,低碳钢组织又重新转变成铁素体。高温时存在的奥氏体组织是非磁性的,而且相比室温铁素体组织其强度较小,韧性较好。
当钢中的Cr含量大于16%时,室温的铁素体组织得到固定使得钢材在所有温度范围内保持铁素体态。因此,称为铁素体不锈钢。当Cr含量大于17%,Ni含量大于7%时,奥氏体相得到固定,使得从低温到几乎熔点的范围内均保持奥氏体态。
奥氏体不锈钢通常称为“Cr-Ni”型,马氏体和铁素体不锈钢直接称为“Cr”型。不锈钢和填充金属中的元素可分为奥氏体形成元素和铁素体形成元素。最主要的奥氏体形成元素有Ni、C、Mn和N,铁素体形成元素有Cr、Si、Mo和Nb。调整元素含量可控制焊缝中的铁素体含量。
奥氏体型不锈钢相比含Ni量低于5%的不锈钢更容易焊接而且焊接质量更好。奥氏体不锈钢的焊接接头强韧性很好,一般不需要焊前预热和焊后热处理。在不锈钢焊接领域,奥氏体不锈钢占全部不锈钢用量的80%,因此本文的重点就是奥氏体不锈钢的焊接。
如何选择正确的不锈钢焊材?
如果母材是相同的,首要准则就是“与母材匹配”。例如焊接310或316不锈钢,就选择相应的焊材。
焊接异种材料,则遵循选择与合金元素含量高的母材相匹配的准则。例如焊接304和316不锈钢,则选择316型焊材。
但是,也存在很多不遵循“匹配母材”原则的特殊情况,这时就要“查阅焊材选择表”。例如,304型不锈钢是最常见的母材,但是没有304型的焊条。
假如要焊材与母材匹配,如何选择焊材来焊接304不锈钢?
焊接304不锈钢时,使用308型焊材,因为308不锈钢中的额外元素可以更好的稳定焊缝区域。
308L也是一个可接受的选择。L表示低碳含量,3XXL不锈钢表示碳含量≤ 0.03%,而标准的3XX不锈钢可最高含有0.08%的碳含量。
由于L型焊材与非L型焊材属于同一类型的分类,因此生产产商应该特别考虑使用L型焊材,因为它的低碳含量可以减少晶间腐蚀的倾向(图1)。实际上,笔者认为如果生产厂商希望升级产品的话,L型焊材将获得更广泛的应用。

图1 使用L型焊材可降低发生晶间腐蚀的倾向
采用GMAW方法焊接的生产厂商也考虑使用3XXSi型焊材,因为Si可改善润湿性(图2)。在焊件具有较高隆起或者在角焊缝或搭接焊缝的焊趾处焊接熔池连接不良的情况下,使用含Si的气保焊丝可润湿焊缝并提高熔敷率。

图2 为改善GMAW焊接中的焊材润湿性,选用含Si焊丝,如308L Si或316L Si
如果考虑碳化物析出,可选择含有少量Nb元素的347型焊材(最后一个问题)。
如何焊接不锈钢与碳钢?
为了降低成本,一些结构件会在碳钢表面焊接一层耐腐蚀层。当焊接不含合金元素的母材与含合金元素的母材时,使用合金含量更高的焊材以平衡焊缝中的稀释率。
焊接碳钢和304或316不锈钢时,以及其他异种不锈钢焊接时(表2),多数情况下考虑选用309L焊材。如果希望得到更高的Cr含量,则选用312型。

需要指出的是,奥氏体不锈钢的热膨胀率比碳钢高50%。当焊接时,热膨胀率的差异会产生内应力,从而导致裂纹产生,这时需要选择合适的焊材或指定合适的焊接工艺(图3)。

图3 焊接碳钢和不锈钢时,由于热膨胀率不同导致的翘曲变形需更大程度的补偿
什么是合适的焊前清理操作?
当与其他材料焊接时,首先使用不含氯离子的溶剂清除油污、标记和灰尘。此外,焊接不锈钢时首先要注意的就是避免受到碳钢的污染而影响耐蚀性。一些公司采用不锈钢和碳钢分开存放以避免交叉污染。在清理坡口周围区域时,使用针对不锈钢的专用磨砂轮和刷子。有时还需要对接头处进行二次清理。由于不锈钢焊接时的电极补偿操作比焊接碳钢时更难,因此其接头清理工作非常重要。
什么是正确的焊后清理操作?为什么不锈钢焊件会生锈?
首先,我们回想一下,不锈钢不生锈的原因是:Cr与O的反应在材料表面生成了一层致密的氧化物层,并起到了保护作用。不锈钢生锈是因为碳化物的析出(见最后一个问题)以及焊接过程中的加热造成焊件表面生成了铁的氧化物。在焊态,完美的焊件也可能在24小时内在焊接热影响区边界处的生锈地方产生咬边。
因此,为了使新的铬氧化物重新生成,不锈钢焊接后需要磨光、酸洗、打磨或者洗刷。需要强调的是,打磨机和刷子必须专有专用。
如何更轻松地焊接双相不锈钢?
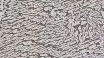
通常,双相不锈钢组织中的奥氏体相和铁素体相各占50%左右。铁素体相的存在可以提高强度和耐应力腐蚀性能,而奥氏体相可以提高韧性。两相的共同作用使得双相不锈钢的性能更加优异(图5)。双相不锈钢的范围很广,最常见的型号是2205:含有22%Cr,5%Ni,3%Mo以及0.15%N。

图5 双相不锈钢综合了铁素体和奥氏体的优点。图片是铁素体基体上分布着奥氏体相(白色部分)的双相焊缝组织
在焊接双相不锈钢时,太多铁素体的存在可能造成一些问题(电弧的热量使得铁素体基体中的原子重新排序)。为此,焊材需要提供更多的奥氏体形成元素,通常是比母材高2-4%的Ni。例如,焊接2205不锈钢时用的药芯焊丝含有8.85%Ni。
焊后,焊缝中的铁素体含量在25-55%之间(也可能更高)。注意:焊后冷却速度要足够慢,使得奥氏体重新形成,但是不能太慢,太慢会析出金属间相,也不能太快,太快会在热影响区产生过多的铁素体。务必遵循产商提供的焊接工艺和焊材选择手册。
如何为选择焊材做准备?
首先,要在焊件的终端应用方面收集信息,包括服役环境(特别是服役温度,是否有腐蚀介质以及期望的耐腐蚀程度)和期望的服役寿命。服役条件下所需的力学性能的信息也很重要,如强度,韧性,塑性和疲劳性能。
大多数领先的焊材厂商都会为选择焊材提供指导手册,在此,笔者再次强调:建议参阅焊材应用手册或者联系他们的技术专家。他们会帮助我们更正确的选择不锈钢焊材。


