案例分享:气体渗氮后磨削崩边
配油盘(见图1)是液压泵总成中的一个重要零件,与转子组件组成液压泵中的关键摩擦副。该配油盘材质为38CrMoAl,加工工艺流程为:锻造→正火→调质→车铣加工→渗氮→磨削。其中调质技术要求为:调质硬度30~36HRC,金相组织按GB/T 11354—2005要求为1~2级;渗氮技术要求为:表面硬度≥900HV10,渗氮硬化层深度0.2~0.4mm,渗氮层脆性、疏松、氮化物均为1~2级合格。
图1 配油盘宏观照片
某批零件在磨削工序出现裂纹、崩边脱落现象,如图2所示,问题零件共200余件,缺陷均集中在配油盘的平面侧,球面侧未发现类似问题。针对这一问题,进行理化检验分析,以找出具体原因。
图2 配油盘崩边脱落照片
使用直读式光谱仪对零件进行化学成分分析,该零件设计材质为38CrMoAl,实测结果见表1。表1 配油盘化学成分(质量分数) (%)

从化学成分可以看出,零件化学成分符合GB/T 3077—2015中关于38CrMoAl的要求。对零件正常部位取样进行渗氮性能检验,包括表面硬度、脆性等级、疏松等级、氮化物等级,结果见表2。表2 配油盘正常无裂纹处渗氮表面硬度等参数

由表2可看出,正常部位渗氮后表面硬度、金相组织等均符合技术要求。
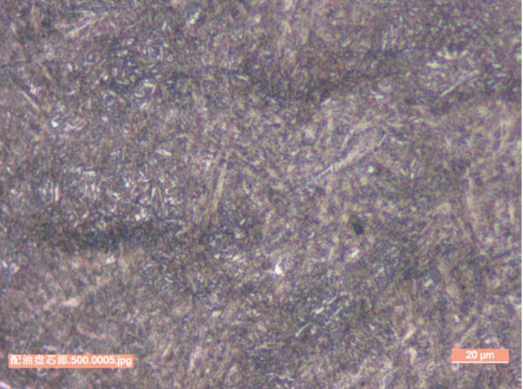
针对以上结果,特对发生裂纹崩边处进行取样,检验其渗氮金相组织,检验结果如图3所示。
图3 配油盘崩边脱落处金相
从图3可看出,零件表面最外层存在全脱碳层,氮化物严重超标,呈连续网状分布。个别严重部位表面氮化物层已脱落,残留次表面的脱碳层。经过以上理化分析,造成裂纹崩边的直接原因是尖边部位渗氮后表面产生严重的氮化物,在磨削过程中,尖边处与砂轮摩擦会产生裂纹进而崩边脱落。而造成严重氮化物的根本是渗氮前表面存在脱碳层,给严重氮化物的产生提供了基础。下一步将对调质态毛坯样件进行分析,以查找表面脱碳层产生的原因。对调质状态原材料进行脱碳层深度检验,按GB/T 224—2008所规定的测定方法进行测定。实测脱碳层深约0.31mm,如图4所示,调质态金相组织如图5所示。

图4 调质态脱碳层深

图5 调质态金相组织
该工件表面预留加工余量约1.2mm,从理论上来说0.31mm的脱碳层是完全可以去除的,按厂内检验标准脱碳层深度不得超过成品加工余量的1/3,该调质态毛坯的脱碳层深是合格的。
最后通过对机加工过程的调查发现,该工件在前序车铣加工工序中,存在黑皮车不全等缺陷。对机加工定位夹紧工装进行验证,发现角度定位工装出现偏移误差,造成球面侧与平面侧实际加工余量严重偏差。通过演示计算分析,该批工件实际加工过程中,平面侧加工余量最小处仅0.1mm,这就不能完全去除脱碳层,为后来的渗氮工序埋下隐患。
(1)该批配油盘尖角棱边处氮化物超标,造成脆性严重,需报废处理。(2)渗氮前零件表面不允许存在脱碳层,原材料检验过程中,应严格控制原材料脱碳层深度,不得超过后续加工余量的1/3。(3)各工序加工过程中应加强自检,冷加工和热加工工序间应加强沟通。作者:赵晓秀,刘爱龙,孟凡涛,杨同光
单位:山东常林机械集团股份有限公司节能液压元件及系统国家重点实验室
来源:《金属加工(热加工)》杂志
(本平台"常州精密钢管博客网"的部分图文来自网络转载,转载目的在于传递更多技术信息。我们尊重原创,版权归原作者所有,若未能找到作者和出处望请谅解,敬请联系主编微信号:steel_tube,进行删除或付稿费,多谢!)