马氏体、奥氏体、珠光体,20种材料彩色金相图,带你轻松识别!
隔行如隔山,医生看内科行医,我们金属材料也有内科,金相就是我们金属材料的基因代码,就是金属的语言。
下面这张铁碳合金相图
估计直观学机械80%的读者都接触过
这是大家开始了解金属材料的基础
↓↓

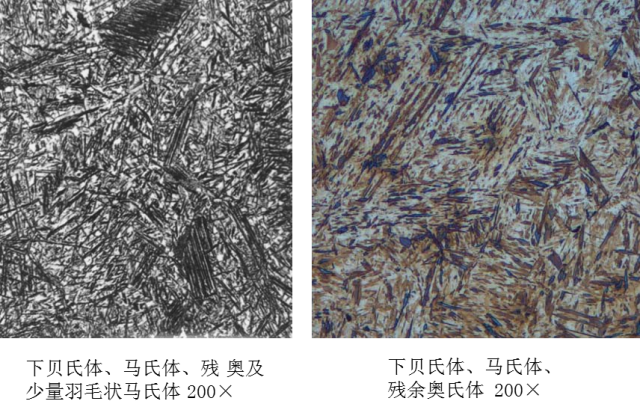
今天,小编带大家一起走进金属材料,看看我们平日里所相处的这些硬邦邦的铁疙瘩到底有怎样的内心世界。下面展示的是20种材料的金相,有浸蚀方法、放大倍数,以及你们识别的显微组织。




















看的是不是很兴奋,美吧,说明金属也是有内涵的,你们之前没有发觉而已。上面出现了马氏体、奥氏体、珠光体、人体。。。等等,这些金相组织是如何定义的,它们又有那些特征呢,接下来咱们继续带领大家深入了解(看到这里的读者,我觉得你们应该给自己鼓鼓掌,你们是真的喜欢直观学机械,不,是喜欢机械、金属)。















注意:今天这份资料十分有价值,也是我们所说的硬货,小编还是叮嘱大家一下,能转发到朋友圈或者微信群里的尽量转转,对很多读者还是有用的。我们要把科普的种子撒在每一个喜欢机械的心灵上
,别砸在小编手里喽。这可是5年来小编第一次要求大家。
(本平台"常州精密钢管博客网"的部分图文来自网络转载,转载目的在于传递更多技术信息。我们尊重原创,版权归原作者所有,若未能找到作者和出处望请谅解,敬请联系主编微信号:steel_tube,进行删除或付稿费,多谢!)