42CrMo中碳合金钢调质后具有优良的塑韧性和冲击性能的配合,由于其具有优良的综合力学性能,因此,在工程建设中得到广泛的应用。我公司应用42CrMo锻件作为某工程建设中必不可少的轴类结构件,此工件尺寸为Ф130mm、长500mm。热处理后锯切工件连体试棒时发现内裂纹。
1.材料与工艺
开裂轴加工工序为:圆钢下料→锻造→正火→粗加工→超声波探伤→调质→精加工。
热处理工艺示意如图1所示,正火880℃保温3h空冷。调质860℃保温3hPAG水溶液控时冷却,580℃保温4.5h出炉空冷,达到硬度要求241~286HBS及力学性能要求。

图1 正火和调质热处理工艺示意
热处理后在带有连体试棒的工件上锯取试棒,锯开后发现图2所示裂纹。为观察裂纹整体形貌,将图2所示裂纹源处垂直裂纹锯开后如图3所示。分别在裂纹源处和工件近表面处取试块进行分析。

图 2

图 3
2.分析过程
为查找工件出现内裂纹的原因,对此产品的工艺过程、裂纹宏观形态、化学成分及金相组织等进行了分析。
(1)首先对工艺过程进行分析,这批锻件轴共四件,其中一件带连体试棒。这4件轴在热处理前的超声波探伤检测都合格,热处理后锯切连体试棒时发现了如图2所示的内裂纹,由此可判断是热处理过程中产生的裂纹。对其余3件轴进行超声波检测,没有发现内裂纹。
(2)观察裂纹形态,裂纹首先在工件中心形成,然后向两边扩展形成内裂。一般情况下,工件在淬火时由于受热应力和组织应力的综合影响,轴类件大都是在表面形成拉应力,心部形成压应力,因此轴类件在淬火时开裂大部分是在表面先形成裂纹再向中心扩展。这次裂纹源在工件中心,向外扩展至近表面的情况很少见,因此我们在工件中心裂纹源处取试块进行检测,我们还在工件近表面取一对比试块进行对比检测。
(3)首先检测化学成分,结果如附表所示。工件中心裂纹源处的碳含量超标,近表面区的碳含量在正常范围内。其他化学成分都在正常范围内。
42CrMo钢的化学成分(质量分数)(%)
元素 | C | Si | Mn | Cr | Mo |
标准值 | 0.38~0.45 | 0.17~0.37 | 0.50~0.80 | 0.90~1.20 | 0.15~0.25 |
近表面 | 0.426 | 0.239 | 0.589 | 0.998 | 0.164 |
中心区 | 0.472 | 0.241 | 0.599 | 1.021 | 0.161 |
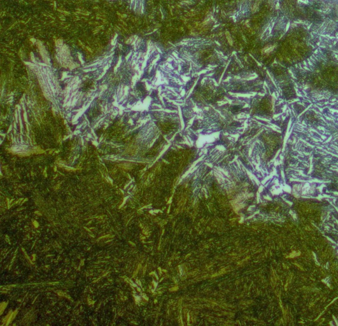
(4)金相分析,从工件的开裂部位切取纵向金相试样,经磨制抛光后,用4%硝酸酒精溶液侵蚀,置于光学显微镜下观察显微组织。
按图2所示裂纹源处取试样金相分析,图4a为裂纹源处500倍金相试样。试样在工件心部,工件直径130mm。我们观察图4a金相组织,发现除了部分块状铁素体外,还有保留板条马氏体位向的索氏体和保留羽毛状上贝氏体位向的回火组织,不是正常的铁素体和珠光体混合组织,工件的心部组织混乱,这种混合的粗大组织脆性大,抗断裂能力低,淬火时如果在这些区域形成淬火拉应力,极易形成淬火裂纹。
按图2所示近表面处取试样金相分析,图4b为近表面处500倍金相试样。近表面处为均匀细小的回火索氏体组织,这是正常的调质处理组织,说明热处理工艺是合理的。

(a)裂纹源处 500×

(b)近表面处 500×
图 4
3.结语
结合化学成分分析和金相分析结果,由于心部有局部区域含碳量超标,导致淬火时这些区域产生了脆性大的上贝氏体组织,心部异常组织在淬火过程中产生异常的组织应力,本应在心部形成的压应力变成了拉应力,加上心部形成的粗大的混合组织脆性大,抗断裂能力差,因此工件淬火时首先在这些部位形成裂纹源,在淬火过程中,裂纹向近表面扩展,从而形成图2所示的内裂纹。
材料中心部位局部碳含量超标的危害很大。原材料进厂检测化学成分时,按国标规定取样位置不会取在心部,这样的材料缺陷就不会被发现,因此给后续加工及使用埋下了隐患,这样的材料缺陷需要在钢厂生产过程中引起重视。
作者:辛永木
单位:巨力索具股份有限公司


