你们要的汉语版的:铝及铝合金的高清金相图谱
Keller's Reagent: 95 mL 蒸馏水、2.5 mL HNO3、1.5 mL HCl、1.0 mL HF Weck's Reagent: 100mL 蒸馏水、4g KMnO4、1g NaOH

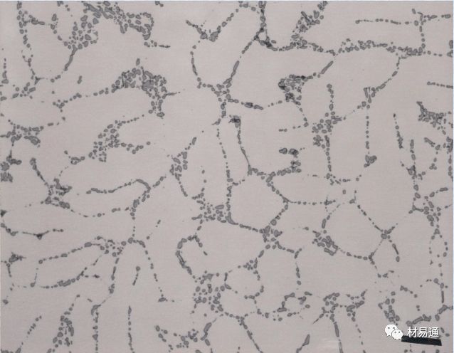
材料 | 高纯铝 |
工艺 | - |
浸蚀剂 | Barker’s reagent |
放大倍数 | 50X |
观察方式 | 正交偏光+灵敏色片 |

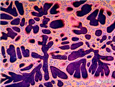
材料 | 1100 Al |
工艺 | 连铸 |
浸蚀剂 | Weck’s reagent |
标尺 | 200 μm |
观察方式 | 正交偏光+灵敏色片 |

材料 | 1100 |
工艺 | 连铸 |
浸蚀剂 | Barker’s reagent |
放大倍数 | 50X |
观察方式 | 正交偏光+灵敏色片 |

材料 | 1100 |
工艺 | 锻造 |
浸蚀剂 | Barker’s reagent |
放大倍数 | 50X |
观察方式 | 正交偏光+灵敏色片 |

材料 | 1350 Al |
工艺 | 锻造,(挤压) |
浸蚀剂 | Barker’s reagent |
放大倍数 | 50X |
观察方式 | 正交偏光+灵敏色片 |

材料 | Al-4%Cu |
工艺 | 固溶退火+时效 (552℃,1h+水淬,371℃,1h+空冷) |
浸蚀剂 | aqueous 0.5% HF |
标尺 | 10 μm |

材料 | Al-4.5%Cu |
工艺 | 铸造 |
浸蚀剂 | Weck’s reagent |
标尺 | 50 μm |
观察方式 | 正交偏光+灵敏色片 |

材料 | Al-5.5%Cu |
工艺 | 锻造,T3 |
浸蚀剂 | Barker’s reagent |
放大倍数 | 50X |
观察方式 | 正交偏光+灵敏色片 |

材料 | Al-4.6%Cu-0.7%Si-0.3Fe-0.7%Mg-0.7%Mn |
工艺 | 挤压 |
浸蚀剂 | Keller’s reagent |
标尺 | 100 μm |

材料 | Al-4.6%Cu-0.7%Si-0.3Fe-0.7%Mg-0.7%Mn |
工艺 | 挤压 |
浸蚀剂 | aqueous 0.5% HF |
标尺 | 10 μm |
备注 | CuAl2、(FeMn)Al6、Mg2Si |

材料 | Al-4.4%Cu-1.5%Mg-0.6%Mn |
工艺 | 铸造 |
浸蚀剂 | aqueous 0.5% HF |
标尺 | 100 μm |
备注 | 粗大初生化合物 |

材料 | Al-4.4%Cu-1.5%Mg-0.6%Mn |
工艺 | 铸造 |
浸蚀剂 | aqueous 0.5% HF |
标尺 | 20 μm |
备注 | - |

材料 | Al-4.4%Cu-1.5%Mg-0.6%Mn |
工艺 | 锻造,2024-F |
浸蚀剂 | Keller’s reagent |
标尺 | 20 μm |
备注 | 横截面 |

材料 | Al-4.4%Cu-1.5%Mg-0.6%Mn |
工艺 | 锻造,2024-F |
浸蚀剂 | Barker’s reagent |
标尺 | 200 μm |
备注 | 横截面 |

材料 | Al-1.2%Mn-0.15%Cu |
牌号 | 3003 |
工艺 | 铸造 |
浸蚀剂 | Weck’s reagent |
标尺 | 200 μm |
观察方式 | 正交偏光+灵敏色片 |

材料 | Al-1.25%Mn-1.05%Mg |
牌号 | 3004 |
工艺 | 连铸 |
浸蚀剂 | Weck’s reagent |
标尺 | 50 μm |
观察方式 | 正交偏光+灵敏色片 |

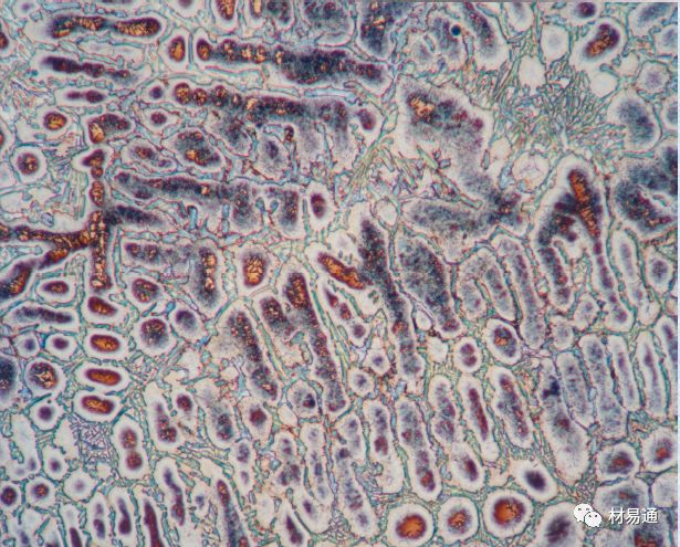
材料 | Al-1.25%Mn-1.05%Mg |
牌号 | 3004 |
工艺 | 连铸 |
浸蚀剂 | Keller’s reagent |
标尺 | 20 μm |

材料 | Al-0.55%Mn-0.5%Mg |
牌号 | 3105 |
工艺 | 连铸 |
浸蚀剂 | Weck’s reagent |
标尺 | 50 μm |

材料 | Al-0.55%Mn-0.5%Mg |
牌号 | 3105 |
工艺 | 连铸 |
浸蚀剂 | Keller’s reagent |
标尺 | 20 μm |

材料 | Al-12%Si-0.3%Mg |
牌号 | 4147 |
工艺 | 铸造 |
浸蚀剂 | Keller’s reagent |
标尺 | 50 μm |

材料 | Al-3.2%Mg-0.4%Mn+Cr |
牌号 | 5754 |
工艺 | 铸造,5754-F |
浸蚀剂 | Barker’s reagent |
标尺 | 100 μm |

材料 | Al-0.5%Mg-0.8%Si |
牌号 | 6005 |
工艺 | 铸造 |
浸蚀剂 | Barker’s reagent |
放大倍数 | 50X |
观察方式 | 正交偏光+灵敏色片 |

材料 | Al-0.5%Mg-0.8%Si |
牌号 | 6005 |
工艺 | 铸造,6005-T5 |
浸蚀剂 | Keller’s reagent |
标尺 | 10 μm |

材料 | Al-1.0%Mg-0.6%Si-0.2%Cr-0.27%Cu |
牌号 | 6061 |
工艺 | 挤压,6061-F |
浸蚀剂 | Barker’s reagent |
标尺 | 100 μm |

材料 | Al-0.7%Mg-0.4%Si |
牌号 | 6063 |
工艺 | 铸造,6063-T5 |
浸蚀剂 | aqueous 0.5% HF |
标尺 | 10 μm |

材料 | Al-1.5%Mg-5.5%Zn-0.12%Zr |
牌号 | 7021 |
工艺 | 铸造,7021-O,(板材) |
浸蚀剂 | aqueous 0.5% HF |
标尺 | 20 μm |

材料 | Al-2.3%Cu-2.3%Mg-6.2%Zn-0.12%Zr |
牌号 | 7050 |
工艺 | 铸造,退火 (426℃,3h,缓冷至232℃,保温6h,空冷) |
浸蚀剂 | Keller’s reagent |
标尺 | 20 μm |
备注 | 16 HRB |

材料 | Al-2.3%Cu-2.3%Mg-6.2%Zn-0.12%Zr |
牌号 | 7050 |
工艺 | 铸造,7050-T74 |
浸蚀剂 | Keller’s reagent |
标尺 | 20 μm |
备注 | 88 HRB |

材料 | Al-1.6%Cu-2.5%Mg-5.6%Zn-0.23%Cr |
牌号 | 7075 |
工艺 | 铸造,7075-T74 |
浸蚀剂 | Barker’s reagent |
标尺 | 50 μm |
备注 | 正交偏光+灵敏色片 |

材料 | Al-7%Si-0.3%Mg-<0.2%Fe |
牌号 | A356 |
工艺 | 铸造 |
浸蚀剂 | Barker’s reagent |
放大倍数 | 50 X |
备注 | 正交偏光+灵敏色片 |

材料 | Al-7%Si-0.3%Mg-<0.2%Fe |
牌号 | A356 |
工艺 | 铸造 |
浸蚀剂 | Barker’s reagent |
放大倍数 | 50 X |
备注 | 正交偏光+灵敏色片 |

材料 | Al-7%Si-0.3%Mg-<0.2%Fe |
牌号 | A356 |
工艺 | 铸造 |
浸蚀剂 | Keller’s reagent |
放大倍数 | 50 X |
备注 | 正交偏光+灵敏色片 |

材料 | Al-7%Si-0.3%Mg-<0.2%Fe |
牌号 | A356 |
工艺 | 铸造 |
浸蚀剂 | Weck’s reagent |
放大倍数 | 200 X |
备注 | 偏振光+灵敏色片 |

材料 | Al-7%Si-0.3%Mg-<0.2%Fe |
牌号 | A356 |
工艺 | 触变铸造 (Thixocast and Thixoformed) |
浸蚀剂 | Weck’s reagent |
放大倍数 | 200 X |
备注 | 偏振光+灵敏色片 |

牌号 | A357 |
工艺 | 半固态触变压铸成形 |
浸蚀剂 | Weck’s reagent |
放大倍数 | 200 X |
备注 | 明场 |

材料 | Al-11.6%Si-0.6%Fe |
工艺 | 铸造 |
浸蚀剂 | Weck’s reagent |
放大倍数 | 100 X |
备注 | 正交偏光 |

材料 | Al-7.15%Si |
工艺 | 铸造 |
浸蚀剂 | 0.5% HF溶液 |
标尺 | 50 μm |

材料 | Al-7.12%Si |
工艺 | 铸造 |
浸蚀剂 | Weck’s reagent |
标尺 | 50 μm |
观察方式 | 偏振光+灵敏色片 |

材料 | Al-11.8%Si |
工艺 | 铸造 |
浸蚀剂 | aqueous 0.5% HF |
标尺 | 50 μm |
备注 | alpha dendrites and an alpha-Si eutectic |

材料 | Al-11.7%Si |
工艺 | 铸造 |
浸蚀剂 | Weck’s reagent |
标尺 | 200 μm |
观察方式 | 偏振光+灵敏色片 |

材料 | Al-19.85%Si |
工艺 | 铸造 |
浸蚀剂 | aqueous 0.5% HF |
放大倍数 | 500X |
备注 | 初生过共晶Si |

材料 | Al-19.85%Si |
工艺 | 铸造 |
浸蚀剂 | Weck’s reagent |
放大倍数 | 200X |
备注 | 初生过共晶Si |

材料 | Al-4.6%Cu-0.3%Mg-0.3%Mn |
牌号 | 201 |
工艺 | 铸造 |
浸蚀剂 | Weck’s reagent |
标尺 | 100 μm |
观察方式 | 正交偏振光 |

材料 | Al-4.4%Cu-0.3%Mg-0.3%Mn |
牌号 | 206 |
工艺 | 铸造 |
浸蚀剂 | Weck’s reagent |
标尺 | 50 μm |
观察方式 | 正交偏光+灵敏色片 |

材料 | Al-6.0%Si-3.5%Cu |
牌号 | 319 |
工艺 | 铸造 |
浸蚀剂 | Weck’s reagent |
标尺 | 100 μm |
观察方式 | 正交偏光 |

材料 | Al-6.0%Si-3.5%Cu |
牌号 | 319 |
工艺 | 铸造 |
浸蚀剂 | Weck’s reagent |
标尺 | 100 μm |
观察方式 | 正交偏光 |

材料 | Al-6.0%Si-3.5%Cu |
牌号 | 319 |
工艺 | 铸造 |
浸蚀剂 | Keller’s reagent |
标尺 | 50 μm |
观察方式 | - |

材料 | Al-7.3%Si-0.4%Mg |
工艺 | 铸造 |
浸蚀剂 | Weck’s reagent |
放大倍数 | 100X |
观察方式 | 正交偏光+灵敏色片 |

材料 | Al-7%Si-0.3%Mg-<0.2%Fe |
牌号 | A356 |
工艺 | 铸造 |
浸蚀剂 | Weck’s reagent |
放大倍数 | 200X |
观察方式 | 正交偏光+灵敏色片 |

材料 | Al-7%Si-0.5%Mg |
牌号 | A357 |
工艺 | 铸造,357-T6 |
浸蚀剂 | aqueous 0.5% HF |
标尺 | 20 μm |

材料 | Al-5%Si-1.2%Cu-1.0%Mg |
工艺 | 铸造 |
浸蚀剂 | Weck’s reagent |
标尺 | 50 μm |

材料 | Al-33%Cu |
工艺 | 铸造 |
浸蚀剂 | 1g钼酸铵,6g氯化铵,200mL水 |
放大倍数 | 1000X |
备注 | AlCu2 |
图片作者与版权:George F. Vander Voort。
来源:材易通
(本平台"常州精密钢管博客网"的部分图文来自网络转载,转载目的在于传递更多技术信息。我们尊重原创,版权归原作者所有,若未能找到作者和出处望请谅解,敬请联系主编微信号:steel_tube,进行删除或付稿费,多谢!)

