典型低合金工具钢金相赏析

材料 | GCr15 |
放大倍数 | 500X |
处理工艺 | 退火 |
浸蚀剂 | 4%硝酸酒精溶液 |
组织说明 | 球状珠光体+少量片状珠光体。 |

材料 | GCr15 |
放大倍数 | 500X |
处理工艺 | 退火 |
浸蚀剂 | 4%硝酸酒精溶液 热染色 |
组织说明 | 球状珠光体+少量片状珠光体。彩色块状大小反映了退火冷却前奥氏体晶粒的位向和品粒度大小等特征。 |

材料 | GCr15 |
放大倍数 | 500X |
处理工艺 | 退火 |
浸蚀剂 | 4%硝酸酒精溶液 |
组织说明 | 均匀细小的球状碳化物,分布在铁素体基体上的球状珠光体,属正常的球化退火组织。 |

材料 | GCr15 |
放大倍数 | 1000X |
处理工艺 | 淬火+回火 |
浸蚀剂 | 4%硝酸酒精溶液 |
组织说明 | 回火马氏体+未熔碳化物颗粒及残留奥氏体。具有均匀分布的黑区和亮区的特征。黑区是以板条马氏体为主的隐晶马氏体;亮区是以孪晶马氏体为主的隐针马氏体。 |

材料 | GCr15 |
放大倍数 | 1000X |
处理工艺 | 淬火+低温回火 |
浸蚀剂 | 4%硝酸酒精溶液 |
组织说明 | 回火马氏体+未溶碳化物颗粒及残留奥氏体。为正常的GC r15淬火+回火组织。 |

材料 | GCr15 |
放大倍数 | 1000X |
处理工艺 | 淬火+低温回火 |
浸蚀剂 | 4%硝酸酒精溶液 |
组织说明 | 回火马氏体+未溶碳化物颗粒及残留奥氏体。为正常的GC r15淬火+回火组织。 |

材料 | 9SiCr |
放大倍数 | 500X |
处理工艺 | 退火 |
浸蚀剂 | 4%硝酸酒精溶液 |
组织说明 | 均匀分布的球状珠光体。 |

材料 | 9SiCr |
放大倍数 | 800X |
处理工艺 | 淬火 |
浸蚀剂 | 4%硝酸酒精溶液 |
组织说明 | 粗大针状马氏体+残留奥氏体。属严重淬火过热组织。 |

材料 | 9SiCr |
放大倍数 | 800X |
处理工艺 | 淬火 |
浸蚀剂 | 4%硝酸酒精溶液 |
组织说明 | 粗大针状马氏体+残留奥氏体。由于淬火温度过高,组织粗大,有大量残留奥氏体。且由于组织应力大,形成较多微裂纹。 |

材料 | 9SiCr |
放大倍数 | 800X |
处理工艺 | 淬火 |
浸蚀剂 | 4%硝酸酒精溶液 |
组织说明 | 粗大针状马氏体+残留奥氏体。由于淬火过高,马氏体针叶特别粗大,有大量残留奥氏体。且由于应力大,形成微裂纹及裂纹。 |
典型高速工具钢金相赏析

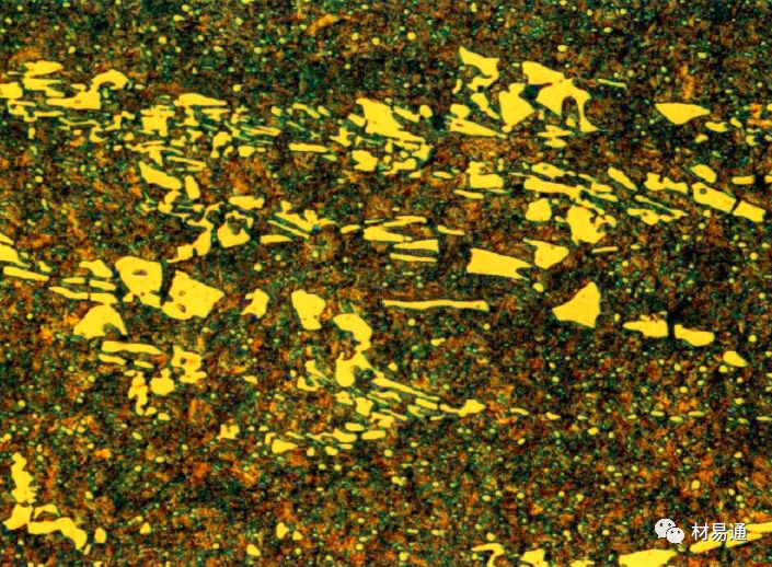
材料 | W18Cr4V |
放大倍数 | 800X |
处理工艺 | 铸造 |
浸蚀剂 | 三酸乙醇溶液+热染色 |
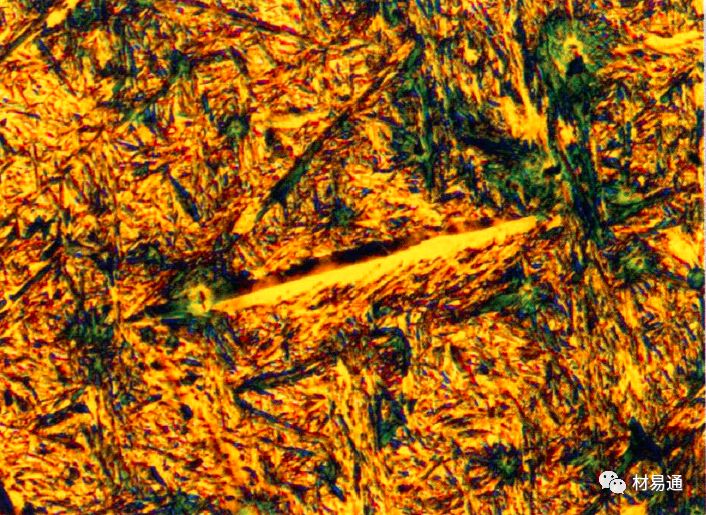
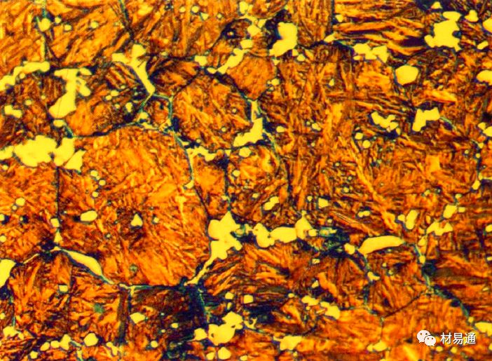
组织说明 | 粗大共晶莱氏体(蓝、黄色鱼骨状,黄色为共晶渗碳体)+碳化物(橘黄色) ,先析出枝晶状奥氏体,冷却转变为针状马氏体+ 残留奥氏体(棕色区域,呈枝晶状)。 |

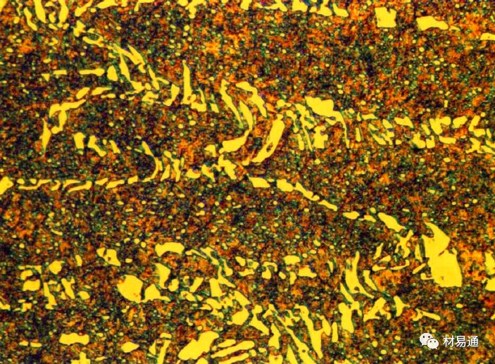
材料 | W18Cr4V |
放大倍数 | 800X |
处理工艺 | 铸造 |
浸蚀剂 | 三酸乙醇溶液+热染色 |
组织说明 | 粗大共晶莱氏体+碳化物+针状马氏体+残留奥氏体。 |

材料 | W18Cr4V |
放大倍数 | 500X |
处理工艺 | 铸造 |
浸蚀剂 | 三酸乙醇溶液+热染色 |
组织说明 | 粗大共晶莱氏体(鱼刺状)+碳化物(桶黄色块状) ,奥氏体转变为针状马氏体+残留奥氏体(蓝色包围的红色区域)。 |

材料 | W18Cr4V |
放大倍数 | 800X |
处理工艺 | 淬火 |
浸蚀剂 | 三酸乙醇溶液+热染色 |
组织说明 | 粗大针状马氏体(绿、深棕褐色) +残留奥氏体(浅棕色) ,碳化物(白色)沿晶界延伸,并相互粘连,有少量呈网状分布,属过热淬火组织。 |

材料 | W18Cr4V |
放大倍数 | 500X |
处理工艺 | 淬火 |
浸蚀剂 | 三酸乙醇溶液 |
组织说明 | 粗大针状马氏体+残留奥氏体+少量颗粒状二次碳化物及大块夹杂物,由于实际淬火温度过高,晶界析出网状碳化物,晶界熔化形成菜氏体的过烧组织。莱氏体较多,且有熔化孔洞,已严重过烧。 |

材料 | W18Cr4V |
放大倍数 | 1000X |
处理工艺 | 淬火 |
浸蚀剂 | 硝酸酒精溶液 |
组织说明 | 粗大针状马氏体+残留奥氏体(浅棕色区域),晶界存在大量粗大网状莱氏体(蓝白色,白色为共晶渗碳体)。属严重过烧组织。 |

材料 | W18Cr4V |
放大倍数 | 1000X |
处理工艺 | 淬火 |
浸蚀剂 | 三酸乙醇酒精溶液 |
组织说明 | 粗大针状马氏体(棕色) +残留奥氏体(黄色) + 晶界大量粗大网状菜氏体。属严重过烧组织。 |

材料 | W18Cr4V |
放大倍数 | 800X |
处理工艺 | 淬火 |
浸蚀剂 | 三酸乙醇溶液+热染色 |
组织说明 | 粗大针状马氏体+残留奥氏体+晶界网状菜氏体。属严重过烧组织。 |

材料 | W18Cr4V |
放大倍数 | 800X |
处理工艺 | 淬火 |
浸蚀剂 | 三酸乙醇溶液+热染色 |
组织说明 | 粗大针状马氏体(蓝绿、棕色) +残留奥氏体(粉色) +晶界网状碳化物(白色)及莱氏体(鱼刺状)。属过烧组织。 |

材料 | W18Cr4V |
放大倍数 | 800X |
处理工艺 | 淬火 |
浸蚀剂 | 三酸乙醇溶液+热染色 |
组织说明 | 粗大针状马氏体+残留奥氏体+晶界网状莱氏体。属严重过烧组织。 |

材料 | W18Cr4V |
放大倍数 | 800X |
处理工艺 | 淬火 |
浸蚀剂 | 三酸乙醇溶液+热染色 |
组织说明 | 粗大针状马氏体+大量残留奥氏体+晶界网状莱氏体。属严重过烧组织。 |

材料 | W18Cr4V |
放大倍数 | 800X |
处理工艺 | 淬火 |
浸蚀剂 | 三酸乙醇溶液+热染色 |
组织说明 | 粗大针状马氏体+大量残留奥氏体+晶界网状莱氏体。属严重过烧组织。 |

材料 | W18Cr4V |
放大倍数 | 800X |
处理工艺 | 淬火+回火 |
浸蚀剂 | 4%硝酸酒精溶液 |
组织说明 | 回火马氏体(绿色) +残留奥氏体(黄色,中心区位于马氏体针间) +块状及颗粒状碳化物(黄色),在碳化物集中处,由于奥氏体碳含量的增加,降低了马氏体转化温度,增加了残留奥氏体的数量及回火稳定性,出现回火不足现象。 |

材料 | W9Mo3Cr4V |
放大倍数 | 800X |
处理工艺 | 退火 |
浸蚀剂 | 4%硝酸酒精溶液 |
组织说明 | 块状共晶碳化物(桶黄色,大块状)+球粒状珠光体。 |

材料 | W9Mo3Cr4V |
放大倍数 | 500X |
处理工艺 | 退火 |
浸蚀剂 | 4%硝酸酒精溶液 |
组织说明 | 块状共晶碳化物(桶黄色,大块状)+球粒状珠光体。 |

材料 | W9Mo3Cr4V |
放大倍数 | 500X |
处理工艺 | 淬火 |
浸蚀剂 | 4%硝酸酒精溶液 |
组织说明 | 淬火马氏体+残留奥氏体+粒状碳化物。晶粒大小比较均匀,相当于7~8级晶粒度,因为淬火马氏体不易腐蚀,马氏体组织不明显,主要用来观察晶粒度等级。 |

材料 | W9Mo3Cr4V |
放大倍数 | 500X |
处理工艺 | 淬火 |
浸蚀剂 | 4%硝酸酒精溶液 |
组织说明 | 淬火马氏体+残留奥氏体+粒状碳化物,晶粒大小严重不均匀,部分晶粒特别粗大,这种特大晶粒是二次加热淬火的特有组织形态,属于高速钢常见的缺陷之一。高速钢出现此缺陷时,可以通过球化退火后再淬火得正常的组织。 |

材料 | W9Mo3Cr4V |
放大倍数 | 500X |
处理工艺 | 淬火 |
浸蚀剂 | 4%硝酸酒精溶液 |
组织说明 | 淬火马氏体+残留奥氏体+碳化物,其中共晶碳化物聚集呈带状偏析分布。 |

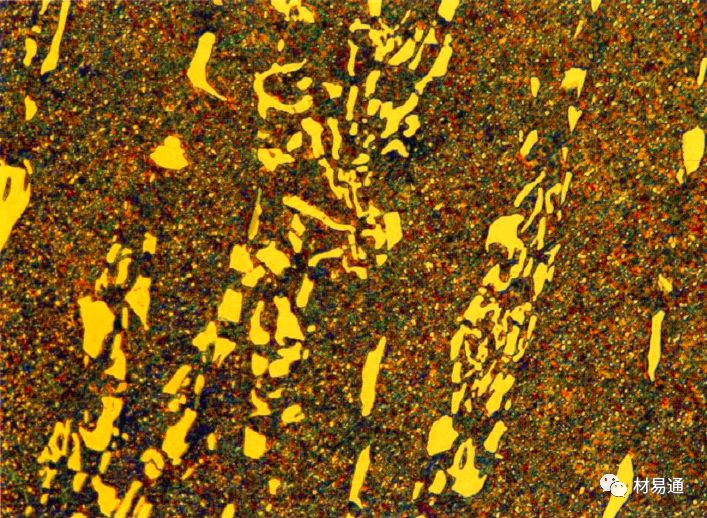
材料 | W9Mo3Cr4V |
放大倍数 | 800X |
处理工艺 | 淬火 |
浸蚀剂 | 三酸乙醇溶液 |
组织说明 | 淬火针状马氏体+残留奥氏体+碳化物,共晶碳化物聚集呈带状偏析分布。 |

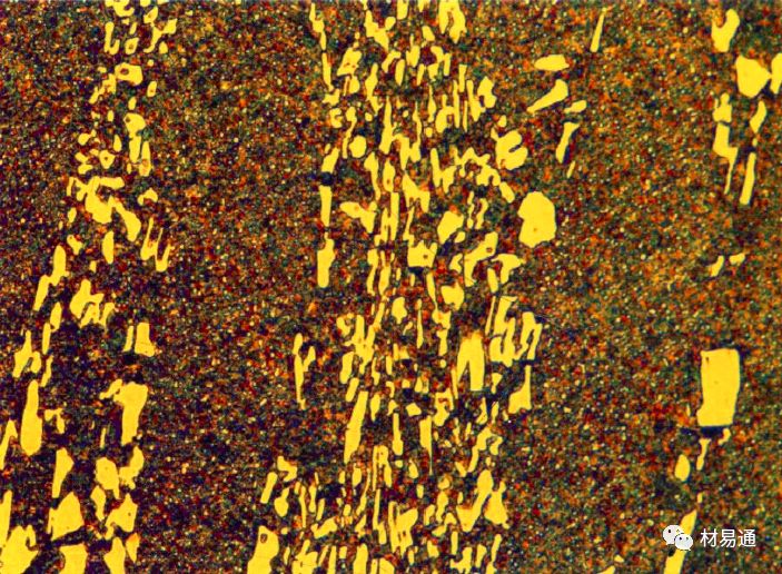
材料 | W9Mo3Cr4V |
放大倍数 | 800X |
处理工艺 | 淬火 |
浸蚀剂 | 三酸乙醇溶液 |
组织说明 | 淬火针状马氏体+残留奥氏体+碳化物,颗粒状二次碳化物及大块状共晶碳化物聚集成堆偏析分布。 |

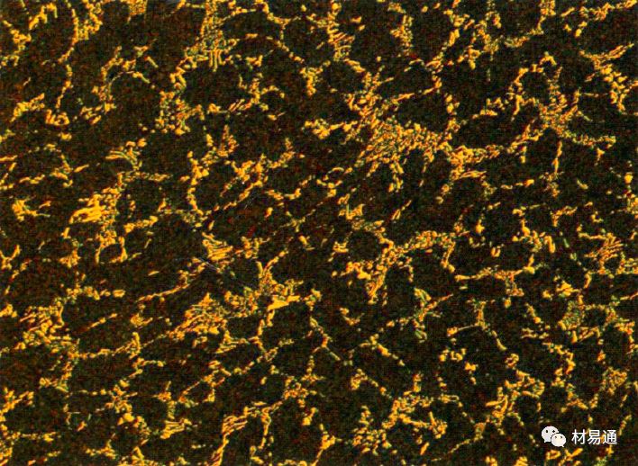
材料 | W9Mo3Cr4V |
放大倍数 | 800X |
处理工艺 | 淬火 |
浸蚀剂 | 三酸乙醇溶液 |
组织说明 | 淬火针状马氏体+残留奥氏体+碳化物,颗粒状二次碳化物及小块状共晶碳化物呈较均匀分布。 |

材料 | W9Mo3Cr4V |
放大倍数 | 800X |
处理工艺 | 淬火 |
浸蚀剂 | 三酸乙醇溶液 |
组织说明 | 淬火针状马氏体+残留奥氏体+碳化物,大块状共晶碳化物呈带状偏析分布。晶粒粗大,马氏体针叶也较长,表明淬火温度偏高,属轻度淬火过热组织。 |

材料 | W9Mo3Cr4V |
放大倍数 | 800X |
处理工艺 | 淬火 |
浸蚀剂 | 三酸乙醇溶液 |
组织说明 | 淬火针状马氏体+残留奥氏体+碳化物。大块状共晶碳化物呈带状偏析分布。晶粒粗大,马氏体针叶也较长,表明淬火温度偏高,属轻度淬火过热组织。 |

材料 | W9Mo3Cr4V |
放大倍数 | 100X |
处理工艺 | 淬火+回火 |
浸蚀剂 | 4%硝酸酒精溶液 |
组织说明 | 回火马氏体+带状分布的共晶碳化物+粒状碳化物+残留奥氏体。 |

材料 | W9Mo3Cr4V |
放大倍数 | 100X |
处理工艺 | 淬火+回火 |
浸蚀剂 | 4%硝酸酒精溶液 |
组织说明 | 回火马氏体+带状碳化物+残留奥氏体。碳化物带较宽,不均匀度较严重。 |

材料 | W9Mo3Cr4V |
放大倍数 | 800X |
处理工艺 | 淬火+回火 |
浸蚀剂 | 4%硝酸酒精溶液 |
组织说明 | 回火马氏体+残留奥氏体+粒状碳化物和块状共晶碳化物。由于回火不充分,仍有较多淬火马氏体及残留奥氏体。 |

材料 | W9Mo3Cr4V |
放大倍数 | 800X |
处理工艺 | 淬火+回火 |
浸蚀剂 | 4%硝酸酒精溶液 |
组织说明 | 回火马氏体+残留奥氏体,有少量块状共晶碳化物及颗粒状二次碳化物。马氏体较粗大,表明淬火温度偏高。 |

材料 | W9Mo3Cr4V |
放大倍数 | 800X |
处理工艺 | 淬火+回火 |
浸蚀剂 | 4%硝酸酒精溶液 |
组织说明 | 回火马氏体+残留奥氏体,部分共晶碳化物聚集成堆分布。 |

材料 | W6Mo5Cr4V2 |
放大倍数 | 800X |
处理工艺 | 淬火 |
浸蚀剂 | 三酸乙醇溶液 |
组织说明 | 淬火针状马氏体+残留奥氏体(棕色区) 。晶粒粗大,马氏体针叶横穿晶粒,部分碳化物角状化,沿晶界延伸,表明淬火温度偏高,属淬火过热组织。 |

材料 | W6Mo5Cr4V2 |
放大倍数 | 800X |
处理工艺 | 淬火 |
浸蚀剂 | 三酸乙醇溶液 |
组织说明 | 淬火针状马氏体+残留奥氏体,碳化物角状化,沿晶界延伸,晶粒粗大,马氏体针叶粗长,表明淬火温度偏高,属明显淬火过热组织。 |

材料 | W6Mo5Cr4V2 |
放大倍数 | 800X |
处理工艺 | 淬火 |
浸蚀剂 | 三酸乙醇溶液 |
组织说明 | 淬火针状马氏体+残留奥氏体。晶粒粗大,马氏体针叶横穿晶粒,碳化物全部角状化,沿晶界延伸,并互相粘连,晶界有细碳化物网,属严重淬火过热组织。 |

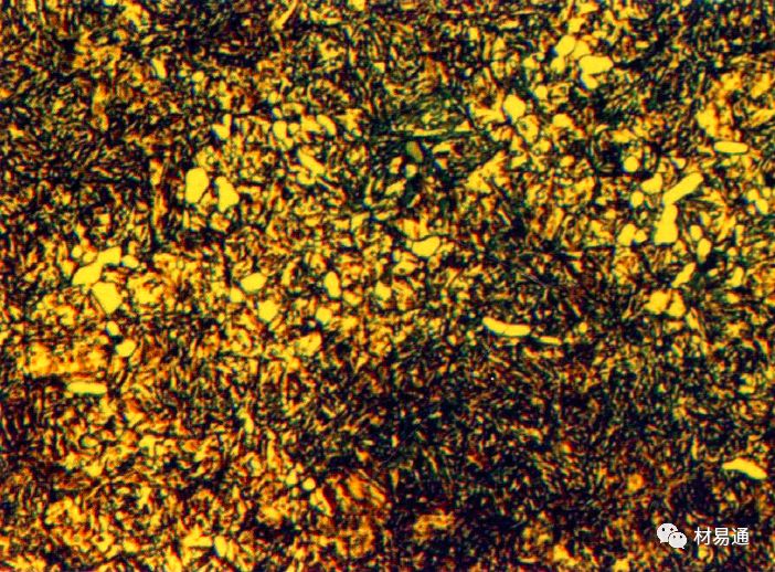
材料 | M35钢(美国) |
放大倍数 | 1000X |
处理工艺 | 球化退火 |
浸蚀剂 | 4%硝酸酒精溶液 |
组织说明 | 球粒状珠光体。 |

材料 | M35钢(美国) |
放大倍数 | 500X |
处理工艺 | 淬火 |
浸蚀剂 | 三酸乙醇溶液 |
组织说明 | 淬火针状马氏体+残留奥氏体+颗粒状二次碳化物(绿色)及极少量小块状共晶碳化物(浅黄色)。晶粒度分别为10级和8级。 |

材料 | M35钢(美国) |
放大倍数 | 500X |
处理工艺 | 淬火 |
浸蚀剂 | 三酸乙醇溶液 |
组织说明 | 淬火针状马氏体+残留奥氏体+颗粒状二次碳化物及极少量小块状共晶碳化物。 |

材料 | M35钢(美国) |
放大倍数 | 800X |
处理工艺 | 淬火+回火 |
浸蚀剂 | 三酸乙醇溶液 |
组织说明 | 马氏体+下贝氏体+残留奥氏体+颗粒状二次碳化物及少量块状共晶碳化物。 |

材料 | M35钢(美国) |
放大倍数 | 800X |
处理工艺 | 淬火+回火 |
浸蚀剂 | 三酸乙醇溶液 |
组织说明 | 回火马氏体+残留奥氏体+颗粒状二次碳化物及少量块状共晶碳化物(浅黄色)。 |

材料 | S35 钢(日本) |
放大倍数 | 800X |
处理工艺 | 淬火 |
浸蚀剂 | 三酸乙醇溶液 |
组织说明 | 马氏体+残留奥氏体+颗粒状二次碳化物及少量块状共晶碳化物。 |

材料 | S35 钢(日本) |
放大倍数 | 800X |
处理工艺 | 淬火 |
浸蚀剂 | 三酸乙醇溶液 |
组织说明 | 马氏体+残留奥氏体+颗粒状二次碳化物及少量小块状共晶碳化物。 |
典型冷作模具钢金相赏析

材料 | Cr12 |
放大倍数 | 500X |
处理工艺 | 淬火+回火 |
浸蚀剂 | 三酸乙醇溶液 |
组织说明 | 细针状马氏体+块状及较多小颗粒状碳化物+残留奥氏体。碳化物呈带状分布。 |

材料 | Cr12 |
放大倍数 | 500X |
处理工艺 | 淬火+回火 |
浸蚀剂 | 三酸乙醇溶液 |
组织说明 | 细针状马氏体+块状及较多小颗粒状碳化物+残留奥氏体。碳化物呈明显带状分布。 |

材料 | Cr12 |
放大倍数 | 500X |
处理工艺 | 淬火+回火 |
浸蚀剂 | 三酸乙醇溶液 |
组织说明 | 细针状马氏体+块状及较多小颗粒状碳化物+残留奥氏体。碳化物呈严重带状、网状堆集分布。 |

材料 | Cr12 |
放大倍数 | 500X |
处理工艺 | 淬火+回火 |
浸蚀剂 | 三酸乙醇溶液 |
组织说明 | 细针状马氏体+块状及较多小颗粒状碳化物+残留奥氏体。碳化物网状分布。 |

材料 | Cr12 |
放大倍数 | 100X |
处理工艺 | 淬火+回火 |
浸蚀剂 | 三酸乙醇溶液 |
组织说明 | 细针状马氏体+块状及较多小颗粒状碳化物+残留奥氏体。碳化物网状分布。 |

材料 | Cr12 |
放大倍数 | 500X |
处理工艺 | 淬火+回火 |
浸蚀剂 | 三酸乙醇溶液 |
组织说明 | 细针状马氏体+块状及较多小颗粒状碳化物+残留奥氏体。大块状碳化物聚集成严重带状分布。 |

材料 | Cr12 |
放大倍数 | 1000X |
处理工艺 | 淬火+回火 |
浸蚀剂 | 三酸乙醇溶液 |
组织说明 | 细针状马氏体+块状及小颗粒状碳化物+残留奥氏体。 |

材料 | Cr12 |
放大倍数 | 500X |
处理工艺 | 淬火+回火 |
浸蚀剂 | 三酸乙醇溶液 |
组织说明 | 细针状马氏体+块状及小颗粒状碳化物+残留奥氏体。碳化物呈带状堆积,裂纹沿碳化物带伸展。 |

材料 | Cr12 |
放大倍数 | 500X |
处理工艺 | 淬火+回火 |
浸蚀剂 | 三酸乙醇溶液 |
组织说明 | 细针状马氏体+块状及小颗粒状碳化物+残留奥氏体。碳化物呈带状堆积,裂纹沿碳化物带伸展。 |

材料 | Cr12MoV |
放大倍数 | 800X |
处理工艺 | 球化退火 |
浸蚀剂 | 4%硝酸乙醇溶液 |
组织说明 | 球粒状珠光体+块状碳化物。块状碳化物呈不连续网状堆积分布。 |

材料 | Cr12MoV |
放大倍数 | 500X |
处理工艺 | 淬火+回火 |
浸蚀剂 | 三酸乙醇溶液 |
组织说明 | 回火马氏体+残留奥氏体+块状及颗粒状碳化物(浅黄色)。块状共晶碳化物呈带状堆积分布。 |

材料 | Cr12MoV |
放大倍数 | 500X |
处理工艺 | 淬火+回火 |
浸蚀剂 | 三酸乙醇溶液 |
组织说明 | 回火马氏体+残留奥氏体+块状及颗粒状碳化物(浅黄色)。块状共晶碳化物呈网状堆积分布。 |

材料 | Cr12MoV |
放大倍数 | 500X |
处理工艺 | 淬火+回火 |
浸蚀剂 | 三酸乙醇溶液 |
组织说明 | 回火马氏体+残留奥氏体+块状及颗粒状碳化物(浅黄色)。块状共晶碳化物呈粗大网状堆积分布。 |

材料 | Cr12MoV |
放大倍数 | 1000X |
处理工艺 | 淬火+回火 |
浸蚀剂 | 三酸乙醇溶液 |
组织说明 | 回火马氏体+残留奥氏体+块状及颗粒状碳化物。块状共晶碳化物呈带状堆积分布。 |

材料 | Cr12MoV |
放大倍数 | 500X |
处理工艺 | 淬火+回火 |
浸蚀剂 | 三酸乙醇溶液 |
组织说明 | 回火马氏体+残留奥氏体+块状及颗粒状碳化物。块状共晶碳化物呈断续网状堆积分布。 |

材料 | H13钢(美国) |
放大倍数 | 100X |
处理工艺 | 锻造 |
浸蚀剂 | 苦味酸盐酸酒精溶液 |
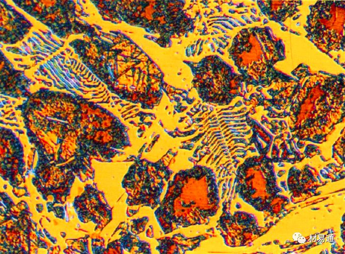
组织说明 | 由于锻造及均匀化退火工艺不当,材料存在严重的枝晶偏析,蓝色区域为高碳高合金区域,黄色区域为低碳低合金区域。基体组织为细小点状、粒状珠光体。 |

材料 | H13钢(美国) |
放大倍数 | 800X |
处理工艺 | 锻造 |
浸蚀剂 | 苦味酸盐酸酒精溶液 |
组织说明 | 偏析区的组织形貌,细小点状、粒状珠光体分布较密集并有块状共晶碳化物存在。 |

材料 | H13钢(美国) |
放大倍数 | 800X |
处理工艺 | 锻造 |
浸蚀剂 | 苦味酸盐酸酒精溶液 |
组织说明 | 细小点状、粒状珠光体及球状夹杂物。 |

材料 | H13钢(美国) |
放大倍数 | 1000X |
处理工艺 | 淬火+回火 |
浸蚀剂 | 苦味酸盐酸酒精溶液 |
组织说明 | 仍保留马氏体位向的回火索氏体+细小颗粒状及微量小块状碳化物。 |

材料 | H13钢(美国) |
放大倍数 | 1000X |
处理工艺 | 淬火+回火 |
浸蚀剂 | 苦味酸盐酸酒精溶液 |
组织说明 | 仍保留马氏体位向的回火索氏体+细小颗粒状及少量块状碳化物。 |

材料 | H13钢(美国) |
放大倍数 | 1000X |
处理工艺 | 淬火+回火 |
浸蚀剂 | 苦味酸盐酸酒精溶液 |
组织说明 | 仍保留马氏体位向的回火索氏体+细小颗粒状碳化物及块状、球状及夹杂物。 |

材料 | H13钢(美国) |
放大倍数 | 1000X |
处理工艺 | 淬火+回火 |
浸蚀剂 | 苦味酸盐酸酒精溶液 |
组织说明 | 回火马氏体+颗粒状及块状碳化物+残留奥氏体。由于材料中存在碳化 物偏析,因此色泽上存在明显的明暗差异。在碳及合金元素富集区, 回火稳定性高,有残留奥氏体,组织不易浸蚀,因此颜色较亮。 |

材料 | H13钢(美国) |
放大倍数 | 1000X |
处理工艺 | 淬火+回火 |
浸蚀剂 | 苦味酸盐酸酒精溶液 |
组织说明 | 回火马氏体+颗粒状及块状碳化物+残留奥氏体。 |

材料 | 4Cr14Ni14W2Mo(气门) |
放大倍数 | 500X |
处理工艺 | 固溶处理+时效 |
浸蚀剂 | 过饱和苦味酸水溶液 |
组织说明 | 基体为奥氏体及颗粒状碳化物,部分碳化物沿晶界呈断续的链状分布,部分奥氏体晶界内有孪晶组织。 |

材料 | 4Cr14Ni14W2Mo(气门) |
放大倍数 | 500X |
处理工艺 | 固溶处理+时效 |
浸蚀剂 | 过饱和苦味酸水溶液 |
组织说明 | 基体为奥氏体及颗粒状碳化物,部分碳化物沿晶界呈断续的链状分布,部分奥氏体晶界内有孪晶组织。奥氏体晶粒大小严重不均。 |
end
作者与版权:夏建元、饶晓晓。


