Problems Withand Solutions to Skull Formation in EBT Furnace for Tooling and Stainless SteelProduction
EBT电炉生产工具钢和不锈钢炉底结壳问题及解决方法
电弧炉底部结壳形成是电炉生产高合金钢时候普遍存在的问题。结壳的形成带来了一系列的工艺问题:减少了电炉的容量,降低了出钢量,造成出钢量命中率下降,降低了电炉冶炼的收得率。调查研究了韩国某钢厂70吨偏心炉底出钢的电炉生产工具钢和不锈钢时候,在炉内形成结壳的机理,比较了底吹气搅拌和电磁搅拌(EMS)对减薄结壳厚度的影响,结果表明,使用电磁搅拌EMS比底吹气搅拌更加有效来减少结壳的形成。
电弧炉底结壳的形成是高合金钢生产中普遍存在的问题,尤其是生产使用高百分比FeCr铬铁加入炉内,而且出钢时间短的情况下更甚。结壳的形成带来了一系列的工艺问题,如降低炉容量、降低出钢重量命中率、降低钢产量、降低生产效率等。有报道称,炉底电磁搅拌(EMS)的使用可以减少电炉长槽出钢电炉不锈钢生产结壳的形成。[1]安装在炉底下方的电磁搅拌线圈对整个熔池产生搅拌作用,加速废钢熔化,熔池温度均匀化,有利于去除结壳现象。
最新一代电弧炉电磁搅拌器(ArcSave®)安装在70吨偏心炉底出钢的电炉上,该电炉位于韩国昌原SeAH钢铁厂。SeAH CSS于1966年成立于昌原市。昌原厂每年生产粗钢120万吨。SeAH CSS是韩国唯一一家从冶炼到无缝不锈钢管制造商。熔炼车间由电弧炉、氩氧脱碳炉(AOD)/真空氧脱碳(VOD)、钢包精炼炉和连铸/铸锭工艺设备组成。电炉系70吨,配备一个72 MVA变压器,四支吹氧喷碳,喷铝混合物喷吹枪。除了电能的输入,采用三根炉壁氧-燃烧嘴枪进行化学能输入。基本炉况数据列于表1。严重的结壳形成是这种电炉最大的操作问题。在2012年,在下炉壳安装了三个吹气搅拌的透气芯,安装透气芯的目的是消除炉底结壳问题,但是不幸的是没有得到成功。同样,透气芯维护也是一个主要的问题,透气芯容易堵塞。经过近一年的测试,由于没有积极正面的效果,透气芯被拆除。2018年,出于同样的目的,电磁搅拌技术被引入SeAH钢厂,作为一种新的潜在解决炉底结壳问题的方法,本文将总结热调试期间和调试后的试验结果。结果表明,与炉底气体搅拌相比,电磁搅拌有效地减少炉底结壳的形成,并讨论了炉底电磁搅拌对电能、通电时间和喷补材料减少的影响。
表1 基础电弧炉数据, SeAH钢厂炼钢3队

结壳形成
炉底的结壳层由未熔废钢、未熔铬铁和固态渣组成。结壳的厚度有时可达1000mm,这取决于下炉壳使用时间。炉底形成的结壳拍摄的照片如图1a所示,使用耐材清理设备定期清除结壳,在炉底结壳侧面钻孔后,用行车将结壳中心吊起,如图1b所示。这种炉底结壳去除工作是艰辛和耗时的。

图1 SeAH电弧炉下炉壳结壳照片:炉底结壳和耐材清理机械打孔(a)及行车起吊的结壳部分(b)
EMS线圈安装和搅拌原理
电磁搅拌器置于炉底的下方,炉底由非磁性(奥氏体不锈钢)钢板制成,如图2所示。通过搅拌器绕组的低频电流产生移动磁场,磁场穿透炉底,进而在钢液中产生作用力。由于磁场穿透整个熔池深度,钢水在下炉壳中以相同的方向运动,这种钢水运动是通过整个电炉的直径,并且是熔池的全部深度的钢水运动。在到达炉壁后,钢水必须沿炉壁回流。当磁场反转时,钢水向相反方向流动。由于搅拌器布置在几乎整个下炉壳的直径上,所以在整个熔池内都得到良好的搅拌力。

图2 电弧炉与ArcSave®搅拌器安装在炉底下面
如图3所示,采用计算流体动力学(CFD)模拟160吨EBT电炉,搅拌方向从炉门口到EBT,见图3所示。图3a为熔池纵向截面的速度分布,图3b为熔池横截面的速度分布,图3c为熔池表面的速度分布。从图3可以看出,整个熔池都参与了搅拌运动。优化的熔池平均体积移动速度在0.2 ~ 0.4 m/s范围内。与炉底透气芯搅拌相比,电磁搅拌在整个熔池产生混合搅动。这种效应加速了钢水的温度和化学成分的均匀化。需要指出的是,电磁力作用不仅在水平方向上,而且也作用在垂直方向上,这使得整个熔池的混合搅拌的效果更加有效。电磁搅拌EMS的另一个优点是不与钢液发生物理接触,因此维护需要非常低。


图3 偏心炉底模拟熔池流动速度矢量和温度均匀化时间:纵向截面速度分布(a)、横向截面速度分布(b)、熔池表面速度分布(c)、温度均匀化曲线(d)
在以下假设下计算熔池温度均匀化:
•对于无搅拌的熔池,炉底温度假设为1560℃,表面温度为1620℃。然后比较EMS搅拌前后的温度分布(均匀化时间差)。
•对于无搅拌熔池,以EMS力5%的情况为参考,模拟自然搅拌。
温度均匀化曲线如图3d所示,均匀化时间是在最大温差小于5℃时计算的。使用5% EMS功率的温度均匀化时间为305秒,100%使用 EMS功率时候的温度均匀化时间仅为58秒。结果表明:采用100% EMS功率时候,熔池的均匀化使用的时间仅为不采用EMS时间的19%;温度的快速均匀化提高了电弧传热效率,同时也提高了废钢的熔化速率。
2018年春季,在SeAH昌原钢厂3号电炉安装电磁搅拌设备,为了适应这种电磁搅拌,更换安装了一个新的不锈钢下炉壳,在9天的停机期间,安装过程顺利进行。EMS搅拌的特点是通过文件图标可以进行全自动控制,可以进行定制确定以满足不同的电炉工艺阶段的需求,如废钢熔化,钢水均质化,合金熔化,脱碳,除渣和出钢。EMS操作具有运行成本低、可靠性高、安全性高、重现性好等特点。SeAH钢厂所使用的EMS控制页面如图4所示,根据频率的正负值改变搅拌方向。

图4 SeAH工具钢冶炼的EMS动态电流分布图
结果与讨论
在电弧炉工艺中搅拌熔池钢水的主要优点是加快了传热传质过程。为了比较ArcSave对电弧炉工艺的影响,在2018年第一季度收集了4个月无搅拌作用的参考工艺数据,并在使用ArcSave下收集了6个月的性能数据。本节将讨论EMS对熔池温度均匀化、能量和电极消耗、通电时间和耐火材料消耗的影响。
熔池均匀化和温差
EMS搅拌引起的熔池大的体积量上湍流使整个熔体完全混合,产生很好的温度和成分均匀性。在炉内两个位置,分别从炉门口处和从EBT区,测量了无EMS和有EMS时的温度分布,如图5所示。EMS关闭时,温差范围为9-39℃,EMS打开时,温差范围为0-10℃。

图5 熔池温度测量从炉门口处和EBT区域进行。使用EMS时候,这两个工位钢水的平均温差小于9℃
从冶金学的观点来看,熔池良好的均匀性是非常重要的,均匀的熔池造就了可靠的确定成分,准确预测最终可控出钢碳含量和精确的出钢温度。因此,使用EMS后的熔池得到良好均匀化过程,可以获得不同钢种的准确出钢温度,这对于减少目标出钢温度的变化,使下道钢包精炼炉(LF)/ VOD操作更加平稳顺畅是非常重要的。
废钢熔化和废钢处理
电磁搅拌引起的强制对流促进了较大的废钢块和打包料的熔化,使废钢管理加入变得简单起来。计算流体力学(CFD)模拟结果表明,与纯自然对流相比,使用ArcSave系统可以使废钢熔化速率的因素增加了10。[2]熔池内部强烈的对流有助于均匀的温度分布和较高的废钢熔化率。另外,ArcSave装置电弧稳定,降低了电极电流的波动,能够快速熔化大块打包料废钢,而且减少了废钢的崩塌对电极的影响。[3]
快速废钢熔化的主要益处是在SeAH废钢处理成本得到降低。EMS使用之前,钢厂内部剔除钢锭料进入电炉前必须切成小块(小于250公斤),否则很难在炉内一炉钢中熔化。使用ArcSave后,可将多达4吨的报废钢锭直接装入炉内而不会出现熔化不足的问题。较少的废钢处理工作意味着较少的人工成本,较少的天然气消耗和较高的金属收率。EMS安装后,废钢处理成本降低70-80%。
电弧加热效率高,节能省电
在传统的交流电弧炉中,无搅拌时熔池中废钢的温度梯度为50 ~ 70℃,[4,5]现场的实际情况限制了炉底钢水温度的测量,特别是在通电期间。特别为估算电弧加热过程中的熔池温度的分布,对160吨电炉有功功率70 MW采用EBT出钢形式,电弧加热废钢过程中搅拌对温度分布的影响进行了CFD模拟研究。电弧炉内功率分配假设为三部分:
•Pcon: 55%的能量通过熔池对流传热。输入功率的这一部分可以描述为与电极距离的函数。
•Prad:20%通过辐射向熔池传热,可以认为是均匀分布到熔体中。
• Plos:25%通过炉壳、炉盖和电极损失掉。
计算通电期间的熔池底层(从炉底向上50mm)和表层(从液面50mm下方)之间的平均温度梯度,电炉的电磁搅拌EMS开启不同功率程度(5%、15%、30%、50%、70%和100% EMS搅拌力),这项研究的结果发表在图6中,可以看出,当EMS搅拌力为5%时(相对于无搅拌时),平均温度梯度随着通电时间的增加而增大,通电10分钟后平均温度梯度达到168℃。随着电磁搅拌力的增大,熔池钢水的温度梯度减小。在100% EMS搅拌力的情况下,平均温度梯度仅为28°C,且随着通电时间的增加,温度梯度几乎恒定。这意味着搅拌降低了熔体表面的过热,从电弧区得到的热量被迅速传输到整体熔池中。表面钢水过热温度的降低,减少了通电期间炉壁和炉盖的热量损失,从而降低了电耗。同时电磁搅拌提高了废钢熔化和脱碳速率,节约了电炉炉内冶炼过程时间,也有助于降低热损失。在通电过程中,炉底钢水温度相应升高也导致了炉底结壳的熔化。

图6 160吨EBT电炉通电期间炉底(炉底向上50 mm)与表层(钢水液面向下50 mm)的平均温度梯度
在SeAH钢厂 EMS测试期间,平均电能节约约3%,吹氧减少7%。通过多消耗氧气使用化学能,结果等效节能约为4%,如图7所示。通电时间可以减少4-5%,电弧稳定,钢水熔池表面过热度低,电耗低,电极消耗降低3-4%。

图7 使用ArcSave对电能消耗的影响(a);对通电时间的影响(b)
减少炉底结壳和操作上的益处
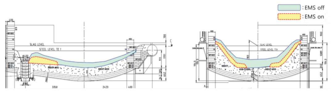
如前一节所讨论的,SeAH钢厂安装ArcSave的主要目标之一是解决炉底结壳问题。用激光测距仪测量炉底结壳厚度,比较使用EMS和参考试验不使用EMS时的结壳厚度的变化。图8给出了炉内结壳轮廓总体示意图,结壳厚度从无EMS时的700 - 1000mm减少到使用EMS时的200mm。结壳厚度的减少在某种程度上是依赖于EMS的运行功率,就目前的情况而言,1400安培的EMS电流对于减少结壳的形成更为有效。

图8 炉底结壳变化说明:厚度从700 - 1000mm(无EMS)减少到100 - 200mm(有EMS)
EMS去除炉底结壳的机理可能是炉底钢水相对温度的升高和熔池内钢水对流作用。高熔点高密度的FeCr铬铁意味着它倾向于停留在炉底,炉底附近的钢水温度相对较低,因此在没有搅拌的情况下溶解沉底的铁合金就会有问题。同时发现,铬铁添加量越高,出钢时间越短,结壳形成的问题越严重。未熔铬铁在炉底的堆积是结壳形成的主要原因。Argyropoulos和Guthrie模拟了温度和搅拌对球形铬铁颗粒溶解时间的影响。[6]根据报道,粒度为20cm铬铁的溶解时间在1570℃温度条件下需要950秒,在1600℃需要约90秒,在1620℃需要约50秒。[6]如图6所示,通电期间,使用EMS的炉底附近的钢水温度提高了约50-100°C。熔池底部钢水温度的相应升高缩短了添加的铬铁熔化时间。也有报道称,在固定熔池温度(1600℃)下,熔池钢水以0.3 m/s的滑移速度搅拌,可将铬铁溶解时间缩短至无搅拌(仅自然对流)情况下的四分之一。[6] 这意味着温度均质化和熔池的强制对流将有助于FeCr合金和大块废钢的熔化。即使在使用长槽出钢的电炉中生产不锈钢,使用EMS对结壳的去除的积极作用也得到了证实。
SeAH电炉中结壳厚度的减少带来以下操作生产上的效益:
•更容易使用废钢料篮加料。
•更好的熔池液位控制。
•增加废钢加入量或提高出钢钢水吨位。
•更高的出钢钢水重量命中率。
•减少下炉壳耐材的维护工作。
•更高的废钢和铁合金收得率。
•连续一致的电炉操作。
•提高了产能。
熔池表面温度降低和节约耐火材料
在SeAH钢厂 20个月的EMS运行表明,与没有EMS的情况相比,熔池搅拌使热修耐火材料消耗减少45%,冷修耐火材料消耗减少9%。在通电过程中,EMS搅拌降低了熔池表面温度,这可能是节约耐火材料的主要原因,因为耐火材料的最严重损害发生在渣线区,特别是在热点区域。降低耐火材料磨损的另一个因素是使用EMS后出钢温度的降低,不锈钢等级的平均出钢温度从1680℃低到1660℃,工具钢的平均出钢温度从1630℃低到1610℃如图9所示。应该记住,在电弧炉中测量出的出钢温度下降20-30℃可以分为两部分:第一部分降低了15℃左右的出钢温度不会影响钢包抵达精炼炉位置时候的钢水温度,因为熔池中钢水温度差减小,进入到钢包中的钢水平均温度并没有降低。在无搅拌情况下,一般来说,熔池表面附近钢水温度更高,所测得的温度往往不能代表整个熔池的平均温度。第二部分5-15℃将是出钢包内绝对出钢温度的降低。20-30℃出钢温度降低,一定会降低耐火材料的磨损。EMS搅拌第三个优点是减少结壳的形成,更少结壳问题导致更少的炉底维护工作,同时能够保持炉内钢水一致的液面控制。结果表明,EMS对炉壁耐火材料有积极的影响,降低了炉体耐火材料的维护成本。

图9 使用ArcSave对不锈钢生产出钢温度(a)和电极消耗(b)降低的影响
工艺可靠性和安全性
安全性和可靠性一直是电炉运行的重要问题。如前面章节所述,EMS对电弧炉工艺的积极影响对提高工艺可靠性有着重大影响。大块废钢和铬铁的快速熔化使熔池的化学成分和温度快速均匀化,保证了出钢的目标钢水重量和温度。在熔池中搅拌可以减少碳的沸腾。整个熔池内均匀的温度提供了出钢的稳定性,减少了出钢故障造成的推迟。此外,熔池中温度分层现象的消除明显降低了出钢温度,结果表明,使用EMS可以在不改变LF到达温度的情况下使出钢温度降低15 ~ 20℃。在未搅拌的炉号情况下,一般来说,钢水在熔池表面附近更热,所测得的温度往往不能代表整个熔池的平均温度。
结论
EMS搅拌改善了电炉过程中的传热传质,降低了能量和电极消耗,同时提高了操作的可靠性和安全性。现场工业生产试验结果表明,使用EMS促进了废钢和铬铁合金的熔化,有效地降低了炉底结壳的形成。熔池内钢水温度更加均匀,目标出钢温度控制更精确,使下道VOD的操作更加顺畅。短的出钢时间和稳定的电炉操作也提高了生产率。使用EMS获得的工艺效益如表2所示。
表2 SeAH钢厂安装EMS后的工艺改进

致谢
作者要感谢ABBCRC/SST/Poland的Monika Zielinska对计算流体动力学模拟工作友好支持和宝贵贡献。
参考文献
1. L.D. Teng, P. Ljungqvist, H. Hackl, J.Andersson and A. Bohlin, “ArcSave: Electromagnetic Stirring in the EAF forHigher Productivity and Lower Cost,” METEC and 2nd ESTAD 2015, Düsseldorf,Germany, 2015.
2. O. Widlund, U. Sand, O. Hjortstam and X.J.Zhang, Proc. of 4th Int. Conf. on Modeling and Simulation of Metallurgical Processesin Steelmaking (SteelSim), Stahlinstitut VDEh, Düsseldorf, Germany, 2011.
3. L.D. Teng, A. Jones, H. Hackl and M. Meador,“ArcSave® — Innovative Solution for Higher Productivity and Lower Cost in theEAF,” AISTech 2015 Conference Proceedings, 2015.
4. E.H. McIntyre and E.R. Landry, “EAFSteelmaking — Process and Practice Update,” Iron & Steelmaker, Vol. 17, No.5, 1993, pp. 61–66.
5. S. Fornander and F. Nilsson, “InductiveStirring in Arc Furnace,” Journal of Metals, Vol. 188, No. 1, 1950, pp. 33 and256.
6. S. Argyropoulos and R. Guthrie, “DissolutionKinetics of Ferroalloys in Steelmaking,” 65th Steelmaking ConferenceProceedings, Vol. 65, 1982, pp. 156–167.
作者
Eung-Sou Lee:Directorof Small Production Division, SeAH CSS Corp., Changwon, Gyeongnam, Korea
Ho-Kyoung Kim:TeamLeader of 3 Steelmaking Team, Large Production Division, SeAH CSS Corp.,Changwon, Gyeongnam, Korea
Eun-Woo Jung:Manager of3 Steelmaking Team, Production Division, SeAH CSS Corp., Changwon, Gyeongnam,Korea
Lidong Teng:PrincipalEngineer, ABB AB, Västerås, Sweden lidong.teng@se.abb.com
Kwang-Seok Kim:SeniorArea Sales Manager, ABB AB, Västerås,Sweden
JoakimAndersson:Sales Manager NAM, ABB AB, Västerås, Sweden
Hongliang Yang:R&DTeam Leader, ABB AB, Västerås, Sweden
唐杰民2021年元月在安徽黄山市屯溪翻译自美国《钢铁技术》杂志2021年元月期刊。水平有限,希望各位看官发现错误和不妥之处给与指正。


