先共析铁素体 (proeutectoid ferrite):
本意是低于共析成分的奥氏体,从高温慢冷下来之际,在发生共析相变(共析转变)之前析出的铁素体。由奥氏体晶界首先析出(转变温度约770℃~680℃)。一般情况下,呈细条状分布在奥氏体晶界,有时也呈条块状。
未溶铁素体:
严格说,在淬火后保留下来的未溶铁素体应是在奥氏体化过程中未溶解或新产生的铁素体。有两种情况:一是一般的原始组织中的铁素体因为加热温度低或保温时间短而未完全溶解,在淬火后保留下来;二是亚共析钢在两相区加热所产生的新铁素体同样会在淬火后保留下来。
未融一般呈孤立的块状,也有人称之为岛状,可以是在晶内,也可以是在晶界,形态比小;
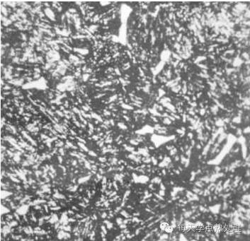
先共析铁素体一般呈链状或条状,分布于晶界,形态比大。
1, 对于低碳/低合金渗碳钢来讲,渗碳淬火后组织中未溶铁素体形态应为:杆状或不等轴的块状。
2 ,判断先共析铁素体和未溶铁素体还要观察周围的基体组织才能正确判别。对于渗碳淬火工件,淬火温度较低使用热油时,心部铁素体形态有时就较难判别。难点在于特殊情况下,基体组织中出现低碳马氏体+托氏体+少量块状铁素体+少量针状铁素体,我们只能判断块状铁素体是淬火前就存在的,简单从形态上不好判断针状铁素体是降温淬火析出还是是未溶。
对于调质件,先共析铁素体一般呈链状网状或条状,分布于晶界,使晶界弱化。先共析铁素体的存在对材料的冲击影响最大,很容易导致力学性能不合格。
总之,我们学习如何判定未溶还是先共析铁素体的目的是为了指导热处理的工艺生产,避免产生不良品。
如果是未溶铁素体:那么在生产中就应该适当提高淬火加热温度或者延长保温时间以避免;
如果是先共析铁素体:那么就围绕提高介质的冷却性能来解决。


材料:42CrMoA
组织:回火索氏体+先共析铁素体
此样品中先共析铁素体的形成是由冷却过程中冷速慢,A1-A3线中停留时间久所导致,未快速通过此区域,发生共析相变之前析出了铁素体。

材料:40Cr、
组织:索氏体+铁素体
此件加热温度不足或保温不够导致块状铁素体未完全奥氏体化,淬火后保持了块状铁素体形态。这样组织性能很难合格。调质件避免出现此种组织形貌。此种组织多见于原材料中存在魏氏组织后淬火后形貌。
但合理控制的未融铁素体的含量和形态可显著提高工件的韧性降低韧脆转变温度,这就是同仁们常用的亚温淬火工艺。亚温淬火以后咱们单独学习。
燕老师说:
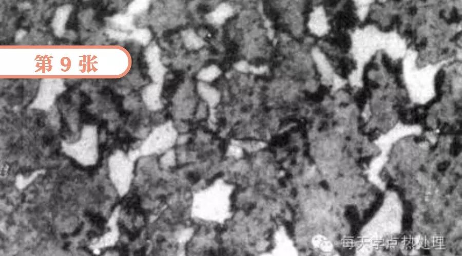
未溶铁素体是亚共析钢加热到Ac1~Ac3之间淬火后(即欠热淬火)的组织,为白色多角状并具有明显的晶界,马氏体和残余奥氏体基体稍暗,微调聚焦会发现白色未溶铁素体与马氏体在一个平面上,如图14a是45钢760℃加热保温30min水淬后的显微组织,白色多角状是铁素体,灰白色是淬火马氏体和残余奥氏体,深色是板条马氏体;先共析铁素体是亚共析钢加热到Ac3以上淬火时,由于冷却速度较慢,在晶界处析出的白色细网状组织,显微组织中往往还有黑色球团状的淬火托氏体,如图14b是45钢880℃加热保温30min油淬后的显微组织,由于冷却速度小于临界冷却速度,淬火时沿晶界析出白色细网状先共析铁素体、深色淬火托氏体、灰白色马氏体,还有少量沿晶界的羽毛状上贝氏体。

下面是小编收集的两种铁素体的金相图片
考考您的眼力能不能很好的判别了呢?
留言区,试试吧~









每天学点热处理


