S43100不锈钢是引进于ASTM标准中的材料,是一种马氏体-铁素体型不锈钢,其特点是在保留铁素体不锈钢耐蚀性的同时,又具有马氏体不锈钢的高强度,在工业上应用广泛。一般螺栓使用的材料为40CrNiMoA、42CrMo及12Cr13等,但由于材料在海水环境中的耐蚀性不如S43100不锈钢,因此在海水环境中的螺栓首选材料改为S43100不锈钢,但是S43100不锈钢的热处理工艺制度非常严格,极易引起腐蚀脆裂。本文以断裂的S43100不锈钢螺栓为研究对象,分析造成螺栓断裂的原因。
1.断裂情况
某项目断裂的S43100不锈钢螺栓为电渣重熔生产的锻造棒料,规格为φ40mm×300mm,其化学成分:wC=0.137%、wMn=0.15%、wSi=0.58%、wS=0.006%、wP=0.024%、wCr=16.88%、wNi=2.32%。螺栓的热处理工艺为淬火:1020℃保温后油冷至200℃以下出炉空冷至室温,回火:530℃保温后空冷至室温。然后将试样加工成标距为30mm、平行部分直径6mm的棒状拉伸试样,并在RSA250万能试验机上按照 GB/T 228—2002《金属材料 室温拉伸试验方法》进行常温拉伸试验,其实测的力学性能与标准技术要求如表1所示。
表1 S43100不锈钢力学性能
项目 | 标准 | 试样1 | 试样2 | 试样3 |
抗拉强度/MPa | 931 | 1021 | 1026 | 1012 |
屈服强度/MPa | 833 | 872 | 887 | 892 |
实际产品断裂的双头螺栓,如图1所示,其断裂部位位于螺杆与带螺纹的螺栓头联接处。

图1 断裂螺栓照片
2.断裂原因分析
该断裂螺栓断口清洗前,整个断面无明显的剪切唇,螺栓断口上存在较厚腐蚀产物。SEM/EDX元素分析表明腐蚀产物中主要含有 Fe、Cr、O、C和Cl元素,还含少量S、Si元素,表明实际服役环境中含Cl-等侵蚀性离子。
经过酸洗和用毛刷去除腐蚀产物后的断口形貌如图2所示。采用扫描电子显微镜对去除腐蚀产物后的断口的微观特征进行了观察,结果表明,断裂螺栓断口呈现典型的沿晶断裂特征,断口呈现冰糖状特征。

图2 断裂螺栓断口形貌
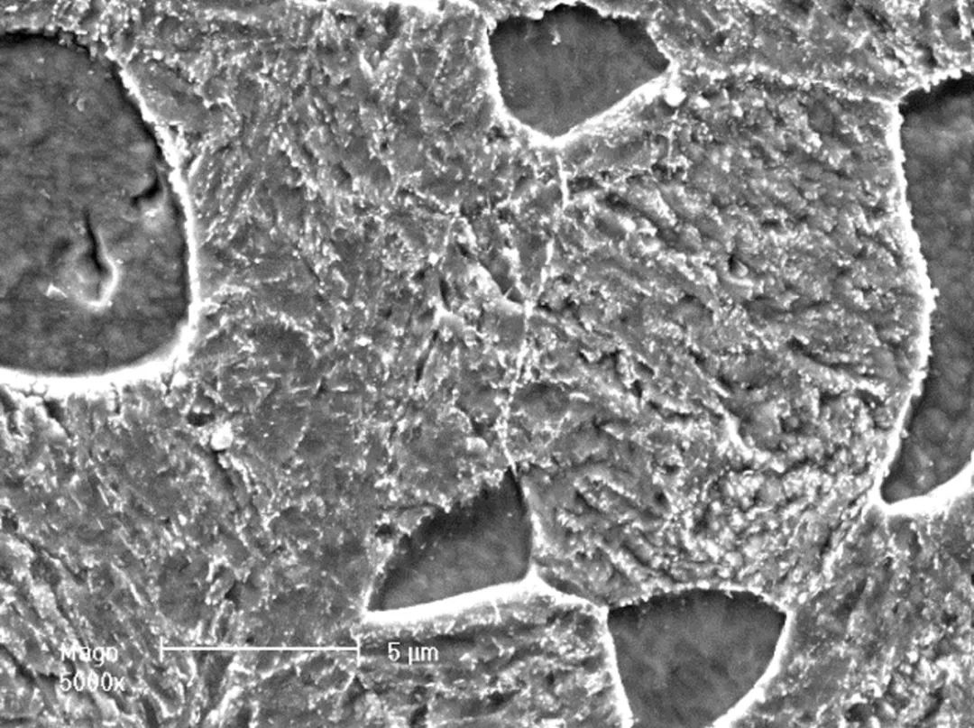
图3为S43100不锈钢热处理后扫描电镜SEM照片。由图3可知,热处理后的S43100不锈钢以索氏体为主,均布着呈块状的铁素体,并且晶内和晶界弥散分布大量的碳化物且连续分布。

(a)

(b)
图3 S43100不锈钢热处理后的SEM照片
另取3件螺栓,将其加工成标距为35mm、平行部分直径5mm的棒状拉伸试样,以应变速率为1.0×10-6s-1,在慢应变速率拉伸应力腐蚀试验机上按照标准GB/T15970.7—2000《金属和合金的腐蚀 应力腐蚀试验 第7部分:慢应变速率试验》进行应力腐蚀敏感性测试,其慢拉伸试验(SSRT)结果列于表2。通常应力 腐蚀敏感性位于0~1之间,该值越大,材料的应力腐蚀敏感性就越高,由表2可以看出,经过调质处理后的S43100不锈钢均有不同程度的损失,而且离散型很大,其中试样6的应力腐蚀敏感性最大,达到0.44。
表2 S43100不锈钢慢拉伸试验结果
项目 | 试样4 | 试样5 | 试样6 |
抗拉强度/MPa | 892 | 903 | 915 |
屈服强度/MPa | 770 | 748 | 795 |
应力腐蚀敏感性 | 0.25 | 0.09 | 0.44 |
图4为试样4经慢应变速率试验后的断口和截面形貌。由图4可知断裂方式为脆性断裂,没有明显的塑性变形,呈沿晶断裂断口特征,截面形貌观察表明试样的裂纹沿着晶界扩展,表明其断裂属性为应力腐蚀开裂。

(a)断口

(b)截面
图4 S43100不锈钢SSRT试验后的断口和截面形貌
S43100不锈钢需要经过热处理才能得到相应的力学性能,但是此钢在530℃左右回火时,晶界上析出大量的含Cr碳化物,从而形成贫Cr区,从而降低了材料的耐蚀性。
3.改进措施
以往的S43100不锈钢螺栓技术要求的屈服强度为833MPa,但是近来国外压缩机使用此材料螺栓时已经改为采用屈服强度为686MPa。鉴于S43100不锈钢在530℃附近有大量的含Cr碳化物析出,降低材料的耐蚀性,根据国外经验和以上的检验结果,将S43100不锈钢螺栓的回火温度改为600℃。
另取同批螺栓锻件6件,对其进行淬火:1020℃保温后油冷至200℃以下出炉空冷至室温,回火:600℃保温后空冷至室温的热处理工艺,取其中3件试样进行力学性能检测,其结果为:试样7屈服强度806MPa、试样8屈服强度811MPa和试样9屈服强度794MPa。将剩余3件试样进行应力腐蚀敏感性检验,其慢拉伸试验(SSRT)结果均为0,说明此时S43100不锈钢的应力腐蚀敏感性很小,然后对编号为8的试样进行断口扫描检验,如图5所示,无明显腐蚀断裂情况出现。

(a)断口

(b)截面
图5 S43100不锈钢热处理改善后的SSRT试验断口和截面形貌
4.结语
(1)热处理后的S43100不锈钢以索氏体为主,均布着呈块状的铁素体,并且晶内和晶界弥散分布大量的碳化物且连续分布。
(2)断裂的S43100不锈钢螺栓断口为典型的沿晶断裂特征。
(3)S43100不锈钢在530℃左右回火时,晶界上析出大量的含Cr碳化物,从而形成贫Cr区,从而降低了材料的耐蚀性。
作者:陈炜,王冬颖,梁盈
单位:沈阳鼓风机集团股份有限公司
(本平台"常州精密钢管博客网"的部分图文来自网络转载,转载目的在于传递更多技术信息。我们尊重原创,版权归原作者所有,若未能找到作者和出处望请谅解,敬请联系主编微信号:steel_tube,进行删除或付稿费,多谢!)

