45号钢是含碳量为0.45%的碳素结构钢,其特点是价格便宜,切削加工性能好,淬火后具有较高的硬度,调质处理后具有良好的强韧性和一定的耐磨性,被广泛用于制造结构零件及中低档的塑料模具。
“45号钢”是通俗的叫法,符号一般记作“45#”。实际上GB标准钢号为“45”,它不是顺序号,读作“45号钢”不甚准确。
>>成分规范
45钢相近的牌号有S45C(JIS)和1045(AISI)。此外,我国冶金技术标准中有SM45牌号专门表示塑料模具用途。SM45与45钢相比,其磷硫含量更低,钢材纯净度更好。
标准 | GB/T 699 | 牌号 | 45 |
C | 0.42~0.50 | Cr | ≤0.25 |
Si | 0.17~0.37 | Ni | ≤0.30 |
Mn | 0.50~0.80 | Cu | ≤0.25 |
按磷硫分级别 | P | S | |
优质钢(45) | ≤0.035 | ≤0.035 | |
高级优质钢(45A) | ≤0.030 | ≤0.030 | |
特级优质钢(45E) | ≤0.025 | ≤0.020 | |
标准 | YB/T 094 | AISI | JIS G4051 |
牌号 | SM45 | 1045 | S45C |
C | 0.42~0.48 | 0.43~0.50 | 0.42~0.48 |
Si | 0.17~0.37 | — | 0.15~0.35 |
Mn | 0.50~0.80 | 0.60~0.90 | 0.60~0.90 |
P | ≤0.030 | ≤0.030 | ≤0.030 |
S | ≤0.030 | ≤0.050 | ≤0.035 |
>>机械性能(GB/T 699-1999)
试样毛胚尺寸(mm) | 25 | |
推荐热处理(℃) | 正火 | 850 |
淬火 | 840 | |
回火 | 600 | |
力学性能 | 抗拉强度MPa | ≥600 |
屈服强度MPa | ≥355 | |
伸长率% | ≥16 | |
断面收缩率% | ≥40 | |
冲击功J | ≥39 | |
交货硬度HBS | 未热处理钢 | ≤229 |
退火钢 | ≤197 | |
注:对大于80mm的钢材,允许其断后伸长率与断面收缩率比上表分别降低2%及5%。
>>热处理与硬度
推荐的淬火工艺规范:淬火温度为820~860℃,水冷或油冷,硬度≥50HRC。
推荐的回火工艺规范:回火温度为500~560℃,空冷,硬度为25~33HRC。
在此温度范围回火即是调质处理。调质使45钢的强度、塑性和韧性得到一个较好的平衡,综合性能良好,可适应交变负荷环境。
45钢调质后表面硬度较低,不耐磨。所以常用调质+表面淬火提高零件表面硬度。
回火温度与硬度的关系见下表:
回火 温度 | 淬火 后 | 单位(℃) | |||||
200 | 300 | 400 | 500 | 550 | 600 | ||
硬度 HRC | 57 | 55 | 50 | 41 | 33 | 26 | 22 |
注:①淬火为840℃水淬。②45钢淬火后没有回火之前,硬度大于HRC55(最高可达HRC62)为合格。实际应用的最高硬度为HRC55(高频淬火HRC58)。
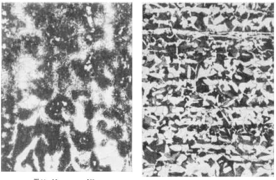
45钢(840±10℃)金相图
45钢(840±10℃)金相图

图1(100×)

图1(500×)
材料:45#钢
工艺情况:加热至(840±10℃),保温1h,快冷至600℃,再保温1h,空冷
浸蚀方法:4%硝酸酒精溶液浸蚀
组织说明:珠光体和白色网状铁素体,晶粒度为8级。
45钢的正火是将钢加热到Ac3以上30~50℃,保温后在空气中自然冷却,它与完全退火的主要差别在于冷却速度较快,目的是使钢的组织正常化,并使珠光体量增多和变细,减少铁素体的数量。
45钢如果用于普通结构零件,正火可作为最终热处理。经过正火可以改善铸造或锻造后的组织,细化奥氏体晶粒,使组织均匀化,形成细而均匀的铁素体与珠光体组织,晶粒度达到8级,从图1中也可以看到珠光体的层片距达到甚为细微的程度,从而提高了钢的强度、硬度和韧性。
45钢也是最为常用的调质钢,在淬火和高温回火之前必须进行正火处理,以获得均匀而细密的组织,作为预先热处理的一道重要工序。
45钢(手工电弧焊)金相图
图1 200X
图2 500X
图3 200X 图4 200X
图5 200X 图6 100X
材料:45钢
工艺情况:
图1–2:手工电弧焊
图3–6:手工电弧焊,焊前未予热,焊后未作消除应力处理
浸蚀方法:4%硝酸酒精溶液浸蚀
组织说明:
图1:上部为焊缝区,显微组织为马氏体、贝氏体、托氏体和少量柱状铁素体;下部为热影响区的过热形貌:马氏体、贝氏体、托氏体和极少量铁素体,黑色托氏体沿晶分布。
图2:图1过热区更高倍率下形貌。焊缝区由液相向奥氏体(快冷、成柱状)转变,随后冷却时由柱状奥氏体晶界上析出铁素体把柱状结晶的轮廓勾划出来,然后紧邻着铁素体产生非自发成核的贝氏体转变和非自发成核以及自发成核的托氏体转变。
由于冷却速度很快,残余部分含碳量比先转变区域的可淬性提高而产生马氏体转变。
由于母材是45钢,它比低碳钢有较好的可淬性,在焊后的冷却过程中,母材热影响区过热区出现大量的马氏体。马氏体相变的产生使焊缝和热影响区都存在很大的组织应力,很容易发生开裂。特别是在过热区,晶粒粗大,马氏体针很长,且没有回火,应力更大,此处是焊缝最薄弱的区域,产生裂缝的敏感性也最大。
图3上半部为焊缝组织:珠光体和铁素体,先共析铁素体沿柱状晶晶界析出。图的下半部为母材热影响区的半熔化区和过热区的组织;白亮的淬火马氏体、黑色针状下贝氏体和托氏体。焊缝与母材结合情况良好。
焊缝金属凝固时,首先是在与母材连接的熔池边缘开始结晶,由于母材温度低,导热性好,温度梯度大,而结晶速度很小,所以近母材熔池的结晶是在母材晶粒上直接结晶长大的。但这时母材边缘受焊接热循环的影响,已被迅速加热到高温,出现过热状态,使晶粒十分粗大,焊缝从这些粗大晶粒连续长大的焊缝新结晶也十分粗大。此外,焊接时焊缝的温度很高,也是柱状晶容易粗大的原因。母材半熔化区一般都很小,金相法较难清晰分辨,而过热区较宽,晶粒十分粗大,冷却相变后马氏体针叶也十分粗大。
一般来说,焊条含碳量比母材低,出现铁素体的比例高,铁素体的膨胀系数小,结晶收缩的应变应力小,同时铁素体塑性好,容易变形,可以减少应力集中,从而可防止焊接裂缝的产生。低碳钢的奥氏体空冷后,容易分解成珠光体和铁素体,而母材45钢,属于中碳钢,有一定淬透性,焊后空冷,重结晶区的奥氏体容易转变成马氏体。
图4为热影响区的正常重结晶区的组织,为白亮的淬火马氏体、黑色的针状下贝氏体、黑色的托氏体、黑色块状的细珠光体和少量沿晶分布白色的铁素体的混合组织。正常重结晶区(或正常正火区)的受热温度在AC3以上至晶粒的明显长大的温度区间,在此温度区间奥氏体晶粒比较细小,其转变后的马氏体针叶长度比较短,距过热区越近,奥氏体化温度越高,化学成分越均匀,奥氏体越稳定,空冷后越容易得到马氏体组织。相反,离不完全正火区越近,温度越低,化学成分越不均匀,奥氏体越不稳定,越容易分解出非马氏体组织,而形成上述的混合组织。
图5:母材不完全重结晶区,其组织为黑色的细片状珠光体和白色的铁素体,部分铁素体呈细小的针状析出,而形成魏氏组织。
此区域焊接时母材受热温度处于AC1~AC3之间,由于受热温度比较低,没有完全奥氏体化,有一部分铁素体没有转变而保留原材料的带状组织状态。已奥氏体化部分,由于温度低,奥氏体晶粒十分细小,且不稳定,容易分解成更加细小的珠光体和铁素体,由于冷却速度很快,部分铁素体呈细的针状析出,形成魏氏组织状态。
图6:母材原始组织,珠光体和铁素体,呈轧制的带状分布状态。图中铁素体中间的灰色长条状夹杂物为硫化物,轧制时塑性夹杂物沿轧制方向变形成长条状,而夹杂物可以成为铁素体析出长大的外来非自发成核核心,所以在轧制材料中经常可以看到铁素体中心有长条状分布的硫化物。
45钢属中碳钢,其可焊性比低碳钢差很多,所以焊接时一般需要焊前预热和焊后除应力处理,本例由于没有焊前预热和焊后除应力处理,在热影响区中容易出现马氏体组织,马氏体硬度高、脆性大,容易引起应变产生的应力集中,而不能产生变形以吸收应变能量,从而诱发冷裂缝的产生,同时也是使用中疲劳裂缝容易产生的地方。特别是过热区的粗大马氏体更是焊缝的薄弱区域。






