碳钢金相组织 都有哪些?有图吗?
本站之前发表过文章:金相组织图例,不容忽略的"金相组织"知识,钢管钢材的15种金相组织,请塞进脑壳里有用!,纯铁、10钢、20钢(退火态)的低碳碳素钢金相组织,网友反应说这些关于金相的文章很好,今天我们再来看看:碳钢金相组织 都有哪些?
材料的金相检验主要目的是检查微观缺陷,如脱碳层的深度、夹杂物和金相组织形态等。材料的表面缺陷如折迭、凹坑等则可以通过金相检验进一步定量地确定缺陷的深度。
原材料金相检验的试样一般取纵横两个截面, 关键词:钢铁性能,显微组织,金相组织,热处理技术,晶体,马氏体,晶体结构,珠光体,索氏体,屈氏体,上贝氏体,下贝氏体,马氏体。
横截面的检查项目主要有:
1)试样自外层边缘到中心部位金相组织的变化,有否偏析石墨碳及其他异常组织;
2)表面缺陷的检查如脱碳、折迭、凹坑的深度及在截面上的分布情况;
3)晶粒度大小的测定、非金属夹杂物在整个截面的分布。
纵截面的检查项目主要有:
1)材料的带状组织;
2)非金属夹杂物在纵向的分布情况;3)观察晶粒度的拉长程度。
金相检验的取样部位一般取材料的两个端头,因为这一部位往往是缺陷比较集中的地方,对于热轧材料可通过砂轮切割或其他方法截取试样,线径较细的材料试样截取后要经过镶嵌后才能观察。
下面我们来看看碳钢热处理后的显微组织
碳钢经退火、正火可得到平衡或接近平衡组织,经淬火得到的是不平衡组织。因此,研究热处理后的组织时,不仅要参考铁碳相图,而且更主要的是参考钢的等温转变曲线(C曲线)。
为了简便起见,用C曲线来分析共析钢过冷奥氏体在不同温度等温转变的组织及性能(见表3-1)。
在缓慢冷时(相当于炉冷)应得到100%的珠光体;当冷却速度增大到V2。时(相当于空冷),得到的是较细的珠光体,即索氏体或屈氏体;当冷却速度增大到V3时(相当于油冷),得到的为屈氏体和马氏体;当冷却速度增大至V4、V5,(相当于水冷),很大的过冷度使奥氏体骤冷到马氏体转变开始点(Ms)后,瞬时转变成马氏体。其中与C曲线鼻尖相切的冷却速度(V4)称为淬火的临界冷却速度。
转变类型 | 组织名称 | 形成温度范围/℃ | 显微组织特征 | 硬度(HRC) |
珠光体型相变 | 珠光体(P) | >650 | 在400~500X金相显微镜下可以观察到铁索体和渗碳体的片层状组织 | ~20 (HBl80~200) |
索氏体(S) | 600~650 | 在800一]000X以上的显微镜下才能分清片层状特征,在低倍下片层模糊不清 | 25~35 | |
屈氏体(T) | 550~600 | 用光学显微镜观察时呈黑色团状组织,只有在电子显徽镜(5000~15000X)下才能看出片层状 | 35—40 | |
贝氏体型相变 | 上贝氏体(B上) | 350~550 | 在金相显微镜下呈暗灰色的羽毛状特征 | 40—48 |
下贝氏体(BT) | 230~350 | 在金相显微镜下呈黑色针叶状特征 | 48~58 | |
马氏体型相变 | 马氏体(M) | <230 | 在正常淬火温度下呈细针状马氏体(隐晶马氏体),过热淬火时则呈粗大片状马氏体 | 60~65 |
亚共析钢的C曲线与共析钢相比,只是在其上部多了一条铁素体先析出线,当奥氏体缓慢冷却时(相当于炉冷),转变产物接近平衡组织,即珠光体和铁素体。
随着冷却速度的增大,即V3>V2>V1,时,奥氏体的过冷度逐渐增大,析出的铁素体越来越少,而珠光体的量逐渐增加,组织变得更细,此时析出的少量铁素体多分布在晶粒的边界上。
因此,V1的组织为铁素体+珠光体;V2的组织为铁素体+索氏体;V3,的组织为铁素体+屈氏体。当冷却速度为V4,时,析出很少量的网状铁素体和屈氏体(有时可见到少量贝氏体),奥氏体则主要转变为马氏体和屈氏体(如图3-3);当冷却速度V5,超过临界冷却速度时,钢全部转变为马氏体组织(如图3-6,3-7)。
过共析钢的转变与亚共析钢相似,不同之处是后者先析出的是铁素体,而前者先析出的是渗碳体。
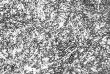
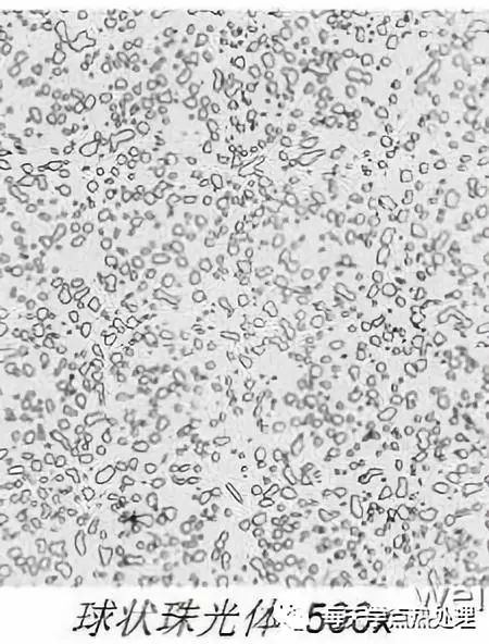
①珠光体(P)珠光体的组织形态主要有两种:片状珠光体和颗粒状珠光体。片状珠光体由一片片相互交错排列的铁素体和渗碳体所组成形成珠光体的先行条件是事先形成均匀的奥氏体,而后缓慢冷却在A1以下附近温度形成。片状珠光体似手指纹的层状结构,它是一层铁素体和一层渗碳体的机械混合物(见图3-1)。颗粒状珠光体是在铁素体的基体上分布着细小颗粒状的渗碳体的球化组织(见图3-2)。
图3-1片状珠光体500×4%硝酸酒精
图3-2 颗粒状珠光体500×4%硝酸酒精
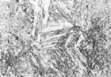
②索氏体(s) 是铁素体与渗碳体的机械混合物。其片层比珠光体更细密,在高倍(700倍以上)显微放大时才能分辨(见图3-3)。索氏是国际公认的金相学创建人,他的姓氏被用来命名钢中的一种淬火或回火组织——So rbite, 即索氏体。
③屈氏体(T) 也是铁素体与渗碳体的机械混合物,片层比索氏体还细密,在一般光学显微镜下也无法分辨,只能看到如墨菊状的黑色形态。当其少量析出时,沿晶界分布,呈黑色网状,包围着马氏体;当析出量较多时,呈大块黑色团状,只有在电子显微镜下才能分辨其中的片层(见图3-4)。
图3-3 索氏体500×4%硝酸酒精

图3-4 屈氏体4%硝酸酒精
④贝氏体(B) 为奥氏体的中温转变产物,它也是铁素体与渗碳体的两相混合物。在显微形态上,主要有三种形态;
a. 上贝氏体是由成束平行排列的条状铁素体和条间断续分布的渗碳体所组成的非层状
组织。当转变量不多时,在光学显微镜下为成束的铁素体条向奥氏体晶内伸展,具有羽毛状特征。在电镜下,铁素体以几度到十几度的小位向差相互平行,渗碳体则沿条的长轴方向排列成行,(如图3-5)。
b. 下贝氏体是在片状铁素体内部沉淀有碳化物的两相混合物组织。它比淬火马氏体易受浸蚀,在显微镜下呈黑色针状(见图3-6)。在电镜下可以见到,在片状铁素体基体中分布有很细的碳化物片,它们大致与铁素体片的长轴成55~60°的角度。
c. 粒状贝氏体是最近十几年才被确认的组织。在低、中碳合金钢中,特别是连续冷却时(如正火、热轧空冷或焊接热影响区)往往容易出现,在等温冷却时也可能形成。它的形成温度范围大致在上贝氏体转变温度区的上部,由铁素体和它所包围的小岛状组织所组成。
图3-5上贝氏体+马氏体500×

图3-6 下贝氏体500×4%硝酸酒精
⑤马氏体(M) 是碳在αFe中的过饱和固溶体。马氏体的形态按含碳量主要分两种,即板条状和针状(见图3-7、3-8所示);
a. 板条状马氏体一般为低碳钢或低碳合金钢的淬火组织。其组织形态是由尺寸大致相同
的细马氏体条定向平行排列组成马氏体束或马氏体领域。在马氏体束之间位向差较大,一个奥氏体晶粒内可形成几个不同的马氏体领域。板条马氏体具有较低的硬度和较好的韧性。
b. 针状马氏体是含碳量较高的钢淬火后得到的组织。在光学显微镜下,它呈竹叶状或针
状,针与针之间成一定的角度。最先形成的马氏体较粗大,往往横穿整个奥氏体晶粒,将奥氏体晶粒加以分割,使以后形成的马氏体片的大小受到限制。因此,针状马氏体的大小不一。同时有些马氏体有一条中脊线,并在马氏体周围有残留奥氏体。针状马氏体的硬度高而韧性差。
图3-7 板条状马氏体 500×

图3-8 针状马氏体1600×
⑥残余奥氏体(A残) 是含碳量大于0.5%的奥氏体淬火时被保留到室温不转变的那部
分奥氏体。它不易受硝酸酒精溶液的浸蚀,在显微镜下呈白亮色,分布在马氏体之间,无固定形态。
那么回火组织与性能又是怎样?
①回火马氏体。是低温回火(150~250℃)组织。它仍保留了原马氏体形态特征。针状马氏体回火析出了极细的碳化物,容易受到浸蚀,在显微镜下呈黑色针状。低温回火后马氏体针变黑,而残余奥氏体不变仍呈白亮色(如图3-10所示)。低温回火后可以部分消除淬火钢的内应力,增加韧性,同时仍能保持钢的高硬度。
②回火屈氏体。是中温回火(350—500℃)组织。回火屈氏体是铁素体与粒状渗碳体组成的极细混合物。铁素体基体基本上保持了原马氏体的形态(条状或针状),第二相渗碳体则析出在其中,呈极细颗粒状,用光学显微镜极难分辨(如图3-11所示)。中温回火后有很好的弹性和一定的韧性。
图3-10 回火马氏体(黑色针状)+残余奥氏体

图3-11 回火屈氏体1000×
③回火索氏体;是高温回火(500~650℃)组织。回火索氏体是铁素体与较粗的粒状渗碳体所组成的机械混合物。碳钢回火索氏体中的铁素体已经通过再结晶,呈等轴细晶粒状。经充分回火的索氏体已没有针的形态。在大于500倍的光镜下,可以看到渗碳体微粒(如图3-12所示)。回火索氏体具有良好的综合机械性能。

图3-12 回火索氏体 500×
应当指出,回火屈氏体、回火索氏体是淬火马氏体回火时的产物,它们的渗碳体是颗粒状的,且均匀地分布在铁素体基体上;而淬火索氏体和淬火屈氏体是奥氏体过冷时直接形成的,其渗碳体是呈片状。回火组织较淬火组织在相同的硬度下具有较高的塑性与韧性。
(本平台"常州精密钢管博客网"的部分图文来自网络转载,转载目的在于传递更多技术信息。我们尊重原创,版权归原作者所有,若未能找到作者和出处望请谅解,敬请联系主编微信号:steel_tube,进行删除或付稿费,多谢!)

